| |
 |
|
 |
Вернуться к выбору узлов мотора
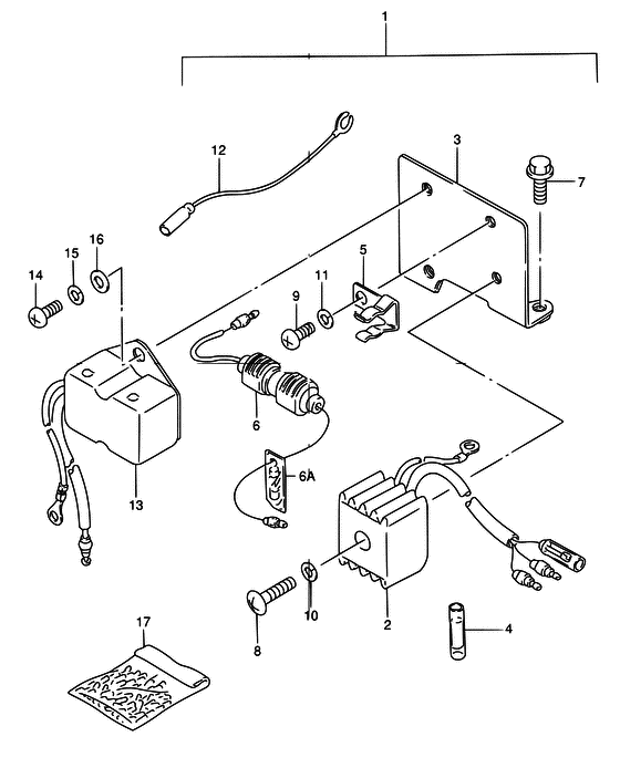
ДЕТАЛИРОВКА ДЛЯ МОДЕЛИ: SUZUKI DT5Y W
Опции : Электрика
Год выпуска двигателя: 1998
Цвет: California Gray Metallic
Номер на рисунке | Артикул | Наименование | QTY | Кол-во на складе | Цена |
| 1 | 32801-98602-000 | Выпрямитель, установочный комплект - Rectifier Set (Rectifier Set) | | под заказ | 0 руб. |
| 2 | 32800-95D01-000 | Выпрямитель в сборе - Rectifier Assy (Rectifier Assy) | | под заказ | 10760 руб. |
| 2 | 32800-95D02-000 | (актуальный код замены) Выпрямитель в сборе - Rectifier Assy | | 1 шт | 10760 руб. |
| 3 | 32890-98600-000 | Кронштейн выпрямителя - Bracket, Rectifier (Bracket ) (Bracket, Rectifier) | | под заказ | 0 руб. |
| 4 | 37132-93700-000 | Коннектор, Провод - Connector, Wire (Connector, lead wire ) (Connector, Wire) | | под заказ | 220 руб. |
| 5 | 36791-95200-000 | Держатель, Предохранитель Case - Holder, Fuse Case (Holder, fuse ) (Holder, Fuse Case) | | под заказ | 340 руб. |
| 6 | 36740-95253-000 | Корпус предохранителя - Case Assy, Fuse (Case Assy, Fuse) | | 1 шт | 1720 руб. |
| 6 | 09481-20001-000 | Предохранитель (20a) - Fuse (20a) (Fuse (20a)) | | 30 шт | 180 руб. |
| 7 | 09103-06049-000 | Болт (6x12) - Bolt (6x12) (Bolt (6x12)) | | 9 шт | 180 руб. |
| 8 | 02142-05257-000 | Винт - Screw (Screw) | | под заказ | 110 руб. |
| 9 | 02112-06087-000 | Винт - Screw (Screw) | | под заказ | 120 руб. |
| 10 | 08321-01057-000 | Шайба с блокировкой - Washer, Lock (Washer, Lock) | | под заказ | 140 руб. |
| 10 | 08321-0105A-000 | (актуальный код замены) Шайба с блокировкой - Washer, Lock | | под заказ | 140 руб. |
| 10 | 08321-0105A-000 | Шайба с блокировкой - Washer, Lock (Washer, Lock) | | под заказ | 140 руб. |
| 11 | 08321-01067-000 | Шайба с блокировкой - Washer, Lock (Washer, Lock) | | под заказ | 140 руб. |
| 12 | 37801-98300-000 | Провод выключателя двигателя - Lead, Stop Switch (Lead, rect & reg gnd ) (Lead, Stop Switch) | | под заказ | 320 руб. |
| 12 | 37801-98301-000 | (актуальный код замены) Провод выключателя двигателя - Lead, Stop Switch | | под заказ | 320 руб. |
| 13 | 32500-95722-000 | Регулятор напряжения - Regulator Assy, Voltage (Regulator assy, voltage ) (Regulator Assy, Voltage) | | под заказ | 110400 руб. |
| 14 | 02112-06107-000 | Винт - Screw (Screw) | | под заказ | 120 руб. |
| 15 | 08321-01067-000 | Шайба с блокировкой - Washer, Lock (Washer, Lock) | | под заказ | 140 руб. |
| 16 | 08322-01067-000 | Шайба - Washer (Washer) | | 10 шт | 160 руб. |
| 17 | 36990-87D00-000 | Клемма / Гильза Set - Terminal / Sleeve Set (Terminal & sleeve set ) (Terminal / Sleeve Set) | | 1 шт | 1720 руб. |
Время выполнения запроса 1.3547608852386 сек. |
|