Купить оригинальные запчасти на подвесной двигатель Suzuki модель 2000 года - Electrical / Электрика
вконтакте

Контактный телефон: +7 (981) 121-46-93, +7 (800) 200-90-76 , Email: parts-katalog@yandex.ru, где купить

 
 

  Логин:

Пароль:

Регистрация

www.partskatalog.ru Все каталоги Запчасти Mercury Запчасти Suzuki Запчасти Tohatsu Запчасти Honda Контакты



УВАЖАЕМЫЕ КЛИЕНТЫ!
C 19 ДЕКАБРЯ 2025 ПО 02 МАРТА 2026 ГОДА ОТДЕЛ ЗАПЧАСТЕЙ И СЕРВИС РАБОТАТЬ НЕ БУДУТ
ПРОДАЖА ЛОДОЧНЫХ МОТОРОВ В ШТАТНОМ РЕЖИМЕ
ОБ ИЗМЕНЕНИЯХ В ГРАФИКЕ РАБОТЫ ЧИТАЙТЕ НА САЙТА



назад Раздел:   вперёд

Вернуться к выбору узлов мотора


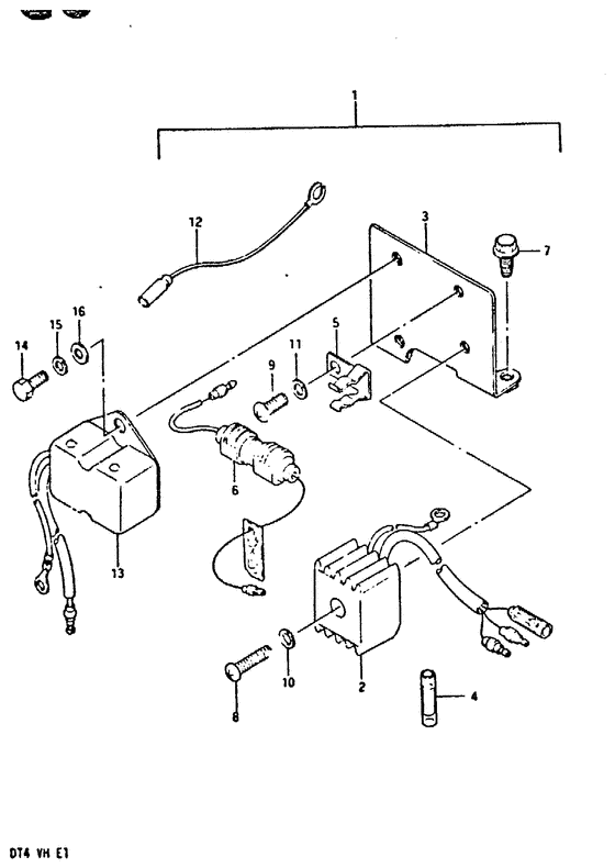
ДЕТАЛИРОВКА ДЛЯ МОДЕЛИ: SUZUKI DT5Y Y

Электрика


Год выпуска двигателя: 2000

Регион: General Export No.1 ,Код региона: P01

Цвет: California Gray Metallic

Номер на
рисунке
АртикулНаименованиеQTYКол-во
на складе
Цена
132801-98600-000

Выпрямитель, установочный комплект - Rectifier Set (Rectifier Set)

под заказ0 руб.
132801-98602-000

   (актуальный код замены) Запчасть снята с производства - The Spare Part Is Laid Off

под заказ0 руб.
132801-98602-000

Выпрямитель, установочный комплект - Rectifier Set (Rectifier Set)

под заказ0 руб.
232800-95720-000

Выпрямитель в сборе - Rectifier Assy (Rectifier Assy)

под заказ10760 руб.
232800-95D02-000

   (актуальный код замены) Выпрямитель в сборе - Rectifier Assy

1 шт10760 руб.
232800-95D01-000

Выпрямитель в сборе - Rectifier Assy (Rectifier Assy)

под заказ10760 руб.
232800-95D02-000

   (актуальный код замены) Выпрямитель в сборе - Rectifier Assy

1 шт10760 руб.
332890-98600-000

Кронштейн выпрямителя - Bracket, Rectifier (Bracket # Bracket, rectifier; ) (Bracket, Rectifier)

под заказ0 руб.
437132-93700-000

Коннектор, Провод - Connector, Wire (Connector, lead wire # Connector; ) (Connector, Wire)

под заказ220 руб.
536791-95200-000

Держатель, Предохранитель Case - Holder, Fuse Case (Holder, fuse # Holder, fuse case; ) (Holder, Fuse Case)

под заказ340 руб.
636740-95252-000

Корпус предохранителя - Case Assy, Fuse (Case Assy, Fuse)

под заказ1720 руб.
636740-95253-000

   (актуальный код замены) Корпус предохранителя - Case Assy, Fuse

1 шт1720 руб.
636740-95253-000

Корпус предохранителя - Case Assy, Fuse (Case Assy, Fuse)

1 шт1720 руб.
709103-06049-000

Болт (6x12) - Bolt (6x12) (Bolt (6x12))

9 шт180 руб.
802112-05252-000

Винт - Screw (Screw)

под заказ120 руб.
802112-05257-000

   (актуальный код замены) Винт - Screw

под заказ120 руб.
802112-05257-000

Винт - Screw (Screw)

под заказ120 руб.
902112-06082-000

Винт - Screw (Screw)

под заказ120 руб.
902112-06087-000

   (актуальный код замены) Винт - Screw

под заказ120 руб.
902112-06087-000

Винт - Screw (Screw)

под заказ120 руб.
1008321-21052-000

Шайба с блокировкой - Washer, Lock (Washer, Lock)

под заказ140 руб.
1008321-0105A-000

   (актуальный код замены) Шайба с блокировкой - Washer, Lock

под заказ140 руб.
1008321-0105A-000

Шайба с блокировкой - Washer, Lock (Washer, Lock)

под заказ140 руб.
1108321-21062-000

Шайба с блокировкой - Washer, Lock (Washer, Lock)

под заказ140 руб.
1108321-01067-000

   (актуальный код замены) Шайба с блокировкой - Washer, Lock

под заказ140 руб.
1108321-01067-000

Шайба с блокировкой - Washer, Lock (Washer, Lock)

под заказ140 руб.
1236898-93300-000

Запчасть снята с производства - The Spare Part Is Laid Off (Lead, receptacle;) (The Spare Part Is Laid Off)

под заказ0 руб.
1332500-95722-000

Регулятор напряжения - Regulator Assy, Voltage (Regulator assy, voltage # Regulator assy, voltage; ) (Regulator Assy, Voltage)

под заказ110400 руб.
1401107-06102-000

Болт - Bolt (Bolt)

под заказ150 руб.
1401500-06107-000

   (актуальный код замены) Болт - Bolt

под заказ150 руб.
1401500-06107-000

Болт - Bolt (Bolt)

под заказ150 руб.
1508321-21062-000

Шайба с блокировкой - Washer, Lock (Washer, Lock)

под заказ140 руб.
1508321-01067-000

   (актуальный код замены) Шайба с блокировкой - Washer, Lock

под заказ140 руб.
1508321-01067-000

Шайба с блокировкой - Washer, Lock (Washer, Lock)

под заказ140 руб.
1608322-21062-000

Шайба - Washer (Washer)

под заказ140 руб.
1608322-01067-000

   (актуальный код замены) Шайба - Washer

10 шт160 руб.
1608322-01067-000

Шайба - Washer (Washer)

10 шт160 руб.


Время выполнения запроса 0.99226593971252 сек.

 
 

данный сайт носит информационный характер и не является публичной офертой

склад запчастей для водомоторной техники