Запчасти на подвесной двигатель SUZUKI модель 2001 года - Swivel bracket / Поворотный кронштейн
вконтакте

Контактный телефон: +7 (981) 121-46-93, +7 (800) 200-90-76 , Email: parts-katalog@yandex.ru, где купить

 
 

  Логин:

Пароль:

Регистрация

www.partskatalog.ru Все каталоги Запчасти Mercury Запчасти Suzuki Запчасти Tohatsu Запчасти Honda Контакты



УВАЖАЕМЫЕ КЛИЕНТЫ!
C 19 ДЕКАБРЯ 2025 ПО 02 МАРТА 2026 ГОДА ОТДЕЛ ЗАПЧАСТЕЙ И СЕРВИС РАБОТАТЬ НЕ БУДУТ
ПРОДАЖА ЛОДОЧНЫХ МОТОРОВ В ШТАТНОМ РЕЖИМЕ
ОБ ИЗМЕНЕНИЯХ В ГРАФИКЕ РАБОТЫ ЧИТАЙТЕ НА САЙТА



назад Раздел:   вперёд

Вернуться к выбору узлов мотора


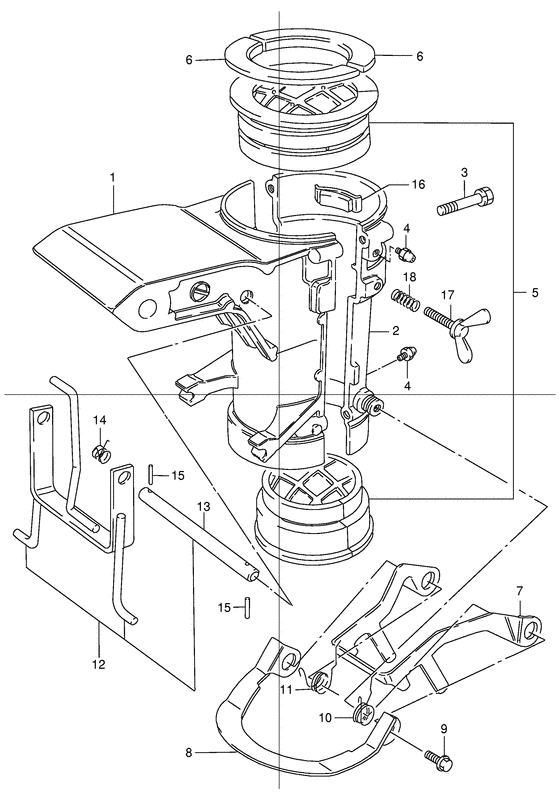
ДЕТАЛИРОВКА ДЛЯ МОДЕЛИ: SUZUKI DT5YK1(E1) K1

Поворотный кронштейн


Год выпуска двигателя: 2001

Регион: General Export No.1 ,Код региона: P01

Цвет: Shadow Black Metallic

Номер на
рисунке
АртикулНаименованиеQTYКол-во
на складе
Цена
143111-98620-0ED

Поворотный кронштейн (gray) - Bracket, Swivel (gray) (Bracket, swivel (gray); ) (Bracket, Swivel (gray))

под заказ0 руб.
143111-98620-0EP

Запчасть снята с производства - The Spare Part Is Laid Off (Bracket, swivel (black); Model:02) (The Spare Part Is Laid Off)

под заказ0 руб.
243121-98620-0ED

Крышка поворотного кронштейна - Cover, Swivel Bracket (Cover, swivel bracket # Bracket, swivel brkt (gray); ) (Cover, Swivel Bracket)

под заказ0 руб.
243121-98620-0EP

Запчасть снята с производства - The Spare Part Is Laid Off (Cover, swivel brkt (black); Model:02) (The Spare Part Is Laid Off)

под заказ0 руб.
309117-06043-000

Болт (6x40) - Bolt (6x40) (Bolt (6x40) # Bolt (6x40); ) (Bolt (6x40))

под заказ320 руб.
422511-99010-000

Ниппель смазки - Nipple, Grease (Nipple, Grease)

под заказ340 руб.
422511-99011-000

   (актуальный код замены) Ниппель смазки - Nipple, Grease

9 шт400 руб.
422511-99011-000

Ниппель смазки - Nipple, Grease (Nipple, Grease)

9 шт400 руб.
543710-98600-000

Втулка рулевой системы - Bush Set, Steering (Bush set, steering # Bushing set, steering; ) (Bush Set, Steering)

под заказ4010 руб.
543710-98601-000

   (актуальный код замены) Втулка рулевой системы - Bush Set, Steering

под заказ4010 руб.
643712-98601-000

Пластина рулевого управления вышеr - Plate, Steering Upr (Plate, upper bushing ) (Plate, Steering Upr)

11 шт520 руб.
745231-98601-000

Рычаг блокировки реверса - Arm, Reverse Lock (Arm, reverse lock arm ) (Arm, Reverse Lock)

под заказ0 руб.
845232-98600-000

Пластина блокировки реверса - Plate, Reverse Lock (Plate, reverse lock ) (Plate, Reverse Lock)

под заказ0 руб.
909116-06105-000

Болт (6x15) - Bolt (6x15) (Bolt (6x16);) (Bolt (6x15))

под заказ230 руб.
909116-06094-000

   (актуальный код замены) Болт (6x15) - Bolt (6x15)

20 шт270 руб.
909116-06094-000

Болт (6x15) - Bolt (6x15) (Bolt (6x15))

20 шт270 руб.
1045211-98601-000

Пружина рычага блокировки задней передачи Stbd - Spring, Reverse Lock Arm Stbd (Spring, Reverse Lock Arm Stbd)

под заказ490 руб.
1045211-98602-000

   (актуальный код замены) Пружина рычага блокировки задней передачи Stbd - Spring, Reverse Lock Arm Stbd

под заказ490 руб.
1045211-98602-000

Пружина рычага блокировки задней передачи Stbd - Spring, Reverse Lock Arm Stbd (Spring, Reverse Lock Arm Stbd)

под заказ490 руб.
1145212-98601-000

Пружина рычага блокировки задней передачи Port - Spring, Reverse Lock Arm Port (Spring, Reverse Lock Arm Port)

под заказ490 руб.
1145212-98602-000

   (актуальный код замены) Пружина рычага блокировки задней передачи Port - Spring, Reverse Lock Arm Port

под заказ490 руб.
1145212-98602-000

Пружина рычага блокировки задней передачи Port - Spring, Reverse Lock Arm Port (Spring, Reverse Lock Arm Port)

под заказ490 руб.
1245700-98600-0ED

Shallow Water Drive в сборе (gray) - Shallow Water Drive Assy (gray) (Shallow drive assy (gray); ) (Shallow Water Drive Assy (gray))

под заказ7880 руб.
1245700-98600-0EP

Shallow Water Drive Kit (чёрный) - Shallow Water Drive Kit (black) (Shallow drive assy (black); Model:02 ) (Shallow Water Drive Kit (black))

под заказ0 руб.
1309200-08045-000

Штифт - Pin (Shaft, shallow water drive; ) (Pin)

под заказ850 руб.
1445722-98600-000

Пружина системы движения по мелководью - Spring, Shallow Water Drive (Spring ) (Spring, Shallow Water Drive)

под заказ0 руб.
1509204-01002-000

Штифт - Pin (Cotter pin # Pin; ) (Pin)

24 шт140 руб.
1643410-98600-000

Регулировка рулевой системы - Adjuster, Steering (Adjuster, steering ) (Adjuster, Steering)

1 шт2060 руб.
1709119-06060-000

Болт - Bolt (Bolt)

под заказ0 руб.
1809440-09025-000

Пружина - Spring (Spring)

под заказ150 руб.
1809440-09042-000

   (актуальный код замены) Пружина - Spring

10 шт190 руб.
1809440-09042-000

Пружина - Spring (Spring, steering adjuster ) (Spring)

10 шт190 руб.


Время выполнения запроса 1.5173139572144 сек.

 
 

данный сайт носит информационный характер и не является публичной офертой

склад запчастей для водомоторной техники