Подобрать оригинальные запчасти на подвесной лодочный мотор Suzuki модель 1993 года - Топливный насос
вконтакте

Контактный телефон: +7 (981) 121-46-93, +7 (800) 200-90-76 , Email: parts-katalog@yandex.ru, где купить

 
 

  Логин:

Пароль:

Регистрация

www.partskatalog.ru Все каталоги Запчасти Mercury Запчасти Suzuki Запчасти Tohatsu Запчасти Honda Контакты

назад Раздел:   вперёд

Вернуться к выбору узлов мотора


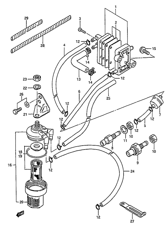
ДЕТАЛИРОВКА ДЛЯ МОДЕЛИ: SUZUKI DT6P(G-Y) P

Топливный насос


Год выпуска двигателя: 1993

Регион: General Export No.1 ,Код региона: P01

Цвет: California Gray Metallic

Номер на
рисунке
АртикулНаименованиеQTYКол-во
на складе
Цена
115100-98110-000

Топливный насос, в сборе - Pump Assy, Fuel (Pump Assy, Fuel)

под заказ0 руб.
215170-98110-000

Диафрагма Set, Топливный насос - Diaphragm Set, Fuel Pump (Diaphragm set, fuel pump ) (Diaphragm Set, Fuel Pump)

2 шт5140 руб.
2SK15170-98110

   (не оригинальный аналог) Ремкомплект топливного насоса Skipper для Suzuki DT4-8

0 шт371 руб.
2SC-CR366

   (не оригинальный аналог) Ремкомплект топливного насоса Suzuki SC-CR366

под заказ670 руб.
315251-98101-000

Винт, Топливный насос - Screw, Fuel Pump (Screw, Fuel Pump)

под заказ0 руб.
409352-50903-600

Шланг (5x9x600) - Hose (5x9x600) (Hose (pump-carburetor); L:600->270 ) (Hose (5x9x600))

под заказ570 руб.
409352-50006-600

   (актуальный код замены) Шланг (5x9x600) - Hose (5x9x600)

1 шт570 руб.
509352-50903-600

Шланг (5x9x600) - Hose (5x9x600) (Hose (connector-filter); L:600->35 ) (Hose (5x9x600))

под заказ570 руб.
509352-50006-600

   (актуальный код замены) Шланг (5x9x600) - Hose (5x9x600)

1 шт570 руб.
609352-50903-600

Шланг (5x9x600) - Hose (5x9x600) (Hose (filter-pump); L:600->210 ) (Hose (5x9x600))

под заказ570 руб.
609352-50006-600

   (актуальный код замены) Шланг (5x9x600) - Hose (5x9x600)

1 шт570 руб.
715410-98500-000

Топливный фильтр - Filter, Fuel (Filter assy, fuel # Filter, fuel; ) (Filter, Fuel)

40 шт1600 руб.
715410-98500

   (не оригинальный аналог) Топливный фильтр Suzuki 15410-98500

под заказ590 руб.
865720-98520-000

Разъем топливного коннектора - Plug, Fuel Connector (Plug, fuel connector; Model:86, 87) (Plug, Fuel Connector)

под заказ3170 руб.
865720-985L1-000

   (актуальный код замены) Разъем топливного коннектора - Plug, Fuel Connector

5 шт3950 руб.
8SK65720-98520

   (не оригинальный аналог) Коннектор топливный Skipper для Suzuki DT2-65, DF9.9-15 "папа", 6 мм

0 шт836 руб.
8SF80210-1

   (не оригинальный аналог) Адаптер топливный SUNFINE тип Suzuki, 7.5мм, 6720-98521

под заказ1270 руб.
865720-985L1-000

Разъем топливного коннектора - Plug, Fuel Connector (Plug, Fuel Connector)

5 шт3950 руб.
965720-94401-000

Разъем топливного коннектора - Plug, Fuel Connector (Plug, fuel connector; Model:88-92) (Plug, Fuel Connector)

под заказ2480 руб.
965720-94403-000

   (актуальный код замены) Разъем топливного коннектора - Plug, Fuel Connector

1 шт2480 руб.
965720-94403-000

Разъем топливного коннектора - Plug, Fuel Connector (Plug, Fuel Connector)

1 шт2480 руб.
1008310-00107-000

Гайка - Nut (Nut)

под заказ170 руб.
1108321-01107-000

Шайба с блокировкой - Washer, Lock (Lock washer # Model:86, 87 ) (Washer, Lock)

9 шт140 руб.
1209401-08410-000

Зажим - Clip (Clip)

под заказ130 руб.
1315311-98100-000

Запчасть снята с производства - The Spare Part Is Laid Off (The Spare Part Is Laid Off)

под заказ0 руб.
1409400-13302-000

Струбцина - Clamp (Clamp, vacuum hose (13phi) ) (Clamp)

под заказ0 руб.
1501550-06207-000

Болт - Bolt (Bolt)

17 шт220 руб.
1615410-93410-000

Топливный фильтр в сборе - Filter Assy, Fuel (E7, e13, e38, e40) (Filter Assy, Fuel)

под заказ2280 руб.
1615410-94401-000

   (актуальный код замены) Топливный фильтр в сборе - Filter Assy, Fuel

33 шт2280 руб.
1615410-94400-000

Топливный фильтр в сборе - Filter Assy, Fuel (Filter Assy, Fuel)

3 шт2280 руб.
1615410-94401-000

   (актуальный код замены) Топливный фильтр в сборе - Filter Assy, Fuel

33 шт2280 руб.
1615410-93411-000

Топливный фильтр в сборе - Filter Assy, Fuel (461846~, e7, e13, e38, e40) (Filter Assy, Fuel)

под заказ2280 руб.
1615410-94401-000

   (актуальный код замены) Топливный фильтр в сборе - Filter Assy, Fuel

33 шт2280 руб.
2015413-93400-000

Cвыше - Cup (Cup # E7, e13, e38, e40 ) (Cup)

под заказ0 руб.
2115421-98101-000

Кронштейн топливного фильтра - Bracket, Fuel Filter (E7, e13, e38, e40 ) (Bracket, Fuel Filter)

под заказ350 руб.
2208321-01087-000

Шайба с блокировкой - Washer, Lock (Washer, lock # E7, e13, e38, e40 ) (Washer, Lock)

под заказ140 руб.
2308310-00087-000

Гайка - Nut (E7, e13, e38, e40 ) (Nut)

под заказ140 руб.
2409352-50903-600

Шланг (5x9x600) - Hose (5x9x600) (Hose (connector-filter); E7, e13, e38, e40 l:600->270 ) (Hose (5x9x600))

под заказ570 руб.
2409352-50006-600

   (актуальный код замены) Шланг (5x9x600) - Hose (5x9x600)

1 шт570 руб.
2509352-50903-600

Шланг (5x9x600) - Hose (5x9x600) (Hose (filter-pump); E7, e13, e38, e40 l:600->350 ) (Hose (5x9x600))

под заказ570 руб.
2509352-50006-600

   (актуальный код замены) Шланг (5x9x600) - Hose (5x9x600)

1 шт570 руб.
2601560-06167-000

Болт - Bolt (E7, e13, e38, e40) (Bolt)

под заказ170 руб.
2601560-0616A-000

   (актуальный код замены) Болт - Bolt

под заказ170 руб.
2601560-0616A-000

Болт - Bolt (Bolt)

под заказ170 руб.
2709404-06432-000

Струбцина (l: 65) - Clamp (l:65) (Clamp (l:80) # E7, e13, e38, e40 ) (Clamp (l:65))

8 шт170 руб.
2709404-06039-000

   (актуальный код замены) Струбцина (l: 65) - Clamp (l:65)

под заказ170 руб.
2838423-95510-000

Трубка провода переключателя (l: 250) - Tube, Switch Lead (l:250) (Protector, fuel hose; L:150->100) (Tube, Switch Lead (l:250))

под заказ610 руб.
2833833-91J00-000

   (актуальный код замены) Трубка провода переключателя (l: 250) - Tube, Switch Lead (l:250)

под заказ610 руб.
2833833-91J00-000

Трубка провода переключателя (l: 250) - Tube, Switch Lead (l:250) (Tube, Switch Lead (l:250))

под заказ610 руб.
2938423-95510-000

Трубка провода переключателя (l: 250) - Tube, Switch Lead (l:250) (Protector, fuel hose; L:150->50) (Tube, Switch Lead (l:250))

под заказ610 руб.
2933833-91J00-000

   (актуальный код замены) Трубка провода переключателя (l: 250) - Tube, Switch Lead (l:250)

под заказ610 руб.
2933833-91J00-000

Трубка провода переключателя (l: 250) - Tube, Switch Lead (l:250) (Tube, Switch Lead (l:250))

под заказ610 руб.


Время выполнения запроса 3.7529268264771 сек.

 
 

данный сайт носит информационный характер и не является публичной офертой

склад запчастей для водомоторной техники