Купить оригинальные запчасти на подвесной двигатель SUZUKI модель 1999 года - Fuel tank
вконтакте

Контактный телефон: +7 (981) 121-46-93, +7 (800) 200-90-76 , Email: parts-katalog@yandex.ru, где купить

 
 

  Логин:

Пароль:

Регистрация

www.partskatalog.ru Все каталоги Запчасти Mercury Запчасти Suzuki Запчасти Tohatsu Запчасти Honda Контакты

назад Раздел:   вперёд

Вернуться к выбору узлов мотора


ДЕТАЛИРОВКА ДЛЯ МОДЕЛИ: SUZUKI DT6SX(G-Y) X

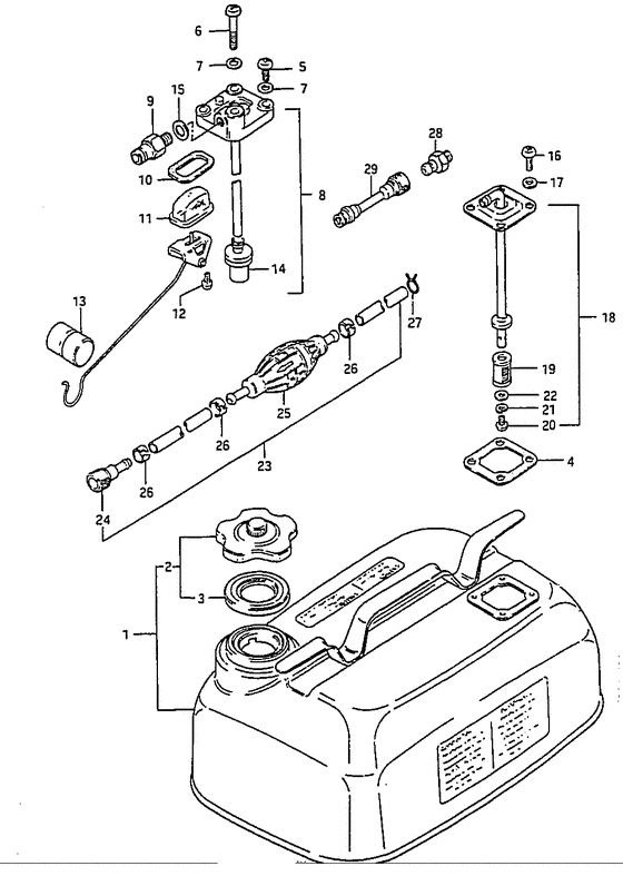
Топливный бак


Год выпуска двигателя: 1999

Регион: General Export No.1 ,Код региона: P01

Цвет: California Gray Metallic

Номер на
рисунке
АртикулНаименованиеQTYКол-во
на складе
Цена
165800-92854-000

Запчасть снята с производства - The Spare Part Is Laid Off (Tank set, fuel (24l); 6 u.s gal/5 imp gal) (The Spare Part Is Laid Off)

под заказ0 руб.
165800-92855-000

   (актуальный код замены) Запчасть снята с производства - The Spare Part Is Laid Off

под заказ0 руб.
265510-98512-000

Крышка горловины топливного бака, в сборе - Cap Assy, Fuel Tank (Cap Assy, Fuel Tank)

под заказ0 руб.
265510-92D00-000

   (актуальный код замены) Запчасть снята с производства - The Spare Part Is Laid Off

под заказ0 руб.
265510-92D00-000

Крышка горловины топливного бака, в сборе - Cap Assy, Fuel Tank (Cap assy, separate tank ) (Cap Assy, Fuel Tank)

под заказ0 руб.
365561-98502-000

Запчасть снята с производства - The Spare Part Is Laid Off (The Spare Part Is Laid Off)

под заказ0 руб.
465871-93010-000

Прокладка, Fuel Gauge - Gasket, Fuel Gauge (Gasket, fuel gauge ) (Gasket, Fuel Gauge)

под заказ240 руб.
502112-06167-000

Винт - Screw (Screw)

под заказ120 руб.
602112-06407-000

Винт - Screw (Screw)

под заказ130 руб.
709168-06004-000

Прокладка (6.2x11x1.2) - Gasket (62x11x12) (Washer (6x11.8x1.5) # Washer; ) (Gasket (6.2x11x1.2))

под заказ120 руб.
865850-95X50-000

Прибор - измеритель уровня топлива - Gauge Assy, Fuel (Gauge assy ) (Gauge Assy, Fuel)

под заказ0 руб.
965740-95500-000

Разъем топливного коннектора - Plug, Fuel Connector (Connector, fuel # Plug, connector; ) (Plug, Fuel Connector)

под заказ2720 руб.
965740-95501-000

   (актуальный код замены) Разъем топливного коннектора - Plug, Fuel Connector

под заказ2720 руб.
1065854-93001-000

Прокладка - Gasket (Gasket, strainer; ) (Gasket)

под заказ0 руб.
1165853-93001-000

Топливный фильтр Gauge - Strainer, Fuel Gauge (Strainer; ) (Strainer, Fuel Gauge)

под заказ0 руб.
1202112-04107-000

Винт - Screw (Screw)

под заказ120 руб.
1365864-95200-000

Запчасть снята с производства - The Spare Part Is Laid Off (Float;) (The Spare Part Is Laid Off)

под заказ0 руб.
1465830-95500-000

Фильтр - Filter (Filter)

под заказ1180 руб.
1509168-12001-000

Прокладка (12.5x20x1) - Gasket (125x20x1) (Gasket ) (Gasket (12.5x20x1))

под заказ220 руб.
1609125-06063-000

Винт (6x10) - Screw (6x10) (Screw (6x10))

6 шт190 руб.
1709168-06004-000

Прокладка (6.2x11x1.2) - Gasket (62x11x12) (Washer (6x11.8x1.5) # Washer; ) (Gasket (6.2x11x1.2))

под заказ120 руб.
1865880-95200-000

Запчасть снята с производства - The Spare Part Is Laid Off (The Spare Part Is Laid Off)

под заказ0 руб.
1965830-93301-000

Запчасть снята с производства - The Spare Part Is Laid Off (The Spare Part Is Laid Off)

под заказ0 руб.
2009125-05050-000

Винт (5x8) - Screw (5x8) (Screw (5x8))

под заказ150 руб.
2108321-01057-000

Шайба с блокировкой - Washer, Lock (Washer, Lock)

под заказ140 руб.
2108321-0105A-000

   (актуальный код замены) Шайба с блокировкой - Washer, Lock

под заказ140 руб.
2108321-0105A-000

Шайба с блокировкой - Washer, Lock (Washer, Lock)

под заказ140 руб.
2208322-01057-000

Шайба - Washer (Washer, front hook holder ) (Washer)

под заказ140 руб.
2365700-98522-000

Топливный шланг (от бака до коннектораector) - Hose, Fuel (tank To Connector) (Hose, tank-connector (l:1953);) (Hose, Fuel (tank To Connector))

под заказ0 руб.
2365700-98527-000

   (актуальный код замены) Запчасть снята с производства - The Spare Part Is Laid Off

под заказ0 руб.
2365700-98526-000

Топливный шланг (от бака до коннектораector) - Hose, Fuel (tank To Connector) (Hose, Fuel (tank To Connector))

под заказ0 руб.
2365700-98527-000

   (актуальный код замены) Запчасть снята с производства - The Spare Part Is Laid Off

под заказ0 руб.
2465750-98505-000

Разъём топливного шланга - Socket, Fuel Hose (Socket, fuel hose (out) # Socket; ) (Socket, Fuel Hose)

2 шт3240 руб.
2465750-98506-000

   (актуальный код замены) Разъём топливного шланга - Socket, Fuel Hose

под заказ3240 руб.
2565770-99703-000

Запчасть снята с производства - The Spare Part Is Laid Off (Pump, sgueeze;) (The Spare Part Is Laid Off)

под заказ0 руб.
2565770-99704-000

   (актуальный код замены) Запчасть снята с производства - The Spare Part Is Laid Off

под заказ0 руб.
2665781-98500-000

Зажим топливного шланга - Clip, Fuel Hose (Clip, Fuel Hose)

9 шт350 руб.
2709401-11403-000

Зажим - Clip (Clip # Clip; ) (Clip)

под заказ190 руб.
2865720-98590-000

Разъем топливного коннектора - Plug, Fuel Connector (Plug, fuel connector # Plug; Opt ) (Plug, Fuel Connector)

10 шт0 руб.
2865720-98591-000

   (актуальный код замены) Запчасть снята с производства - The Spare Part Is Laid Off

под заказ0 руб.
2965700-95271-000

Запчасть снята с производства - The Spare Part Is Laid Off (Opt) (The Spare Part Is Laid Off)

под заказ0 руб.
2965700-95272-000

   (актуальный код замены) Запчасть снята с производства - The Spare Part Is Laid Off

под заказ0 руб.


Время выполнения запроса 1.2312030792236 сек.

 
 

данный сайт носит информационный характер и не является публичной офертой

склад запчастей для водомоторной техники