| |
 |
|
 |
Вернуться к выбору узлов мотора
ДЕТАЛИРОВКА ДЛЯ МОДЕЛИ: SUZUKI DT6S Y
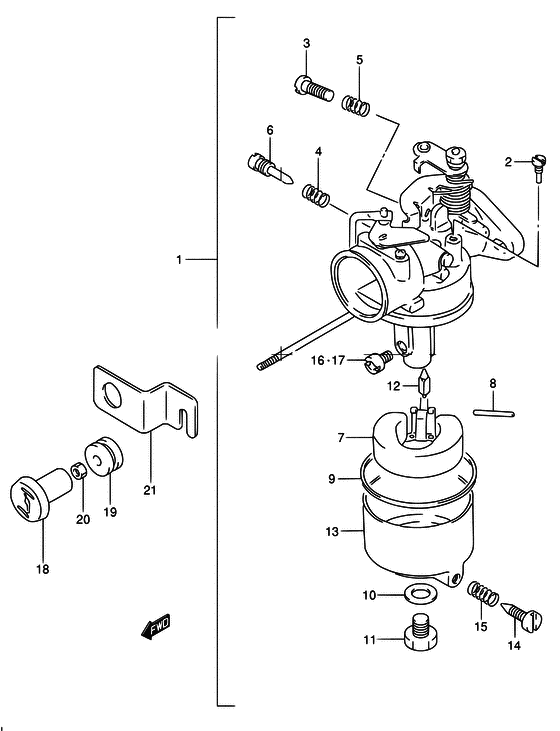
Карбюратор
Год выпуска двигателя: 2000
Цвет: Francois Whte №2California Gray MetallicShadow Black MetallicBlack
Номер на рисунке | Артикул | Наименование | QTY | Кол-во на складе | Цена |
| 1 | 13200-98121-000 | Карбюратор в сборе - Carburetor Assy (Carburetor assy (s) # TYPE:S ) (Carburetor Assy) | | под заказ | 64800 руб. |
| 1 | 13200-98122-000 | (актуальный код замены) Карбюратор в сборе - Carburetor Assy | | под заказ | 64800 руб. |
| 1 | 13200-98131-000 | Карбюратор в сборе - Carburetor Assy (Carburetor assy (l) # TYPE:L ) (Carburetor Assy) | | под заказ | 0 руб. |
| 2 | 09492-40010-000 | Контрольная форсунка (40) - Jet, Pilot (40) (Jet, pilot (#40) ) (Jet, Pilot (40)) | | 2 шт | 960 руб. |
| 3 | 13534-98900-000 | Винт дросселя Stop - Screw, Throttle Stop (Screw, Throttle Stop) | | под заказ | 470 руб. |
| 4 | 13268-96111-000 | Пружина, Дроссель Винт - Spring, Throttle Screw (Spring, throttle screw ) (Spring, Throttle Screw) | | под заказ | 350 руб. |
| 5 | 13268-92910-000 | Пружина - Spring (Spring ) (Spring) | | под заказ | 310 руб. |
| 6 | 13269-98300-000 | Винт контроля воздуха - Screw, Pilot Air (Screw, pilot air ) (Screw, Pilot Air) | | под заказ | 0 руб. |
| 7 | 13250-98310-000 | Поплавок - Float (Float) | | под заказ | 2430 руб. |
| 8 | 13254-98300-000 | Стопор поплавка - Pin, Float (Pin, float ) (Pin, Float) | | под заказ | 240 руб. |
| 9 | 13251-98300-000 | Прокладка поплавковой камеры - Gasket, Float Cahmber (Gasket, float chamber ) (Gasket, Float Cahmber) | | под заказ | 680 руб. |
| 10 | 13343-98520-000 | Прокладка, Drain - Gasket, Drain (Gasket, Drain) | | под заказ | 290 руб. |
| 11 | 13613-98300-000 | Болт, Drain - Bolt, Drain (Bolt, Drain) | | под заказ | 440 руб. |
| 12 | 13371-98300-000 | Игольчатый клапан - Valve, Needle (Needle assy ) (Valve, Needle) | | 1 шт | 2840 руб. |
| 13 | 13245-98900-000 | Поплавковая камера - Chamber, Float (Chamber, Float) | | под заказ | 5670 руб. |
| 14 | 13616-93900-000 | Регулятор - Adjuster (Adjuster) | | под заказ | 1180 руб. |
| 15 | 13268-96111-000 | Пружина, Дроссель Винт - Spring, Throttle Screw (Spring, throttle screw ) (Spring, Throttle Screw) | | под заказ | 350 руб. |
| 16 | 09491-20019-000 | Главная форсунка (100) - Jet, Main (100) (Jet, main (#100) # TYPE:S ) (Jet, Main (100)) | | под заказ | 780 руб. |
| 16 | 09491-23012-000 | Главная форсунка (115) - Jet, Main (115) (Jet, main (#115) # TYPE:L ) (Jet, Main (115)) | | под заказ | 970 руб. |
| 17 | 09491-21023-000 | Главная форсунка (105) - Jet, Main (105) (Jet, main (#105) # OPT ) (Jet, Main (105)) | | под заказ | 810 руб. |
| 17 | 09491-22013-000 | Главная форсунка (110) - Jet, Main (110) (Jet, main (#110) # OPT ) (Jet, Main (110)) | | под заказ | 730 руб. |
| 17 | 09491-24026-000 | Главная форсунка (120) - Jet, Main (120) (OPT ) (Jet, Main (120)) | | под заказ | 1460 руб. |
| 17 | 09491-25014-000 | Главная форсунка (125) - Jet, Main (125) (Jet, main 125 # OPT ) (Jet, Main (125)) | | 2 шт | 1110 руб. |
| 18 | 13631-93501-000 | Рукоятка стартера - Knob, Starter (Knob, Starter) | | 2 шт | 460 руб. |
| 19 | 09320-04009-000 | Втулка - Bush (Bush) | | под заказ | 160 руб. |
| 19 | 09320-04013-000 | (актуальный код замены) Подушка, Muf Cov - Cushion, Muf Cov | | под заказ | 160 руб. |
| 20 | 09140-04007-000 | Гайка - Nut (Nut) | | под заказ | 170 руб. |
| 21 | 13635-98510-000 | Направляющая, Стержень дроссельной заслонки - Guide, Choke Rod (Guide, Choke Rod) | | под заказ | 0 руб. |
Время выполнения запроса 4.8362798690796 сек. |
|