Комплектующие на двигатель Suzuki - Водяной насос
вконтакте

Контактный телефон: +7 (981) 121-46-93, +7 (800) 200-90-76 , Email: parts-katalog@yandex.ru, где купить

 
 

  Логин:

Пароль:

Регистрация

www.partskatalog.ru Все каталоги Запчасти Mercury Запчасти Suzuki Запчасти Tohatsu Запчасти Honda Контакты



УВАЖАЕМЫЕ КЛИЕНТЫ!
C 19 ДЕКАБРЯ 2025 ПО 02 МАРТА 2026 ГОДА ОТДЕЛ ЗАПЧАСТЕЙ И СЕРВИС РАБОТАТЬ НЕ БУДУТ
ПРОДАЖА ЛОДОЧНЫХ МОТОРОВ В ШТАТНОМ РЕЖИМЕ
ОБ ИЗМЕНЕНИЯХ В ГРАФИКЕ РАБОТЫ ЧИТАЙТЕ НА САЙТА



назад Раздел:   вперёд

Вернуться к выбору узлов мотора


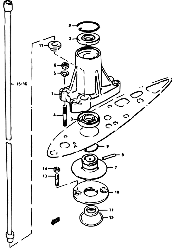
ДЕТАЛИРОВКА ДЛЯ МОДЕЛИ: SUZUKI DT7.5 C

Водяной насос


Год выпуска двигателя: 1978

Номер на
рисунке
АртикулНаименованиеQTYКол-во
на складе
Цена
117420-99002-000

Запчасть снята с производства - The Spare Part Is Laid Off (The Spare Part Is Laid Off)

под заказ0 руб.
209387-32001-000

Запчасть снята с производства - The Spare Part Is Laid Off (The Spare Part Is Laid Off)

под заказ0 руб.
309283-15001-000

Сальник (15x30x7) - Seal, Oil (15x30x7) (Oil seal, pinion shaft # 15X30X7.5 ) (Seal, Oil (15x30x7))

под заказ1630 руб.
409108-06025-000

Болт под шпильку - Bolt, Stud (Stud bolt (6x30) # 6X30 ) (Bolt, Stud)

под заказ0 руб.
509162-06001-000

Шайба с блокировкой - Washer, Lock (Washer, Lock)

под заказ160 руб.
509162-06006-000

   (актуальный код замены) Шайба с блокировкой - Washer, Lock

под заказ160 руб.
509162-06006-000

Шайба с блокировкой - Washer, Lock (Lock washer ) (Washer, Lock)

под заказ160 руб.
609140-06004-000

Гайка - Nut (Nut)

под заказ150 руб.
609140-06020-000

   (актуальный код замены) Гайка - Nut

9 шт150 руб.
609140-06020-000

Гайка - Nut (Nut)

9 шт150 руб.
717460-99002-000

Запчасть снята с производства - The Spare Part Is Laid Off (The Spare Part Is Laid Off)

под заказ0 руб.
809202-04002-000

Штифт - Pin (4X24 ) (Pin)

397 шт220 руб.
8SK09202-04002

   (не оригинальный аналог) Шпонка гребного винта Skipper для Suzuki DF2.5-6/DT2-5

0 шт116 руб.
909387-28001-000

Запчасть снята с производства - The Spare Part Is Laid Off (The Spare Part Is Laid Off)

под заказ0 руб.
1017491-99000-000

Запчасть снята с производства - The Spare Part Is Laid Off (The Spare Part Is Laid Off)

под заказ0 руб.
1109289-15001-000

Запчасть снята с производства - The Spare Part Is Laid Off (15X30X7.5) (The Spare Part Is Laid Off)

под заказ0 руб.
1209280-33002-000

Уплотнительное кольцо (d: 2.2, Id: 32) - O Ring (d:22, Id:32) (ID:33, D:2.2) (O Ring (d:2.2, Id:32))

под заказ150 руб.
1209280-32005-000

   (актуальный код замены) Уплотнительное кольцо (d: 2.2, Id: 32) - O Ring (d:2.2, Id:32)

под заказ150 руб.
1209280-32005-000

Уплотнительное кольцо (d: 2.2, Id: 32) - O Ring (d:22, Id:32) (Gasket ) (O Ring (d:2.2, Id:32))

под заказ150 руб.
1309108-05002-000

Запчасть снята с производства - The Spare Part Is Laid Off (5X4) (The Spare Part Is Laid Off)

под заказ0 руб.
1309108-05011-000

   (актуальный код замены) Запчасть снята с производства - The Spare Part Is Laid Off

под заказ0 руб.
1409140-05001-000

Гайка - Nut (Nut)

под заказ220 руб.
1409140-05005-000

   (актуальный код замены) Гайка - Nut

10 шт270 руб.
1409140-05005-000

Гайка - Nut (Nut)

10 шт270 руб.
1517561-99102-000

Запчасть снята с производства - The Spare Part Is Laid Off (S TYPE, L:484) (The Spare Part Is Laid Off)

под заказ0 руб.
1617561-99202-000

Запчасть снята с производства - The Spare Part Is Laid Off (L TYPE, L:637) (The Spare Part Is Laid Off)

под заказ0 руб.
1709305-08007-000

Запчасть снята с производства - The Spare Part Is Laid Off (FROM 09305-08005) (The Spare Part Is Laid Off)

под заказ0 руб.


Время выполнения запроса 1.8915600776672 сек.

 
 

данный сайт носит информационный характер и не является публичной офертой

склад запчастей для водомоторной техники