Комплектующие на лодочный мотор Suzuki - Трансмиссия
вконтакте

Контактный телефон: +7 (981) 121-46-93, +7 (800) 200-90-76 , Email: parts-katalog@yandex.ru, где купить

 
 

  Логин:

Пароль:

Регистрация

www.partskatalog.ru Все каталоги Запчасти Mercury Запчасти Suzuki Запчасти Tohatsu Запчасти Honda Контакты



УВАЖАЕМЫЕ КЛИЕНТЫ!
C 19 ДЕКАБРЯ 2025 ПО 02 МАРТА 2026 ГОДА ОТДЕЛ ЗАПЧАСТЕЙ И СЕРВИС РАБОТАТЬ НЕ БУДУТ
ПРОДАЖА ЛОДОЧНЫХ МОТОРОВ В ШТАТНОМ РЕЖИМЕ
ОБ ИЗМЕНЕНИЯХ В ГРАФИКЕ РАБОТЫ ЧИТАЙТЕ НА САЙТА



назад Раздел:   вперёд

Вернуться к выбору узлов мотора


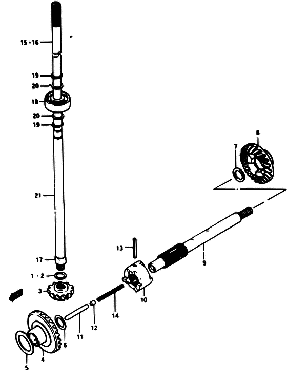
ДЕТАЛИРОВКА ДЛЯ МОДЕЛИ: SUZUKI DT7.5 C

Трансмиссия


Год выпуска двигателя: 1978

Номер на
рисунке
АртикулНаименованиеQTYКол-во
на складе
Цена
357311-98500-000

Шестерня - Pinion (Pinion)

под заказ5480 руб.
357311-98512-000

   (актуальный код замены) Шестерня - Pinion

5 шт6600 руб.
357311-98512-000

Шестерня - Pinion (Pinion)

5 шт6600 руб.
457510-98500-000

Шестерня переднего хода - Gear, Forward (Gear, Forward)

под заказ0 руб.
457510-98502-000

   (актуальный код замены) Запчасть снята с производства - The Spare Part Is Laid Off

2 шт14800 руб.
457510-98502-000

Шестерня переднего хода - Gear, Forward (Gear, Forward)

2 шт14800 руб.
857520-98500-000

Запчасть снята с производства - The Spare Part Is Laid Off (The Spare Part Is Laid Off)

под заказ0 руб.
957611-98500-000

Запчасть снята с производства - The Spare Part Is Laid Off (The Spare Part Is Laid Off)

под заказ0 руб.
1057621-98500-000

Переключатель собачки сцепления - Shifter, Clutch Dog (Shifter, Clutch Dog)

под заказ0 руб.
1057621-98501-000

   (актуальный код замены) Запчасть снята с производства - The Spare Part Is Laid Off

под заказ0 руб.
1057621-98501-000

Переключатель собачки сцепления - Shifter, Clutch Dog (Shifter, clutch dog ) (Shifter, Clutch Dog)

под заказ0 руб.
1157631-98500-000

Тяга толкателя - Rod, Push (Rod, Push)

под заказ0 руб.
1257632-98500-000

Штифт толкателя - Pin, Push (Pin, Push)

под заказ480 руб.
1257632-97L00-000

   (актуальный код замены) Штифт толкателя - Pin, Push

11 шт540 руб.
1257632-98501-000

Штифт толкателя - Pin, Push (Pin, Push)

под заказ480 руб.
1257632-97L00-000

   (актуальный код замены) Штифт толкателя - Pin, Push

11 шт540 руб.
1309209-04017-000

Штифт - Pin (Pin, clutch dog shifter ) (Pin)

под заказ0 руб.
1409440-05019-000

Пружина - Spring (Spring, return ) (Spring)

под заказ0 руб.
1557110-98511-000

(S TYPE)

под заказнет сведений
1509420-03002-000

Ключ - Key (Key)

22 шт290 руб.
15SK09420-03002

   (не оригинальный аналог) Шпонка помпы охлаждения Skipper для Suzuki DF4-6, DF4A-6A

0 шт99 руб.
1517461-985M0-000

Крыльчатка водяного насоса - Impeller, Water Pump (Impeller, Water Pump)

30 шт2220 руб.
1557110-98512-000

Запчасть снята с производства - The Spare Part Is Laid Off (TO 57110-98513 DT5D-18161~ S TYPE) (The Spare Part Is Laid Off)

под заказ0 руб.
1557110-98514-000

   (актуальный код замены) Запчасть снята с производства - The Spare Part Is Laid Off

под заказ0 руб.
1557110-98513-000

Запчасть снята с производства - The Spare Part Is Laid Off (S TYPE) (The Spare Part Is Laid Off)

под заказ0 руб.
1557110-98514-000

   (актуальный код замены) Запчасть снята с производства - The Spare Part Is Laid Off

под заказ0 руб.
1657110-98521-000

(L TYPE)

под заказнет сведений
1609420-03002-000

Ключ - Key (Key)

22 шт290 руб.
16SK09420-03002

   (не оригинальный аналог) Шпонка помпы охлаждения Skipper для Suzuki DF4-6, DF4A-6A

0 шт99 руб.
1617461-985M0-000

Крыльчатка водяного насоса - Impeller, Water Pump (Impeller, Water Pump)

30 шт2220 руб.
1657110-98522-000

Запчасть снята с производства - The Spare Part Is Laid Off (TO 57110-98523 DT5D-18161~ L TYPE) (The Spare Part Is Laid Off)

под заказ0 руб.
1657110-98524-000

   (актуальный код замены) Запчасть снята с производства - The Spare Part Is Laid Off

под заказ0 руб.
1657110-98523-000

Запчасть снята с производства - The Spare Part Is Laid Off (L TYPE) (The Spare Part Is Laid Off)

под заказ0 руб.
1657110-98524-000

   (актуальный код замены) Запчасть снята с производства - The Spare Part Is Laid Off

под заказ0 руб.
1757117-98501-000

Race, Шестерня Подшипник Inner - Race, Pinion Bearing Inner (Inner race, pinion bearing ) (Race, Pinion Bearing Inner)

под заказ0 руб.
1808113-62000-000

Подшипник - Bearing (Bearing, propeller shaft ) (Bearing)

1 шт1040 руб.
1908331-31109-000

Стопорное кольцо - Circlip (Circlip)

под заказ130 руб.
2008211-10161-000

Регулировочная шайба (10x16x1) - Shim (10x16x1) (Shim (10x16x1))

под заказ150 руб.
2009181-10139-000

   (актуальный код замены) Регулировочная шайба (10x16x1) - Shim (10x16x1)

под заказ150 руб.
2009181-10139-000

Регулировочная шайба (10x16x1) - Shim (10x16x1) (Shim (10x16x1))

под заказ150 руб.
2157116-98500-000

Запчасть снята с производства - The Spare Part Is Laid Off (The Spare Part Is Laid Off)

под заказ0 руб.


Время выполнения запроса 1.5147869586945 сек.

 
 

данный сайт носит информационный характер и не является публичной офертой

склад запчастей для водомоторной техники