Подобрать оригинальные запчасти на подвесной мотор Suzuki модель 1983 года - Carburetor
вконтакте

Контактный телефон: +7 (981) 121-46-93, +7 (800) 200-90-76 , Email: parts-katalog@yandex.ru, где купить

 
 

  Логин:

Пароль:

Регистрация

www.partskatalog.ru Все каталоги Запчасти Mercury Запчасти Suzuki Запчасти Tohatsu Запчасти Honda Контакты



УВАЖАЕМЫЕ КЛИЕНТЫ!
C 19 ДЕКАБРЯ 2025 ПО 02 МАРТА 2026 ГОДА ОТДЕЛ ЗАПЧАСТЕЙ И СЕРВИС РАБОТАТЬ НЕ БУДУТ
ПРОДАЖА ЛОДОЧНЫХ МОТОРОВ В ШТАТНОМ РЕЖИМЕ
ОБ ИЗМЕНЕНИЯХ В ГРАФИКЕ РАБОТЫ ЧИТАЙТЕ НА САЙТА



назад Раздел:   вперёд

Вернуться к выбору узлов мотора


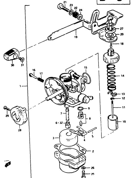
ДЕТАЛИРОВКА ДЛЯ МОДЕЛИ: SUZUKI DT7.5D D

Карбюратор


Год выпуска двигателя: 1983

Регион: Japan

Номер на
рисунке
АртикулНаименованиеQTYКол-во
на складе
Цена
113200-98410-000

Карбюратор в сборе - Carburetor Assy (To 13200-98411) (Carburetor Assy)

под заказ0 руб.
113200-984F1-000

   (актуальный код замены) Запчасть снята с производства - The Spare Part Is Laid Off

под заказ0 руб.
113200-984F1-000

Карбюратор в сборе - Carburetor Assy (Carburetor Assy)

под заказ0 руб.
213251-98410-000

Прокладка поплавковой камеры - Gasket, Float Cahmber (Gasket, Float Cahmber)

под заказ770 руб.
213251-98421-000

   (актуальный код замены) Прокладка поплавковой камеры - Gasket, Float Cahmber

под заказ770 руб.
213251-98421-000

Прокладка поплавковой камеры - Gasket, Float Cahmber (Gasket, Float Cahmber)

под заказ770 руб.
313252-98410-000

Поплавок - Float (Float)

под заказ1720 руб.
313270-94350-000

   (актуальный код замены) Поплавок - Float

под заказ1720 руб.
313270-94350-000

Поплавок - Float (Float)

под заказ1720 руб.
413253-98410-000

Рычаг, Поплавок - Arm, Float (Arm, float ) (Arm, Float)

под заказ690 руб.
513254-98410-000

Стопор поплавка - Pin, Float (Pin, float; ) (Pin, Float)

под заказ240 руб.
609491-95004-000

Главная форсунка (95) - Jet, Main (95) (Jet, main (#95) # 95 ) (Jet, Main (95))

под заказ1030 руб.
709494-00179-000

Игольчатый клапан - Jet, Needle (Jet, Needle)

под заказ1870 руб.
813370-23010-000

Игольчатый клапан, в сборе - Valve Assy, Needle (Valve assy, needle # Vs:1.5 ) (Valve Assy, Needle)

под заказ3820 руб.
913392-01010-000

Прокладка, Игольчатый клапан - Gasket, Needle Valve (Gasket, valve seat ) (Gasket, Needle Valve)

под заказ150 руб.
1013551-98410-000

Запчасть снята с производства - The Spare Part Is Laid Off (Ca:1.5) (The Spare Part Is Laid Off)

под заказ0 руб.
1113383-98410-000

иголка, Jet - Needle, Jet (Needle, Jet)

под заказ0 руб.
1213394-12110-000

под заказ0 руб.
1313581-01010-000

Пластина - Plate (Plate)

под заказ500 руб.
1313581-07910-000

   (актуальный код замены) Пластина - Plate

под заказ500 руб.
1313581-07910-000

Пластина - Plate (Plate)

под заказ500 руб.
1413573-35010-000

Пружина клапана дросселя Return - Spring, Throttle Valve Return (Spring, throttle valve ) (Spring, Throttle Valve Return)

под заказ390 руб.
1513295-98410-000

Уплотнительное кольцо (d: 1.9, Id: 14.5) - O Ring (d:19, Id:145) (O Ring (d:1.9, Id:14.5))

под заказ320 руб.
1509280-15024-000

   (актуальный код замены) Уплотнительное кольцо (d: 1.9, Id: 14.5) - O Ring (d:1.9, Id:14.5)

под заказ320 руб.
1509280-15002-000

Уплотнительное кольцо (d: 1.9, Id: 14.5) - O Ring (d:19, Id:145) (O ring, lower crankshaft ) (O Ring (d:1.9, Id:14.5))

под заказ320 руб.
1509280-15024-000

   (актуальный код замены) Уплотнительное кольцо (d: 1.9, Id: 14.5) - O Ring (d:1.9, Id:14.5)

под заказ320 руб.
1613267-01010-000

Винт дросселя Stop - Screw, Throttle Stop (Screw, stop # Screw, throttle stop; ) (Screw, Throttle Stop)

под заказ840 руб.
1713268-01010-000

Пружина - Spring (Spring # Spring, stop screw; ) (Spring)

1 шт440 руб.
1813560-98410-000

Запчасть снята с производства - The Spare Part Is Laid Off (The Spare Part Is Laid Off)

под заказ0 руб.
1913564-98410-000

Запчасть снята с производства - The Spare Part Is Laid Off (The Spare Part Is Laid Off)

под заказ0 руб.
2013589-98410-000

Шайба - Washer (To 13589-98411) (Washer)

под заказ0 руб.
2013589-98411-000

   (актуальный код замены) Запчасть снята с производства - The Spare Part Is Laid Off

под заказ0 руб.
2013589-98411-000

Шайба - Washer (Washer)

под заказ0 руб.
2113433-98410-000

Винт - Screw (From 13433-33110 ) (Screw)

под заказ0 руб.
2213426-98410-000

Пружина - Spring (Lock washer # Spring washer; From 13426-43010 ) (Spring)

под заказ520 руб.
2313615-98412-000

Шайба - Washer (From 13615-43010 ) (Washer)

под заказ0 руб.
2413432-33110-000

Шайба - Washer (Ring, friction ) (Washer)

под заказ380 руб.
2502112-04168-000

Винт - Screw (Screw)

под заказ100 руб.
2502112-0416A-000

   (актуальный код замены) Винт - Screw

под заказ100 руб.
2502112-0416A-000

Винт - Screw (Screw)

под заказ100 руб.
2608321-21048-000

Шайба с блокировкой - Washer, Lock (Washer, Lock)

под заказ140 руб.
2608321-0104A-000

   (актуальный код замены) Шайба с блокировкой - Washer, Lock

под заказ140 руб.
2608321-0104A-000

Шайба с блокировкой - Washer, Lock (Washer, Lock)

под заказ140 руб.
2713567-98410-000

Гайка - Nut (To 13567-98411) (Nut)

под заказ0 руб.
2713567-98412-000

   (актуальный код замены) Запчасть снята с производства - The Spare Part Is Laid Off

под заказ0 руб.
2713567-98412-000

Гайка - Nut (Nut)

под заказ0 руб.
2813631-98400-000

Регулятор дросселя - Knob, Choke (Knob, Choke)

под заказ720 руб.
2813631-98410-000

   (актуальный код замены) Регулятор дросселя - Knob, Choke

под заказ720 руб.
2813631-98410-000

Регулятор дросселя - Knob, Choke (Knob, Choke)

под заказ720 руб.
2902111-03108-000

Винт - Screw (Screw)

под заказ100 руб.
2902112-03107-000

   (актуальный код замены) Винт - Screw

под заказ100 руб.
2902112-03107-000

Винт - Screw (Screw)

под заказ100 руб.
3088851-64000-000

Ручка, Управление - Knob, Control (Knob, Control)

под заказ630 руб.
3088851-64001-000

   (актуальный код замены) Ручка, Управление - Knob, Control

под заказ630 руб.
3088851-64001-000

Ручка, Управление - Knob, Control (Knob, Control)

под заказ630 руб.
3102122-03068-000

Винт - Screw (Screw)

под заказ130 руб.
3102122-03067-000

   (актуальный код замены) Винт - Screw

под заказ130 руб.
3102122-03067-000

Винт - Screw (Screw)

под заказ130 руб.
3209491-20013-000

Главная форсунка (100) - Jet, Main (100) (Opt 100 ) (Jet, Main (100))

под заказ860 руб.


Время выполнения запроса 1.2335410118103 сек.

 
 

данный сайт носит информационный характер и не является публичной офертой

склад запчастей для водомоторной техники