Подобрать оригинальные запчасти на лодочный мотор SUZUKI модель 1983 года - Swivel bracket
вконтакте

Контактный телефон: +7 (981) 121-46-93, +7 (800) 200-90-76 , Email: parts-katalog@yandex.ru, где купить

 
 

  Логин:

Пароль:

Регистрация

www.partskatalog.ru Все каталоги Запчасти Mercury Запчасти Suzuki Запчасти Tohatsu Запчасти Honda Контакты



УВАЖАЕМЫЕ КЛИЕНТЫ!
C 19 ДЕКАБРЯ 2025 ПО 02 МАРТА 2026 ГОДА ОТДЕЛ ЗАПЧАСТЕЙ И СЕРВИС РАБОТАТЬ НЕ БУДУТ
ПРОДАЖА ЛОДОЧНЫХ МОТОРОВ В ШТАТНОМ РЕЖИМЕ
ОБ ИЗМЕНЕНИЯХ В ГРАФИКЕ РАБОТЫ ЧИТАЙТЕ НА САЙТА



назад Раздел:   вперёд

Вернуться к выбору узлов мотора


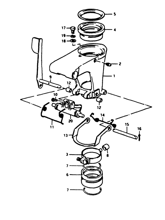
ДЕТАЛИРОВКА ДЛЯ МОДЕЛИ: SUZUKI DT7.5D D

Поворотный кронштейн


Год выпуска двигателя: 1983

Регион: Japan

Номер на
рисунке
АртикулНаименованиеQTYКол-во
на складе
Цена
143111-96002-01J

Запчасть снята с производства - The Spare Part Is Laid Off (To 43111-96003-01j) (The Spare Part Is Laid Off)

под заказ0 руб.
143111-96003-01J

   (актуальный код замены) Запчасть снята с производства - The Spare Part Is Laid Off

под заказ0 руб.
143111-96003-01J

Запчасть снята с производства - The Spare Part Is Laid Off (The Spare Part Is Laid Off)

под заказ0 руб.
222511-99000-000

Ниппель смазки - Nipple, Grease (Nipple, Grease)

под заказ340 руб.
222511-99011-000

   (актуальный код замены) Ниппель смазки - Nipple, Grease

9 шт400 руб.
222511-99011-000

Ниппель смазки - Nipple, Grease (Nipple, Grease)

9 шт400 руб.
343410-99001-000

Запчасть снята с производства - The Spare Part Is Laid Off (The Spare Part Is Laid Off)

под заказ0 руб.
443711-99002-000

Запчасть снята с производства - The Spare Part Is Laid Off (The Spare Part Is Laid Off)

под заказ0 руб.
543712-99001-000

Запчасть снята с производства - The Spare Part Is Laid Off (The Spare Part Is Laid Off)

под заказ0 руб.
643721-96002-000

Запчасть снята с производства - The Spare Part Is Laid Off (The Spare Part Is Laid Off)

под заказ0 руб.
709280-50003-000

Уплотнительное кольцо (d: 2.3, Id: 49.9) - O Ring (d:23, Id:499) (O ring, bearing housing # O ring, steering lower; Id:49.9, d:2.3 ) (O Ring (d:2.3, Id:49.9))

под заказ0 руб.
809300-11004-000

Запчасть снята с производства - The Spare Part Is Laid Off (11.8x22x11.8) (The Spare Part Is Laid Off)

под заказ0 руб.
809306-11003-000

Запчасть снята с производства - The Spare Part Is Laid Off (The Spare Part Is Laid Off)

под заказ0 руб.
945110-99000-000

Запчасть снята с производства - The Spare Part Is Laid Off (The Spare Part Is Laid Off)

под заказ0 руб.
1009139-05003-000

Винт (5x8) - Screw (5x8) (5x8) (Screw (5x8))

под заказ0 руб.
1009139-05031-000

   (актуальный код замены) Запчасть снята с производства - The Spare Part Is Laid Off

под заказ0 руб.
1009139-05031-000

Винт (5x8) - Screw (5x8) (Screw (5x8) ) (Screw (5x8))

под заказ0 руб.
1145211-96000-000

Запчасть снята с производства - The Spare Part Is Laid Off (The Spare Part Is Laid Off)

под заказ0 руб.
1209300-08005-000

Втулка - Bush (Bushing, rack lever;) (Bush)

под заказ0 руб.
1209306-08015-000

   (актуальный код замены) Запчасть снята с производства - The Spare Part Is Laid Off

под заказ0 руб.
1209306-08015-000

Втулка - Bush (Bush)

под заказ0 руб.
1345231-99401-000

Запчасть снята с производства - The Spare Part Is Laid Off (The Spare Part Is Laid Off)

под заказ0 руб.
1445212-99401-000

Запчасть снята с производства - The Spare Part Is Laid Off (The Spare Part Is Laid Off)

под заказ0 руб.
1509200-08018-000

Запчасть снята с производства - The Spare Part Is Laid Off (Od:8, l:89) (The Spare Part Is Laid Off)

под заказ0 руб.
1609204-01001-000

(Od:1.8, l:10)

под заказнет сведений
1609204-01002-000

Штифт - Pin (Cotter pin ) (Pin)

24 шт140 руб.
1701107-08128-000

Болт - Bolt (Bolt)

под заказ190 руб.
1701500-08127-000

   (актуальный код замены) Болт - Bolt

под заказ190 руб.
1701500-08127-000

Болт - Bolt (Bolt)

под заказ190 руб.
1808322-11088-000

Шайба - Washer (Washer)

под заказ140 руб.
1808322-01087-000

   (актуальный код замены) Шайба - Washer

под заказ140 руб.
1808322-01087-000

Шайба - Washer (Lock washer ) (Washer)

под заказ140 руб.
1908321-31088-000

Шайба с блокировкой - Washer, Lock (Washer, Lock)

под заказ140 руб.
1908321-01087-000

   (актуальный код замены) Шайба с блокировкой - Washer, Lock

под заказ140 руб.
1908321-01087-000

Шайба с блокировкой - Washer, Lock (Washer, lock ) (Washer, Lock)

под заказ140 руб.
2045411-99003-000

Запчасть снята с производства - The Spare Part Is Laid Off (The Spare Part Is Laid Off)

под заказ0 руб.


Время выполнения запроса 3.1487259864807 сек.

 
 

данный сайт носит информационный характер и не является публичной офертой

склад запчастей для водомоторной техники