Комплектующие на подвесной лодочный двигатель Suzuki модель 1985 года - Картер коробки передач
вконтакте

Контактный телефон: +7 (981) 121-46-93, +7 (800) 200-90-76 , Email: parts-katalog@yandex.ru, где купить

 
 

  Логин:

Пароль:

Регистрация

www.partskatalog.ru Все каталоги Запчасти Mercury Запчасти Suzuki Запчасти Tohatsu Запчасти Honda Контакты



УВАЖАЕМЫЕ КЛИЕНТЫ!
C 19 ДЕКАБРЯ 2025 ПО 02 МАРТА 2026 ГОДА ОТДЕЛ ЗАПЧАСТЕЙ И СЕРВИС РАБОТАТЬ НЕ БУДУТ
ПРОДАЖА ЛОДОЧНЫХ МОТОРОВ В ШТАТНОМ РЕЖИМЕ
ОБ ИЗМЕНЕНИЯХ В ГРАФИКЕ РАБОТЫ ЧИТАЙТЕ НА САЙТА



назад Раздел:   вперёд

Вернуться к выбору узлов мотора


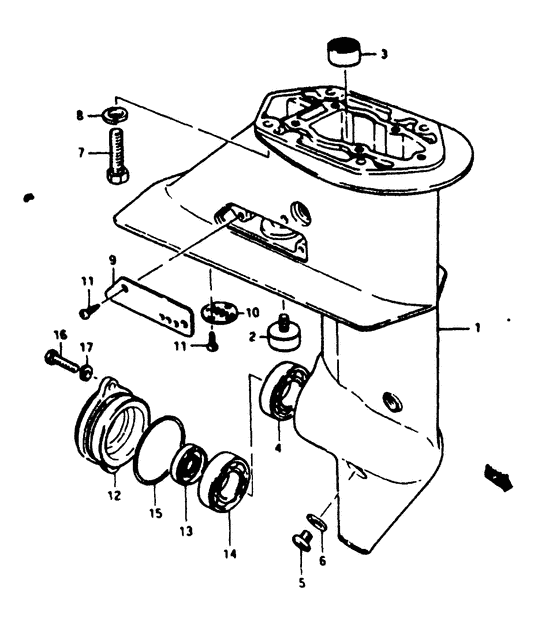
ДЕТАЛИРОВКА ДЛЯ МОДЕЛИ: SUZUKI DT7.5F F

Картер коробки передач


Год выпуска двигателя: 1985

Регион: Japan

Номер на
рисунке
АртикулНаименованиеQTYКол-во
на складе
Цена
155100-98820-01J

(To 55100-98821-01j)

под заказ0 руб.
109116-06094-000

Болт (6x15) - Bolt (6x15) (Bolt (6x15))

20 шт270 руб.
111130-94600-000

Zink, Цилиндр - Zink, Cylinder (Zink, protection ) (Zink, Cylinder)

под заказ1370 руб.
155112-98510-0ED

Крышка картера коробки передач Side (gray) - Cover, Gear Case Side (gray) (Cover, gear case side ) (Cover, Gear Case Side (gray))

под заказ0 руб.
155321-90L00-000

Zinc, Protection - Zinc, Protection (Zinc, Protection)

под заказ540 руб.
155100-98821-01J

(To 55100-98822-01j)

под заказ0 руб.
109116-06094-000

Болт (6x15) - Bolt (6x15) (Bolt (6x15))

20 шт270 руб.
111130-94600-000

Zink, Цилиндр - Zink, Cylinder (Zink, protection ) (Zink, Cylinder)

под заказ1370 руб.
155112-98510-0ED

Крышка картера коробки передач Side (gray) - Cover, Gear Case Side (gray) (Cover, gear case side ) (Cover, Gear Case Side (gray))

под заказ0 руб.
155321-90L00-000

Zinc, Protection - Zinc, Protection (Zinc, Protection)

под заказ540 руб.
155100-98822-01J

под заказнет сведений
109116-06094-000

Болт (6x15) - Bolt (6x15) (Bolt (6x15))

20 шт270 руб.
111130-94600-000

Zink, Цилиндр - Zink, Cylinder (Zink, protection ) (Zink, Cylinder)

под заказ1370 руб.
155112-98510-0ED

Крышка картера коробки передач Side (gray) - Cover, Gear Case Side (gray) (Cover, gear case side ) (Cover, Gear Case Side (gray))

под заказ0 руб.
155321-90L00-000

Zinc, Protection - Zinc, Protection (Zinc, Protection)

под заказ540 руб.
255321-93140-000

Zink, Цилиндр - Zink, Cylinder (Zink, Cylinder)

под заказ1370 руб.
211130-94600-000

   (актуальный код замены) Zink, Цилиндр - Zink, Cylinder

под заказ1370 руб.
211130-94600-000

Zink, Цилиндр - Zink, Cylinder (Zink, protection ) (Zink, Cylinder)

под заказ1370 руб.
255321-93141-000

Zink, Цилиндр - Zink, Cylinder (From 55321-93140) (Zink, Cylinder)

под заказ1370 руб.
211130-94600-000

   (актуальный код замены) Zink, Цилиндр - Zink, Cylinder

под заказ1370 руб.
211130-94600-000

Zink, Цилиндр - Zink, Cylinder (Zink, protection ) (Zink, Cylinder)

под заказ1370 руб.
309263-14010-000

Подшипник (14x22x16) - Bearing (14x22x16) (Bearing, pinion # Bearing, pinion shaft; ) (Bearing (14x22x16))

под заказ1320 руб.
408113-60040-000

Подшипник (20x42x12) - Bearing (20x42x12) (Bearing (20x42x12))

под заказ2310 руб.
409262-20106-000

   (актуальный код замены) Подшипник (20x42x12) - Bearing (20x42x12)

6 шт2300 руб.
46004C3KOYO

   (подбор по маркировке) Подшипник KOYO 6004C3(20*42*12 мм)

3 шт190 руб.
409262-20106-000

Подшипник (20x42x12) - Bearing (20x42x12) (Bearing ) (Bearing (20x42x12))

6 шт2300 руб.
46004C3KOYO

   (подбор по маркировке) Подшипник KOYO 6004C3(20*42*12 мм)

3 шт190 руб.
509248-10003-000

Заглушка (10x7.5) - Plug (10x75) (Plug (10x7.5))

под заказ490 руб.
509248-10008-000

   (актуальный код замены) Заглушка (10x7.5) - Plug (10x7.5)

120 шт500 руб.
509248-10008-000

Заглушка (10x7.5) - Plug (10x75) (Plug (10x7.5))

120 шт500 руб.
609168-10004-000

Прокладка (10x17x1.5) - Gasket (10x17x15) (To 09168-10022) (Gasket (10x17x1.5))

под заказ130 руб.
609168-10022-000

   (актуальный код замены) Прокладка (10x17x1.5) - Gasket (10x17x1.5)

2205 шт150 руб.
609168-10022-000

Прокладка (10x17x1.5) - Gasket (10x17x15) (Gasket (10x17x1.5))

2205 шт150 руб.
709100-08112-000

Болт (8x30) - Bolt (8x30) (Bolt (8x30))

под заказ350 руб.
709100-08232-000

   (актуальный код замены) Болт (8x30) - Bolt (8x30)

6 шт350 руб.
709100-08232-000

Болт (8x30) - Bolt (8x30) (Bolt (8x30))

6 шт350 руб.
809162-08003-000

Шайба с блокировкой - Washer, Lock (Washer, Lock)

под заказ160 руб.
809162-08007-000

   (актуальный код замены) Шайба с блокировкой - Washer, Lock

под заказ160 руб.
809162-08007-000

Шайба с блокировкой - Washer, Lock (Lock washer ) (Washer, Lock)

под заказ160 руб.
955112-98500-01J

Запчасть снята с производства - The Spare Part Is Laid Off (The Spare Part Is Laid Off)

под заказ0 руб.
955112-98501-0ED

   (актуальный код замены) Запчасть снята с производства - The Spare Part Is Laid Off

под заказ0 руб.
1055114-98500-000

Крышка, Lwr Корпус Under - Cover, Lwr Housing Under (Cover, Lwr Housing Under)

под заказ230 руб.
1055114-98502-000

   (актуальный код замены) Крышка, Lwr Корпус Under - Cover, Lwr Housing Under

под заказ230 руб.
1055114-98502-000

Крышка, Lwr Корпус Under - Cover, Lwr Housing Under (Cover, gear case lower ) (Cover, Lwr Housing Under)

под заказ230 руб.
1103112-04109-000

Винт - Screw (Screw)

под заказ170 руб.
1103112-0410B-000

   (актуальный код замены) Винт - Screw

под заказ170 руб.
1256111-98500-01J

Запчасть снята с производства - The Spare Part Is Laid Off (The Spare Part Is Laid Off)

под заказ0 руб.
1256111-98502-01J

   (актуальный код замены) Запчасть снята с производства - The Spare Part Is Laid Off

под заказ0 руб.
1309289-12002-000

Сальник (12x28x8) - Seal, Oil (12x28x8) (Oil seal (12x28x8) # Oil seal, bearing housing; ) (Seal, Oil (12x28x8))

33 шт970 руб.
1408113-60040-000

Подшипник (20x42x12) - Bearing (20x42x12) (Bearing (20x42x12))

под заказ2310 руб.
1409262-20106-000

   (актуальный код замены) Подшипник (20x42x12) - Bearing (20x42x12)

6 шт2300 руб.
146004C3KOYO

   (подбор по маркировке) Подшипник KOYO 6004C3(20*42*12 мм)

3 шт190 руб.
1409262-20106-000

Подшипник (20x42x12) - Bearing (20x42x12) (Bearing ) (Bearing (20x42x12))

6 шт2300 руб.
146004C3KOYO

   (подбор по маркировке) Подшипник KOYO 6004C3(20*42*12 мм)

3 шт190 руб.
1509280-48003-000

Уплотнительное кольцо (d: 3.5, Id: 47.7) - O Ring (d:35, Id:477) (O ring, bearing housing # O ring, bearing housing; ) (O Ring (d:3.5, Id:47.7))

5 шт300 руб.
1609100-06020-000

Болт (6x20) - Bolt (6x20) (Bolt (6x20))

под заказ0 руб.
1609100-06122-000

   (актуальный код замены) Запчасть снята с производства - The Spare Part Is Laid Off

под заказ0 руб.
1609100-06122-000

Болт (6x20) - Bolt (6x20) (Bolt (6x20))

под заказ0 руб.
1709162-06001-000

Шайба с блокировкой - Washer, Lock (Washer, Lock)

под заказ160 руб.
1709162-06006-000

   (актуальный код замены) Шайба с блокировкой - Washer, Lock

под заказ160 руб.
1709162-06006-000

Шайба с блокировкой - Washer, Lock (Lock washer ) (Washer, Lock)

под заказ160 руб.


Время выполнения запроса 3.6612801551819 сек.

 
 

данный сайт носит информационный характер и не является публичной офертой

склад запчастей для водомоторной техники