Подобрать оригинальные запчасти на лодочный подвесной мотор SUZUKI модель 1981 года - Электрика
вконтакте

Контактный телефон: +7 (981) 121-46-93, +7 (800) 200-90-76 , Email: parts-katalog@yandex.ru, где купить

 
 

  Логин:

Пароль:

Регистрация

www.partskatalog.ru Все каталоги Запчасти Mercury Запчасти Suzuki Запчасти Tohatsu Запчасти Honda Контакты

назад Раздел:   вперёд

Вернуться к выбору узлов мотора


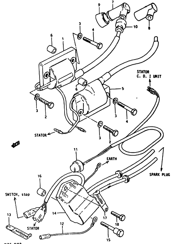
ДЕТАЛИРОВКА ДЛЯ МОДЕЛИ: SUZUKI DT8 J

Электрика


Год выпуска двигателя: 1981

Цвет: Francois Whte №2

Номер на
рисунке
АртикулНаименованиеQTYКол-во
на складе
Цена
133410-98100-000

Запчасть снята с производства - The Spare Part Is Laid Off (MODEL G) (The Spare Part Is Laid Off)

под заказ0 руб.
201107-06308-000

Болт - Bolt (MODEL G) (Bolt)

под заказ190 руб.
201500-06307-000

   (актуальный код замены) Болт - Bolt

под заказ190 руб.
201500-06307-000

Болт - Bolt (Bolt)

под заказ190 руб.
308321-21068-000

Шайба с блокировкой - Washer, Lock (MODEL G) (Washer, Lock)

под заказ140 руб.
308321-01067-000

   (актуальный код замены) Шайба с блокировкой - Washer, Lock

под заказ140 руб.
308321-01067-000

Шайба с блокировкой - Washer, Lock (Washer, Lock)

под заказ140 руб.
401107-06458-000

Болт - Bolt (MODEL G) (Bolt)

под заказ190 руб.
401500-0645B-000

   (актуальный код замены) Болт - Bolt

под заказ190 руб.
401500-0645B-000

Болт - Bolt (Bolt)

под заказ190 руб.
533420-98100-000

Запчасть снята с производства - The Spare Part Is Laid Off (MODEL G) (The Spare Part Is Laid Off)

под заказ0 руб.
609180-06079-000

Проставка (6.5x10.5x15) - Spacer (65x105x15) (MODEL G ) (Spacer (6.5x10.5x15))

под заказ170 руб.
733510-22010-000

Колпачок свечи зажигания - Cap Assy, Spark Plug (Cap Assy, Spark Plug)

1 шт2130 руб.
933541-93310-000

Сальник свечи зажигания Колпачок - Seal, Spark Plug Cap (Seal, Spark Plug Cap)

под заказ980 руб.
933541-93950-000

   (актуальный код замены) Сальник свечи зажигания Колпачок - Seal, Spark Plug Cap

под заказ980 руб.
933541-93950-000

Сальник свечи зажигания Колпачок - Seal, Spark Plug Cap (Seal, Spark Plug Cap)

под заказ980 руб.
1033542-98000-000

Сальник высоковольтного провода - Seal, High Tension Cord (Seal, High Tension Cord)

под заказ340 руб.
1033542-38B00-000

   (актуальный код замены) Сальник высоковольтного провода - Seal, High Tension Cord

под заказ340 руб.
1033542-38B00-000

Сальник высоковольтного провода - Seal, High Tension Cord (Seal, hightension cord ) (Seal, High Tension Cord)

под заказ340 руб.
1137800-93150-000

Переключатель в сборе, Stop - Switch Assy, Stop (Switch Assy, Stop)

под заказ0 руб.
1137800-98572-000

   (актуальный код замены) Запчасть снята с производства - The Spare Part Is Laid Off

под заказ0 руб.
1137800-98572-000

Переключатель в сборе, Stop - Switch Assy, Stop (Switch assy, engine stop ) (Switch Assy, Stop)

под заказ0 руб.
1237801-98351-000

Провод выключателя двигателя - Lead, Stop Switch (MODEL J/VZ) (Lead, Stop Switch)

под заказ320 руб.
1237801-98301-000

   (актуальный код замены) Провод выключателя двигателя - Lead, Stop Switch

под заказ320 руб.
1237801-98300-000

Провод выключателя двигателя - Lead, Stop Switch (Lead, rect & reg gnd ) (Lead, Stop Switch)

под заказ320 руб.
1237801-98301-000

   (актуальный код замены) Провод выключателя двигателя - Lead, Stop Switch

под заказ320 руб.
1309404-06401-000

Струбцина (l: 45) - Clamp (l:45) (MODEL J/VZ) (Clamp (l:45))

под заказ170 руб.
1309404-06031-000

   (актуальный код замены) Струбцина, Rsvr Tank Ovfl Шланг - Clamp, Rsvr Tank Ovfl Hose

под заказ170 руб.
1309404-06206-000

Струбцина (l: 45) - Clamp (l:45) (Clamp (l:45))

под заказ170 руб.
1309404-06031-000

   (актуальный код замены) Струбцина, Rsvr Tank Ovfl Шланг - Clamp, Rsvr Tank Ovfl Hose

под заказ170 руб.
1432900-98100-000

Модуль C.D.I. With Катушка зажигания - Unit, Cdi With Ignition Coil (TO 32900-98101, MODEL J/VZ) (Unit, Cdi With Ignition Coil)

под заказ52800 руб.
1432900-98101-000

   (актуальный код замены) Модуль C.D.I. With Катушка зажигания - Unit, Cdi With Ignition Coil

под заказ52800 руб.
1432900-98101-000

Модуль C.D.I. With Катушка зажигания - Unit, Cdi With Ignition Coil (Cdi unit & ignition coil ) (Unit, Cdi With Ignition Coil)

под заказ52800 руб.
1432900-98101-000

Модуль C.D.I. With Катушка зажигания - Unit, Cdi With Ignition Coil (Cdi unit & ignition coil # MODEL J/VZ ) (Unit, Cdi With Ignition Coil)

под заказ52800 руб.
1509111-06030-000

(MODEL J/VZ)

под заказнет сведений
1501550-06457-000

Болт - Bolt (Bolt)

под заказ210 руб.
1509180-06263-000

Проставка (6.5x9x9) - Spacer (65x9x9) (Spacer (6.5x9x9))

под заказ160 руб.
1609180-06079-000

Проставка (6.5x10.5x15) - Spacer (65x105x15) (MODEL J/VZ ) (Spacer (6.5x10.5x15))

под заказ170 руб.
1709404-06412-000

Струбцина (l: 65) - Clamp (l:65) (MODEL J/VZ) (Clamp (l:65))

под заказ170 руб.
1709404-06039-000

   (актуальный код замены) Струбцина (l: 65) - Clamp (l:65)

под заказ170 руб.
1709404-06432-000

Струбцина (l: 65) - Clamp (l:65) (Clamp (l:80) ) (Clamp (l:65))

8 шт170 руб.
1709404-06039-000

   (актуальный код замены) Струбцина (l: 65) - Clamp (l:65)

под заказ170 руб.
1801107-06208-000

Болт - Bolt (MODEL J/VZ) (Bolt)

под заказ150 руб.
1801500-06207-000

   (актуальный код замены) Болт - Bolt

под заказ150 руб.
1801500-06207-000

Болт - Bolt (Bolt)

под заказ150 руб.


Время выполнения запроса 1.6983330249786 сек.

 
 

данный сайт носит информационный характер и не является публичной офертой

склад запчастей для водомоторной техники