Оригинальные запчасти на мотор Suzuki модель 1986 года - Dt5 reed valve / Dt5 Язычковый клапан
вконтакте

Контактный телефон: +7 (981) 121-46-93, +7 (800) 200-90-76 , Email: parts-katalog@yandex.ru, где купить

 
 

  Логин:

Пароль:

Регистрация

www.partskatalog.ru Все каталоги Запчасти Mercury Запчасти Suzuki Запчасти Tohatsu Запчасти Honda Контакты



УВАЖАЕМЫЕ КЛИЕНТЫ!
C 19 ДЕКАБРЯ 2025 ПО 02 МАРТА 2026 ГОДА ОТДЕЛ ЗАПЧАСТЕЙ И СЕРВИС РАБОТАТЬ НЕ БУДУТ
ПРОДАЖА ЛОДОЧНЫХ МОТОРОВ В ШТАТНОМ РЕЖИМЕ
ОБ ИЗМЕНЕНИЯХ В ГРАФИКЕ РАБОТЫ ЧИТАЙТЕ НА САЙТА



назад Раздел:   вперёд

Вернуться к выбору узлов мотора


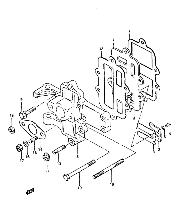
ДЕТАЛИРОВКА ДЛЯ МОДЕЛИ: SUZUKI DT8G(G/J/VZ) G

Dt5 Язычковый клапан


Год выпуска двигателя: 1986

Регион: General Export No.1 ,Код региона: P01

Цвет: California Gray Metallic

Номер на
рисунке
АртикулНаименованиеQTYКол-во
на складе
Цена
113150-98500-000

Запчасть снята с производства - The Spare Part Is Laid Off (The Spare Part Is Laid Off)

под заказ0 руб.
113150-98501-000

   (актуальный код замены) Запчасть снята с производства - The Spare Part Is Laid Off

под заказ0 руб.
213152-19010-000

Стопор язычкового клапана - Stopper, Reed Valve (Stopper, reed valve ) (Stopper, Reed Valve)

под заказ690 руб.
313153-19012-000

Язычковый клапан - Valve, Reed (Valve, reed # Valve, reed; ) (Valve, Reed)

под заказ970 руб.
402112-03088-000

Винт - Screw (Screw)

под заказ130 руб.
402112-0308A-000

   (актуальный код замены) Винт - Screw

под заказ130 руб.
402112-0308A-000

Винт - Screw (Screw)

под заказ130 руб.
508321-21038-000

Шайба с блокировкой - Washer, Lock (Washer, Lock)

под заказ110 руб.
508321-2103B-000

   (актуальный код замены) Шайба с блокировкой - Washer, Lock

под заказ110 руб.
508321-2103B-000

Шайба с блокировкой - Washer, Lock (Washer, Lock)

под заказ110 руб.
613154-98500-000

Запчасть снята с производства - The Spare Part Is Laid Off (Plate, reed valve;) (The Spare Part Is Laid Off)

под заказ0 руб.
713122-98500-000

Прокладка седла клапана - Gasket, Valve Seat (Gasket, Valve Seat)

под заказ0 руб.
713122-98510-000

   (актуальный код замены) Запчасть снята с производства - The Spare Part Is Laid Off

под заказ0 руб.
713122-98510-000

Прокладка седла клапана - Gasket, Valve Seat (Gasket, valve seat ) (Gasket, Valve Seat)

под заказ0 руб.
713122-98501-000

Прокладка седла клапана - Gasket, Valve Seat (From 13122-98500) (Gasket, Valve Seat)

под заказ0 руб.
713122-98510-000

   (актуальный код замены) Запчасть снята с производства - The Spare Part Is Laid Off

под заказ0 руб.
713122-98510-000

Прокладка седла клапана - Gasket, Valve Seat (Gasket, valve seat ) (Gasket, Valve Seat)

под заказ0 руб.
813111-98500-01J

Запчасть снята с производства - The Spare Part Is Laid Off (Model g/j) (The Spare Part Is Laid Off)

под заказ0 руб.
813111-98501-0ED

   (актуальный код замены) Запчасть снята с производства - The Spare Part Is Laid Off

под заказ0 руб.
813111-98501-01J

Запчасть снята с производства - The Spare Part Is Laid Off (Model vz) (The Spare Part Is Laid Off)

под заказ0 руб.
901517-06258-000

Болт - Bolt (Bolt)

под заказ180 руб.
901550-06257-000

   (актуальный код замены) Болт - Bolt

под заказ180 руб.
901550-06257-000

Болт - Bolt (Bolt)

под заказ180 руб.
1001517-06608-000

Болт - Bolt (Model vz (e13, e40)) (Bolt)

под заказ260 руб.
1001550-06607-000

   (актуальный код замены) Болт - Bolt

под заказ260 руб.
1001550-06607-000

Болт - Bolt (Bolt)

под заказ260 руб.
1108316-16068-000

Гайка - Nut (Nut)

под заказ160 руб.
1108319-31067-000

   (актуальный код замены) Гайка - Nut

под заказ160 руб.
1108319-31067-000

Гайка - Nut (Nut, center ) (Nut)

под заказ160 руб.
1213121-98500-000

Прокладка, вход Case - Gasket, Inlet Case (Gasket, Inlet Case)

под заказ0 руб.
1213121-98510-000

   (актуальный код замены) Запчасть снята с производства - The Spare Part Is Laid Off

под заказ0 руб.
1213121-98510-000

Прокладка, вход Case - Gasket, Inlet Case (Gasket, inlet case ) (Gasket, Inlet Case)

под заказ0 руб.
1301411-06258-000

Болт под шпильку - Bolt, Stud (Bolt, Stud)

под заказ130 руб.
1301411-0625A-000

   (актуальный код замены) Болт под шпильку - Bolt, Stud

под заказ130 руб.
1301411-0625A-000

Болт под шпильку - Bolt, Stud (Bolt, Stud)

под заказ130 руб.
1413125-98300-000

Прокладка карбюратора - Gasket, Carburetor (Gasket, Carburetor)

под заказ400 руб.
1413125-98310-000

   (актуальный код замены) Прокладка карбюратора - Gasket, Carburetor

1 шт400 руб.
1413125-98310-000

Прокладка карбюратора - Gasket, Carburetor (Gasket, carburetor ) (Gasket, Carburetor)

1 шт400 руб.
1501421-06168-000

Болт под шпильку - Bolt, Stud (Stud bolt, carburetor;) (Bolt, Stud)

под заказ150 руб.
1501421-0616A-000

   (актуальный код замены) Болт под шпильку - Bolt, Stud

под заказ150 руб.
1501421-0616A-000

Болт под шпильку - Bolt, Stud (Bolt, Stud)

под заказ150 руб.
1608322-21068-000

Шайба - Washer (Model g/j) (Washer)

под заказ140 руб.
1608322-01067-000

   (актуальный код замены) Шайба - Washer

10 шт160 руб.
1608322-01067-000

Шайба - Washer (Washer)

10 шт160 руб.
1708310-11068-000

Гайка - Nut (Model g/j) (Nut)

под заказ140 руб.
1708310-00067-000

   (актуальный код замены) Гайка - Nut

под заказ140 руб.
1708310-00067-000

Гайка - Nut (Nut)

под заказ140 руб.
1808316-16068-000

Гайка - Nut (Model vz) (Nut)

под заказ160 руб.
1808319-31067-000

   (актуальный код замены) Гайка - Nut

под заказ160 руб.
1808319-31067-000

Гайка - Nut (Nut, center ) (Nut)

под заказ160 руб.
1901411-06558-000

Болт под шпильку - Bolt, Stud (Stud bolt, inlet case;) (Bolt, Stud)

под заказ150 руб.
1901411-0655A-000

   (актуальный код замены) Болт под шпильку - Bolt, Stud

под заказ150 руб.
1901411-0655A-000

Болт под шпильку - Bolt, Stud (Bolt, Stud)

под заказ150 руб.


Время выполнения запроса 1.7230842113495 сек.

 
 

данный сайт носит информационный характер и не является публичной офертой

склад запчастей для водомоторной техники