Оригинальные запчасти на подвесной двигатель Suzuki модель 1986 года - Дистанционное управление / Remote control
вконтакте

Контактный телефон: +7 (981) 121-46-93, +7 (800) 200-90-76 , Email: parts-katalog@yandex.ru, где купить

 
 

  Логин:

Пароль:

Регистрация

www.partskatalog.ru Все каталоги Запчасти Mercury Запчасти Suzuki Запчасти Tohatsu Запчасти Honda Контакты

назад Раздел:   вперёд

Вернуться к выбору узлов мотора


ДЕТАЛИРОВКА ДЛЯ МОДЕЛИ: SUZUKI DT8G(G/J/VZ) G

Дистанционное управление


Год выпуска двигателя: 1986

Регион: General Export No.1 ,Код региона: P01

Цвет: California Gray Metallic

Номер на
рисунке
АртикулНаименованиеQTYКол-во
на складе
Цена
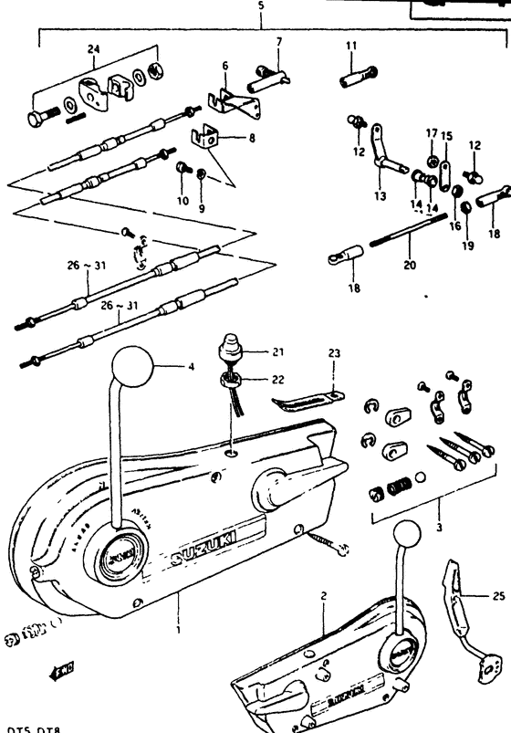
167200-95202-000

Запчасть снята с производства - The Spare Part Is Laid Off (Rh) (The Spare Part Is Laid Off)

под заказ0 руб.
167200-95203-000

   (актуальный код замены) Запчасть снята с производства - The Spare Part Is Laid Off

под заказ0 руб.
267200-95212-000

Запчасть снята с производства - The Spare Part Is Laid Off (Lh) (The Spare Part Is Laid Off)

под заказ0 руб.
267200-95213-000

   (актуальный код замены) Запчасть снята с производства - The Spare Part Is Laid Off

под заказ0 руб.
367300-95810-000

Держатель Set, Кабель дистанционного управления - Holder Set, Remocon Cable (Holder set, cable # Holder set; ) (Holder Set, Remocon Cable)

под заказ0 руб.
467214-95200-000

Запчасть снята с производства - The Spare Part Is Laid Off (The Spare Part Is Laid Off)

под заказ0 руб.
567130-98100-01J

Комплект для установки дистанционного управления - Parts Set, Remocon (Incl ref.no.6~23, to 67130-98101-01j) (Parts Set, Remocon)

под заказ184800 руб.
567130-98810-000

   (актуальный код замены) Комплект для установки дистанционного управления - Parts Set, Remocon

под заказ184800 руб.
567130-98810-000

Комплект для установки дистанционного управления - Parts Set, Remocon (Remote control parts assy ) (Parts Set, Remocon)

под заказ184800 руб.
567130-98101-01J

Комплект для установки дистанционного управления - Parts Set, Remocon (Incl ref.no.6~24) (Parts Set, Remocon)

под заказ184800 руб.
567130-98810-000

   (актуальный код замены) Комплект для установки дистанционного управления - Parts Set, Remocon

под заказ184800 руб.
567130-98810-000

Комплект для установки дистанционного управления - Parts Set, Remocon (Remote control parts assy ) (Parts Set, Remocon)

под заказ184800 руб.
567130-98110-01J

Комплект для установки дистанционного управления - Parts Set, Remocon (J (e9, e13), incl ref.no.6~23, 25) (Parts Set, Remocon)

под заказ184800 руб.
567130-98810-000

   (актуальный код замены) Комплект для установки дистанционного управления - Parts Set, Remocon

под заказ184800 руб.
567130-98810-000

Комплект для установки дистанционного управления - Parts Set, Remocon (Remote control parts assy ) (Parts Set, Remocon)

под заказ184800 руб.
567130-98111-01J

Комплект для установки дистанционного управления - Parts Set, Remocon (Incl ref.no.6~25, vz (e13, e40), j (e9, e13), incl ref.no.6~23, 25) (Parts Set, Remocon)

под заказ184800 руб.
567130-98810-000

   (актуальный код замены) Комплект для установки дистанционного управления - Parts Set, Remocon

под заказ184800 руб.
567130-98810-000

Комплект для установки дистанционного управления - Parts Set, Remocon (Remote control parts assy ) (Parts Set, Remocon)

под заказ184800 руб.
667340-98100-000

Держатель троссика дистанционного управления (сцепление) - Holder, Remocon Cable (clutch) (Holder, Remocon Cable (clutch))

под заказ0 руб.
767440-93701-000

Направляющая тросика сцепления - Guide, Clutch Cable (Guide, clutch cable # Guide, clutch cable; ) (Guide, Clutch Cable)

7 шт2740 руб.
867341-93400-000

Держатель кабеля дистанционного управления - Holder, Remocon Cable (Holder, Remocon Cable)

под заказ1680 руб.
867341-93401-000

   (актуальный код замены) Держатель кабеля дистанционного управления - Holder, Remocon Cable

под заказ1680 руб.
867341-93401-000

Держатель кабеля дистанционного управления - Holder, Remocon Cable (Holder, Remocon Cable)

под заказ1680 руб.
909162-06001-000

Шайба с блокировкой - Washer, Lock (Washer, Lock)

под заказ160 руб.
909162-06006-000

   (актуальный код замены) Шайба с блокировкой - Washer, Lock

под заказ160 руб.
909162-06006-000

Шайба с блокировкой - Washer, Lock (Lock washer ) (Washer, Lock)

под заказ160 руб.
1009100-06019-000

Болт - Bolt (Bolt)

под заказ180 руб.
1001550-06167-000

   (актуальный код замены) Болт - Bolt

9 шт210 руб.
1001550-06167-000

Болт - Bolt (Bolt)

9 шт210 руб.
1167466-95200-000

Коннектор - Connector (Connector, throttle cable # Connector, cable; ) (Connector)

16 шт560 руб.
1209119-06047-000

Стержень - Pivot (Pivot, ball # Ball, pivot; From 09119-06039 ) (Pivot)

21 шт520 руб.
1367410-98100-01J

Рычаг дистанционного управления дросселем - Lever, Remocon Throttle (Lever, Remocon Throttle)

под заказ0 руб.
1367410-98101-000

   (актуальный код замены) Запчасть снята с производства - The Spare Part Is Laid Off

под заказ0 руб.
1367410-98101-000

Рычаг дистанционного управления дросселем - Lever, Remocon Throttle (Lever, Remocon Throttle)

под заказ0 руб.
1463225-93200-000

Втулка тяги румпеля - Bush, Handle Rod (Bush, handle rod # Bushing; ) (Bush, Handle Rod)

16 шт480 руб.
1567417-98100-000

Рычаг, Remocon Дроссель - Arm, Remocon Throttle (Arm # Arm, remote control throttle; ) (Arm, Remocon Throttle)

под заказ0 руб.
1609140-08003-000

Гайка - Nut (Nut)

под заказ190 руб.
1609140-08016-000

   (актуальный код замены) Гайка - Nut

под заказ190 руб.
1609140-08023-XC0

Гайка - Nut (Nut)

14 шт190 руб.
1709140-06004-000

Гайка - Nut (Nut)

под заказ150 руб.
1709140-06020-000

   (актуальный код замены) Гайка - Nut

9 шт150 руб.
1709140-06020-000

Гайка - Nut (Nut)

9 шт150 руб.
1867463-95200-000

Коннектор тяги управления дросселем - Connector, Throttle Control (Connector, throttle rod # Connector, throttle control; ) (Connector, Throttle Control)

под заказ340 руб.
1909140-05001-000

Гайка - Nut (Nut)

под заказ220 руб.
1909140-05005-000

   (актуальный код замены) Гайка - Nut

10 шт270 руб.
1909140-05005-000

Гайка - Nut (Nut)

10 шт270 руб.
2067413-98100-000

Тяга управления дросселем - Rod, Throttle Control (Rod, throttle cam # Rod, throttle control; ) (Rod, Throttle Control)

под заказ0 руб.
2137800-93750-000

Переключатель в сборе, Двигатель Stop - Switch Assy, Engine Stop (Switch Assy, Engine Stop)

под заказ6150 руб.
2137800-93714-000

   (актуальный код замены) Переключатель в сборе, Двигатель Stop - Switch Assy, Engine Stop

под заказ6150 руб.
2137800-93714-000

Переключатель в сборе, Двигатель Stop - Switch Assy, Engine Stop (Switch assy, engine stop ) (Switch Assy, Engine Stop)

под заказ6150 руб.
2209140-14014-000

Гайка - Nut (Nut)

под заказ0 руб.
2209140-14030-000

   (актуальный код замены) Запчасть снята с производства - The Spare Part Is Laid Off

под заказ0 руб.
2209140-14030-000

Гайка - Nut (Nut)

под заказ0 руб.
2309404-06401-000

Струбцина (l: 45) - Clamp (l:45) (Clamp (l:45))

под заказ170 руб.
2309404-06031-000

   (актуальный код замены) Струбцина, Rsvr Tank Ovfl Шланг - Clamp, Rsvr Tank Ovfl Hose

под заказ170 руб.
2309404-06206-000

Струбцина (l: 45) - Clamp (l:45) (Clamp (l:45))

под заказ170 руб.
2309404-06031-000

   (актуальный код замены) Струбцина, Rsvr Tank Ovfl Шланг - Clamp, Rsvr Tank Ovfl Hose

под заказ170 руб.
2419190-98110-000

Рычаг Set, Дистанционное управление - Arm Set, Remote Control (Arm Set, Remote Control)

под заказ0 руб.
2521110-98101-01J

Рычаг сцепления (gray) - Lever, Clutch (gray) (J (e9, e13), vz (e40)) (Lever, Clutch (gray))

под заказ0 руб.
2521110-98102-0ED

   (актуальный код замены) Запчасть снята с производства - The Spare Part Is Laid Off

под заказ0 руб.
2521110-98102-0ED

Рычаг сцепления (gray) - Lever, Clutch (gray) (Lever, Clutch (gray))

под заказ0 руб.
2667320-95750-000

Тросик дистанционного управления (10f: 3.1m) - Cable Assy, Remocon (10f:31m) (Cable Assy, Remocon (10f:3.1m))

под заказ6340 руб.
2667320-93J10-000

   (актуальный код замены) Тросик дистанционного управления (10f: 3.1m) - Cable Assy, Remocon (10f:3.1m)

под заказ6340 руб.
2667320-93J10-000

Тросик дистанционного управления (10f: 3.1m) - Cable Assy, Remocon (10f:31m) (Cable Assy, Remocon (10f:3.1m))

под заказ6340 руб.
2767320-95740-000

Тросик дистанционного управления (10f: 3.1m) - Cable Assy, Remocon (10f:31m) (Cable Assy, Remocon (10f:3.1m))

под заказ6340 руб.
2767320-93J10-000

   (актуальный код замены) Тросик дистанционного управления (10f: 3.1m) - Cable Assy, Remocon (10f:3.1m)

под заказ6340 руб.
2767320-93J10-000

Тросик дистанционного управления (10f: 3.1m) - Cable Assy, Remocon (10f:31m) (Cable Assy, Remocon (10f:3.1m))

под заказ6340 руб.
2867320-95730-000

Тросик дистанционного управления (12f: 3.7m) - Cable Assy, Remocon (12f:37m) (Cable Assy, Remocon (12f:3.7m))

под заказ6920 руб.
2867320-93J20-000

   (актуальный код замены) Тросик дистанционного управления (12f: 3.7m) - Cable Assy, Remocon (12f:3.7m)

под заказ6920 руб.
2867320-93J20-000

Тросик дистанционного управления (12f: 3.7m) - Cable Assy, Remocon (12f:37m) (Cable Assy, Remocon (12f:3.7m))

под заказ6920 руб.
2967320-95720-000

Тросик дистанционного управления (14f: 4.2m) - Cable Assy, Remocon (14f:42m) (Cable Assy, Remocon (14f:4.2m))

под заказ7490 руб.
2967320-93J30-000

   (актуальный код замены) Тросик дистанционного управления (14f: 4.2m) - Cable Assy, Remocon (14f:4.2m)

3 шт7490 руб.
2967320-93J30-000

Тросик дистанционного управления (14f: 4.2m) - Cable Assy, Remocon (14f:42m) (Cable Assy, Remocon (14f:4.2m))

3 шт7490 руб.
3067320-95710-000

Тросик дистанционного управления (16f: 4.8m) - Cable Assy, Remocon (16f:48m) (Cable Assy, Remocon (16f:4.8m))

под заказ8020 руб.
3067320-93J40-000

   (актуальный код замены) Тросик дистанционного управления (16f: 4.8m) - Cable Assy, Remocon (16f:4.8m)

под заказ8020 руб.
3067320-93J40-000

Тросик дистанционного управления (16f: 4.8m) - Cable Assy, Remocon (16f:48m) (Cable Assy, Remocon (16f:4.8m))

под заказ8020 руб.
3167320-95200-000

Тросик дистанционного управления (18f: 5.4m) - Cable Assy, Remocon (18f:54m) (Cable Assy, Remocon (18f:5.4m))

под заказ8600 руб.
3167320-93J50-000

   (актуальный код замены) Тросик дистанционного управления (18f: 5.4m) - Cable Assy, Remocon (18f:5.4m)

под заказ8600 руб.
3167320-93J50-000

Тросик дистанционного управления (18f: 5.4m) - Cable Assy, Remocon (18f:54m) (Cable Assy, Remocon (18f:5.4m))

под заказ8600 руб.


Время выполнения запроса 3.7295360565186 сек.

 
 

данный сайт носит информационный характер и не является публичной офертой

склад запчастей для водомоторной техники