Оригинальные запчасти на подвесной лодочный мотор Suzuki модель 1987 года - Transmission - Трансмиссия
вконтакте

Контактный телефон: +7 (981) 121-46-93, +7 (800) 200-90-76 , Email: parts-katalog@yandex.ru, где купить

 
 

  Логин:

Пароль:

Регистрация

www.partskatalog.ru Все каталоги Запчасти Mercury Запчасти Suzuki Запчасти Tohatsu Запчасти Honda Контакты

назад Раздел:   вперёд

Вернуться к выбору узлов мотора


ДЕТАЛИРОВКА ДЛЯ МОДЕЛИ: SUZUKI DT8S VH

Трансмиссия


Год выпуска двигателя: 1987

Цвет: California Gray Metallic

Номер на
рисунке
АртикулНаименованиеQTYКол-во
на складе
Цена
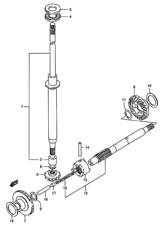
157110-98551-000

Вал привода (s) - Shaft, Drive (s) (Shaft, Drive (s))

под заказ0 руб.
157110-98561-000

Вал привода (l) - Shaft, Drive (l) (Shaft, Drive (l))

под заказ0 руб.
157110-98570-000

Запчасть снята с производства - The Spare Part Is Laid Off (E07, E13, E38) (The Spare Part Is Laid Off)

под заказ0 руб.
157110-98571-000

   (актуальный код замены) Запчасть снята с производства - The Spare Part Is Laid Off

под заказ0 руб.
257117-98501-000

Race, Шестерня Подшипник Inner - Race, Pinion Bearing Inner (Inner race, pinion bearing ) (Race, Pinion Bearing Inner)

под заказ0 руб.
309160-16023-000

Шайба (16x28x2.75) - Washer (16x28x275) (Washer, bearing upper ) (Washer (16x28x2.75))

под заказ0 руб.
409263-15003-000

Подшипник (15x28x2) - Bearing (15x28x2) (Bearing ) (Bearing (15x28x2))

3 шт770 руб.
557311-98511-000

Шестерня - Pinion (<-7311-98510) (Pinion)

под заказ5480 руб.
557311-98512-000

   (актуальный код замены) Шестерня - Pinion

5 шт6600 руб.
557311-98512-000

Шестерня - Pinion (Pinion)

5 шт6600 руб.
609181-10104-000

Запчасть снята с производства - The Spare Part Is Laid Off (<-9181-10003) (The Spare Part Is Laid Off)

под заказ0 руб.
609181-10106-000

Регулировочная шайба (10x14x0.8) - Shim (10x14x08) (<-8221-10143 ) (Shim (10x14x0.8))

под заказ180 руб.
609181-10108-000

Регулировочная шайба (10x14x0.9) - Shim (10x14x09) (Shim (t:0.9) # <-9181-10004 ) (Shim (10x14x0.9))

под заказ0 руб.
609181-10111-000

Регулировочная шайба (10x14x1) - Shim (10x14x1) (Shim (t:1.0) # <-8211-10141 ) (Shim (10x14x1))

под заказ150 руб.
609181-10116-000

Регулировочная шайба (10x14x1.1) - Shim (10x14x11) (Shim (t:1.1) # <-9181-10115 ) (Shim (10x14x1.1))

под заказ0 руб.
609181-10120-000

Регулировочная шайба (10x14x1.2) - Shim (10x14x12) (Shim (t:1.2) # <-9181-10006 ) (Shim (10x14x1.2))

под заказ0 руб.
609181-10125-000

Запчасть снята с производства - The Spare Part Is Laid Off (<-9181-10007) (The Spare Part Is Laid Off)

под заказ0 руб.
757510-98502-000

Шестерня переднего хода - Gear, Forward (Gear, Forward)

2 шт14800 руб.
857521-98520-000

Шестерня обратного хода - Gear, Revers (Gear, Revers)

3 шт10100 руб.
909160-12072-000

Шайба (12x17x1) - Washer (12x17x1) (Washer (12x17x1))

под заказ0 руб.
909181-12102-000

Регулировочная шайба (12x16x0.5) - Shim (12x16x05) (Shim (t:0.5) # <-9181-12007 ) (Shim (12x16x0.5))

под заказ0 руб.
1009181-20008-000

Регулировочная шайба (20x30x0.6) - Shim (20x30x06) (Shim (20x30x0.6))

под заказ190 руб.
1009181-20187-000

   (актуальный код замены) Регулировочная шайба (20x30x0.6) - Shim (20x30x0.6)

под заказ190 руб.
1009181-20187-000

Регулировочная шайба (20x30x0.6) - Shim (20x30x06) (Shim (20x30x0.6))

под заказ190 руб.
1009181-20010-000

Регулировочная шайба (20x30x0.7) - Shim (20x30x07) (Shim (20x30x0.7))

под заказ190 руб.
1009181-20188-000

   (актуальный код замены) Регулировочная шайба (20x30x0.7) - Shim (20x30x0.7)

под заказ190 руб.
1009181-20188-000

Регулировочная шайба (20x30x0.7) - Shim (20x30x07) (Shim (20x30x0.7))

под заказ190 руб.
1009181-20012-000

Регулировочная шайба (20x30x0.8) - Shim (20x30x08) (Shim (20x30x0.8))

под заказ190 руб.
1009181-20190-000

   (актуальный код замены) Регулировочная шайба (20x30x0.8) - Shim (20x30x0.8)

под заказ190 руб.
1009181-20190-000

Регулировочная шайба (20x30x0.8) - Shim (20x30x08) (Shim (20x30x0.8))

под заказ190 руб.
1009181-20026-000

Регулировочная шайба (20x30x0.3) - Shim (20x30x03) (Shim (t:0.3) ) (Shim (20x30x0.3))

под заказ0 руб.
1009181-20027-000

Регулировочная шайба (20x30x0.4) - Shim (20x30x04) (Shim (t:0.4) ) (Shim (20x30x0.4))

под заказ0 руб.
1009181-20186-000

Регулировочная шайба (20x30x0.5) - Shim (20x30x05) (Shim (t:0.5) # <-8221-20305 ) (Shim (20x30x0.5))

под заказ250 руб.
1009181-20187-000

Регулировочная шайба (20x30x0.6) - Shim (20x30x06) (MODEL:97~00 ) (Shim (20x30x0.6))

под заказ190 руб.
1009181-20188-000

Регулировочная шайба (20x30x0.7) - Shim (20x30x07) (MODEL:97~00 ) (Shim (20x30x0.7))

под заказ190 руб.
1009181-20190-000

Регулировочная шайба (20x30x0.8) - Shim (20x30x08) (MODEL:97~00 ) (Shim (20x30x0.8))

под заказ190 руб.
1108211-14183-000

Запчасть снята с производства - The Spare Part Is Laid Off (The Spare Part Is Laid Off)

под заказ0 руб.
1109181-14106-000

Запчасть снята с производства - The Spare Part Is Laid Off (<-8221-14186) (The Spare Part Is Laid Off)

под заказ0 руб.
1109181-14111-000

Запчасть снята с производства - The Spare Part Is Laid Off (<-8211-14181) (The Spare Part Is Laid Off)

под заказ0 руб.
1109181-14128-000

Регулировочная шайба (14x18x1.5) - Shim (14x18x15) (Shim (t:1.5) # <-8211-14182 ) (Shim (14x18x1.5))

под заказ0 руб.
1257600-98511-000

Вал гребного винта - Shaft, Propeller (<-7600-98510 ) (Shaft, Propeller)

2 шт9000 руб.
1357621-98501-000

Переключатель собачки сцепления - Shifter, Clutch Dog (Shifter, clutch dog ) (Shifter, Clutch Dog)

под заказ0 руб.
1409209-04017-000

Штифт - Pin (Pin, clutch dog shifter ) (Pin)

под заказ0 руб.
1509440-05019-000

Пружина - Spring (Spring, return ) (Spring)

под заказ0 руб.
1657631-98500-000

Тяга толкателя - Rod, Push (Rod, Push)

под заказ0 руб.
1757632-98500-000

Штифт толкателя - Pin, Push (Pin, Push)

под заказ480 руб.
1757632-97L00-000

   (актуальный код замены) Штифт толкателя - Pin, Push

12 шт540 руб.
1757632-98501-000

Штифт толкателя - Pin, Push (Pin, Push)

под заказ480 руб.
1757632-97L00-000

   (актуальный код замены) Штифт толкателя - Pin, Push

12 шт540 руб.


Время выполнения запроса 1.4244911670685 сек.

 
 

данный сайт носит информационный характер и не является публичной офертой

склад запчастей для водомоторной техники