| |
 |
|
 |
Вернуться к выбору узлов мотора
ДЕТАЛИРОВКА ДЛЯ МОДЕЛИ: SUZUKI DT8S K
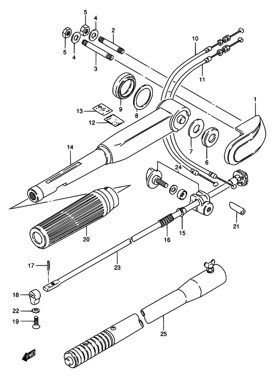
Румпель
Год выпуска двигателя: 1989
Цвет: California Gray Metallic
Номер на рисунке | Артикул | Наименование | QTY | Кол-во на складе | Цена |
| 1 | 63113-98100-0ED | Крышка румпеля - Cover, Tiller Handle (Cover, tiller handle (gray) # <-3113-98100-02M <-3113-98100-01T ) (Cover, Tiller Handle) | | под заказ | 0 руб. |
| 2 | 01421-08507-000 | Болт под шпильку - Bolt, Stud (Bolt, stud ) (Bolt, Stud) | | под заказ | 360 руб. |
| 3 | 01421-08607-000 | Болт под шпильку - Bolt, Stud (Bolt, Stud) | | под заказ | 430 руб. |
| 4 | 08322-01087-000 | Шайба - Washer (Lock washer ) (Washer) | | под заказ | 140 руб. |
| 5 | 08310-00087-000 | Гайка - Nut (Nut) | | под заказ | 140 руб. |
| 6 | 63115-98100-000 | Втулка ручки румпеля Крышка - Bush, Tiller Handle Cover (Bushing ) (Bush, Tiller Handle Cover) | | под заказ | 1020 руб. |
| 7 | 09160-13008-000 | Шайба (13.5x31.5x0.5) - Washer (135x315x05) (Washer, rear hook lever (13.5x31.5x0.5) ) (Washer (13.5x31.5x0.5)) | | под заказ | 310 руб. |
| 8 | 09160-32004-000 | Шайба (32.5x42x0.5) - Washer (325x42x05) (Washer (32.5x42x0.5) ) (Washer (32.5x42x0.5)) | | под заказ | 230 руб. |
| 9 | 63116-98100-000 | Втулка ручки румпеля - Bush, Tiller Handle (Bushing, tiller handle ) (Bush, Tiller Handle) | | под заказ | 1160 руб. |
| 10 | 63610-98102-000 | Тросик дросселя, в сборе - Cable Assy, Throttle (Cable assy, throttle ) (Cable Assy, Throttle) | | под заказ | 1600 руб. |
| 11 | 63610-98112-000 | Тросик дросселя, в сборе - Cable Assy, Throttle (Cable assy, throttle ) (Cable Assy, Throttle) | | под заказ | 1600 руб. |
| 12 | 63215-93400-000 | Маркировка ручки румпеля - Mark, Handle Grip (Mark, handle grip ) (Mark, Handle Grip) | | 1 шт | 290 руб. |
| 13 | 63215-93401-000 | Маркировка, Handle - Mark, Handle (E07, E13, E38, E40 ) (Mark, Handle) | | под заказ | 240 руб. |
| 14 | 63111-93210-0ED | Запчасть снята с производства - The Spare Part Is Laid Off (->3100-98810-0ED) (The Spare Part Is Laid Off) | | под заказ | 0 руб. |
| 14 | 63100-98811-0ED | (актуальный код замены) Запчасть снята с производства - The Spare Part Is Laid Off | | под заказ | 0 руб. |
| 14 | 63100-98811-0ED | Запчасть снята с производства - The Spare Part Is Laid Off (The Spare Part Is Laid Off) | | под заказ | 0 руб. |
| 15 | 63225-93200-000 | Втулка тяги румпеля - Bush, Handle Rod (Bush, handle rod ) (Bush, Handle Rod) | | 14 шт | 480 руб. |
| 16 | 09440-12027-000 | Пружина - Spring (Spring) | | 12 шт | 170 руб. |
| 17 | 63227-93200-000 | Штифт, Handle Тяга - Pin, Handle Rod (Pin, handle rod ) (Pin, Handle Rod) | | под заказ | 220 руб. |
| 18 | 63223-92D00-000 | Стопор тяги румпеля - Stopper, Handle Rod (Stopper, handle rod # <-3223-93201 ) (Stopper, Handle Rod) | | под заказ | 430 руб. |
| 19 | 09126-06006-000 | Винт (6x20) - Screw (6x20) (Screw (6x20)) | | под заказ | 150 руб. |
| 20 | 63210-93E30-000 | Рукоятка румпеля - Grip, Handle (Grip, handle # <-3210-93901 ) (Grip, Handle) | | 1 шт | 3390 руб. |
| 21 | 63117-96301-000 | Крышка, Stop Переключатель Провод - Cover, Stop Switch Wire (Cover, stop switch wire # <-3117-96300 ) (Cover, Stop Switch Wire) | | под заказ | 480 руб. |
| 21 | 63117-96302-000 | (актуальный код замены) Крышка, Stop Переключатель Провод - Cover, Stop Switch Wire | | под заказ | 480 руб. |
| 22 | 09163-06001-000 | Шайба с блокировкой - Washer, Lock (Washer, Lock) | | 13 шт | 120 руб. |
| 23 | 63220-98503-000 | Тяга румпеля - Rod, Handle (<-3220-98502) (Rod, Handle) | | под заказ | 5040 руб. |
| 23 | 63220-98504-000 | (актуальный код замены) Тяга румпеля - Rod, Handle | | под заказ | 5040 руб. |
| 23 | 63220-98504-000 | Тяга румпеля - Rod, Handle (Rod, Handle) | | под заказ | 5040 руб. |
| 24 | 63240-96300-000 | Регулировка румпеля (комплект) Рукоятка - Adjuster Set, Handle Grip (Adjuster, handle grip ) (Adjuster Set, Handle Grip) | | 3 шт | 2490 руб. |
| 25 | 63300-93900-000 | Запчасть снята с производства - The Spare Part Is Laid Off (OPT) (The Spare Part Is Laid Off) | | под заказ | 0 руб. |
Время выполнения запроса 0.74534893035889 сек. |
|