Запчасти на подвесной мотор Suzuki модель 1990 года - Starting motor - Двигатель электростартера
вконтакте

Контактный телефон: +7 (981) 121-46-93, +7 (800) 200-90-76 , Email: parts-katalog@yandex.ru, где купить

 
 

  Логин:

Пароль:

Регистрация

www.partskatalog.ru Все каталоги Запчасти Mercury Запчасти Suzuki Запчасти Tohatsu Запчасти Honda Контакты



УВАЖАЕМЫЕ КЛИЕНТЫ!
C 19 ДЕКАБРЯ 2025 ПО 02 МАРТА 2026 ГОДА ОТДЕЛ ЗАПЧАСТЕЙ И СЕРВИС РАБОТАТЬ НЕ БУДУТ
ПРОДАЖА ЛОДОЧНЫХ МОТОРОВ В ШТАТНОМ РЕЖИМЕ
ОБ ИЗМЕНЕНИЯХ В ГРАФИКЕ РАБОТЫ ЧИТАЙТЕ НА САЙТА



назад Раздел:   вперёд

Вернуться к выбору узлов мотора


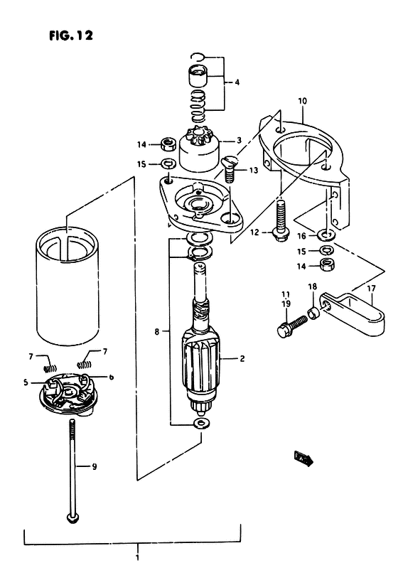
ДЕТАЛИРОВКА ДЛЯ МОДЕЛИ: SUZUKI DT8C VL/DT8CE VL

Двигатель электростартера


Год выпуска двигателя: 1990

Цвет: California Gray Metallic

Номер на
рисунке
АртикулНаименованиеQTYКол-во
на складе
Цена
131100-92D11-000

Motor, Starting - Motor, Starting (Motor assy, starting # <-31100-92D10 ) (Motor, Starting)

под заказ0 руб.
231310-92D10-000

Якорь в сборе - Armature Assy (Armature Assy)

под заказ45840 руб.
331320-92D10-000

Запчасть снята с производства - The Spare Part Is Laid Off (The Spare Part Is Laid Off)

под заказ0 руб.
431312-92D10-000

Комплект стопора шестерни - Stopper Set, Pinion (Stopper set, pinion ) (Stopper Set, Pinion)

под заказ1780 руб.
531131-89E00-000

Щётка (+) - Brush (+) (Brush (+) # <-31131-92D10 ) (Brush (+))

под заказ1070 руб.
631132-89E00-000

Щётка (-) - Brush (-) (Brush (-) # <-31132-92D10 ) (Brush (-))

под заказ1070 руб.
731135-92D10-000

Пружина щётки Держатель - Spring, Brush Holder (Spring, Brush Holder)

под заказ770 руб.
831360-92D10-000

Шайба Kit, Thrust - Washer Kit, Thrust (Washer Kit, Thrust)

под заказ780 руб.
931281-92D10-000

Сквозной болт - Bolt, Through (Bolt, starter housing ) (Bolt, Through)

под заказ1220 руб.
1031911-92D01-0ED

Запчасть снята с производства - The Spare Part Is Laid Off (The Spare Part Is Laid Off)

под заказ0 руб.
1102162-06257-000

Винт - Screw (Bolt ) (Screw)

7 шт150 руб.
1201550-08307-000

Болт - Bolt (Bolt)

21 шт320 руб.
1309126-08008-000

Винт (8x25) - Screw (8x25) (Screw (8x25))

под заказ210 руб.
1408310-00087-000

Гайка - Nut (Nut)

под заказ140 руб.
1508321-01087-000

Шайба с блокировкой - Washer, Lock (Washer, lock ) (Washer, Lock)

под заказ140 руб.
1608322-01087-000

Шайба - Washer (Lock washer ) (Washer)

под заказ140 руб.
1733816-92D00-000

Запчасть снята с производства - The Spare Part Is Laid Off (The Spare Part Is Laid Off)

под заказ0 руб.
1809180-06140-000

Проставка (6.5x10x5) - Spacer (65x10x5) (Spacer (6.5x10x5))

под заказ150 руб.
1809180-06309-000

   (актуальный код замены) Проставка (6.5x10x5) - Spacer (6.5x10x5)

под заказ150 руб.
1809180-06309-000

Проставка (6.5x10x5) - Spacer (65x10x5) (Spacer, guide ) (Spacer (6.5x10x5))

под заказ150 руб.
1809180-06309-000

Проставка (6.5x10x5) - Spacer (65x10x5) (Spacer, guide # MODEL:97 ) (Spacer (6.5x10x5))

под заказ150 руб.
1901550-06167-000

Болт - Bolt (MANUAL STARTER ) (Bolt)

9 шт210 руб.


Время выполнения запроса 0.67682886123657 сек.

 
 

данный сайт носит информационный характер и не является публичной офертой

склад запчастей для водомоторной техники