Купить запчасти на лодочный мотор Сузуки модель 1991 года - вход case
вконтакте

Контактный телефон: +7 (981) 121-46-93, +7 (800) 200-90-76 , Email: parts-katalog@yandex.ru, где купить

 
 

  Логин:

Пароль:

Регистрация

www.partskatalog.ru Все каталоги Запчасти Mercury Запчасти Suzuki Запчасти Tohatsu Запчасти Honda Контакты



УВАЖАЕМЫЕ КЛИЕНТЫ!
C 19 ДЕКАБРЯ 2025 ПО 02 МАРТА 2026 ГОДА ОТДЕЛ ЗАПЧАСТЕЙ И СЕРВИС РАБОТАТЬ НЕ БУДУТ
ПРОДАЖА ЛОДОЧНЫХ МОТОРОВ В ШТАТНОМ РЕЖИМЕ
ОБ ИЗМЕНЕНИЯХ В ГРАФИКЕ РАБОТЫ ЧИТАЙТЕ НА САЙТА



назад Раздел:   вперёд

Вернуться к выбору узлов мотора


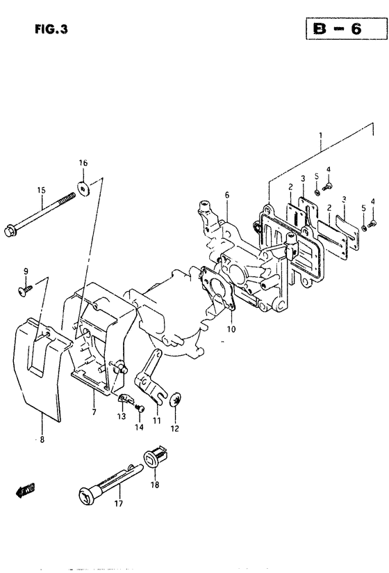
ДЕТАЛИРОВКА ДЛЯ МОДЕЛИ: SUZUKI DT8CEVM(88-97) M

вход case


Год выпуска двигателя: 1991

Номер на
рисунке
АртикулНаименованиеQTYКол-во
на складе
Цена
113150-92D00-000

Язычковый клапан, в сборе - Valve Assy, Reed (Reed valve assy ) (Valve Assy, Reed)

под заказ0 руб.
213153-92D00-000

Запчасть снята с производства - The Spare Part Is Laid Off (The Spare Part Is Laid Off)

под заказ0 руб.
313152-92D00-000

Запчасть снята с производства - The Spare Part Is Laid Off (The Spare Part Is Laid Off)

под заказ0 руб.
402112-03063-000

Винт - Screw (Screw)

под заказ120 руб.
402112-0306B-000

   (актуальный код замены) Винт - Screw

под заказ120 руб.
402112-0306B-000

Винт - Screw (Screw)

под заказ120 руб.
508321-01067-000

Шайба с блокировкой - Washer, Lock (Washer, Lock)

под заказ140 руб.
612481-92D02-0ED

Запчасть снята с производства - The Spare Part Is Laid Off (1t) (The Spare Part Is Laid Off)

под заказ0 руб.
713811-92D00-000

Запчасть снята с производства - The Spare Part Is Laid Off (The Spare Part Is Laid Off)

под заказ0 руб.
813812-92D00-000

Запчасть снята с производства - The Spare Part Is Laid Off (The Spare Part Is Laid Off)

под заказ0 руб.
903242-05123-000

Винт - Screw (Screw)

под заказ100 руб.
903241-0512A-000

   (актуальный код замены) Винт - Screw

под заказ100 руб.
903241-0512A-000

Винт - Screw (Screw)

под заказ100 руб.
1013125-91D00-000

Прокладка карбюратора - Gasket, Carburetor (Gasket, carburetor ) (Gasket, Carburetor)

10 шт320 руб.
10SM-13125-91D00-000

   (не оригинальный аналог) Прокладка SM-13125-91D00-000 карбюратора

1 шт80 руб.
1113633-92D01-000

Запчасть снята с производства - The Spare Part Is Laid Off (The Spare Part Is Laid Off)

под заказ0 руб.
1209148-06008-000

Гайка - Nut (Nut, adjuster knob ) (Nut)

4 шт110 руб.
1313694-92D00-000

Пластина, Choke Пружина - Plate, Choke Spring (Plate, choke spring ) (Plate, Choke Spring)

под заказ0 руб.
1402112-04087-000

Винт - Screw (Screw)

под заказ90 руб.
1501550-06907-000

Болт - Bolt (Bolt)

под заказ290 руб.
1609160-06066-000

Шайба (6.5x20x1.6) - Washer (65x20x16) (Washer, throttle lever (6.5x20x1.6) ) (Washer (6.5x20x1.6))

под заказ150 руб.
1713631-93910-000

Рычаг регулировки дросселя - Knob, Choke Lever (Knob, choke lever ) (Knob, Choke Lever)

2 шт720 руб.
1813632-93900-000

Пыльник ручки заслонки - Grommet, Choke Knob (Grommet, choke knob # Grommet, choke knob; ) (Grommet, Choke Knob)

1 шт280 руб.


Время выполнения запроса 1.5160689353943 сек.

 
 

данный сайт носит информационный характер и не является публичной офертой

склад запчастей для водомоторной техники