| |
 |
|
 |
Вернуться к выбору узлов мотора
ДЕТАЛИРОВКА ДЛЯ МОДЕЛИ: SUZUKI DT8S M
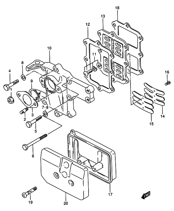
Язычковый клапан
Год выпуска двигателя: 1991
Регион: General Export No.1 ,Код региона: P01
Цвет: California Gray Metallic
Номер на рисунке | Артикул | Наименование | QTY | Кол-во на складе | Цена |
| 1 | 08316-10067-000 | Гайка - Nut (Nut) | | под заказ | 170 руб. |
| 2 | 01411-06167-000 | Болт под шпильку - Bolt, Stud (Stud bolt ) (Bolt, Stud) | | под заказ | 190 руб. |
| 3 | 13125-98110-000 | Прокладка карбюратора - Gasket, Carburetor (Gasket, carburetor # <-3125-98100-H17 ) (Gasket, Carburetor) | | под заказ | 350 руб. |
| 4 | 01550-06307-000 | Болт - Bolt (Bolt) | | 8 шт | 250 руб. |
| 5 | 01550-06357-000 | Болт - Bolt (Bolt, throttle lever no.2 # E07, E13, E38, E40 ) (Bolt) | | 9 шт | 210 руб. |
| 6 | 01570-06607-000 | Болт - Bolt (Bolt) | | под заказ | 260 руб. |
| 7 | 08321-01067-000 | Шайба с блокировкой - Washer, Lock (E07, E13, E38, E40 ~MODEL:93 ) (Washer, Lock) | | под заказ | 140 руб. |
| 8 | 08322-01067-000 | Шайба - Washer (E07, E13, E38, E40 ~MODEL:93 ) (Washer) | | 10 шт | 160 руб. |
| 9 | 13130-98100-000 | Net, вход Case - Net, Inlet Case (Net, inlet case ) (Net, Inlet Case) | | под заказ | 0 руб. |
| 10 | 13111-98101-0ED | Case, вход - Case, Inlet (<-3111-98101-02M <-3111-98101-01T ) (Case, Inlet) | | под заказ | 0 руб. |
| 11 | 02112-76163-000 | Винт - Screw (Screw) | | под заказ | 160 руб. |
| 11 | 02112-7616A-000 | (актуальный код замены) Винт - Screw | | под заказ | 160 руб. |
| 11 | 02112-7616A-000 | Винт - Screw (Screw) | | под заказ | 160 руб. |
| 12 | 13121-98120-000 | Прокладка, вход - Gasket, Inlet (<-3121-98110 ) (Gasket, Inlet) | | под заказ | 720 руб. |
| 13 | 13150-98101-000 | Язычковый клапан, в сборе - Valve Assy, Reed (Valve Assy, Reed) | | под заказ | 0 руб. |
| 14 | 13152-98100-000 | Стопор язычкового клапана - Stopper, Reed Valve (Stopper, reed valve ) (Stopper, Reed Valve) | | под заказ | 0 руб. |
| 15 | 13153-98100-000 | Язычковый клапан - Valve, Reed (Valve, reed ) (Valve, Reed) | | под заказ | 0 руб. |
| 16 | 02112-33063-000 | Винт - Screw (Screw) | | под заказ | 140 руб. |
| 16 | 02112-3306A-000 | (актуальный код замены) Винт - Screw | | под заказ | 140 руб. |
| 16 | 02112-3306A-000 | Винт - Screw (Screw) | | под заказ | 140 руб. |
| 17 | 13811-98100-000 | Корпус глушителя - Case, Silencer (Case, silencer ) (Case, Silencer) | | под заказ | 630 руб. |
| 18 | 13122-98110-000 | Прокладка седла клапана - Gasket, Valve Seat (Gasket, valve seat # <-3122-98101 ) (Gasket, Valve Seat) | | под заказ | 980 руб. |
| 19 | 02112-16357-000 | Винт - Screw (Screw) | | 8 шт | 180 руб. |
| 20 | 13812-98100-000 | Крышка, Глушитель - Cover, Silencer (Cover, silencer ) (Cover, Silencer) | | под заказ | 690 руб. |
Время выполнения запроса 0.72197914123535 сек. |
|