Найти запчасти на подвесной двигатель SUZUKI модель 1992 года - Кронштейн транца / Clamp bracket
вконтакте

Контактный телефон: +7 (981) 121-46-93, +7 (800) 200-90-76 , Email: parts-katalog@yandex.ru, где купить

 
 

  Логин:

Пароль:

Регистрация

www.partskatalog.ru Все каталоги Запчасти Mercury Запчасти Suzuki Запчасти Tohatsu Запчасти Honda Контакты



УВАЖАЕМЫЕ КЛИЕНТЫ!
C 19 ДЕКАБРЯ 2025 ПО 02 МАРТА 2026 ГОДА ОТДЕЛ ЗАПЧАСТЕЙ И СЕРВИС РАБОТАТЬ НЕ БУДУТ
ПРОДАЖА ЛОДОЧНЫХ МОТОРОВ В ШТАТНОМ РЕЖИМЕ
ОБ ИЗМЕНЕНИЯХ В ГРАФИКЕ РАБОТЫ ЧИТАЙТЕ НА САЙТА



назад Раздел:   вперёд

Вернуться к выбору узлов мотора


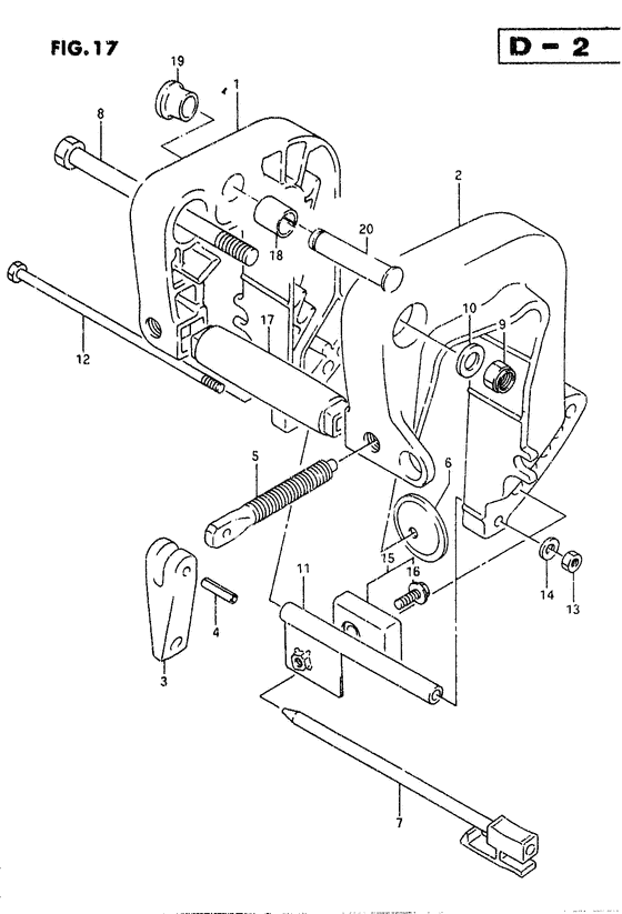
ДЕТАЛИРОВКА ДЛЯ МОДЕЛИ: SUZUKI DT8CEVN(88-97) N

Кронштейн транца


Год выпуска двигателя: 1992

Номер на
рисунке
АртикулНаименованиеQTYКол-во
на складе
Цена
141111-92D80-0ED

Запчасть снята с производства - The Spare Part Is Laid Off (Model:88~91) (The Spare Part Is Laid Off)

под заказ0 руб.
141111-92D30-0ED

   (актуальный код замены) Запчасть снята с производства - The Spare Part Is Laid Off

под заказ0 руб.
141111-92D21-0ED

Запчасть снята с производства - The Spare Part Is Laid Off (Model:92~95) (The Spare Part Is Laid Off)

под заказ0 руб.
141111-92D30-0ED

   (актуальный код замены) Запчасть снята с производства - The Spare Part Is Laid Off

под заказ0 руб.
141111-92D30-0ED

Запчасть снята с производства - The Spare Part Is Laid Off (Model:96, 97) (The Spare Part Is Laid Off)

под заказ0 руб.
241121-92D11-0ED

Запчасть снята с производства - The Spare Part Is Laid Off (2m) (The Spare Part Is Laid Off)

под заказ0 руб.
341212-98601-000

Запчасть снята с производства - The Spare Part Is Laid Off (The Spare Part Is Laid Off)

под заказ0 руб.
409205-05013-000

Стопор пружины (5x22) - Pin, Spring (5x22) (Pin, spring (5x22) # Spring pin; ) (Pin, Spring (5x22))

под заказ130 руб.
541211-98600-000

Винт струбцины, в сборе - Screw Assy, Clamp (Screw Assy, Clamp)

под заказ2100 руб.
541210-986L1-000

   (актуальный код замены) Винт струбцины, в сборе - Screw Assy, Clamp

под заказ2100 руб.
541210-986L1-000

Винт струбцины, в сборе - Screw Assy, Clamp (Screw Assy, Clamp)

под заказ2100 руб.
641213-98100-000

Пластина струбцины - Plate, Clamp (Plate, clamp # Plate, clamp; ) (Plate, Clamp)

под заказ390 руб.
641213-94J01-000

   (актуальный код замены) Пластина струбцины - Plate, Clamp

под заказ420 руб.
745420-92D02-000

Штифт блокировки наклона - Pin, Tilt Lock (Pin, Tilt Lock)

под заказ2370 руб.
745420-92DL0-000

   (актуальный код замены) Штифт блокировки наклона - Pin, Tilt Lock

25 шт2890 руб.
745420-92DL0-000

Штифт блокировки наклона - Pin, Tilt Lock (Pin, Tilt Lock)

25 шт2890 руб.
809100-06125-000

Болт (6x140) - Bolt (6x140) (Bolt (6x140);) (Bolt (6x140))

под заказ470 руб.
809100-06177-000

   (актуальный код замены) Болт (6x140) - Bolt (6x140)

9 шт470 руб.
809100-06177-000

Болт (6x140) - Bolt (6x140) (Bolt (6x140))

9 шт470 руб.
909140-06020-000

Гайка - Nut (Nut)

9 шт150 руб.
1009162-06006-000

Шайба с блокировкой - Washer, Lock (Lock washer ) (Washer, Lock)

под заказ160 руб.
1141310-93900-000

Тяга, Кронштейн транца Lwr - Rod, Clamp Bracket Lwr (Rod, Clamp Bracket Lwr)

под заказ2060 руб.
1141310-93901-000

   (актуальный код замены) Тяга, Кронштейн транца Lwr - Rod, Clamp Bracket Lwr

под заказ2060 руб.
1141310-93901-000

Тяга, Кронштейн транца Lwr - Rod, Clamp Bracket Lwr (Rod, Clamp Bracket Lwr)

под заказ2060 руб.
1209100-10188-000

Запчасть снята с производства - The Spare Part Is Laid Off (Bolt (10x155);) (The Spare Part Is Laid Off)

под заказ0 руб.
1309159-10050-000

Гайка - Nut (Nut)

8 шт250 руб.
1409160-10082-000

Шайба (10.5x19x2) - Washer (105x19x2) (Washer ) (Washer (10.5x19x2))

19 шт120 руб.
1555320-95310-000

Защитный цинковый анод - Zinc Set, Protection (Zinc set, protection;) (Zinc Set, Protection)

под заказ1320 руб.
1555320-95311-000

   (актуальный код замены) Защитный цинковый анод - Zinc Set, Protection

16 шт1320 руб.
1555320-95311-000

Защитный цинковый анод - Zinc Set, Protection (Zinc Set, Protection)

16 шт1320 руб.
1609116-06092-000

Болт (6x15) - Bolt (6x15) (Bolt (6x15))

под заказ230 руб.
1609116-06094-000

   (актуальный код замены) Болт (6x15) - Bolt (6x15)

20 шт270 руб.
1609116-06094-000

Болт (6x15) - Bolt (6x15) (Bolt (6x15))

20 шт270 руб.
1741411-92D01-000

Рукоятка для переноски - Grip, Carrier (Grip, Carrier)

под заказ0 руб.
1741411-92D02-000

   (актуальный код замены) Запчасть снята с производства - The Spare Part Is Laid Off

под заказ0 руб.
1741411-92D02-000

Рукоятка для переноски - Grip, Carrier (Grip, Carrier)

под заказ0 руб.
1741411-92D02-000

Рукоятка для переноски - Grip, Carrier (Model:96, 97 ) (Grip, Carrier)

под заказ0 руб.
1809303-14003-000

Втулка - Bush (Dt8c:~581351 dt9.9c:~581450 ) (Bush)

9 шт320 руб.
1941221-96301-000

Ручка, Стопор наклона Штифт - Knob, Tilt Stopper Pin (Knob, tilt stopper # Dt8c:~581351 dt9.9c:~581450 ) (Knob, Tilt Stopper Pin)

2 шт540 руб.
2041222-93910-000

Штифт, Tail Стопор - Pin, Tail Stopper (Pin, tilt stopper # Dt8c:~581351 dt9.9c:~581450 ) (Pin, Tail Stopper)

1 шт2260 руб.


Время выполнения запроса 1.2877249717712 сек.

 
 

данный сайт носит информационный характер и не является публичной офертой

склад запчастей для водомоторной техники