Купить оригинальные запчасти SUZUKI - Gear case
вконтакте

Контактный телефон: +7 (981) 121-46-93, +7 (800) 200-90-76 , Email: parts-katalog@yandex.ru, где купить

 
 

  Логин:

Пароль:

Регистрация

www.partskatalog.ru Все каталоги Запчасти Mercury Запчасти Suzuki Запчасти Tohatsu Запчасти Honda Контакты

назад Раздел:   вперёд

Вернуться к выбору узлов мотора


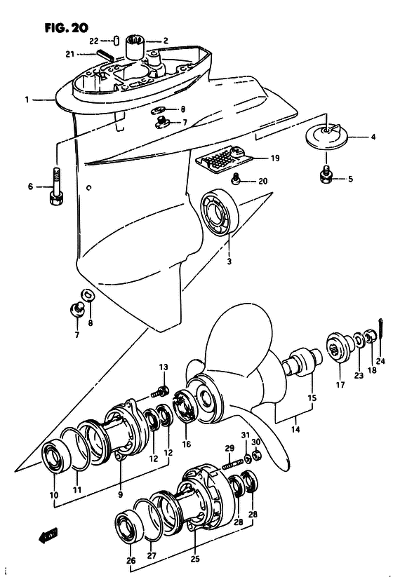
ДЕТАЛИРОВКА ДЛЯ МОДЕЛИ: SUZUKI DT8C VN/DT8CE VN

Картер коробки передач


Год выпуска двигателя: 1992

Цвет: California Gray Metallic

Номер на
рисунке
АртикулНаименованиеQTYКол-во
на складе
Цена
155100-92D01-0ED

Запчасть снята с производства - The Spare Part Is Laid Off (The Spare Part Is Laid Off)

под заказ0 руб.
209263-12025-000

Подшипник (12x19x20) - Bearing (12x19x20) (Bearing (12x19x20) ) (Bearing (12x19x20))

под заказ1850 руб.
309262-20069-000

Подшипник (20x47x14) - Bearing (20x47x14) (<-09262-20062 ) (Bearing (20x47x14))

3 шт2160 руб.
362048HKOYO

   (подбор по маркировке) Подшипник NSK 6204(20*47*14 мм)

под заказ0
455321-93900-000

Zinc, Protection - Zinc, Protection (Zinc, Protection)

под заказ540 руб.
455321-939L0-000

   (актуальный код замены) Zinc, Protection

2 шт540 руб.
509116-06094-000

Болт (6x15) - Bolt (6x15) (Bolt (6x15))

20 шт270 руб.
609117-08045-000

Болт (8x35) - Bolt (8x35) (Bolt (8x35))

под заказ570 руб.
609117-08071-000

   (актуальный код замены) Болт (8x35) - Bolt (8x35)

под заказ570 руб.
609117-08071-000

Болт (8x35) - Bolt (8x35) (Bolt (8x35))

под заказ570 руб.
709248-10008-000

Заглушка (10x7.5) - Plug (10x75) (<-09248-10005 ) (Plug (10x7.5))

105 шт500 руб.
809168-10022-000

Прокладка (10x17x1.5) - Gasket (10x17x15) (Gasket (10x17x1.5))

2154 шт150 руб.
956120-92D00-0ED

Запчасть снята с производства - The Spare Part Is Laid Off (The Spare Part Is Laid Off)

под заказ0 руб.
1009262-22021-000

Подшипник (22x44x12) - Bearing (22x44x12) (Bearing (22x44x12) ) (Bearing (22x44x12))

под заказ0 руб.
1109280-52004-000

Уплотнительное кольцо (d: 3.1, Id: 49.9) - O Ring (d:31, Id:499) (O Ring (d:3.1, Id:49.9))

под заказ0 руб.
1209282-16003-000

Сальник (16x28x5) - Seal, Oil (16x28x5) (Oil seal (16x28x5) ) (Seal, Oil (16x28x5))

12 шт0 руб.
1309117-06031-000

Болт (6x20) - Bolt (6x20) (Bolt (6x20) ) (Bolt (6x20))

под заказ270 руб.
1458100-92D01-019

Гребной винт (3x9-1 / 4x7) - Propeller (3x9-1/4x7) (<-58100-92D00-019) (Propeller (3x9-1/4x7))

под заказ0 руб.
1458100-92DL0-019

   (актуальный код замены) Запчасть снята с производства - The Spare Part Is Laid Off

под заказ0 руб.
1458100-92DL0-019

Гребной винт (3x9-1 / 4x7) - Propeller (3x9-1/4x7) (Propeller (3x9-1/4x7))

под заказ0 руб.
1458100-92D11-019

Гребной винт (3x9x8-1 / 4) - Propeller (3x9x8-1/4) (Propeller (3x9x8-1/4))

под заказ20500 руб.
1458100-92DM0-019

   (актуальный код замены) Гребной винт (3x9x8-1 / 4) - Propeller (3x9x8-1/4)

под заказ20500 руб.
1458100-92DM0-019

Гребной винт (3x9x8-1 / 4) - Propeller (3x9x8-1/4) (Propeller (3x9x8-1/4))

под заказ20500 руб.
1458100-92D21-019

Гребной винт (3x9x9-1 / 4) - Propeller (3x9x9-1/4) (Propeller, 3x9x9-1/4 (e900) ) (Propeller (3x9x9-1/4))

под заказ0 руб.
1458100-92D62-019

Гребной винт (3x10x6-1 / 2) - Propeller (3x10x6-1/2) (Propeller, 3x10x6-1/2 (ey610) # TYPE:SAIL <-58100-92D61-019 ) (Propeller (3x10x6-1/2))

под заказ0 руб.
1558120-92D00-000

Втулка гребного винта - Bush, Propeller (Bush, Propeller)

под заказ0 руб.
1558120-92D01-000

   (актуальный код замены) Запчасть снята с производства - The Spare Part Is Laid Off

под заказ0 руб.
1558120-92D01-000

Втулка гребного винта - Bush, Propeller (Bush, propeller ) (Bush, Propeller)

под заказ0 руб.
1558120-92D01-000

Втулка гребного винта - Bush, Propeller (Bush, propeller # MODEL:95~97 ) (Bush, Propeller)

под заказ0 руб.
1657632-92D00-000

Стопор втулки гребного винта - Stopper, Propeller Bush (Stopper, propeller bush ) (Stopper, Propeller Bush)

под заказ0 руб.
1757633-92D00-000

Проставка гайки гребного винта - Spacer, Propeller Nut (Spacer, propeller nut ) (Spacer, Propeller Nut)

под заказ0 руб.
1809141-10007-000

Запчасть снята с производства - The Spare Part Is Laid Off (MODEL:95~97) (The Spare Part Is Laid Off)

под заказ0 руб.
1809159-10050-000

Гайка - Nut (Nut)

8 шт250 руб.
1917631-92D01-000

Водяной фильтр - Filter, Water (Filter, Water)

6 шт570 руб.
2009125-06063-000

Винт (6x10) - Screw (6x10) (Screw (6x10))

6 шт190 руб.
2155332-92D00-000

Резинка выхлопного сальника - Rubber, Exhaust Seal (Rubber, exhaust seal ) (Rubber, Exhaust Seal)

под заказ430 руб.
2155332-92D01-000

   (актуальный код замены) Резинка выхлопного сальника - Rubber, Exhaust Seal

2 шт570 руб.
2209202-06023-000

Штифт (6x10) - Pin (6x10) (Pin (6x10))

6 шт290 руб.
2309160-10082-000

Шайба (10.5x19x2) - Washer (105x19x2) (Washer ) (Washer (10.5x19x2))

19 шт120 руб.
2409204-02004-000

Штифт - Pin (Pin, cotter ) (Pin)

3 шт140 руб.
24SK09204-02004

   (не оригинальный аналог) Шплинт гайки гребного винта Skipper для Suzuki DT9.9-15/DF8-20

0 шт84 руб.
2556120-92D20-0ED

Корпус подшипника вала гребного винта - Housing, Propeller Sft Brg (Housing, propeller shaft # TYPE:SAIL ) (Housing, Propeller Sft Brg)

под заказ0 руб.
2609262-22021-000

Подшипник (22x44x12) - Bearing (22x44x12) (Bearing (22x44x12) # TYPE:SAIL ) (Bearing (22x44x12))

под заказ0 руб.
2709280-52004-000

Уплотнительное кольцо (d: 3.1, Id: 49.9) - O Ring (d:31, Id:499) (TYPE:SAIL ) (O Ring (d:3.1, Id:49.9))

под заказ0 руб.
2809282-16003-000

Сальник (16x28x5) - Seal, Oil (16x28x5) (Oil seal (16x28x5) # TYPE:SAIL ) (Seal, Oil (16x28x5))

12 шт0 руб.
2909108-06106-000

Запчасть снята с производства - The Spare Part Is Laid Off (TYPE:SAIL) (The Spare Part Is Laid Off)

под заказ0 руб.
3009140-06020-000

Гайка - Nut (TYPE:SAIL ) (Nut)

9 шт150 руб.
3109162-06006-000

Шайба с блокировкой - Washer, Lock (Lock washer # TYPE:SAIL ) (Washer, Lock)

под заказ160 руб.


Время выполнения запроса 1.1919548511505 сек.

 
 

данный сайт носит информационный характер и не является публичной офертой

склад запчастей для водомоторной техники