| |
 |
|
 |
Вернуться к выбору узлов мотора
ДЕТАЛИРОВКА ДЛЯ МОДЕЛИ: SUZUKI DT8CVP(88-97) P
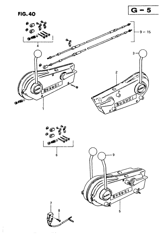
Дистанционное управление
Год выпуска двигателя: 1993
Регион: General Export No.1 ,Код региона: P01
Цвет: California Gray Metallic
Номер на рисунке | Артикул | Наименование | QTY | Кол-во на складе | Цена |
| 1 | 67200-95203-000 | Запчасть снята с производства - The Spare Part Is Laid Off (The Spare Part Is Laid Off) | | под заказ | 0 руб. |
| 2 | 67200-95213-000 | Запчасть снята с производства - The Spare Part Is Laid Off (The Spare Part Is Laid Off) | | под заказ | 0 руб. |
| 3 | 67214-95200-000 | Запчасть снята с производства - The Spare Part Is Laid Off (Knob, control box;) (The Spare Part Is Laid Off) | | под заказ | 0 руб. |
| 4 | 67300-95810-000 | Держатель Set, Кабель дистанционного управления - Holder Set, Remocon Cable (Holder set, cable # Holder set, remo-con cable; ) (Holder Set, Remocon Cable) | | под заказ | 0 руб. |
| 5 | 67200-95871-000 | Запчасть снята с производства - The Spare Part Is Laid Off (The Spare Part Is Laid Off) | | под заказ | 0 руб. |
| 6 | 67300-95810-000 | Держатель Set, Кабель дистанционного управления - Holder Set, Remocon Cable (Holder set, cable # Holder set, cable; ) (Holder Set, Remocon Cable) | | под заказ | 0 руб. |
| 7 | 37721-95500-000 | Выключатель нейтрали, в сборе - Switch Assy, Neutral (Switch Assy, Neutral) | | под заказ | 3170 руб. |
| 8 | 02112-03123-000 | Винт - Screw (Screw) | | под заказ | 170 руб. |
| 8 | 02112-0312B-000 | (актуальный код замены) Винт - Screw | | под заказ | 170 руб. |
| 8 | 02112-0312B-000 | Винт - Screw (Screw) | | под заказ | 170 руб. |
| 9 | 67214-95200-000 | Запчасть снята с производства - The Spare Part Is Laid Off (The Spare Part Is Laid Off) | | под заказ | 0 руб. |
Время выполнения запроса 0.82848405838013 сек. |
|