Подобрать запчасти на лодочный мотор Suzuki модель 1993 года - Fuel tank - Топливный бак
вконтакте

Контактный телефон: +7 (981) 121-46-93, +7 (800) 200-90-76 , Email: parts-katalog@yandex.ru, где купить

 
 

  Логин:

Пароль:

Регистрация

www.partskatalog.ru Все каталоги Запчасти Mercury Запчасти Suzuki Запчасти Tohatsu Запчасти Honda Контакты



УВАЖАЕМЫЕ КЛИЕНТЫ!
C 19 ДЕКАБРЯ 2025 ПО 02 МАРТА 2026 ГОДА ОТДЕЛ ЗАПЧАСТЕЙ И СЕРВИС РАБОТАТЬ НЕ БУДУТ
ПРОДАЖА ЛОДОЧНЫХ МОТОРОВ В ШТАТНОМ РЕЖИМЕ
ОБ ИЗМЕНЕНИЯХ В ГРАФИКЕ РАБОТЫ ЧИТАЙТЕ НА САЙТА



назад Раздел:   вперёд

Вернуться к выбору узлов мотора


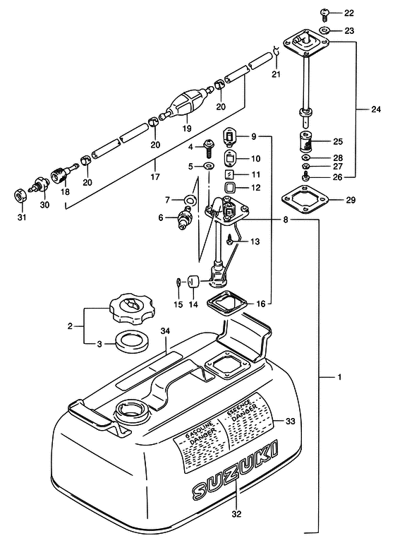
ДЕТАЛИРОВКА ДЛЯ МОДЕЛИ: SUZUKI DT8S P

Топливный бак


Год выпуска двигателя: 1993

Регион: General Export No.1 ,Код региона: P01

Цвет: California Gray Metallic

Номер на
рисунке
АртикулНаименованиеQTYКол-во
на складе
Цена
165800-92813-000

Запчасть снята с производства - The Spare Part Is Laid Off (4 U.S.GAL/3.3 IMP.GAL) (The Spare Part Is Laid Off)

под заказ0 руб.
165800-92814-000

   (актуальный код замены) Запчасть снята с производства - The Spare Part Is Laid Off

под заказ0 руб.
265510-92D00-000

Крышка горловины топливного бака, в сборе - Cap Assy, Fuel Tank (Cap assy, separate tank ) (Cap Assy, Fuel Tank)

под заказ0 руб.
365561-92D00-000

Прокладка - Gasket (Gasket, tank cap ) (Gasket)

под заказ0 руб.
402142-06167-000

Винт - Screw (Screw ) (Screw)

8 шт110 руб.
509168-06026-000

Прокладка (6.4x11.5x0.8) - Gasket (64x115x08) (Gasket (6.4x11.5x0.8))

под заказ240 руб.
665740-95500-000

Разъем топливного коннектора - Plug, Fuel Connector (Connector, fuel # <-5720-94410 ) (Plug, Fuel Connector)

под заказ2720 руб.
665740-95501-000

   (актуальный код замены) Разъем топливного коннектора - Plug, Fuel Connector

под заказ2720 руб.
709168-12015-000

Прокладка (12.2x21x0.8) - Gasket (122x21x08) (Gasket (12.2x21x0.8))

под заказ350 руб.
709168-12015-XC0

   (актуальный код замены) Прокладка (12.2x21x0.8) - Gasket (12.2x21x0.8)

под заказ350 руб.
709168-12015-XC0

Прокладка (12.2x21x0.8) - Gasket (122x21x08) (Gasket (12.2x21x0.8))

под заказ350 руб.
865850-92D51-000

Прибор - измеритель уровня топлива - Gauge Assy, Fuel (<-5850-92D50 ) (Gauge Assy, Fuel)

под заказ7540 руб.
865850-92D52-000

   (актуальный код замены) Прибор - измеритель уровня топлива - Gauge Assy, Fuel

под заказ7540 руб.
965855-92D10-000

Крышка прибора - Cover, Gauge (Cover, Gauge)

под заказ0 руб.
1065854-92D20-000

Прокладка - Gasket (Gasket)

под заказ0 руб.
1165853-92D00-000

Lens - Lens (Lens)

под заказ0 руб.
1265854-92D30-000

Запчасть снята с производства - The Spare Part Is Laid Off (The Spare Part Is Laid Off)

под заказ0 руб.
1303222-04083-000

Винт - Screw (Screw)

под заказ140 руб.
1303221-0408A-000

   (актуальный код замены) Винт - Screw

под заказ140 руб.
1303221-0408A-000

Винт - Screw (Screw)

под заказ140 руб.
1465864-92D00-000

Запчасть снята с производства - The Spare Part Is Laid Off (The Spare Part Is Laid Off)

под заказ0 руб.
1565866-92D00-000

Push Гайка - Push Nut (Nut, push ) (Push Nut)

под заказ0 руб.
1665871-92D00-000

Прокладка, Fuel Gauge - Gasket, Fuel Gauge (Gasket, Fuel Gauge)

под заказ660 руб.
1765700-98522-000

Топливный шланг (от бака до коннектораector) - Hose, Fuel (tank To Connector) (<-5700-98521) (Hose, Fuel (tank To Connector))

под заказ0 руб.
1765700-98527-000

   (актуальный код замены) Запчасть снята с производства - The Spare Part Is Laid Off

под заказ0 руб.
1765700-98526-000

Топливный шланг (от бака до коннектораector) - Hose, Fuel (tank To Connector) (Hose, Fuel (tank To Connector))

под заказ0 руб.
1765700-98527-000

   (актуальный код замены) Запчасть снята с производства - The Spare Part Is Laid Off

под заказ0 руб.
1865750-98505-000

Разъём топливного шланга - Socket, Fuel Hose (Socket, fuel hose (out) ) (Socket, Fuel Hose)

2 шт3240 руб.
1865750-98506-000

   (актуальный код замены) Разъём топливного шланга - Socket, Fuel Hose

под заказ3240 руб.
1965770-99703-000

Запчасть снята с производства - The Spare Part Is Laid Off (<-5770-98521) (The Spare Part Is Laid Off)

под заказ0 руб.
1965770-99704-000

   (актуальный код замены) Запчасть снята с производства - The Spare Part Is Laid Off

под заказ0 руб.
2065781-98500-000

Зажим топливного шланга - Clip, Fuel Hose (Clip, Fuel Hose)

9 шт350 руб.
2109401-11403-000

Зажим - Clip (Clip ) (Clip)

под заказ190 руб.
2202112-06107-000

Винт - Screw (Screw)

под заказ120 руб.
2309168-06026-000

Прокладка (6.4x11.5x0.8) - Gasket (64x115x08) (Gasket (6.4x11.5x0.8))

под заказ240 руб.
2465880-98500-000

выход в сборе, Separate Tank - Outlet Assy, Separate Tank (Outlet, separate tank ) (Outlet Assy, Separate Tank)

под заказ0 руб.
2565830-93301-000

Запчасть снята с производства - The Spare Part Is Laid Off (The Spare Part Is Laid Off)

под заказ0 руб.
2602112-05087-000

Винт - Screw (Screw)

под заказ120 руб.
2708321-01057-000

Шайба с блокировкой - Washer, Lock (Washer, Lock)

под заказ140 руб.
2708321-0105A-000

   (актуальный код замены) Шайба с блокировкой - Washer, Lock

под заказ140 руб.
2708321-0105A-000

Шайба с блокировкой - Washer, Lock (Washer, Lock)

под заказ140 руб.
2808322-01057-000

Шайба - Washer (Washer, front hook holder ) (Washer)

под заказ140 руб.
2965871-93010-000

Прокладка, Fuel Gauge - Gasket, Fuel Gauge (Gasket, fuel gauge ) (Gasket, Fuel Gauge)

под заказ240 руб.
3065720-98520-000

Разъем топливного коннектора - Plug, Fuel Connector (Plug, Fuel Connector)

под заказ3170 руб.
3065720-985L1-000

   (актуальный код замены) Разъем топливного коннектора - Plug, Fuel Connector

5 шт3950 руб.
30SK65720-98520

   (не оригинальный аналог) Коннектор топливный Skipper для Suzuki DT2-65, DF9.9-15 "папа", 6 мм

0 шт836 руб.
30SF80210-1

   (не оригинальный аналог) Адаптер топливный SUNFINE тип Suzuki, 7.5мм, 6720-98521

под заказ1270 руб.
3065720-985L1-000

Разъем топливного коннектора - Plug, Fuel Connector (Plug, Fuel Connector)

5 шт3950 руб.
3109140-10032-000

Гайка - Nut (Nut)

10 шт160 руб.
3261441-98500-000

Маркировка, Ornament - Mark, Ornament (Mark, Ornament)

под заказ0 руб.
3365316-93331-000

Маркировка, Fuel Caution - Mark, Fuel Caution (Mark, fuel caution ) (Mark, Fuel Caution)

под заказ0 руб.
3465317-98520-000

Маркировка, Fuel Колпачокacity (15l) - Mark, Fuel Capacity (15l) (Mark, fuel capacity (15l) ) (Mark, Fuel Capacity (15l))

под заказ0 руб.


Время выполнения запроса 1.0151388645172 сек.

 
 

данный сайт носит информационный характер и не является публичной офертой

склад запчастей для водомоторной техники