| |
 |
|
 |
Вернуться к выбору узлов мотора
ДЕТАЛИРОВКА ДЛЯ МОДЕЛИ: SUZUKI DT8C VP/DT8CE VP
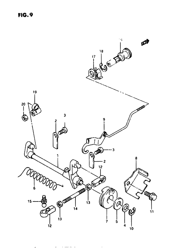
Вал дросселя
Год выпуска двигателя: 1993
Цвет: California Gray Metallic
Номер на рисунке | Артикул | Наименование | QTY | Кол-во на складе | Цена |
| 1 | 19110-92D00-000 | Запчасть снята с производства - The Spare Part Is Laid Off (MODEL:91~97) (The Spare Part Is Laid Off) | | под заказ | 0 руб. |
| 1 | 19110-92D10-000 | Запчасть снята с производства - The Spare Part Is Laid Off (MODEL:88~90) (The Spare Part Is Laid Off) | | под заказ | 0 руб. |
| 1 | 19110-92D00-000 | (актуальный код замены) Запчасть снята с производства - The Spare Part Is Laid Off | | под заказ | 0 руб. |
| 2 | 19115-92D00-000 | Держатель, Вал дросселя - Holder, Throttle Shaft (Holder, throttle shaft ) (Holder, Throttle Shaft) | | под заказ | 0 руб. |
| 3 | 02112-06107-000 | Винт - Screw (Screw) | | под заказ | 120 руб. |
| 4 | 09160-08082-000 | Шайба (8.5x16x1.2) - Washer (85x16x12) (<-09160-08015 ) (Washer (8.5x16x1.2)) | | 13 шт | 120 руб. |
| 5 | 09161-08082-000 | | | под заказ | нет сведений |
| 6 | 19117-92D00-000 | Пружина, Вал дросселя - Spring, Throttle Shaft (Spring, throttle shaft ) (Spring, Throttle Shaft) | | под заказ | 0 руб. |
| 7 | 19148-92D00-000 | Запчасть снята с производства - The Spare Part Is Laid Off (The Spare Part Is Laid Off) | | под заказ | 0 руб. |
| 8 | 19184-92D01-000 | Запчасть снята с производства - The Spare Part Is Laid Off (The Spare Part Is Laid Off) | | под заказ | 0 руб. |
| 9 | 19830-92D00-000 | Тяга, Slow Adjust - Rod, Slow Adjust (Rod, slow adjust ) (Rod, Slow Adjust) | | под заказ | 0 руб. |
| 10 | 09383-07001-000 | Запчасть снята с производства - The Spare Part Is Laid Off (The Spare Part Is Laid Off) | | под заказ | 0 руб. |
| 11 | 02162-06127-000 | Винт - Screw (Screw) | | под заказ | 150 руб. |
| 12 | 19131-95502-000 | Коннектор - Connector (Connector, oil pump no.2 ) (Connector) | | 21 шт | 530 руб. |
| 13 | 09140-05005-000 | Гайка - Nut (Nut) | | 10 шт | 270 руб. |
| 14 | 19171-92D10-000 | Тяга, Стартер - Rod, Starter (Rod, control # <-19171-92D01 ) (Rod, Starter) | | под заказ | 0 руб. |
| 15 | 09119-05010-000 | Стержень - Pivot (Pivot, throttle lever ) (Pivot) | | под заказ | 500 руб. |
| 16 | 19841-92D00-000 | Запчасть снята с производства - The Spare Part Is Laid Off (The Spare Part Is Laid Off) | | под заказ | 0 руб. |
| 17 | 19845-92D01-000 | Notch, Slow Adjust - Notch, Slow Adjust (Notch, slow adjust ) (Notch, Slow Adjust) | | под заказ | 400 руб. |
| 18 | 09383-08005-000 | Уплотнительное кольцо - E Ring (E ring, throttle drum ) (E Ring) | | под заказ | 210 руб. |
| 19 | 67467-92D00-000 | Коннектор, Carb Тяга - Connector, Carb Rod (Connector, carb rod ) (Connector, Carb Rod) | | под заказ | 730 руб. |
| 20 | 09140-05005-000 | Гайка - Nut (<-09140-05001 ) (Nut) | | 10 шт | 270 руб. |
Время выполнения запроса 1.5599000453949 сек. |
|