Найти запчасти на подвесной лодочный мотор SUZUKI - Magneto / Магнето
вконтакте

Контактный телефон: +7 (981) 121-46-93, +7 (800) 200-90-76 , Email: parts-katalog@yandex.ru, где купить

 
 

  Логин:

Пароль:

Регистрация

www.partskatalog.ru Все каталоги Запчасти Mercury Запчасти Suzuki Запчасти Tohatsu Запчасти Honda Контакты



УВАЖАЕМЫЕ КЛИЕНТЫ!
C 19 ДЕКАБРЯ 2025 ПО 02 МАРТА 2026 ГОДА ОТДЕЛ ЗАПЧАСТЕЙ И СЕРВИС РАБОТАТЬ НЕ БУДУТ
ПРОДАЖА ЛОДОЧНЫХ МОТОРОВ В ШТАТНОМ РЕЖИМЕ
ОБ ИЗМЕНЕНИЯХ В ГРАФИКЕ РАБОТЫ ЧИТАЙТЕ НА САЙТА



назад Раздел:   вперёд

Вернуться к выбору узлов мотора


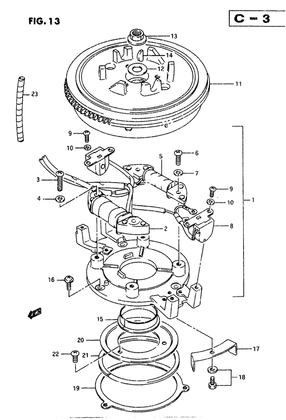
ДЕТАЛИРОВКА ДЛЯ МОДЕЛИ: SUZUKI DT8CEVT(88-97) T

Магнето


Год выпуска двигателя: 1996

Номер на
рисунке
АртикулНаименованиеQTYКол-во
на складе
Цена
132101-92D01-000

Запчасть снята с производства - The Spare Part Is Laid Off (Electric starter) (The Spare Part Is Laid Off)

под заказ0 руб.
132101-92D13-000

   (актуальный код замены) Запчасть снята с производства - The Spare Part Is Laid Off

под заказ0 руб.
132101-92D11-000

Запчасть снята с производства - The Spare Part Is Laid Off (Manual starter) (The Spare Part Is Laid Off)

под заказ0 руб.
132101-92D13-000

   (актуальный код замены) Запчасть снята с производства - The Spare Part Is Laid Off

под заказ0 руб.
132101-92D13-000

Запчасть снята с производства - The Spare Part Is Laid Off (Stator assy; Manual starter model:94~97) (The Spare Part Is Laid Off)

под заказ0 руб.
232200-92D20-000

Set, Lighting Coil - Set, Lighting Coil (Coil, lighting ) (Set, Lighting Coil)

под заказ0 руб.
302112-06257-000

Винт - Screw (Screw)

под заказ130 руб.
408321-01067-000

Шайба с блокировкой - Washer, Lock (Washer, Lock)

под заказ140 руб.
532140-92D20-000

Запчасть снята с производства - The Spare Part Is Laid Off (Model:96) (The Spare Part Is Laid Off)

под заказ0 руб.
602112-06207-000

Винт - Screw (Screw)

под заказ130 руб.
708321-01067-000

Шайба с блокировкой - Washer, Lock (Washer, Lock)

под заказ140 руб.
832160-92D10-000

Запчасть снята с производства - The Spare Part Is Laid Off (The Spare Part Is Laid Off)

под заказ0 руб.
902112-05107-000

Винт - Screw (Screw, bracket ) (Screw)

под заказ120 руб.
1008322-01057-000

Шайба - Washer (Washer, front hook holder ) (Washer)

под заказ140 руб.
1132102-92D02-000

Запчасть снята с производства - The Spare Part Is Laid Off (102-92d12) (The Spare Part Is Laid Off)

под заказ0 руб.
1209160-12080-000

Шайба (12x25x4) - Washer (12x25x4) (Washer, flywheel ) (Washer (12x25x4))

под заказ320 руб.
1309140-12038-000

Гайка - Nut (Nut)

9 шт240 руб.
1408341-31039-000

Ключ - Key (Key)

86 шт180 руб.
1532390-92D00-000

Запчасть снята с производства - The Spare Part Is Laid Off (The Spare Part Is Laid Off)

под заказ0 руб.
1602142-05123-000

Винт - Screw (Screw)

под заказ110 руб.
1602142-0512A-000

   (актуальный код замены) Винт - Screw

под заказ110 руб.
1602142-0512A-000

Винт - Screw (Screw, lower ) (Screw)

под заказ110 руб.
1719172-92D21-000

Запчасть снята с производства - The Spare Part Is Laid Off (Dt8c) (The Spare Part Is Laid Off)

под заказ0 руб.
1719172-92D22-000

   (актуальный код замены) Запчасть снята с производства - The Spare Part Is Laid Off

под заказ0 руб.
1719172-92D22-000

Запчасть снята с производства - The Spare Part Is Laid Off (Dt8c, model:96, 97) (The Spare Part Is Laid Off)

под заказ0 руб.
1719172-92D12-000

Стопор, Стартер - Stopper, Starter (Dt9.9c) (Stopper, Starter)

под заказ480 руб.
1719172-92D13-000

   (актуальный код замены) Стопор, Стартер - Stopper, Starter

под заказ480 руб.
1719172-92D13-000

Стопор, Стартер - Stopper, Starter (Stopper, Starter)

под заказ480 руб.
1719172-92D13-000

Стопор, Стартер - Stopper, Starter (Model:96, 97 ) (Stopper, Starter)

под заказ480 руб.
1802162-05107-000

Винт - Screw (Screw)

под заказ150 руб.
1919181-92D00-000

Friction, Стартер - Friction, Starter (Friction, Starter)

под заказ0 руб.
2019151-92D00-000

Фиксатор, Стартер - Retainer, Starter (Retainer, Starter)

под заказ0 руб.
2119161-92D00-000

Проставка, Стартер - Spacer, Starter (Spacer, Starter)

под заказ0 руб.
2209125-06063-000

Винт (6x10) - Screw (6x10) (Screw (6x10))

6 шт190 руб.
2202112-06107-000

Винт - Screw (Screw; Model:94~97 ) (Screw)

под заказ120 руб.
2338423-95510-000

Трубка провода переключателя (l: 250) - Tube, Switch Lead (l:250) (Tube; L:150->100) (Tube, Switch Lead (l:250))

под заказ610 руб.
2333833-91J00-000

   (актуальный код замены) Трубка провода переключателя (l: 250) - Tube, Switch Lead (l:250)

под заказ610 руб.
2333833-91J00-000

Трубка провода переключателя (l: 250) - Tube, Switch Lead (l:250) (Tube, Switch Lead (l:250))

под заказ610 руб.


Время выполнения запроса 1.8085780143738 сек.

 
 

данный сайт носит информационный характер и не является публичной офертой

склад запчастей для водомоторной техники