Оригинальные запчасти на лодочный подвесной мотор Suzuki - Электрика
вконтакте

Контактный телефон: +7 (981) 121-46-93, +7 (800) 200-90-76 , Email: parts-katalog@yandex.ru, где купить

 
 

  Логин:

Пароль:

Регистрация

www.partskatalog.ru Все каталоги Запчасти Mercury Запчасти Suzuki Запчасти Tohatsu Запчасти Honda Контакты

назад Раздел:   вперёд

Вернуться к выбору узлов мотора


ДЕТАЛИРОВКА ДЛЯ МОДЕЛИ: SUZUKI DT8ST(G-Y) T

Электрика


Год выпуска двигателя: 1996

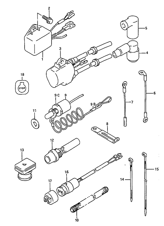
Номер на
рисунке
АртикулНаименованиеQTYКол-во
на складе
Цена
132900-98120-000

Модуль C.D.I. - Unit, Cdi (Cdi unit ) (Unit, Cdi)

под заказ31680 руб.
201550-06207-000

Болт - Bolt (Bolt)

17 шт220 руб.
333410-98110-000

Катушка зажигания - Coil, Ignition (Coil, Ignition)

под заказ0 руб.
433510-98600-000

Колпачок свечи зажигания - Cap, Spark Plug (Cap, spark plug;) (Cap, Spark Plug)

под заказ2860 руб.
433510-98601-000

   (актуальный код замены) Колпачок свечи зажигания - Cap, Spark Plug

под заказ2860 руб.
433510-98601-000

Колпачок свечи зажигания - Cap, Spark Plug (Cap, Spark Plug)

под заказ2860 руб.
533510-95520-000

Колпачок свечи зажигания - Cap, Spark Plug (Cap, spark plug # Cap, spark plug; E40 ) (Cap, Spark Plug)

1 шт2100 руб.
636895-94400-000

Lead, Двигатель Заземление - Lead, Engine Ground (Lead, engine ground # Lead, engine ground; ) (Lead, Engine Ground)

под заказ280 руб.
737801-98300-000

Провод выключателя двигателя - Lead, Stop Switch (Lead, rect & reg gnd # Lead, stop sw; ) (Lead, Stop Switch)

под заказ320 руб.
737801-98301-000

   (актуальный код замены) Провод выключателя двигателя - Lead, Stop Switch

под заказ320 руб.
809404-06432-000

Струбцина (l: 65) - Clamp (l:65) (Clamp (l:80) ) (Clamp (l:65))

8 шт170 руб.
809404-06039-000

   (актуальный код замены) Струбцина (l: 65) - Clamp (l:65)

под заказ170 руб.
937830-89E00-000

Выключатель аварийной остановки двигателя - Switch Assy, Emergency & Stop (Switch, emergency & stop;) (Switch Assy, Emergency & Stop)

под заказ7640 руб.
937830-89E04-000

   (актуальный код замены) Выключатель аварийной остановки двигателя - Switch Assy, Emergency & Stop

под заказ7640 руб.
937830-89E03-000

Выключатель аварийной остановки двигателя - Switch Assy, Emergency & Stop (Switch Assy, Emergency & Stop)

9 шт7640 руб.
937830-89E04-000

   (актуальный код замены) Выключатель аварийной остановки двигателя - Switch Assy, Emergency & Stop

под заказ7640 руб.
937823-92E00-000

Пластина блокировки аварийного выключателя - Plate Assy, Emergency Sw Lock (Plate, lock;) (Plate Assy, Emergency Sw Lock)

под заказ2570 руб.
937823-92E02-000

   (актуальный код замены) Пластина блокировки аварийного выключателя - Plate Assy, Emergency Sw Lock

3 шт2770 руб.
937823-92E01-000

Пластина блокировки аварийного выключателя - Plate Assy, Emergency Sw Lock (Plate Assy, Emergency Sw Lock)

под заказ2570 руб.
937823-92E02-000

   (актуальный код замены) Пластина блокировки аварийного выключателя - Plate Assy, Emergency Sw Lock

3 шт2770 руб.
937826-92E00-000

Гайка - Nut (Nut)

под заказ740 руб.
1033446-98E20-000

Защита (l: 500) - Protector (l:500) (Tube, high tension cord # Tube, sw wire; L:500->100, ) (Protector (l:500))

под заказ370 руб.
1109160-12067-000

Шайба (12.5x23x1) - Washer (125x23x1) (Washer, emergency sw # Washer; ) (Washer (12.5x23x1))

8 шт230 руб.
1237800-98572-000

Переключатель в сборе, Stop - Switch Assy, Stop (Switch assy, engine stop # E40, -model:97 ) (Switch Assy, Stop)

под заказ0 руб.
1339603-94400-000

Пыльник розеткиe - Grommet, Receptaclee (Grommet, receptacle cable # Grommet, receptacle; ) (Grommet, Receptaclee)

1 шт840 руб.
1339603-94401-000

   (актуальный код замены) Пыльник розеткиe - Grommet, Receptaclee

под заказ840 руб.
1409407-14403-000

Струбцина (l: 125) - Clamp (l:125) (Clamp, spark plug cap ) (Clamp (l:125))

под заказ170 руб.
1509407-25402-000

Струбцина (l: 250) - Clamp (l:250) (Clamp, tilt sw # Clamp; ) (Clamp (l:250))

под заказ350 руб.
1639601-95D00-000

Внешняя розетка - Receptacle (Receptacle assy, lighting # Receptacle, lighting; ) (Receptacle)

под заказ4660 руб.
1639601-95D01-000

   (актуальный код замены) Внешняя розетка - Receptacle

под заказ4660 руб.
1736634-93910-000

Колпачок - Cap (Cap)

под заказ340 руб.
1837835-95D00-000

Наклейка СТОП - Label, Stop (Label, Stop)

под заказ130 руб.
1837835-91J00-YAY

   (актуальный код замены) Наклейка СТОП - Label, Stop

под заказ130 руб.


Время выполнения запроса 1.24649310112 сек.

 
 

данный сайт носит информационный характер и не является публичной офертой

склад запчастей для водомоторной техники