Подобрать запчасти на двигатель Suzuki модель 1998 года - Cylinder
вконтакте

Контактный телефон: +7 (981) 121-46-93, +7 (800) 200-90-76 , Email: parts-katalog@yandex.ru, где купить

 
 

  Логин:

Пароль:

Регистрация

www.partskatalog.ru Все каталоги Запчасти Mercury Запчасти Suzuki Запчасти Tohatsu Запчасти Honda Контакты



УВАЖАЕМЫЕ КЛИЕНТЫ!
C 19 ДЕКАБРЯ 2025 ПО 02 МАРТА 2026 ГОДА ОТДЕЛ ЗАПЧАСТЕЙ И СЕРВИС РАБОТАТЬ НЕ БУДУТ
ПРОДАЖА ЛОДОЧНЫХ МОТОРОВ В ШТАТНОМ РЕЖИМЕ
ОБ ИЗМЕНЕНИЯХ В ГРАФИКЕ РАБОТЫ ЧИТАЙТЕ НА САЙТА



назад Раздел:   вперёд

Вернуться к выбору узлов мотора


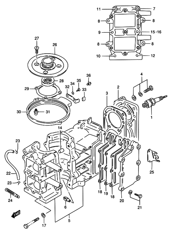
ДЕТАЛИРОВКА ДЛЯ МОДЕЛИ: SUZUKI DT8S W

Цилиндр


Год выпуска двигателя: 1998

Регион: General Export No.1 ,Код региона: P01

Цвет: California Gray Metallic

Номер на
рисунке
АртикулНаименованиеQTYКол-во
на складе
Цена
109482-00229-000

Запчасть снята с производства - The Spare Part Is Laid Off (DT8) (The Spare Part Is Laid Off)

под заказ0 руб.
109482-00259-000

Свеча зажигания (bp6hs) - Plug, Spark (bp6hs) (DT8 E13, E40 ) (Plug, Spark (bp6hs))

под заказ0 руб.
109482-00338-000

Свеча зажигания (b6hs-10) - Plug, Spark (b6hs-10) (DT6) (Plug, Spark (b6hs-10))

под заказ540 руб.
109482-00534-000

   (актуальный код замены) Свеча зажигания (b6hs-10) - Plug, Spark (b6hs-10)

под заказ540 руб.
109482-00534-000

Свеча зажигания (b6hs-10) - Plug, Spark (b6hs-10) (Plug, Spark (b6hs-10))

под заказ540 руб.
109482-00535-000

Свеча зажигания (br6hs-10) - Plug, Spark (br6hs-10) (Spark plug, br6hs # DT6, MODEL:93, 94 ) (Plug, Spark (br6hs-10))

под заказ0 руб.
211110-98100-0ED

Запчасть снята с производства - The Spare Part Is Laid Off (<-1110-98100-02M <-1110-98100-01T) (The Spare Part Is Laid Off)

под заказ0 руб.
311141-98130-000

Прокладка головки блока цилиндра - Gasket, Cylinder Head (Gasket, cylinder head # <-1141-98120 ) (Gasket, Cylinder Head)

под заказ2760 руб.
401560-08357-000

Болт - Bolt (Bolt)

7 шт260 руб.
511301-98151-0ED

Запчасть снята с производства - The Spare Part Is Laid Off (DT6 E28) (The Spare Part Is Laid Off)

под заказ0 руб.
511301-98154-0ED

   (актуальный код замены) Запчасть снята с производства - The Spare Part Is Laid Off

под заказ0 руб.
511301-98182-0ED

Запчасть снята с производства - The Spare Part Is Laid Off (DT6 <-1301-98181-0ED) (The Spare Part Is Laid Off)

под заказ0 руб.
511301-98183-0ED

   (актуальный код замены) Запчасть снята с производства - The Spare Part Is Laid Off

под заказ0 руб.
511301-98195-0ED

Цилиндр в сборе (gray) - Cylinder Assy (gray) (Cylinder / crankcase assy # DT8 <-1301-98194-0ED ) (Cylinder Assy (gray))

под заказ0 руб.
616710-95D10-000

Контрольный клапан - Valve, Check (DT6 <-6710-98600 ) (Valve, Check)

под заказ2330 руб.
701570-06507-000

Болт - Bolt (Bolt)

под заказ230 руб.
801570-06307-000

Болт - Bolt (Bolt)

под заказ230 руб.
901570-06757-000

Болт - Bolt (Bolt)

под заказ260 руб.
1001570-06607-000

Болт - Bolt (Bolt)

под заказ260 руб.
1101570-06557-000

Болт - Bolt (Bolt)

под заказ230 руб.
1201570-06657-000

Болт - Bolt (Bolt)

под заказ260 руб.
1201560-06657-000

   (актуальный код замены) Болт - Bolt

под заказ260 руб.
1201560-06657-000

Болт - Bolt (Bolt)

под заказ260 руб.
1404211-09109-000

Штифт - Pin (Knock pin ) (Pin)

под заказ120 руб.
1501570-06757-000

Болт - Bolt (E01, E02, E06, E17 ) (Bolt)

под заказ260 руб.
1609100-06060-000

Запчасть снята с производства - The Spare Part Is Laid Off (E07, E13, E38, E40) (The Spare Part Is Laid Off)

под заказ0 руб.
1708321-01067-000

Шайба с блокировкой - Washer, Lock (E07, E13, E38, E40 ) (Washer, Lock)

под заказ140 руб.
1814151-98111-000

Прокладка кожуха выхлопной трубы - Gasket, Exhaust Cover (Gasket, exhaust cover # <-4151-98100 ) (Gasket, Exhaust Cover)

под заказ1180 руб.
1914131-98102-000

Пластина, Кожух выхлопной трубы - Plate, Exhaust Cover (<-4131-98101 ) (Plate, Exhaust Cover)

под заказ0 руб.
2014141-98100-0ED

Выхлопная крышка (gray) - Cover, Exhaust (gray) (<-4141-98100-02M <-4141-98100-01T ) (Cover, Exhaust (gray))

под заказ0 руб.
2101550-06257-000

Болт - Bolt (Bolt)

под заказ180 руб.
2209355-25705-600

Шланг (2.5x7x600) - Hose (25x7x600) (Hose, out no.4 (2.5x7x300) # DT6 L:600->40 ) (Hose (2.5x7x600))

под заказ680 руб.
2209355-25001-600

   (актуальный код замены) Шланг - Hose

под заказ680 руб.
2309401-06101-000

Зажим - Clip (DT6 ) (Clip)

под заказ160 руб.
2409404-06432-000

Струбцина (l: 65) - Clamp (l:65) (Clamp (l:80) # DT6 ) (Clamp (l:65))

8 шт170 руб.
2409404-06039-000

   (актуальный код замены) Струбцина (l: 65) - Clamp (l:65)

под заказ170 руб.
2533883-98102-0ED

Станина, High Tension Cord - Stay, High Tension Cord (Stay, high tension cord # <-3883-98102-02M <-3883-98102-01T ) (Stay, High Tension Cord)

под заказ0 руб.
2611411-98500-000

Корпус верхнего сальника - Housing, Upr Oil Seal (Housing, Upr Oil Seal)

под заказ0 руб.
2709126-06008-000

Винт (6x16) - Screw (6x16) (<-2122-06162 ) (Screw (6x16))

под заказ220 руб.
2809283-20006-000

Сальник (20x37x7) - Seal, Oil (20x37x7) (Oil seal, upper crank shaft ) (Seal, Oil (20x37x7))

10 шт530 руб.
2911413-98510-000

Прокладка верхнего корпуса сальника - Gasket, Upr Oil Seal Hsg (Gasket, upper oil seal hsg # <-1413-98500 ) (Gasket, Upr Oil Seal Hsg)

под заказ480 руб.
3019151-98101-0ED

Фиксатор, Стартер - Retainer, Starter (<-9151-98101-02M <-9151-98101-01T ) (Retainer, Starter)

под заказ0 руб.
3109119-06047-000

Стержень - Pivot (Pivot, ball ) (Pivot)

21 шт520 руб.
3219172-98102-000

Стопор, Фиксатор - Stopper, Retainer (Stopper, retainer ) (Stopper, Retainer)

под заказ0 руб.
3309352-50823-600

Шланг (5x8.2x600) - Hose (5x82x600) (Hose, evapotation (5.0x8.2x600) # L:600->.5 ) (Hose (5x8.2x600))

под заказ640 руб.
3309352-50005-600

   (актуальный код замены) Шланг (5x8.2x600) - Hose (5x8.2x600)

под заказ640 руб.
3409160-05028-000

Шайба (5.5x10x0.8) - Washer (55x10x08) (MODEL:86 ) (Washer (5.5x10x0.8))

под заказ120 руб.
3502112-05127-000

Винт - Screw (Screw, vacuum sw valve # MODEL:86 ) (Screw)

31 шт150 руб.
3609136-05042-000

Запчасть снята с производства - The Spare Part Is Laid Off (MODEL:87~94) (The Spare Part Is Laid Off)

под заказ0 руб.


Время выполнения запроса 2.4031209945679 сек.

 
 

данный сайт носит информационный характер и не является публичной офертой

склад запчастей для водомоторной техники