| |
 |
|
 |
Вернуться к выбору узлов мотора
ДЕТАЛИРОВКА ДЛЯ МОДЕЛИ: SUZUKI DT8SX(G-Y) X
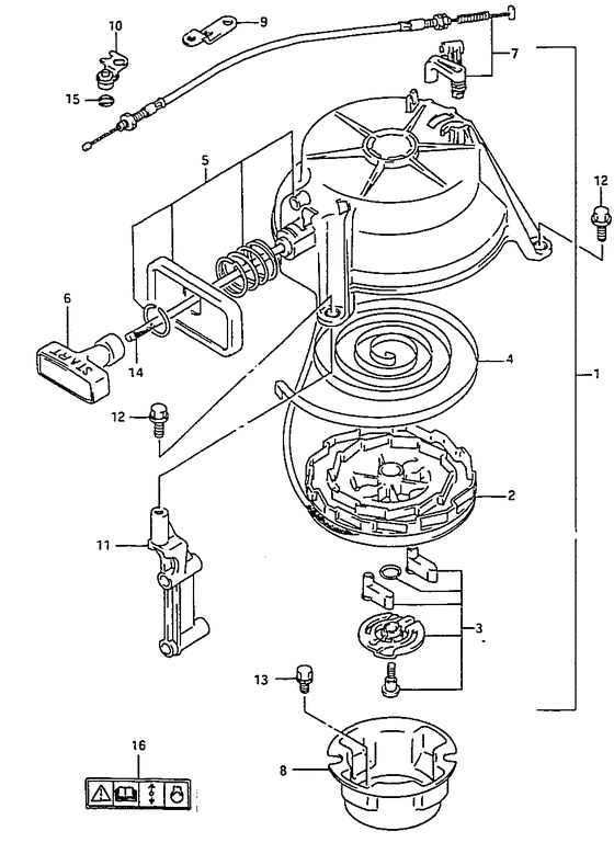
Стартер
Год выпуска двигателя: 1999
Номер на рисунке | Артикул | Наименование | QTY | Кол-во на складе | Цена |
| 1 | 18100-98131-000 | Барабанный стартер в сборе - Starter Assy, Recoil (Starter assy, recoil ) (Starter Assy, Recoil) | | под заказ | 0 руб. |
| 1 | 18100-98140-000 | Запчасть снята с производства - The Spare Part Is Laid Off (Non nsi, e40, model:95-97) (The Spare Part Is Laid Off) | | под заказ | 0 руб. |
| 2 | 18120-98130-000 | Барабан - Reel (Reel) | | 1 шт | 5480 руб. |
| 3 | 18130-98130-000 | Храповик, установочный комплект - Ratchet Set (Ratchet Set) | | 104 шт | 1350 руб. |
| 4 | 18142-98130-000 | Спиральная пружина - Spring, Spiral (Spring, Spiral) | | под заказ | 1560 руб. |
| 4 | 18142-92920-000 | (актуальный код замены) Спиральная пружина - Spring, Spiral | | под заказ | 1770 руб. |
| 4 | 18142-92920-000 | Спиральная пружина - Spring, Spiral (Spring, spiral ) (Spring, Spiral) | | под заказ | 1770 руб. |
| 5 | 18190-98130-000 | Направляющая Set - Guide Set (Guide Set) | | под заказ | 0 руб. |
| 6 | 18210-98130-000 | Рукоятка в сборе - Grip Assy (Grip # Knob; ) (Grip Assy) | | 2 шт | 1230 руб. |
| 7 | 18200-98810-000 | Nsi Set - Nsi Set (For nsi, ) (Nsi Set) | | под заказ | 4680 руб. |
| 7 | 18280-98131-000 | Nsi Set - Nsi Set (Dt5:652202~, dt6:652456~, dt8:652494- ) (Nsi Set) | | под заказ | 0 руб. |
| 8 | 18411-98110-000 | Чаша стартера - Cup, Starter (Cup, Starter) | | 1 шт | 0 руб. |
| 9 | 18642-98101-000 | Держатель кабеля - Holder, Cable (Holder, interlock cable # Holder, interlock cable; ) (Holder, Cable) | | под заказ | 0 руб. |
| 10 | 18650-98101-000 | Рычаг, Interlock - Arm, Interlock (Arm, interlock # Arm, interlock; ) (Arm, Interlock) | | под заказ | 0 руб. |
| 11 | 18711-98100-0ED | Brace, Барабанный стартер - Brace, Recoil Starter (Brace, recoil starter ) (Brace, Recoil Starter) | | под заказ | 2120 руб. |
| 12 | 02162-06207-000 | Винт - Screw (Bolt ) (Screw) | | под заказ | 150 руб. |
| 13 | 01570-06127-000 | Болт - Bolt (Bolt, remocon cable stopper ) (Bolt) | | под заказ | 190 руб. |
| 14 | 99000-81157-50M | Шнур стартера 4 ммdia, 50m Role - Starter Rope 4mmdia, 50m Role (Opt, l:50000->1450 ) (Starter Rope 4mmdia, 50m Role) | | 1 шт | 17520 руб. |
| 15 | 18653-98110-000 | Пружинное кольцо - Ring, Snap (Ring, Snap) | | под заказ | 340 руб. |
| 16 | 69711-93E00-000 | Наклейки, S.i.g.p. - Label, Sigp (Label, S.i.g.p.) | | под заказ | 500 руб. |
| 16 | 69711-93E11-000 | (актуальный код замены) Наклейки (s.i.g.p.) - Label (s.i.g.p.) | | под заказ | 500 руб. |
| 16 | 69711-93E10-000 | Наклейки, S.i.g.p. - Label, Sigp (Label, caution ) (Label, S.i.g.p.) | | под заказ | 500 руб. |
| 16 | 69711-93E11-000 | (актуальный код замены) Наклейки (s.i.g.p.) - Label (s.i.g.p.) | | под заказ | 500 руб. |
Время выполнения запроса 1.7004959583282 сек. |
|