Подобрать оригинальные запчасти на лодочный мотор Suzuki - Cylinder
вконтакте

Контактный телефон: +7 (981) 121-46-93, +7 (800) 200-90-76 , Email: parts-katalog@yandex.ru, где купить

 
 

  Логин:

Пароль:

Регистрация

www.partskatalog.ru Все каталоги Запчасти Mercury Запчасти Suzuki Запчасти Tohatsu Запчасти Honda Контакты



УВАЖАЕМЫЕ КЛИЕНТЫ!
C 19 ДЕКАБРЯ 2025 ПО 02 МАРТА 2026 ГОДА ОТДЕЛ ЗАПЧАСТЕЙ И СЕРВИС РАБОТАТЬ НЕ БУДУТ
ПРОДАЖА ЛОДОЧНЫХ МОТОРОВ В ШТАТНОМ РЕЖИМЕ
ОБ ИЗМЕНЕНИЯХ В ГРАФИКЕ РАБОТЫ ЧИТАЙТЕ НА САЙТА



назад Раздел:   вперёд

Вернуться к выбору узлов мотора


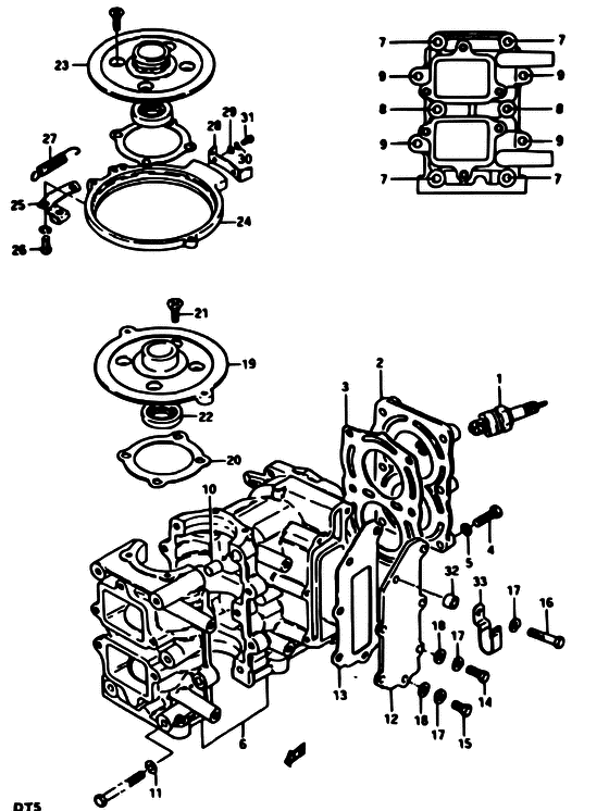
ДЕТАЛИРОВКА ДЛЯ МОДЕЛИ: SUZUKI DT9 F

Цилиндр


Год выпуска двигателя: 1985

Номер на
рисунке
АртикулНаименованиеQTYКол-во
на складе
Цена
109482-00084-000

Свеча зажигания (bp6hs) - Plug, Spark (bp6hs) (Spark plug assy # E13, BP6HS, NGK ) (Plug, Spark (bp6hs))

под заказ600 руб.
109482-00141-000

Свеча зажигания (bpr6hs) - Plug, Spark (bpr6hs) (BPR6HS, NGK ) (Plug, Spark (bpr6hs))

под заказ820 руб.
211111-98500-01J

Запчасть снята с производства - The Spare Part Is Laid Off (TO 11111-98501-01J) (The Spare Part Is Laid Off)

под заказ0 руб.
211111-98501-01J

   (актуальный код замены) Запчасть снята с производства - The Spare Part Is Laid Off

под заказ0 руб.
211111-98501-01J

Запчасть снята с производства - The Spare Part Is Laid Off (The Spare Part Is Laid Off)

под заказ0 руб.
311141-98500-000

Прокладка головки блока цилиндра - Gasket, Cylinder Head (Gasket, Cylinder Head)

под заказ3720 руб.
311141-98560-000

   (актуальный код замены) Прокладка головки блока цилиндра - Gasket, Cylinder Head

под заказ3720 руб.
311141-98560-000

Прокладка головки блока цилиндра - Gasket, Cylinder Head (Gasket, Cylinder Head)

под заказ3720 руб.
401107-06308-000

Болт - Bolt (Bolt)

под заказ190 руб.
401500-06307-000

   (актуальный код замены) Болт - Bolt

под заказ190 руб.
401500-06307-000

Болт - Bolt (Bolt)

под заказ190 руб.
409100-06090-000

Запчасть снята с производства - The Spare Part Is Laid Off (The Spare Part Is Laid Off)

под заказ0 руб.
508321-21068-000

Шайба с блокировкой - Washer, Lock (Washer, Lock)

под заказ140 руб.
508321-01067-000

   (актуальный код замены) Шайба с блокировкой - Washer, Lock

под заказ140 руб.
508321-01067-000

Шайба с блокировкой - Washer, Lock (Washer, Lock)

под заказ140 руб.
611300-98850-01J

под заказнет сведений
614151-98511-000

Прокладка кожуха выхлопной трубы - Gasket, Exhaust Cover (Gasket, Exhaust Cover)

1 шт1080 руб.
608322-01067-000

Шайба - Washer (Washer)

10 шт160 руб.
601500-06167-000

Болт - Bolt (Bolt, fuel cooler ) (Bolt)

под заказ150 руб.
608321-01067-000

Шайба с блокировкой - Washer, Lock (Washer, Lock)

под заказ140 руб.
601500-06167-000

Болт - Bolt (Bolt, fuel cooler ) (Bolt)

под заказ150 руб.
608321-01067-000

Шайба с блокировкой - Washer, Lock (Washer, Lock)

под заказ140 руб.
608322-01067-000

Шайба - Washer (Washer)

10 шт160 руб.
611300-98851-01J

Запчасть снята с производства - The Spare Part Is Laid Off (DT5D-17839~) (The Spare Part Is Laid Off)

под заказ0 руб.
701107-06608-000

Болт (6x60) - Bolt (6x60) (Bolt (6x60))

под заказ160 руб.
709103-06064-000

   (актуальный код замены) Болт (6x60) - Bolt (6x60)

под заказ160 руб.
709103-06064-000

Болт (6x60) - Bolt (6x60) (Bolt (6x60))

под заказ160 руб.
801107-06508-000

Болт - Bolt (Bolt)

под заказ190 руб.
801500-06507-000

   (актуальный код замены) Болт - Bolt

под заказ190 руб.
801500-06507-000

Болт - Bolt (Bolt)

под заказ190 руб.
901107-06308-000

Болт - Bolt (Bolt)

под заказ190 руб.
901500-06307-000

   (актуальный код замены) Болт - Bolt

под заказ190 руб.
901500-06307-000

Болт - Bolt (Bolt)

под заказ190 руб.
1004211-09109-000

Штифт - Pin (Knock pin ) (Pin)

под заказ120 руб.
1108321-21068-000

Шайба с блокировкой - Washer, Lock (Washer, Lock)

под заказ140 руб.
1108321-01067-000

   (актуальный код замены) Шайба с блокировкой - Washer, Lock

под заказ140 руб.
1108321-01067-000

Шайба с блокировкой - Washer, Lock (Washer, Lock)

под заказ140 руб.
1214141-98500-01J

Запчасть снята с производства - The Spare Part Is Laid Off (The Spare Part Is Laid Off)

под заказ0 руб.
1214141-98501-01J

Запчасть снята с производства - The Spare Part Is Laid Off (TO 14141-98502-01J DT5D-17839~) (The Spare Part Is Laid Off)

под заказ0 руб.
1214141-98504-0ED

   (актуальный код замены) Запчасть снята с производства - The Spare Part Is Laid Off

под заказ0 руб.
1214141-98502-01J

Запчасть снята с производства - The Spare Part Is Laid Off (The Spare Part Is Laid Off)

под заказ0 руб.
1214141-98504-0ED

   (актуальный код замены) Запчасть снята с производства - The Spare Part Is Laid Off

под заказ0 руб.
1314151-98500-000

Запчасть снята с производства - The Spare Part Is Laid Off (TO 14151-98501) (The Spare Part Is Laid Off)

под заказ0 руб.
1314151-98501-000

   (актуальный код замены) Запчасть снята с производства - The Spare Part Is Laid Off

под заказ0 руб.
1314151-98501-000

Запчасть снята с производства - The Spare Part Is Laid Off (The Spare Part Is Laid Off)

под заказ0 руб.
1314151-98502-000

Прокладка кожуха выхлопной трубы - Gasket, Exhaust Cover (DT5D-17839~) (Gasket, Exhaust Cover)

под заказ1080 руб.
1314151-98511-000

   (актуальный код замены) Прокладка кожуха выхлопной трубы - Gasket, Exhaust Cover

1 шт1080 руб.
1314151-98511-000

Прокладка кожуха выхлопной трубы - Gasket, Exhaust Cover (Gasket, Exhaust Cover)

1 шт1080 руб.
1401107-06208-000

Болт - Bolt (Bolt)

под заказ150 руб.
1401500-06207-000

   (актуальный код замены) Болт - Bolt

под заказ150 руб.
1401500-06207-000

Болт - Bolt (Bolt)

под заказ150 руб.
1501107-06168-000

Болт - Bolt (DT5D-17839~) (Bolt)

под заказ150 руб.
1501500-06167-000

   (актуальный код замены) Болт - Bolt

под заказ150 руб.
1501500-06167-000

Болт - Bolt (Bolt, fuel cooler ) (Bolt)

под заказ150 руб.
1601107-06308-000

Болт - Bolt (DT5D-17839~) (Bolt)

под заказ190 руб.
1601500-06307-000

   (актуальный код замены) Болт - Bolt

под заказ190 руб.
1601500-06307-000

Болт - Bolt (Bolt)

под заказ190 руб.
1708321-21068-000

Шайба с блокировкой - Washer, Lock (Washer, Lock)

под заказ140 руб.
1708321-01067-000

   (актуальный код замены) Шайба с блокировкой - Washer, Lock

под заказ140 руб.
1708321-01067-000

Шайба с блокировкой - Washer, Lock (Washer, Lock)

под заказ140 руб.
1808322-21068-000

Шайба - Washer (Washer)

под заказ140 руб.
1808322-01067-000

   (актуальный код замены) Шайба - Washer

10 шт160 руб.
1808322-01067-000

Шайба - Washer (Washer)

10 шт160 руб.
1911411-98510-01J

Запчасть снята с производства - The Spare Part Is Laid Off (The Spare Part Is Laid Off)

под заказ0 руб.
2011413-98500-000

Прокладка верхнего корпуса сальника - Gasket, Upr Oil Seal Hsg (Gasket, Upr Oil Seal Hsg)

под заказ480 руб.
2011413-98510-000

   (актуальный код замены) Прокладка верхнего корпуса сальника - Gasket, Upr Oil Seal Hsg

под заказ480 руб.
2011413-98510-000

Прокладка верхнего корпуса сальника - Gasket, Upr Oil Seal Hsg (Gasket, upper oil seal hsg ) (Gasket, Upr Oil Seal Hsg)

под заказ480 руб.
2102122-06168-000

Винт - Screw (Screw)

под заказ120 руб.
2102122-06167-000

   (актуальный код замены) Винт - Screw

под заказ120 руб.
2102122-06167-000

Винт - Screw (Screw)

под заказ120 руб.
2209283-20006-000

Сальник (20x37x7) - Seal, Oil (20x37x7) (Oil seal, upper crank shaft ) (Seal, Oil (20x37x7))

10 шт530 руб.
2311411-98500-000

Корпус верхнего сальника - Housing, Upr Oil Seal (E03 ) (Housing, Upr Oil Seal)

под заказ0 руб.
2419151-98500-01J

Запчасть снята с производства - The Spare Part Is Laid Off (E03) (The Spare Part Is Laid Off)

под заказ0 руб.
2519152-98500-000

Запчасть снята с производства - The Spare Part Is Laid Off (E03) (The Spare Part Is Laid Off)

под заказ0 руб.
2602112-05128-000

Винт - Screw (E03) (Screw)

под заказ150 руб.
2602112-05127-000

   (актуальный код замены) Винт - Screw

31 шт150 руб.
2602112-05127-000

Винт - Screw (Screw, vacuum sw valve ) (Screw)

31 шт150 руб.
2709443-09009-000

Запчасть снята с производства - The Spare Part Is Laid Off (E03) (The Spare Part Is Laid Off)

под заказ0 руб.
2709443-13010-000

   (актуальный код замены) Запчасть снята с производства - The Spare Part Is Laid Off

под заказ0 руб.
2819172-98500-000

Запчасть снята с производства - The Spare Part Is Laid Off (E03) (The Spare Part Is Laid Off)

под заказ0 руб.
2908322-21058-000

Шайба - Washer (E03) (Washer)

под заказ140 руб.
2908322-01057-000

   (актуальный код замены) Шайба - Washer

под заказ140 руб.
2908322-01057-000

Шайба - Washer (Washer, front hook holder ) (Washer)

под заказ140 руб.
3008321-21058-000

Шайба с блокировкой - Washer, Lock (E03) (Washer, Lock)

под заказ140 руб.
3008321-0105A-000

   (актуальный код замены) Шайба с блокировкой - Washer, Lock

под заказ140 руб.
3008321-0105A-000

Шайба с блокировкой - Washer, Lock (Washer, Lock)

под заказ140 руб.
3102112-05128-000

Винт - Screw (E03) (Screw)

под заказ150 руб.
3102112-05127-000

   (актуальный код замены) Винт - Screw

31 шт150 руб.
3102112-05127-000

Винт - Screw (Screw, vacuum sw valve ) (Screw)

31 шт150 руб.
3209180-06030-000

Проставка (6.5x10x10) - Spacer (65x10x10) (Spacer (6.5x10x10))

под заказ150 руб.
3209180-06310-000

   (актуальный код замены) Проставка (6.5x10x10) - Spacer (6.5x10x10)

под заказ150 руб.
3209180-06310-000

Проставка (6.5x10x10) - Spacer (65x10x10) (Spacer (6.8x10x10) ) (Spacer (6.5x10x10))

под заказ150 руб.
3309403-06307-000

Струбцина - Clamp (Clamp, high tension cord ) (Clamp)

под заказ250 руб.
3309403-06329-000

   (актуальный код замены) Струбцина - Clamp

под заказ250 руб.


Время выполнения запроса 4.6175889968872 сек.

 
 

данный сайт носит информационный характер и не является публичной офертой

склад запчастей для водомоторной техники