Подобрать оригинальные запчасти на лодочный мотор Suzuki модель 1985 года - Цилиндр / Cylinder
вконтакте

Контактный телефон: +7 (981) 121-46-93, +7 (800) 200-90-76 , Email: parts-katalog@yandex.ru, где купить

 
 

  Логин:

Пароль:

Регистрация

www.partskatalog.ru Все каталоги Запчасти Mercury Запчасти Suzuki Запчасти Tohatsu Запчасти Honda Контакты



УВАЖАЕМЫЕ КЛИЕНТЫ!
C 19 ДЕКАБРЯ 2025 ПО 02 МАРТА 2026 ГОДА ОТДЕЛ ЗАПЧАСТЕЙ И СЕРВИС РАБОТАТЬ НЕ БУДУТ
ПРОДАЖА ЛОДОЧНЫХ МОТОРОВ В ШТАТНОМ РЕЖИМЕ
ОБ ИЗМЕНЕНИЯХ В ГРАФИКЕ РАБОТЫ ЧИТАЙТЕ НА САЙТА



назад Раздел:   вперёд

Вернуться к выбору узлов мотора


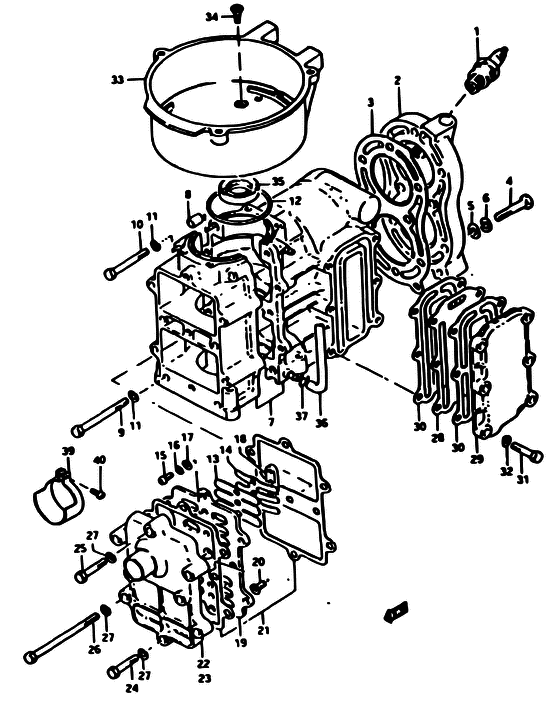
ДЕТАЛИРОВКА ДЛЯ МОДЕЛИ: SUZUKI DT9 F

Цилиндр


Год выпуска двигателя: 1985

Номер на
рисунке
АртикулНаименованиеQTYКол-во
на складе
Цена
109482-00088-000

Свеча зажигания (br6hs) - Plug, Spark (br6hs) (Spark plug assy (dt9.9) # BR-6HS, NGK ) (Plug, Spark (br6hs))

под заказ0 руб.
109482-00095-000

Свеча зажигания (b-6h) - Plug, Spark (b-6h) (Spark plug assy (dt9.9 e13) # B-6HS, NGK, FROM 09482-00048 ) (Plug, Spark (b-6h))

под заказ630 руб.
211110-96001-01J

Запчасть снята с производства - The Spare Part Is Laid Off (The Spare Part Is Laid Off)

под заказ0 руб.
311141-96110-000

Прокладка головки блока цилиндра - Gasket, Cylinder Head (51<-) (Gasket, Cylinder Head)

под заказ0 руб.
311141-96160-000

   (актуальный код замены) Запчасть снята с производства - The Spare Part Is Laid Off

под заказ0 руб.
311141-96160-000

Прокладка головки блока цилиндра - Gasket, Cylinder Head (Gasket, Cylinder Head)

под заказ0 руб.
401107-08358-000

Болт - Bolt (Bolt)

под заказ230 руб.
401500-0835B-000

   (актуальный код замены) Болт - Bolt

под заказ230 руб.
401500-0835B-000

Болт - Bolt (Bolt, muffler support ) (Bolt)

под заказ230 руб.
508322-11088-000

Шайба - Washer (Washer)

под заказ140 руб.
508322-01087-000

   (актуальный код замены) Шайба - Washer

под заказ140 руб.
508322-01087-000

Шайба - Washer (Lock washer ) (Washer)

под заказ140 руб.
608321-21088-000

Шайба с блокировкой - Washer, Lock (Washer, Lock)

под заказ140 руб.
608321-01087-000

   (актуальный код замены) Шайба с блокировкой - Washer, Lock

под заказ140 руб.
608321-01087-000

Шайба с блокировкой - Washer, Lock (Washer, lock ) (Washer, Lock)

под заказ140 руб.
711300-96811-01J

(~DT7.5C-13502)

под заказнет сведений
712110-96103-000

Поршень - Piston (Piston)

под заказ128160 руб.
711300-96813-01J

Запчасть снята с производства - The Spare Part Is Laid Off (FROM 11300-96812-01J) (The Spare Part Is Laid Off)

под заказ0 руб.
711300-96814-01J

   (актуальный код замены) Запчасть снята с производства - The Spare Part Is Laid Off

под заказ0 руб.
711300-96814-01J

Запчасть снята с производства - The Spare Part Is Laid Off (FROM 11300-96813-01J) (The Spare Part Is Laid Off)

под заказ0 руб.
804211-09109-000

Штифт - Pin (Knock pin ) (Pin)

под заказ120 руб.
909100-06038-000

Болт (6x65) - Bolt (6x65) (Bolt (6x65))

под заказ160 руб.
909100-06062-000

Болт (6x70) - Bolt (6x70) (6X70, TO 09100-06038 ) (Bolt (6x70))

под заказ0 руб.
1009100-06063-000

Запчасть снята с производства - The Spare Part Is Laid Off (6X45) (The Spare Part Is Laid Off)

под заказ0 руб.
1108321-21068-000

Шайба с блокировкой - Washer, Lock (Washer, Lock)

под заказ140 руб.
1108321-01067-000

   (актуальный код замены) Шайба с блокировкой - Washer, Lock

под заказ140 руб.
1108321-01067-000

Шайба с блокировкой - Washer, Lock (Washer, Lock)

под заказ140 руб.
1209280-52001-000

Уплотнительное кольцо (d: 3, Id: 52.5) - O Ring (d:3, Id:525) (O ring, crankcase # ID:52.5, D:3 ) (O Ring (d:3, Id:52.5))

под заказ220 руб.
1312411-98001-000

Запчасть снята с производства - The Spare Part Is Laid Off (FROM 12411-98000) (The Spare Part Is Laid Off)

под заказ0 руб.
1412421-98002-000

Запчасть снята с производства - The Spare Part Is Laid Off (The Spare Part Is Laid Off)

под заказ0 руб.
1502112-04128-000

Винт - Screw (Screw)

под заказ100 руб.
1502112-0412A-000

   (актуальный код замены) Винт - Screw

под заказ100 руб.
1502112-0412A-000

Винт - Screw (Screw)

под заказ100 руб.
1608321-21048-000

Шайба с блокировкой - Washer, Lock (Washer, Lock)

под заказ140 руб.
1608321-0104A-000

   (актуальный код замены) Шайба с блокировкой - Washer, Lock

под заказ140 руб.
1608321-0104A-000

Шайба с блокировкой - Washer, Lock (Washer, Lock)

под заказ140 руб.
1708322-21048-000

Шайба - Washer (Washer)

под заказ140 руб.
1708322-01047-000

   (актуальный код замены) Шайба - Washer

под заказ140 руб.
1708322-01047-000

Шайба - Washer (Washer)

под заказ140 руб.
1812431-98001-000

Запчасть снята с производства - The Spare Part Is Laid Off (The Spare Part Is Laid Off)

под заказ0 руб.
1912441-96000-000

Запчасть снята с производства - The Spare Part Is Laid Off (The Spare Part Is Laid Off)

под заказ0 руб.
2002122-06128-000

Винт - Screw (Screw)

под заказ140 руб.
2002122-06127-000

   (актуальный код замены) Винт - Screw

7 шт140 руб.
2002122-06127-000

Винт - Screw (Screw)

7 шт140 руб.
2112400-96806-000

Запчасть снята с производства - The Spare Part Is Laid Off (The Spare Part Is Laid Off)

под заказ0 руб.
2212481-96200-01J

Запчасть снята с производства - The Spare Part Is Laid Off (The Spare Part Is Laid Off)

под заказ0 руб.
2212481-96201-01J

   (актуальный код замены) Запчасть снята с производства - The Spare Part Is Laid Off

под заказ0 руб.
2212481-96201-01J

Запчасть снята с производства - The Spare Part Is Laid Off (FROM 12481-96200-01J) (The Spare Part Is Laid Off)

под заказ0 руб.
2312481-96000-01J

Запчасть снята с производства - The Spare Part Is Laid Off (The Spare Part Is Laid Off)

под заказ0 руб.
2312481-96001-01J

   (актуальный код замены) Запчасть снята с производства - The Spare Part Is Laid Off

под заказ0 руб.
2312481-96001-01J

Запчасть снята с производства - The Spare Part Is Laid Off (FROM 12481-96000-01J) (The Spare Part Is Laid Off)

под заказ0 руб.
2401107-06308-000

Болт - Bolt (Bolt)

под заказ190 руб.
2401500-06307-000

   (актуальный код замены) Болт - Bolt

под заказ190 руб.
2401500-06307-000

Болт - Bolt (Bolt)

под заказ190 руб.
2501107-06358-000

Болт - Bolt (Bolt)

под заказ190 руб.
2501500-06357-000

   (актуальный код замены) Болт - Bolt

под заказ190 руб.
2501500-06357-000

Болт - Bolt (Bolt)

под заказ190 руб.
2609100-06057-000

Болт - Bolt (6X85) (Bolt)

под заказ230 руб.
2601500-0685B-000

   (актуальный код замены) Болт - Bolt

под заказ230 руб.
2601500-0685B-000

Болт - Bolt (Bolt)

под заказ230 руб.
2708321-21068-000

Шайба с блокировкой - Washer, Lock (Washer, Lock)

под заказ140 руб.
2708321-01067-000

   (актуальный код замены) Шайба с блокировкой - Washer, Lock

под заказ140 руб.
2708321-01067-000

Шайба с блокировкой - Washer, Lock (Washer, Lock)

под заказ140 руб.
2814131-96000-000

Запчасть снята с производства - The Spare Part Is Laid Off (The Spare Part Is Laid Off)

под заказ0 руб.
2914141-96000-01J

Запчасть снята с производства - The Spare Part Is Laid Off (The Spare Part Is Laid Off)

под заказ0 руб.
2914141-96001-01J

   (актуальный код замены) Запчасть снята с производства - The Spare Part Is Laid Off

под заказ0 руб.
2914141-96001-01J

Запчасть снята с производства - The Spare Part Is Laid Off (FROM 14141-96000-01J) (The Spare Part Is Laid Off)

под заказ0 руб.
3014151-96000-000

Запчасть снята с производства - The Spare Part Is Laid Off (The Spare Part Is Laid Off)

под заказ0 руб.
3014151-96060-000

   (актуальный код замены) Запчасть снята с производства - The Spare Part Is Laid Off

под заказ0 руб.
3109100-06014-000

Запчасть снята с производства - The Spare Part Is Laid Off (The Spare Part Is Laid Off)

под заказ0 руб.
3208321-21068-000

Шайба с блокировкой - Washer, Lock (Washer, Lock)

под заказ140 руб.
3208321-01067-000

   (актуальный код замены) Шайба с блокировкой - Washer, Lock

под заказ140 руб.
3208321-01067-000

Шайба с блокировкой - Washer, Lock (Washer, Lock)

под заказ140 руб.
3314311-96002-01J

Запчасть снята с производства - The Spare Part Is Laid Off (The Spare Part Is Laid Off)

под заказ0 руб.
3314311-96003-01J

Запчасть снята с производства - The Spare Part Is Laid Off (The Spare Part Is Laid Off)

под заказ0 руб.
3402122-06168-000

Винт - Screw (Screw)

под заказ120 руб.
3402122-06167-000

   (актуальный код замены) Винт - Screw

под заказ120 руб.
3402122-06167-000

Винт - Screw (Screw)

под заказ120 руб.
3509283-20030-000

Сальник (20x37x7) - Seal, Oil (20x37x7) (20X37X7, FROM 09283-20006) (Seal, Oil (20x37x7))

под заказ530 руб.
3509283-20006-000

   (актуальный код замены) Сальник (20x37x7) - Seal, Oil (20x37x7)

10 шт530 руб.
3509283-20006-000

Сальник (20x37x7) - Seal, Oil (20x37x7) (Oil seal, upper crank shaft ) (Seal, Oil (20x37x7))

10 шт530 руб.
3609343-03016-000

Шланг (3x7x600) - Hose (3x7x600) (L:235->180 FROM 09343-03004) (Hose (3x7x600))

под заказ870 руб.
3609355-30001-600

   (актуальный код замены) Шланг (7.4x3.2x135) - Hose (7.4x3.2x135)

под заказ870 руб.
3609355-30705-600

Шланг (3x7x600) - Hose (3x7x600) (Hose, lubrication no.1 ) (Hose (3x7x600))

под заказ870 руб.
3609355-30001-600

   (актуальный код замены) Шланг (7.4x3.2x135) - Hose (7.4x3.2x135)

под заказ870 руб.
3709401-06401-000

Запчасть снята с производства - The Spare Part Is Laid Off (TO 09401-06403) (The Spare Part Is Laid Off)

под заказ0 руб.
3809404-06415-000

Струбцина (l: 80) - Clamp (l:80) (FROM 09404-06702) (Clamp (l:80))

под заказ230 руб.
3809404-06436-000

   (актуальный код замены) Струбцина (l: 80) - Clamp (l:80)

под заказ230 руб.
3809404-06433-000

Струбцина (l: 80) - Clamp (l:80) (Clamp (l:80) ) (Clamp (l:80))

под заказ230 руб.
3809404-06436-000

   (актуальный код замены) Струбцина (l: 80) - Clamp (l:80)

под заказ230 руб.
3909402-41901-000

Запчасть снята с производства - The Spare Part Is Laid Off (FROM 09402-00225) (The Spare Part Is Laid Off)

под заказ0 руб.
4002112-04128-000

Винт - Screw (Screw)

под заказ100 руб.
4002112-0412A-000

   (актуальный код замены) Винт - Screw

под заказ100 руб.
4002112-0412A-000

Винт - Screw (Screw)

под заказ100 руб.


Время выполнения запроса 5.0732641220093 сек.

 
 

данный сайт носит информационный характер и не является публичной офертой

склад запчастей для водомоторной техники