Найти запчасти на подвесной двигатель SUZUKI модель 1985 года - Carburetor
вконтакте

Контактный телефон: +7 (981) 121-46-93, +7 (800) 200-90-76 , Email: parts-katalog@yandex.ru, где купить

 
 

  Логин:

Пароль:

Регистрация

www.partskatalog.ru Все каталоги Запчасти Mercury Запчасти Suzuki Запчасти Tohatsu Запчасти Honda Контакты



УВАЖАЕМЫЕ КЛИЕНТЫ!
C 19 ДЕКАБРЯ 2025 ПО 02 МАРТА 2026 ГОДА ОТДЕЛ ЗАПЧАСТЕЙ И СЕРВИС РАБОТАТЬ НЕ БУДУТ
ПРОДАЖА ЛОДОЧНЫХ МОТОРОВ В ШТАТНОМ РЕЖИМЕ
ОБ ИЗМЕНЕНИЯХ В ГРАФИКЕ РАБОТЫ ЧИТАЙТЕ НА САЙТА



назад Раздел:   вперёд

Вернуться к выбору узлов мотора


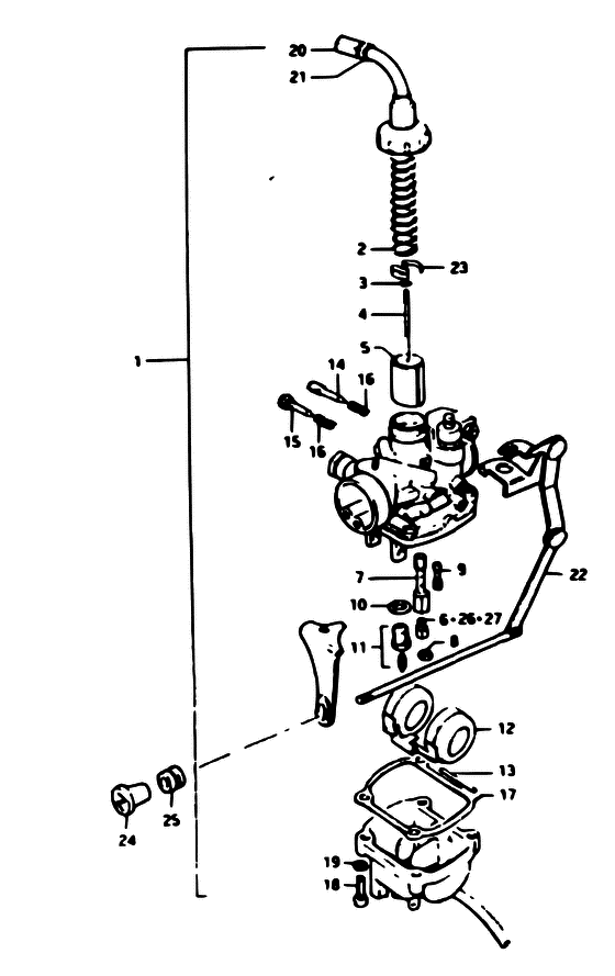
ДЕТАЛИРОВКА ДЛЯ МОДЕЛИ: SUZUKI DT9 F

Карбюратор


Год выпуска двигателя: 1985

Номер на
рисунке
АртикулНаименованиеQTYКол-во
на складе
Цена
113200-96212-000

Запчасть снята с производства - The Spare Part Is Laid Off (TO 13200-96213) (The Spare Part Is Laid Off)

под заказ0 руб.
113200-96213-000

   (актуальный код замены) Запчасть снята с производства - The Spare Part Is Laid Off

под заказ0 руб.
113200-96213-000

Запчасть снята с производства - The Spare Part Is Laid Off (The Spare Part Is Laid Off)

под заказ0 руб.
213573-01010-000

Пружина клапана дросселя - Spring, Throttle Valve (Spring, valve return ) (Spring, Throttle Valve)

под заказ480 руб.
313394-12110-000

под заказ0 руб.
413383-19600-000

иголка, Jet - Needle, Jet (Needle, Jet)

под заказ0 руб.
513551-98012-000

Запчасть снята с производства - The Spare Part Is Laid Off (The Spare Part Is Laid Off)

под заказ0 руб.
609491-36002-000

Главная форсунка (180) - Jet, Main (180) (Jet, Main (180))

под заказ0 руб.
709494-00071-000

Игольчатый клапан (e-1) - Jet, Needle (e-1) (Jet, Needle (e-1))

под заказ0 руб.
813691-98010-000

Запчасть снята с производства - The Spare Part Is Laid Off (The Spare Part Is Laid Off)

под заказ0 руб.
909492-20002-000

Контрольная форсунка - Jet, Pilot (Jet, Pilot)

под заказ970 руб.
909492-20008-000

   (актуальный код замены) Контрольная форсунка - Jet, Pilot

под заказ970 руб.
909492-20008-000

Контрольная форсунка - Jet, Pilot (Jet, pilot (20) ) (Jet, Pilot)

под заказ970 руб.
1013392-01010-000

Прокладка, Игольчатый клапан - Gasket, Needle Valve (Gasket, valve seat ) (Gasket, Needle Valve)

под заказ150 руб.
1113370-96210-000

Игольчатый клапан, в сборе - Valve Assy, Needle (Valve Assy, Needle)

под заказ3820 руб.
1113370-23010-000

   (актуальный код замены) Игольчатый клапан, в сборе - Valve Assy, Needle

под заказ3820 руб.
1113370-23010-000

Игольчатый клапан, в сборе - Valve Assy, Needle (Valve assy, needle ) (Valve Assy, Needle)

под заказ3820 руб.
1213252-02010-000

Поплавок - Float (Folat ) (Float)

под заказ0 руб.
1313254-35013-000

Стопор поплавка - Pin, Float (FROM 13254-11010) (Pin, Float)

под заказ290 руб.
1313254-01010-000

   (актуальный код замены) Стопор поплавка - Pin, Float

под заказ290 руб.
1313254-01010-000

Стопор поплавка - Pin, Float (Pin, Float)

под заказ290 руб.
1413269-01010-000

Винт контроля воздуха - Screw, Pilot Air (Screw, pilot air ) (Screw, Pilot Air)

под заказ1160 руб.
1513267-93600-000

Запчасть снята с производства - The Spare Part Is Laid Off (The Spare Part Is Laid Off)

под заказ0 руб.
1613268-95110-000

Пружина - Spring (Spring)

под заказ350 руб.
1613268-35010-000

   (актуальный код замены) Пружина - Spring

под заказ350 руб.
1613268-35010-000

Пружина - Spring (Spring)

под заказ350 руб.
1713251-98011-000

Запчасть снята с производства - The Spare Part Is Laid Off (The Spare Part Is Laid Off)

под заказ0 руб.
1802111-04188-000

Винт - Screw (Screw)

под заказ100 руб.
1802112-0420A-000

   (актуальный код замены) Винт - Screw

под заказ100 руб.
1802112-0420A-000

Винт - Screw (Screw)

под заказ100 руб.
1908321-21048-000

Шайба с блокировкой - Washer, Lock (Washer, Lock)

под заказ140 руб.
1908321-0104A-000

   (актуальный код замены) Шайба с блокировкой - Washer, Lock

под заказ140 руб.
1908321-0104A-000

Шайба с блокировкой - Washer, Lock (Washer, Lock)

под заказ140 руб.
2013577-98011-000

Запчасть снята с производства - The Spare Part Is Laid Off (The Spare Part Is Laid Off)

под заказ0 руб.
2113661-03010-000

Гайка - Nut (Nut, adjuster ) (Nut)

под заказ350 руб.
2213413-96211-000

Запчасть снята с производства - The Spare Part Is Laid Off (TO 13413-96212) (The Spare Part Is Laid Off)

под заказ0 руб.
2213413-96212-000

   (актуальный код замены) Запчасть снята с производства - The Spare Part Is Laid Off

под заказ0 руб.
2213413-96212-000

Запчасть снята с производства - The Spare Part Is Laid Off (The Spare Part Is Laid Off)

под заказ0 руб.
2313581-01010-000

Пластина - Plate (Plate)

под заказ500 руб.
2313581-07910-000

   (актуальный код замены) Пластина - Plate

под заказ500 руб.
2313581-07910-000

Пластина - Plate (Plate)

под заказ500 руб.
2413631-99002-000

Рукоятка стартера - Knob, Starter (TO 13631-93500) (Knob, Starter)

под заказ460 руб.
2413631-93501-000

   (актуальный код замены) Рукоятка стартера - Knob, Starter

2 шт460 руб.
2413631-93501-000

Рукоятка стартера - Knob, Starter (Knob, Starter)

2 шт460 руб.
2509305-04003-000

Втулка - Bush (Bush)

под заказ160 руб.
2509320-04013-000

   (актуальный код замены) Подушка, Muf Cov - Cushion, Muf Cov

под заказ160 руб.
2509320-04009-000

Втулка - Bush (Bush)

под заказ160 руб.
2509320-04013-000

   (актуальный код замены) Подушка, Muf Cov - Cushion, Muf Cov

под заказ160 руб.
2609491-34001-000

Запчасть снята с производства - The Spare Part Is Laid Off (OPT) (The Spare Part Is Laid Off)

под заказ0 руб.
2709491-38001-000

Запчасть снята с производства - The Spare Part Is Laid Off (OPT) (The Spare Part Is Laid Off)

под заказ0 руб.


Время выполнения запроса 1.0766010284424 сек.

 
 

данный сайт носит информационный характер и не является публичной офертой

склад запчастей для водомоторной техники