Оригинальные запчасти на лодочный мотор Suzuki модель 1983 года - Transmission
вконтакте

Контактный телефон: +7 (981) 121-46-93, +7 (800) 200-90-76 , Email: parts-katalog@yandex.ru, где купить

 
 

  Логин:

Пароль:

Регистрация

www.partskatalog.ru Все каталоги Запчасти Mercury Запчасти Suzuki Запчасти Tohatsu Запчасти Honda Контакты



УВАЖАЕМЫЕ КЛИЕНТЫ!
C 19 ДЕКАБРЯ 2025 ПО 02 МАРТА 2026 ГОДА ОТДЕЛ ЗАПЧАСТЕЙ И СЕРВИС РАБОТАТЬ НЕ БУДУТ
ПРОДАЖА ЛОДОЧНЫХ МОТОРОВ В ШТАТНОМ РЕЖИМЕ
ОБ ИЗМЕНЕНИЯХ В ГРАФИКЕ РАБОТЫ ЧИТАЙТЕ НА САЙТА



назад Раздел:   вперёд

Вернуться к выбору узлов мотора


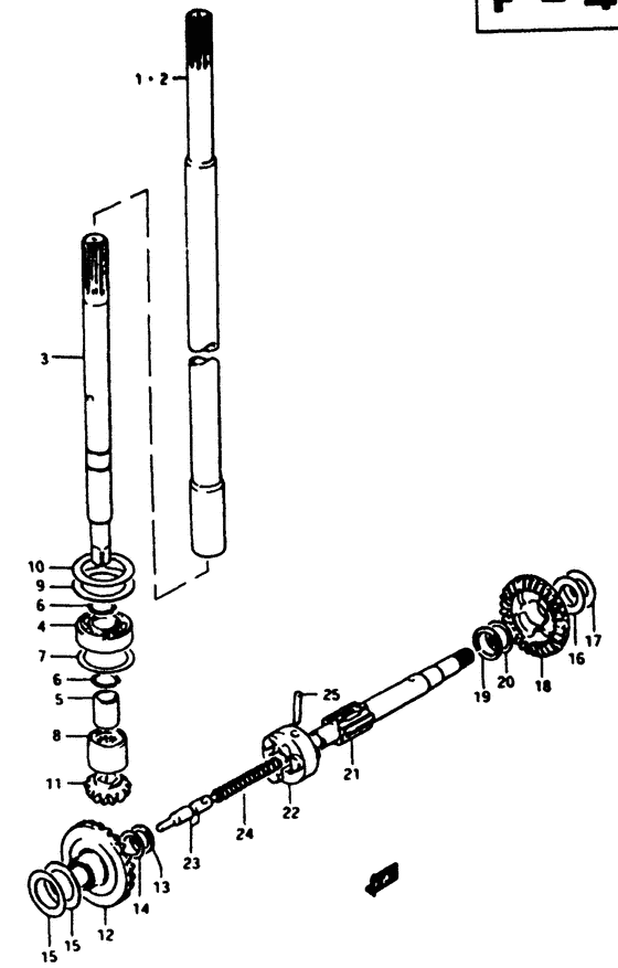
ДЕТАЛИРОВКА ДЛЯ МОДЕЛИ: SUZUKI DT9D D

Трансмиссия


Год выпуска двигателя: 1983

Регион: Japan

Номер на
рисунке
АртикулНаименованиеQTYКол-во
на складе
Цена
157110-99105-000

Запчасть снята с производства - The Spare Part Is Laid Off (The Spare Part Is Laid Off)

под заказ0 руб.
257110-99206-000

Запчасть снята с производства - The Spare Part Is Laid Off (The Spare Part Is Laid Off)

под заказ0 руб.
357211-99003-000

Запчасть снята с производства - The Spare Part Is Laid Off (S, l type, l:220) (The Spare Part Is Laid Off)

под заказ0 руб.
408113-62020-000

Подшипник - Bearing (Bearing)

под заказ1340 руб.
408113-62027-000

   (актуальный код замены) Подшипник - Bearing

под заказ1340 руб.
408113-62027-000

Подшипник - Bearing (Bearing, rh ) (Bearing)

под заказ1340 руб.
509180-12036-000

Проставка (12x16x20) - Spacer (12x16x20) (Spacer, pinion shaft # 12x16x20 ) (Spacer (12x16x20))

под заказ870 руб.
608331-31159-000

Стопорное кольцо - Circlip (Circlip)

под заказ150 руб.
608331-3115A-000

   (актуальный код замены) Стопорное кольцо - Circlip

9 шт150 руб.
608331-3115A-000

Стопорное кольцо - Circlip (Circlip)

9 шт150 руб.
809263-16007-000

Запчасть снята с производства - The Spare Part Is Laid Off (16x20x20) (The Spare Part Is Laid Off)

под заказ0 руб.
1157311-99001-000

Запчасть снята с производства - The Spare Part Is Laid Off (Nt:13) (The Spare Part Is Laid Off)

под заказ0 руб.
1257510-99002-000

Запчасть снята с производства - The Spare Part Is Laid Off (Nt:25) (The Spare Part Is Laid Off)

под заказ0 руб.
1857520-99400-000

Запчасть снята с производства - The Spare Part Is Laid Off (Nt:29) (The Spare Part Is Laid Off)

под заказ0 руб.
2157611-99003-000

Запчасть снята с производства - The Spare Part Is Laid Off (From 57611-99002) (The Spare Part Is Laid Off)

под заказ0 руб.
2257621-99004-000

Запчасть снята с производства - The Spare Part Is Laid Off (From 57621-99003) (The Spare Part Is Laid Off)

под заказ0 руб.
2357630-99830-000

Запчасть снята с производства - The Spare Part Is Laid Off (From 57631-99003) (The Spare Part Is Laid Off)

под заказ0 руб.
2409440-07018-000

Пружина - Spring (Spring)

под заказ160 руб.
2409440-07041-000

   (актуальный код замены) Пружина - Spring

5 шт160 руб.
2409440-07041-000

Пружина - Spring (Spring)

5 шт160 руб.
2509209-04008-000

Запчасть снята с производства - The Spare Part Is Laid Off (4x35.5) (The Spare Part Is Laid Off)

под заказ0 руб.


Время выполнения запроса 1.3758668899536 сек.

 
 

данный сайт носит информационный характер и не является публичной офертой

склад запчастей для водомоторной техники