Купить комплектующие на подвесной двигатель SUZUKI модель 1983 года - Топливный насос
вконтакте

Контактный телефон: +7 (981) 121-46-93, +7 (800) 200-90-76 , Email: parts-katalog@yandex.ru, где купить

 
 

  Логин:

Пароль:

Регистрация

www.partskatalog.ru Все каталоги Запчасти Mercury Запчасти Suzuki Запчасти Tohatsu Запчасти Honda Контакты



УВАЖАЕМЫЕ КЛИЕНТЫ!
C 19 ДЕКАБРЯ 2025 ПО 02 МАРТА 2026 ГОДА ОТДЕЛ ЗАПЧАСТЕЙ И СЕРВИС РАБОТАТЬ НЕ БУДУТ
ПРОДАЖА ЛОДОЧНЫХ МОТОРОВ В ШТАТНОМ РЕЖИМЕ
ОБ ИЗМЕНЕНИЯХ В ГРАФИКЕ РАБОТЫ ЧИТАЙТЕ НА САЙТА



назад Раздел:   вперёд

Вернуться к выбору узлов мотора


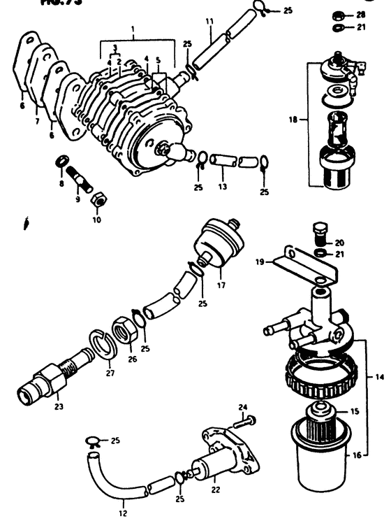
ДЕТАЛИРОВКА ДЛЯ МОДЕЛИ: SUZUKI DT9D D

Топливный насос


Год выпуска двигателя: 1983

Регион: Japan

Номер на
рисунке
АртикулНаименованиеQTYКол-во
на складе
Цена
115100-96001-000

Запчасть снята с производства - The Spare Part Is Laid Off (To 15100-96002) (The Spare Part Is Laid Off)

под заказ0 руб.
115100-96010-000

   (актуальный код замены) Запчасть снята с производства - The Spare Part Is Laid Off

под заказ0 руб.
115100-96010-000

Запчасть снята с производства - The Spare Part Is Laid Off (The Spare Part Is Laid Off)

под заказ0 руб.
115100-96002-000

Запчасть снята с производства - The Spare Part Is Laid Off (To 15100-96004) (The Spare Part Is Laid Off)

под заказ0 руб.
115100-96004-000

   (актуальный код замены) Запчасть снята с производства - The Spare Part Is Laid Off

под заказ0 руб.
115100-96004-000

Запчасть снята с производства - The Spare Part Is Laid Off (The Spare Part Is Laid Off)

под заказ0 руб.
215171-99701-000

Диафрагма, Топливный насос - Diaphragm, Fuel Pump (To 15170-99810) (Diaphragm, Fuel Pump)

под заказ4900 руб.
215170-93500-000

   (актуальный код замены) Диафрагма, Топливный насос - Diaphragm, Fuel Pump

1 шт4900 руб.
215170-93500-000

Диафрагма, Топливный насос - Diaphragm, Fuel Pump (Valve - diaphrame set ) (Diaphragm, Fuel Pump)

1 шт4900 руб.
315170-99810-000

Диафрагма, Топливный насос - Diaphragm, Fuel Pump (Incl.ref.no.2 and 4., to 15170-99811) (Diaphragm, Fuel Pump)

под заказ4900 руб.
315170-93500-000

   (актуальный код замены) Диафрагма, Топливный насос - Diaphragm, Fuel Pump

1 шт4900 руб.
315170-93500-000

Диафрагма, Топливный насос - Diaphragm, Fuel Pump (Valve - diaphrame set ) (Diaphragm, Fuel Pump)

1 шт4900 руб.
315170-99811-000

Диафрагма, Топливный насос - Diaphragm, Fuel Pump (Diaphragm, Fuel Pump)

под заказ4900 руб.
315170-93500-000

   (актуальный код замены) Диафрагма, Топливный насос - Diaphragm, Fuel Pump

1 шт4900 руб.
315170-93500-000

Диафрагма, Топливный насос - Diaphragm, Fuel Pump (Valve - diaphrame set ) (Diaphragm, Fuel Pump)

1 шт4900 руб.
415169-99701-000

Диафрагма, Топливный насос - Diaphragm, Fuel Pump (To 15170-99810) (Diaphragm, Fuel Pump)

под заказ4900 руб.
415170-93500-000

   (актуальный код замены) Диафрагма, Топливный насос - Diaphragm, Fuel Pump

1 шт4900 руб.
415170-93500-000

Диафрагма, Топливный насос - Diaphragm, Fuel Pump (Valve - diaphrame set ) (Diaphragm, Fuel Pump)

1 шт4900 руб.
515180-99810-000

Запчасть снята с производства - The Spare Part Is Laid Off (The Spare Part Is Laid Off)

под заказ0 руб.
515180-99811-000

Запчасть снята с производства - The Spare Part Is Laid Off (The Spare Part Is Laid Off)

под заказ0 руб.
615321-99700-000

Прокладка топливного насоса (na) - Gasket, Fuel Pump (na) (Gasket, Fuel Pump (na))

под заказ360 руб.
615321-99710-000

   (актуальный код замены) Прокладка топливного насоса (na) - Gasket, Fuel Pump (na)

8 шт370 руб.
615321-99710-000

Прокладка топливного насоса (na) - Gasket, Fuel Pump (na) (Gasket, fuel pump ) (Gasket, Fuel Pump (na))

8 шт370 руб.
715322-96000-000

Запчасть снята с производства - The Spare Part Is Laid Off (Insulator, fuel pump;) (The Spare Part Is Laid Off)

под заказ0 руб.
808321-21068-000

Шайба с блокировкой - Washer, Lock (Washer, Lock)

под заказ140 руб.
808321-01067-000

   (актуальный код замены) Шайба с блокировкой - Washer, Lock

под заказ140 руб.
808321-01067-000

Шайба с блокировкой - Washer, Lock (Washer, Lock)

под заказ140 руб.
901421-06258-000

Болт под шпильку - Bolt, Stud (Bolt, Stud)

под заказ190 руб.
901421-06257-000

   (актуальный код замены) Болт под шпильку - Bolt, Stud

под заказ190 руб.
901421-06257-000

Болт под шпильку - Bolt, Stud (Stud bolt ) (Bolt, Stud)

под заказ190 руб.
901421-06308-000

Болт под шпильку - Bolt, Stud (Bolt, Stud)

под заказ190 руб.
901421-06307-000

   (актуальный код замены) Болт под шпильку - Bolt, Stud

под заказ190 руб.
901421-06307-000

Болт под шпильку - Bolt, Stud (Bolt, Stud)

под заказ190 руб.
1008310-11068-000

Гайка - Nut (Nut)

под заказ140 руб.
1008310-00067-000

   (актуальный код замены) Гайка - Nut

под заказ140 руб.
1008310-00067-000

Гайка - Nut (Nut)

под заказ140 руб.
1109343-05135-000

Шланг (5x9x600) - Hose (5x9x600) (L:180->150, to 09343-05137) (Hose (5x9x600))

под заказ570 руб.
1109352-50006-600

   (актуальный код замены) Шланг (5x9x600) - Hose (5x9x600)

1 шт570 руб.
1109352-50903-600

Шланг (5x9x600) - Hose (5x9x600) (Hose (5x9x600))

под заказ570 руб.
1109352-50006-600

   (актуальный код замены) Шланг (5x9x600) - Hose (5x9x600)

1 шт570 руб.
1109343-05137-000

Шланг (5x9x600) - Hose (5x9x600) (L:500->150) (Hose (5x9x600))

под заказ570 руб.
1109352-50006-600

   (актуальный код замены) Шланг (5x9x600) - Hose (5x9x600)

1 шт570 руб.
1209343-05135-000

Шланг (5x9x600) - Hose (5x9x600) (L:180->135) (Hose (5x9x600))

под заказ570 руб.
1209352-50006-600

   (актуальный код замены) Шланг (5x9x600) - Hose (5x9x600)

1 шт570 руб.
1209352-50903-600

Шланг (5x9x600) - Hose (5x9x600) (Hose (5x9x600))

под заказ570 руб.
1209352-50006-600

   (актуальный код замены) Шланг (5x9x600) - Hose (5x9x600)

1 шт570 руб.
1209343-05137-000

Шланг (5x9x600) - Hose (5x9x600) (L:500->135) (Hose (5x9x600))

под заказ570 руб.
1209352-50006-600

   (актуальный код замены) Шланг (5x9x600) - Hose (5x9x600)

1 шт570 руб.
1209343-05152-000

Шланг (5x9x600) - Hose (5x9x600) (Hose (connector to filter) to 09343-05137; E13, l:215) (Hose (5x9x600))

под заказ570 руб.
1209352-50006-600

   (актуальный код замены) Шланг (5x9x600) - Hose (5x9x600)

1 шт570 руб.
1309343-05135-000

Шланг (5x9x600) - Hose (5x9x600) (L:180->90, to 09343-05137) (Hose (5x9x600))

под заказ570 руб.
1309352-50006-600

   (актуальный код замены) Шланг (5x9x600) - Hose (5x9x600)

1 шт570 руб.
1309352-50903-600

Шланг (5x9x600) - Hose (5x9x600) (Hose (5x9x600))

под заказ570 руб.
1309352-50006-600

   (актуальный код замены) Шланг (5x9x600) - Hose (5x9x600)

1 шт570 руб.
1309343-05137-000

Шланг (5x9x600) - Hose (5x9x600) (L:500->90) (Hose (5x9x600))

под заказ570 руб.
1309352-50006-600

   (актуальный код замены) Шланг (5x9x600) - Hose (5x9x600)

1 шт570 руб.
1415410-96100-000

Запчасть снята с производства - The Spare Part Is Laid Off ( (model f->e13)) (The Spare Part Is Laid Off)

под заказ0 руб.
1515412-96100-000

Сетчатый фильтр - Strainer ( (model f->e13) ) (Strainer)

под заказ0 руб.
1615413-96100-000

Запчасть снята с производства - The Spare Part Is Laid Off ( (model f->e13)) (The Spare Part Is Laid Off)

под заказ0 руб.
1715410-98500-000

Топливный фильтр - Filter, Fuel (Filter assy, fuel # Filter assy, fuel; ) (Filter, Fuel)

40 шт1600 руб.
1715410-98500

   (не оригинальный аналог) Топливный фильтр Suzuki 15410-98500

под заказ590 руб.
1815410-93400-000

Топливный фильтр в сборе - Filter Assy, Fuel (E13) (Filter Assy, Fuel)

под заказ2280 руб.
1815410-94401-000

   (актуальный код замены) Топливный фильтр в сборе - Filter Assy, Fuel

32 шт2280 руб.
1815410-94400-000

Топливный фильтр в сборе - Filter Assy, Fuel (Filter Assy, Fuel)

3 шт2280 руб.
1815410-94401-000

   (актуальный код замены) Топливный фильтр в сборе - Filter Assy, Fuel

32 шт2280 руб.
1915421-96100-000

Запчасть снята с производства - The Spare Part Is Laid Off ( (model f->e13)) (The Spare Part Is Laid Off)

под заказ0 руб.
2001107-08128-000

Болт - Bolt (Bolt)

под заказ190 руб.
2001500-08127-000

   (актуальный код замены) Болт - Bolt

под заказ190 руб.
2001500-08127-000

Болт - Bolt (Bolt)

под заказ190 руб.
2108321-21088-000

Шайба с блокировкой - Washer, Lock ( (model f->e13)) (Washer, Lock)

под заказ140 руб.
2108321-01087-000

   (актуальный код замены) Шайба с блокировкой - Washer, Lock

под заказ140 руб.
2108321-01087-000

Шайба с блокировкой - Washer, Lock (Washer, lock ) (Washer, Lock)

под заказ140 руб.
2265700-96811-01J

Запчасть снята с производства - The Spare Part Is Laid Off (The Spare Part Is Laid Off)

под заказ0 руб.
2265700-96811-0ED

   (актуальный код замены) Запчасть снята с производства - The Spare Part Is Laid Off

под заказ0 руб.
2365720-98500-000

Разъем топливного коннектора - Plug, Fuel Connector (To 65720-98501) (Plug, Fuel Connector)

под заказ3170 руб.
2365720-985L1-000

   (актуальный код замены) Разъем топливного коннектора - Plug, Fuel Connector

5 шт3950 руб.
23SF80210-1

   (не оригинальный аналог) Адаптер топливный SUNFINE тип Suzuki, 7.5мм, 6720-98521

под заказ1270 руб.
2365720-985L1-000

Разъем топливного коннектора - Plug, Fuel Connector (Plug, Fuel Connector)

5 шт3950 руб.
2365720-98501-000

Разъем топливного коннектора - Plug, Fuel Connector (To 65720-98502) (Plug, Fuel Connector)

под заказ3170 руб.
2365720-985L1-000

   (актуальный код замены) Разъем топливного коннектора - Plug, Fuel Connector

5 шт3950 руб.
2365720-985L1-000

Разъем топливного коннектора - Plug, Fuel Connector (Plug, Fuel Connector)

5 шт3950 руб.
2402112-05168-000

Винт - Screw (Screw)

под заказ150 руб.
2402112-05167-000

   (актуальный код замены) Винт - Screw

под заказ150 руб.
2402112-05167-000

Винт - Screw (Screw)

под заказ150 руб.
2409125-05029-000

Винт (5x16) - Screw (5x16) (Screw (5x16))

под заказ0 руб.
2409125-05074-000

   (актуальный код замены) Запчасть снята с производства - The Spare Part Is Laid Off

под заказ0 руб.
2409125-05074-000

Винт (5x16) - Screw (5x16) (Screw (5x16))

под заказ0 руб.
2509401-08401-000

Зажим - Clip (Clip, fuel hose # Clip, fuel hose; To 09401-09402 ) (Clip)

под заказ120 руб.
2608310-22108-000

Гайка - Nut (Nut)

под заказ170 руб.
2608310-00107-000

   (актуальный код замены) Гайка - Nut

под заказ170 руб.
2608310-00107-000

Гайка - Nut (Nut)

под заказ170 руб.
2708321-21108-000

Шайба с блокировкой - Washer, Lock (Washer, Lock)

под заказ140 руб.
2708321-01107-000

   (актуальный код замены) Шайба с блокировкой - Washer, Lock

9 шт140 руб.
2708321-01107-000

Шайба с блокировкой - Washer, Lock (Lock washer ) (Washer, Lock)

9 шт140 руб.
2808310-12088-000

Гайка - Nut (E13) (Nut)

под заказ140 руб.
2808310-00087-000

   (актуальный код замены) Гайка - Nut

под заказ140 руб.
2808310-00087-000

Гайка - Nut (Nut)

под заказ140 руб.


Время выполнения запроса 3.87464594841 сек.

 
 

данный сайт носит информационный характер и не является публичной офертой

склад запчастей для водомоторной техники