Комплектующие на двигатель Suzuki - Коленвал / Crankshaft
вконтакте

Контактный телефон: +7 (981) 121-46-93, +7 (800) 200-90-76 , Email: parts-katalog@yandex.ru, где купить

 
 

  Логин:

Пароль:

Регистрация

www.partskatalog.ru Все каталоги Запчасти Mercury Запчасти Suzuki Запчасти Tohatsu Запчасти Honda Контакты



УВАЖАЕМЫЕ КЛИЕНТЫ!
C 19 ДЕКАБРЯ 2025 ПО 02 МАРТА 2026 ГОДА ОТДЕЛ ЗАПЧАСТЕЙ И СЕРВИС РАБОТАТЬ НЕ БУДУТ
ПРОДАЖА ЛОДОЧНЫХ МОТОРОВ В ШТАТНОМ РЕЖИМЕ
ОБ ИЗМЕНЕНИЯХ В ГРАФИКЕ РАБОТЫ ЧИТАЙТЕ НА САЙТА



назад Раздел:   вперёд

Вернуться к выбору узлов мотора


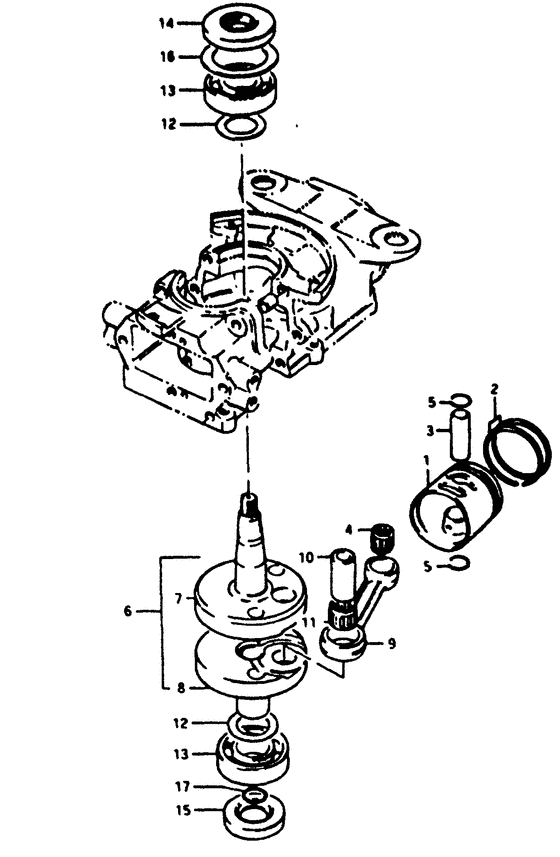
ДЕТАЛИРОВКА ДЛЯ МОДЕЛИ: SUZUKI DT9F F

Коленвал


Год выпуска двигателя: 1985

Регион: Japan

Номер на
рисунке
АртикулНаименованиеQTYКол-во
на складе
Цена
112110-98005-000

Запчасть снята с производства - The Spare Part Is Laid Off (To 12110-98006) (The Spare Part Is Laid Off)

под заказ0 руб.
112110-98006-000

   (актуальный код замены) Запчасть снята с производства - The Spare Part Is Laid Off

под заказ0 руб.
112110-98006-000

Запчасть снята с производства - The Spare Part Is Laid Off (The Spare Part Is Laid Off)

под заказ0 руб.
112110-98006-025

Запчасть снята с производства - The Spare Part Is Laid Off (Os:0.25, opt, from 12110-98720) (The Spare Part Is Laid Off)

под заказ0 руб.
112103-98810-025

   (актуальный код замены) Запчасть снята с производства - The Spare Part Is Laid Off

под заказ0 руб.
112110-98006-050

Запчасть снята с производства - The Spare Part Is Laid Off (Os:0.50, opt, from 12110-98730) (The Spare Part Is Laid Off)

под заказ0 руб.
112103-98820-050

   (актуальный код замены) Запчасть снята с производства - The Spare Part Is Laid Off

под заказ0 руб.
212140-98013-000

Поршневые кольца - Ring Set, Piston (Ring set, piston # T:1.5 ) (Ring Set, Piston)

под заказ0 руб.
212140-98013-025

Запчасть снята с производства - The Spare Part Is Laid Off (Os:0.25, opt, from 12140-98720) (The Spare Part Is Laid Off)

под заказ0 руб.
212140-19610-050

Запчасть снята с производства - The Spare Part Is Laid Off (Os:0.50, opt, from 12140-19760) (The Spare Part Is Laid Off)

под заказ0 руб.
312151-98000-000

Запчасть снята с производства - The Spare Part Is Laid Off (The Spare Part Is Laid Off)

под заказ0 руб.
409263-12003-000

Подшипник (12x16x16) - Bearing (12x16x16) (12x15.7x15.8) (Bearing (12x16x16))

под заказ960 руб.
409263-12023-000

   (актуальный код замены) Подшипник (12x16x16) - Bearing (12x16x16)

5 шт1030 руб.
409263-12023-000

Подшипник (12x16x16) - Bearing (12x16x16) (Bearing (12x16x15.8) ) (Bearing (12x16x16))

5 шт1030 руб.
509381-12001-000

Пружинное кольцо - Ring, Snap (Circlip # Circlip, piston pin; ) (Ring, Snap)

6 шт120 руб.
612200-98820-000

Запчасть снята с производства - The Spare Part Is Laid Off (The Spare Part Is Laid Off)

под заказ0 руб.
612200-98824-000

   (актуальный код замены) Запчасть снята с производства - The Spare Part Is Laid Off

под заказ0 руб.
612200-98821-000

Запчасть снята с производства - The Spare Part Is Laid Off (From 12200-98820, to 12200-98822) (The Spare Part Is Laid Off)

под заказ0 руб.
612200-98824-000

   (актуальный код замены) Запчасть снята с производства - The Spare Part Is Laid Off

под заказ0 руб.
612200-98822-000

Запчасть снята с производства - The Spare Part Is Laid Off (To 12200-98823) (The Spare Part Is Laid Off)

под заказ0 руб.
612200-98824-000

   (актуальный код замены) Запчасть снята с производства - The Spare Part Is Laid Off

под заказ0 руб.
612200-98823-000

Запчасть снята с производства - The Spare Part Is Laid Off (Dt4d-10767~) (The Spare Part Is Laid Off)

под заказ0 руб.
612200-98824-000

   (актуальный код замены) Запчасть снята с производства - The Spare Part Is Laid Off

под заказ0 руб.
712221-98003-000

Запчасть снята с производства - The Spare Part Is Laid Off (The Spare Part Is Laid Off)

под заказ0 руб.
812230-98000-000

Запчасть снята с производства - The Spare Part Is Laid Off (To 12230-98001) (The Spare Part Is Laid Off)

под заказ0 руб.
812230-98002-000

   (актуальный код замены) Запчасть снята с производства - The Spare Part Is Laid Off

под заказ0 руб.
812230-98001-000

Запчасть снята с производства - The Spare Part Is Laid Off (To 12230-98002) (The Spare Part Is Laid Off)

под заказ0 руб.
812230-98002-000

   (актуальный код замены) Запчасть снята с производства - The Spare Part Is Laid Off

под заказ0 руб.
812230-98002-000

Запчасть снята с производства - The Spare Part Is Laid Off (Dt4d-10767~) (The Spare Part Is Laid Off)

под заказ0 руб.
912161-35000-000

Шатун - Rod, Connecting (Rod, Connecting)

под заказ6920 руб.
912161-04710-000

   (актуальный код замены) Шатун - Rod, Connecting

под заказ6920 руб.
912161-04710-000

Шатун - Rod, Connecting (Rod, connecting ) (Rod, Connecting)

под заказ6920 руб.
1012211-98000-000

Штифт кривошипа - Pin, Crank (Pin, Crank)

под заказ0 руб.
1012211-98300-000

   (актуальный код замены) Запчасть снята с производства - The Spare Part Is Laid Off

под заказ0 руб.
1012211-98300-000

Штифт кривошипа - Pin, Crank (Pin, Crank)

под заказ0 руб.
1109263-16014-000

Подшипник (16x22x11.8) - Bearing (16x22x118) (From 09263-16002) (Bearing (16x22x11.8))

под заказ1940 руб.
1109263-16034-000

   (актуальный код замены) Подшипник (16x22x11.8) - Bearing (16x22x11.8)

под заказ1940 руб.
1109263-16034-000

Подшипник (16x22x11.8) - Bearing (16x22x118) (Bearing (16x22x11.8))

под заказ1940 руб.
1208221-20285-000

Регулировочная шайба (20x28x0.5) - Shim (20x28x05) (For 12230-98000) (Shim (20x28x0.5))

под заказ190 руб.
1209181-20158-000

   (актуальный код замены) Регулировочная шайба (20x28x0.5) - Shim (20x28x0.5)

под заказ190 руб.
1209181-20158-000

Регулировочная шайба (20x28x0.5) - Shim (20x28x05) (Shim, fwd (t:0.5) ) (Shim (20x28x0.5))

под заказ190 руб.
1308113-62040-000

Подшипник (20x47x14) - Bearing (20x47x14) (Bearing (20x47x14))

под заказ2160 руб.
1309262-20069-000

   (актуальный код замены) Подшипник (20x47x14) - Bearing (20x47x14)

3 шт2160 руб.
1362048HKOYO

   (подбор по маркировке) Подшипник NSK 6204(20*47*14 мм)

под заказ0
1309262-20069-000

Подшипник (20x47x14) - Bearing (20x47x14) (Bearing (20x47x14))

3 шт2160 руб.
1362048HKOYO

   (подбор по маркировке) Подшипник NSK 6204(20*47*14 мм)

под заказ0
1409283-20016-000

Сальник (20x47x8) - Seal, Oil (20x47x8) (20x47x8) (Seal, Oil (20x47x8))

под заказ650 руб.
1409283-20045-000

   (актуальный код замены) Сальник (20x47x8) - Seal, Oil (20x47x8)

14 шт980 руб.
1409283-20045-000

Сальник (20x47x8) - Seal, Oil (20x47x8) (Oil seal ) (Seal, Oil (20x47x8))

14 шт980 руб.
1509283-20018-000

Сальник (20x37x9) - Seal, Oil (20x37x9) (Oil seal, crankshaft lower; 20x37x9 ) (Seal, Oil (20x37x9))

7 шт1110 руб.
1509283-20072-000

   (актуальный код замены) Сальник (20x37x9) - Seal, Oil (20x37x9)

2 шт1110 руб.
15SC-OL073

   (не оригинальный аналог) Сальник коленвала Suzuki SC-OL073

под заказ240 руб.
1609160-38001-000

Шайба (38x51x1) - Washer (38x51x1) (38x51x1.0 ) (Washer (38x51x1))

под заказ0 руб.
1709280-15002-000

Уплотнительное кольцо (d: 1.9, Id: 14.5) - O Ring (d:19, Id:145) (O ring, lower crankshaft # O ring, lower crankshaft; Id:15, d:1.9 ) (O Ring (d:1.9, Id:14.5))

под заказ320 руб.
1709280-15024-000

   (актуальный код замены) Уплотнительное кольцо (d: 1.9, Id: 14.5) - O Ring (d:1.9, Id:14.5)

под заказ320 руб.


Время выполнения запроса 1.2437620162964 сек.

 
 

данный сайт носит информационный характер и не является публичной офертой

склад запчастей для водомоторной техники