Найти запчасти на мотор Suzuki модель 1985 года - Electrical
вконтакте

Контактный телефон: +7 (981) 121-46-93, +7 (800) 200-90-76 , Email: parts-katalog@yandex.ru, где купить

 
 

  Логин:

Пароль:

Регистрация

www.partskatalog.ru Все каталоги Запчасти Mercury Запчасти Suzuki Запчасти Tohatsu Запчасти Honda Контакты

назад Раздел:   вперёд

Вернуться к выбору узлов мотора


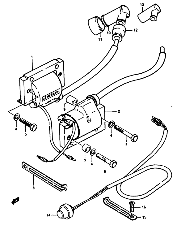
ДЕТАЛИРОВКА ДЛЯ МОДЕЛИ: SUZUKI DT9F F

Электрика


Год выпуска двигателя: 1985

Регион: Japan

Номер на
рисунке
АртикулНаименованиеQTYКол-во
на складе
Цена
133411-98520-000

Запчасть снята с производства - The Spare Part Is Laid Off (The Spare Part Is Laid Off)

под заказ0 руб.
133410-98520-000

Запчасть снята с производства - The Spare Part Is Laid Off (The Spare Part Is Laid Off)

под заказ0 руб.
133410-98521-000

   (актуальный код замены) Запчасть снята с производства - The Spare Part Is Laid Off

под заказ0 руб.
133410-98521-000

Запчасть снята с производства - The Spare Part Is Laid Off (From 33410-98520) (The Spare Part Is Laid Off)

под заказ0 руб.
233412-98520-000

Запчасть снята с производства - The Spare Part Is Laid Off (The Spare Part Is Laid Off)

под заказ0 руб.
233420-98520-000

Запчасть снята с производства - The Spare Part Is Laid Off (The Spare Part Is Laid Off)

под заказ0 руб.
233420-98521-000

   (актуальный код замены) Запчасть снята с производства - The Spare Part Is Laid Off

под заказ0 руб.
233420-98521-000

Запчасть снята с производства - The Spare Part Is Laid Off (From 33420-98520) (The Spare Part Is Laid Off)

под заказ0 руб.
301107-06358-000

Болт - Bolt (Bolt)

под заказ190 руб.
301500-06357-000

   (актуальный код замены) Болт - Bolt

под заказ190 руб.
301500-06357-000

Болт - Bolt (Bolt)

под заказ190 руб.
301107-06458-000

Болт - Bolt (Bolt)

под заказ190 руб.
301500-0645B-000

   (актуальный код замены) Болт - Bolt

под заказ190 руб.
301500-0645B-000

Болт - Bolt (Bolt)

под заказ190 руб.
408321-21068-000

Шайба с блокировкой - Washer, Lock (Washer, Lock)

под заказ140 руб.
408321-01067-000

   (актуальный код замены) Шайба с блокировкой - Washer, Lock

под заказ140 руб.
408321-01067-000

Шайба с блокировкой - Washer, Lock (Washer, Lock)

под заказ140 руб.
501107-06208-000

Болт - Bolt (Bolt)

под заказ150 руб.
501500-06207-000

   (актуальный код замены) Болт - Bolt

под заказ150 руб.
501500-06207-000

Болт - Bolt (Bolt)

под заказ150 руб.
601107-06308-000

Болт - Bolt (Bolt)

под заказ190 руб.
601500-06307-000

   (актуальный код замены) Болт - Bolt

под заказ190 руб.
601500-06307-000

Болт - Bolt (Bolt)

под заказ190 руб.
709180-06030-000

Проставка (6.5x10x10) - Spacer (65x10x10) (Spacer (6.5x10x10))

под заказ150 руб.
709180-06310-000

   (актуальный код замены) Проставка (6.5x10x10) - Spacer (6.5x10x10)

под заказ150 руб.
709180-06310-000

Проставка (6.5x10x10) - Spacer (65x10x10) (Spacer (6.8x10x10) ) (Spacer (6.5x10x10))

под заказ150 руб.
809404-06415-000

Струбцина (l: 80) - Clamp (l:80) (Clamp (l:80))

под заказ230 руб.
809404-06436-000

   (актуальный код замены) Струбцина (l: 80) - Clamp (l:80)

под заказ230 руб.
809404-06433-000

Струбцина (l: 80) - Clamp (l:80) (Clamp (l:80) ) (Clamp (l:80))

под заказ230 руб.
809404-06436-000

   (актуальный код замены) Струбцина (l: 80) - Clamp (l:80)

под заказ230 руб.
909180-06061-000

Проставка (6.5x10.5x15) - Spacer (65x105x15) (Spacer (6.5x10.5x15))

под заказ170 руб.
909180-06079-000

   (актуальный код замены) Проставка (6.5x10.5x15) - Spacer (6.5x10.5x15)

под заказ170 руб.
909180-06079-000

Проставка (6.5x10.5x15) - Spacer (65x105x15) (Spacer (6.5x10.5x15))

под заказ170 руб.
1033510-22010-000

Колпачок свечи зажигания - Cap Assy, Spark Plug (Cap Assy, Spark Plug)

1 шт2130 руб.
1133541-98002-000

Запчасть снята с производства - The Spare Part Is Laid Off (The Spare Part Is Laid Off)

под заказ0 руб.
1233542-98000-000

Сальник высоковольтного провода - Seal, High Tension Cord (Seal, High Tension Cord)

под заказ340 руб.
1233542-38B00-000

   (актуальный код замены) Сальник высоковольтного провода - Seal, High Tension Cord

под заказ340 руб.
1233542-38B00-000

Сальник высоковольтного провода - Seal, High Tension Cord (Seal, hightension cord ) (Seal, High Tension Cord)

под заказ340 руб.
1333510-95510-000

Колпачок свечи зажигания - Cap, Spark Plug (E13) (Cap, Spark Plug)

под заказ1800 руб.
1333510-95520-000

   (актуальный код замены) Колпачок свечи зажигания - Cap, Spark Plug

1 шт2100 руб.
1333510-95520-000

Колпачок свечи зажигания - Cap, Spark Plug (Cap, spark plug ) (Cap, Spark Plug)

1 шт2100 руб.
1437870-93113-000

Переключатель в сборе, Stop - Switch Assy, Stop (Switch Assy, Stop)

под заказ0 руб.
1437800-98572-000

   (актуальный код замены) Запчасть снята с производства - The Spare Part Is Laid Off

под заказ0 руб.
1437800-98572-000

Переключатель в сборе, Stop - Switch Assy, Stop (Switch assy, engine stop ) (Switch Assy, Stop)

под заказ0 руб.
1437800-93150-000

Переключатель в сборе, Stop - Switch Assy, Stop (From 37870-93113) (Switch Assy, Stop)

под заказ0 руб.
1437800-98572-000

   (актуальный код замены) Запчасть снята с производства - The Spare Part Is Laid Off

под заказ0 руб.
1437800-98572-000

Переключатель в сборе, Stop - Switch Assy, Stop (Switch assy, engine stop ) (Switch Assy, Stop)

под заказ0 руб.
1509404-06401-000

Струбцина (l: 45) - Clamp (l:45) (Clamp (l:45))

под заказ170 руб.
1509404-06031-000

   (актуальный код замены) Струбцина, Rsvr Tank Ovfl Шланг - Clamp, Rsvr Tank Ovfl Hose

под заказ170 руб.
1509404-06206-000

Струбцина (l: 45) - Clamp (l:45) (Clamp (l:45))

под заказ170 руб.
1509404-06031-000

   (актуальный код замены) Струбцина, Rsvr Tank Ovfl Шланг - Clamp, Rsvr Tank Ovfl Hose

под заказ170 руб.
1602112-06108-000

Винт - Screw (Screw)

под заказ120 руб.
1602112-06107-000

   (актуальный код замены) Винт - Screw

под заказ120 руб.
1602112-06107-000

Винт - Screw (Screw)

под заказ120 руб.


Время выполнения запроса 3.086639881134 сек.

 
 

данный сайт носит информационный характер и не является публичной офертой

склад запчастей для водомоторной техники