| |
 |
|
 |
Вернуться к выбору узлов мотора
ДЕТАЛИРОВКА ДЛЯ МОДЕЛИ: SUZUKI DT9.9K FROM 00993K-310001~
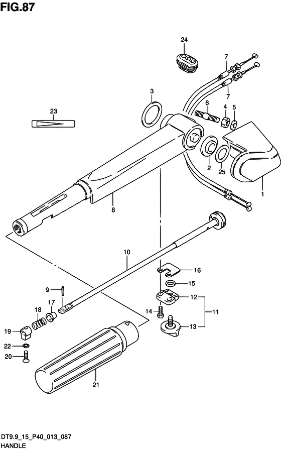
Handle
Год выпуска двигателя: 2013
Цвет: Shadow Black Metallic
Номер на рисунке | Артикул | Наименование | QTY | Кол-во на складе | Цена |
| 1 | 63121-90L00-0EP | Крышка румпеля - Cover, Tiller Handle (Cover, Tiller Handle) | | под заказ | 6800 руб. |
| 2 | 63114-94300-000 | Прокладка крышки румпеля - Spacer, Handle Cover (Spacer, handle cover ) (Spacer, Handle Cover) | | под заказ | 680 руб. |
| 2 | 63114-95L00-000 | (актуальный код замены) Прокладка крышки румпеля - Spacer, Handle Cover | | 7 шт | 800 руб. |
| 3 | 63115-96310-000 | Прокладка внутри крышки румпеля - Spacer, Handle Cover Inside (Spacer, handle cover inside ) (Spacer, Handle Cover Inside) | | 5 шт | 690 руб. |
| 4 | 09140-08023-XC0 | Гайка - Nut (Nut) | | 14 шт | 190 руб. |
| 5 | 29162-93J10-000 | Шайба (8.2x21.5x3) - Washer (82x215x3) (Lock washer (8.2x15.4x2.0) ) (Washer (8.2x21.5x3)) | | 4 шт | 130 руб. |
| 6 | 09108-08300-000 | Болт под шпильку - Bolt, Stud (Bolt, Stud) | | 2 шт | 360 руб. |
| 7 | 63610-91L00-000 | Тросик дросселя, в сборе - Cable Assy, Throttle (Cable Assy, Throttle) | | 17 шт | 1750 руб. |
| 8 | 63111-91L00-0EP | Ручка румпеля (чёрный) - Handle, Tiller (black) (Handle, Tiller (black)) | | 2 шт | 11200 руб. |
| 9 | 09205-03038-000 | Стопор пружины (3x14) - Pin, Spring (3x14) (Pin, rod ) (Pin, Spring (3x14)) | | 9 шт | 120 руб. |
| 10 | 63220-91L00-000 | Тяга румпеля - Rod, Handle (Rod, Handle) | | 1 шт | 2640 руб. |
| 11 | 63240-94J10-000 | Регулировка румпеля (комплект) Тяга - Adjuster Set, Handle Rod (Adjuster Set, Handle Rod) | | под заказ | 390 руб. |
| 11 | 63240-94J20-000 | (актуальный код замены) Регулировка румпеля (комплект) Тяга - Adjuster Set, Handle Rod | | 2 шт | 480 руб. |
| 12 | 63241-986B0-000 | Опора тяги румпеля - Support, Handle Rod (Support, Handle Rod) | | 1 шт | 410 руб. |
| 13 | 63244-94J00-000 | Ручка регулировки дросселя - Knob, Throttle Adj (Knob, adjuster ) (Knob, Throttle Adj) | | 12 шт | 220 руб. |
| 14 | 09136-05041-000 | Винт (5x20) - Screw (5x20) (Screw, rod adjuster ) (Screw (5x20)) | | 4 шт | 150 руб. |
| 15 | 09148-06008-000 | Гайка - Nut (Nut, adjuster knob ) (Nut) | | 4 шт | 110 руб. |
| 16 | 63225-94J00-000 | Пластина ручки Тяга Регулятор - Plate, Handle Rod Adjuster (Plate, Handle Rod Adjuster) | | под заказ | 190 руб. |
| 17 | 63225-93200-000 | Втулка тяги румпеля - Bush, Handle Rod (Bush, handle rod ) (Bush, Handle Rod) | | 16 шт | 480 руб. |
| 18 | 09440-12027-000 | Пружина - Spring (Spring) | | 12 шт | 170 руб. |
| 19 | 63223-92D00-000 | Стопор тяги румпеля - Stopper, Handle Rod (Stopper, handle rod ) (Stopper, Handle Rod) | | под заказ | 430 руб. |
| 20 | 09126-06015-000 | Винт (6x23) - Screw (6x23) (Screw (6x23)) | | 6 шт | 190 руб. |
| 21 | 63210-93E30-000 | Рукоятка румпеля - Grip, Handle (Grip, handle ) (Grip, Handle) | | 1 шт | 3390 руб. |
| 22 | 09163-06001-000 | Шайба с блокировкой - Washer, Lock (Washer, Lock) | | 13 шт | 120 руб. |
| 23 | 63215-93110-000 | Маркировка ручки румпеля - Mark, Handle Grip (Mark, handle grip ) (Mark, Handle Grip) | | под заказ | 320 руб. |
| 24 | 63625-93900-000 | Втулка тросика дросселя - Grommet, Throttlee Cable (Grommet, throttle cable ) (Grommet, Throttlee Cable) | | 2 шт | 390 руб. |
| 24 | 63625-93901-000 | (актуальный код замены) Втулка тросика дросселя - Grommet, Throttlee Cable | | под заказ | 390 руб. |
| 25 | 63118-94300-000 | Регулировочная шайба (0.3) - Shim (03) (Shim (13.2x31x0.3) ) (Shim (0.3)) | | 4 шт | 370 руб. |
| 25 | 63118-94310-000 | Регулировочная шайба (0.5) - Shim (05) (Shim (0.5) # OPT ) (Shim (0.5)) | | 14 шт | 570 руб. |
Время выполнения запроса 1.4160571098328 сек. |
|