Комплектующие на лодочный мотор SUZUKI - Fuel pump - Топливный насос
вконтакте

Контактный телефон: +7 (981) 121-46-93, +7 (800) 200-90-76 , Email: parts-katalog@yandex.ru, где купить

 
 

  Логин:

Пароль:

Регистрация

www.partskatalog.ru Все каталоги Запчасти Mercury Запчасти Suzuki Запчасти Tohatsu Запчасти Honda Контакты

назад Раздел:   вперёд

Вернуться к выбору узлов мотора


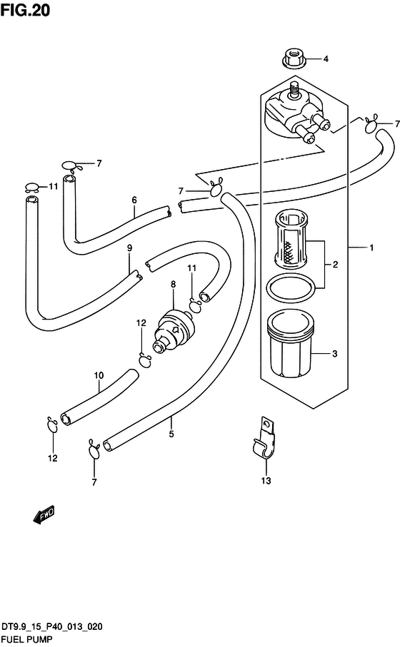
ДЕТАЛИРОВКА ДЛЯ МОДЕЛИ: SUZUKI DT9.9 FROM 00996-310001~

Топливный насос


Номер на
рисунке
АртикулНаименованиеQTYКол-во
на складе
Цена
115410-94400-000

Топливный фильтр в сборе - Filter Assy, Fuel (FOR KEROSENE ) (Filter Assy, Fuel)

3 шт2280 руб.
115410-94401-000

   (актуальный код замены) Топливный фильтр в сборе - Filter Assy, Fuel

32 шт2280 руб.
215430-87D10-000

Element Set - Element Set (Element Set)

4 шт1350 руб.
315413-87D10-000

Cвыше - Cup (Cup)

под заказ880 руб.
408316-10087-000

Гайка - Nut (Nut)

14 шт170 руб.
509355-50108-130

Шланг (5x10x130) - Hose (5x10x130) (FOR KEROSENE CONN TO FILTER ) (Hose (5x10x130))

под заказ530 руб.
509355-50001-130

   (актуальный код замены) Шланг (5x10x130) - Hose (5x10x130)

под заказ530 руб.
609355-50108-250

Шланг (5x10x250) - Hose (5x10x250) (FOR KEROSENE FILTER TO PUMP ) (Hose (5x10x250))

под заказ960 руб.
609355-50001-250

   (актуальный код замены) Шланг (5x10x250) - Hose (5x10x250)

под заказ960 руб.
759412-91J00-000

Зажим топливного шланга - Clip, Fuel Hose (Clip, fuel hose # FOR KEROSENE ) (Clip, Fuel Hose)

8 шт180 руб.
815410-94350-000

Топливный фильтр - Filter, Fuel (FOR GASOLINE ) (Filter, Fuel)

под заказ1080 руб.
915211-91J00-180

Водяной шланг Insp - Hose, Water Insp (FOR GASOLINE ) (Hose, Water Insp)

под заказ190 руб.
1009352-70113-00B

Шланг (7x11x2000) - Hose (7x11x2000) (Hose, drain (l:2000->50) # L:2000->70 FOR GASOLINE ) (Hose (7x11x2000))

под заказ2740 руб.
1009352-70119-00B

   (актуальный код замены) Шланг (7x11x2000) - Hose (7x11x2000)

под заказ2740 руб.
1109401-08410-000

Зажим - Clip (FOR GASOLINE ) (Clip)

под заказ130 руб.
1209401-11403-000

Зажим - Clip (Clip # FOR GASOLINE ) (Clip)

под заказ190 руб.
1309403-09316-000

Струбцина - Clamp (Clamp, tilt limit lead # FOR KEROSENE ) (Clamp)

под заказ160 руб.
1309403-09330-000

   (актуальный код замены) Струбцина, Tilt Limit Lead - Clamp, Tilt Limit Lead

под заказ160 руб.


Время выполнения запроса 2.2693028450012 сек.

 
 

данный сайт носит информационный характер и не является публичной офертой

склад запчастей для водомоторной техники