Подобрать запчасти на подвесной двигатель Сузуки модель 1981 года - Рукоятка
вконтакте

Контактный телефон: +7 (981) 121-46-93, +7 (800) 200-90-76 , Email: parts-katalog@yandex.ru, где купить

 
 

  Логин:

Пароль:

Регистрация

www.partskatalog.ru Все каталоги Запчасти Mercury Запчасти Suzuki Запчасти Tohatsu Запчасти Honda Контакты



УВАЖАЕМЫЕ КЛИЕНТЫ!
C 19 ДЕКАБРЯ 2025 ПО 02 МАРТА 2026 ГОДА ОТДЕЛ ЗАПЧАСТЕЙ И СЕРВИС РАБОТАТЬ НЕ БУДУТ
ПРОДАЖА ЛОДОЧНЫХ МОТОРОВ В ШТАТНОМ РЕЖИМЕ
ОБ ИЗМЕНЕНИЯХ В ГРАФИКЕ РАБОТЫ ЧИТАЙТЕ НА САЙТА



назад Раздел:   вперёд

Вернуться к выбору узлов мотора


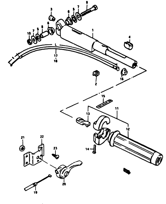
ДЕТАЛИРОВКА ДЛЯ МОДЕЛИ: SUZUKI DT9.9Y F

Handle - Рукоятка


Год выпуска двигателя: 1981

Номер на
рисунке
АртикулНаименованиеQTYКол-во
на складе
Цена
163111-93102-01J

Запчасть снята с производства - The Spare Part Is Laid Off (The Spare Part Is Laid Off)

под заказ0 руб.
163111-96100-0ED

   (актуальный код замены) Запчасть снята с производства - The Spare Part Is Laid Off

под заказ0 руб.
263112-93103-000

Запчасть снята с производства - The Spare Part Is Laid Off (The Spare Part Is Laid Off)

под заказ0 руб.
309321-07001-000

Запчасть снята с производства - The Spare Part Is Laid Off (The Spare Part Is Laid Off)

под заказ0 руб.
463331-93100-000

Запчасть снята с производства - The Spare Part Is Laid Off (TO 63331-93101) (The Spare Part Is Laid Off)

под заказ0 руб.
463331-93101-000

   (актуальный код замены) Запчасть снята с производства - The Spare Part Is Laid Off

под заказ0 руб.
563321-99000-000

под заказнет сведений
509305-12011-000

Запчасть снята с производства - The Spare Part Is Laid Off (The Spare Part Is Laid Off)

под заказ0 руб.
563321-99001-000

Седло, Румпель - Seat, Steering Handle (Seat, handle rubber ) (Seat, Steering Handle)

под заказ0 руб.
609305-12007-000

Запчасть снята с производства - The Spare Part Is Laid Off (The Spare Part Is Laid Off)

под заказ0 руб.
609305-12011-000

   (актуальный код замены) Запчасть снята с производства - The Spare Part Is Laid Off

под заказ0 руб.
709160-10041-000

Запчасть снята с производства - The Spare Part Is Laid Off (10.3X25X1.6) (The Spare Part Is Laid Off)

под заказ0 руб.
809303-10001-000

Запчасть снята с производства - The Spare Part Is Laid Off (10.5X12.5X24) (The Spare Part Is Laid Off)

под заказ0 руб.
909100-10091-000

Запчасть снята с производства - The Spare Part Is Laid Off (10X55) (The Spare Part Is Laid Off)

под заказ0 руб.
909100-10263-000

   (актуальный код замены) Запчасть снята с производства - The Spare Part Is Laid Off

под заказ0 руб.
1009140-10017-000

Гайка - Nut (Nut)

под заказ160 руб.
1009140-10032-000

   (актуальный код замены) Гайка - Nut

10 шт160 руб.
1009140-10032-000

Гайка - Nut (Nut)

10 шт160 руб.
1163200-93101-000

Рукоятка в сборе, Handle - Grip Assy, Handle (TO 63200-93102) (Grip Assy, Handle)

под заказ0 руб.
1163200-93103-000

   (актуальный код замены) Запчасть снята с производства - The Spare Part Is Laid Off

под заказ0 руб.
1163200-93103-000

Рукоятка в сборе, Handle - Grip Assy, Handle (Grip assy, throttle ) (Grip Assy, Handle)

под заказ0 руб.
1263210-93101-000

Запчасть снята с производства - The Spare Part Is Laid Off (TO 63210-93102) (The Spare Part Is Laid Off)

под заказ0 руб.
1263210-93102-000

   (актуальный код замены) Запчасть снята с производства - The Spare Part Is Laid Off

под заказ0 руб.
1363214-93100-000

Запчасть снята с производства - The Spare Part Is Laid Off (The Spare Part Is Laid Off)

под заказ0 руб.
1463218-93100-000

Запчасть снята с производства - The Spare Part Is Laid Off (The Spare Part Is Laid Off)

под заказ0 руб.
1563215-93100-000

Запчасть снята с производства - The Spare Part Is Laid Off (~DT9.9D-10351) (The Spare Part Is Laid Off)

под заказ0 руб.
1563215-93101-000

Маркировка ручки румпеля - Mark, Handle Grip ( (ENGLISH+FRENCH)) (Mark, Handle Grip)

под заказ320 руб.
1563215-93110-000

   (актуальный код замены) Маркировка ручки румпеля - Mark, Handle Grip

под заказ320 руб.
1563215-93110-000

Маркировка ручки румпеля - Mark, Handle Grip (Mark, handle grip ) (Mark, Handle Grip)

под заказ320 руб.
1609306-08008-000

Запчасть снята с производства - The Spare Part Is Laid Off (The Spare Part Is Laid Off)

под заказ0 руб.
1763610-96200-000

Запчасть снята с производства - The Spare Part Is Laid Off (L:420, L:53.5) (The Spare Part Is Laid Off)

под заказ0 руб.
1863610-93100-000

Запчасть снята с производства - The Spare Part Is Laid Off (L:420, L:53.5) (The Spare Part Is Laid Off)

под заказ0 руб.
1963610-93280-000

Запчасть снята с производства - The Spare Part Is Laid Off (L:1500, L:110, OPT (DT9, 9YD)) (The Spare Part Is Laid Off)

под заказ0 руб.
2063400-99011-000

Запчасть снята с производства - The Spare Part Is Laid Off (OPT (DT9, 9YD)) (The Spare Part Is Laid Off)

под заказ0 руб.
2063400-98900-000

   (актуальный код замены) Запчасть снята с производства - The Spare Part Is Laid Off

под заказ0 руб.
2109140-06004-000

Гайка - Nut (OPT (DT9, 9YD)) (Nut)

под заказ150 руб.
2109140-06020-000

   (актуальный код замены) Гайка - Nut

9 шт150 руб.
2109140-06020-000

Гайка - Nut (Nut)

9 шт150 руб.
2263621-93280-000

Запчасть снята с производства - The Spare Part Is Laid Off (OPT (DT9, 9YD)) (The Spare Part Is Laid Off)

под заказ0 руб.
2303112-05209-000

Винт - Screw (OPT (DT9, 9YD)) (Screw)

под заказ150 руб.
2303111-0520A-000

   (актуальный код замены) Винт - Screw

под заказ150 руб.
2303111-0520A-000

Винт - Screw (Screw)

под заказ150 руб.


Время выполнения запроса 1.4209051132202 сек.

 
 

данный сайт носит информационный характер и не является публичной офертой

склад запчастей для водомоторной техники