Подобрать оригинальные запчасти на лодочный мотор Сузуки - Трансмиссия
вконтакте

Контактный телефон: +7 (981) 121-46-93, +7 (800) 200-90-76 , Email: parts-katalog@yandex.ru, где купить

 
 

  Логин:

Пароль:

Регистрация

www.partskatalog.ru Все каталоги Запчасти Mercury Запчасти Suzuki Запчасти Tohatsu Запчасти Honda Контакты



УВАЖАЕМЫЕ КЛИЕНТЫ!
C 19 ДЕКАБРЯ 2025 ПО 02 МАРТА 2026 ГОДА ОТДЕЛ ЗАПЧАСТЕЙ И СЕРВИС РАБОТАТЬ НЕ БУДУТ
ПРОДАЖА ЛОДОЧНЫХ МОТОРОВ В ШТАТНОМ РЕЖИМЕ
ОБ ИЗМЕНЕНИЯХ В ГРАФИКЕ РАБОТЫ ЧИТАЙТЕ НА САЙТА



назад Раздел:   вперёд

Вернуться к выбору узлов мотора


ДЕТАЛИРОВКА ДЛЯ МОДЕЛИ: SUZUKI DT9.9K FROM 00993K-210001~

Трансмиссия


Год выпуска двигателя: 2012

Цвет: Shadow Black Metallic

Номер на
рисунке
АртикулНаименованиеQTYКол-во
на складе
Цена
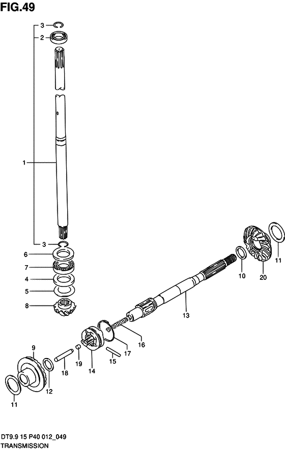
157100-90L00-000

Приводной (вертикальный вал) (l) - Shaft Assy, Drive (l) (TRANSOM (L) ) (Shaft Assy, Drive (l))

5 шт18360 руб.
157100-90L10-000

Приводной (вертикальный вал) (s) - Shaft Assy, Drive (s) (TRANSOM (S) ) (Shaft Assy, Drive (s))

8 шт18550 руб.
208110-60020-000

Подшипник - Bearing (Bearing ) (Bearing)

9 шт1490 руб.
2SK08110-60020

   (не оригинальный аналог) Подшипник торсионного вала Skipper для Suzuki DT9.9-15, DF9.9-300, DF8A-350A

1 шт424 руб.
208110-60020

   (не оригинальный аналог) Подшипник ведущего вала редуктора Suzuki 08110-60020

под заказ700 руб.
309380-15001-000

Пружинное кольцо - Ring, Snap (Circlip ) (Ring, Snap)

36 шт150 руб.
3SK09380-15001

   (не оригинальный аналог) Кольцо стопорное подшипника ведущего вала Skipper для Suzuki DT9,9-15 / DF9,9-20

0 шт42 руб.
409160-20027-000

Шайба (20x35x2.75) - Washer (20x35x275) (Washer (20x35x2.75) ) (Washer (20x35x2.75))

14 шт690 руб.
509160-20042-000

Регулировочная шайба (20x34x1.1) - Shim (20x34x11) (Shim (t:1.1) ) (Shim (20x34x1.1))

6 шт240 руб.
509160-20043-000

Регулировочная шайба (20x34x1.2) - Shim (20x34x12) (Shim (t:1.2) ) (Shim (20x34x1.2))

4 шт240 руб.
509160-20044-000

Регулировочная шайба (20x34x1.3) - Shim (20x34x13) (Shim (t:1.3) ) (Shim (20x34x1.3))

7 шт240 руб.
509181-20244-000

Регулировочная шайба (20x34x0.7) - Shim (20x34x07) (Shim (20x34x0.7))

3 шт270 руб.
509181-20246-000

Регулировочная шайба (20x34x0.8) - Shim (20x34x08) (Shim (20x34x0.8))

31 шт220 руб.
509181-20248-000

Регулировочная шайба (20x34x0.9) - Shim (20x34x09) (Shim (20x34x0.9))

9 шт290 руб.
509181-20251-000

Регулировочная шайба (20x34x1) - Shim (20x34x1) (Shim (t:1.0) ) (Shim (20x34x1))

10 шт220 руб.
609160-21009-000

Шайба (21x35x2.75) - Washer (21x35x275) (Washer (21x35x2.75) ) (Washer (21x35x2.75))

20 шт760 руб.
709263-20024-000

Подшипник (20x35x4.5) - Bearing (20x35x45) (Bearing (20x35x4.5))

14 шт4380 руб.
7SK09263-20024

   (не оригинальный аналог) Подшипник торсионного вала Skipper для Suzuki DT9.9-15, DF9.9-15, DF8A-20A

0 шт428 руб.
7SC-FT047

   (не оригинальный аналог) Опорный подшипник ведущей шестерни редуктора Suzuki SC-FT047

под заказ1060 руб.
709263-20L04-000

Подшипник (20x35x4.5) - Bearing (20x35x45) (Bearing (20x35x4.5))

1 шт4380 руб.
709263-20024-000

   (актуальный код замены) Подшипник (20x35x4.5) - Bearing (20x35x4.5)

14 шт4380 руб.
857311-93910-000

Шестерня - Pinion (Pinion)

под заказ6200 руб.
8RTT-939-GRSET

   (не оригинальный аналог) Комплект RTT-939-GRSET из трех шестерен редуктора Suzuki DT15

1 шт10000 руб.
857311-90L00-000

   (актуальный код замены) Шестерня - Pinion

11 шт6490 руб.
8SK57311-93910

   (не оригинальный аналог) Шестерня редуктора Skipper для Suzuki DT/DF9.9-15

0 шт1448 руб.
857311-93910

   (не оригинальный аналог) Ведущая шестерня редуктора Suzuki 57311-93910

под заказ2450 руб.
8SC-GA078

   (не оригинальный аналог) Ведущая шестерня редуктора Suzuki SC-GA078

под заказ1930 руб.
857311-93910

   (не оригинальный аналог) Ведущая шестерня редуктора Suzuki 57311-93910

под заказ2450 руб.
857311-90L00-000

Шестерня - Pinion (Pinion)

11 шт6490 руб.
957510-93910-000

Шестерня переднего хода - Gear, Forward (Gear, Forward)

под заказ15360 руб.
9RTT-939-GRSET

   (не оригинальный аналог) Комплект RTT-939-GRSET из трех шестерен редуктора Suzuki DT15

1 шт10000 руб.
957510-90L00-000

   (актуальный код замены) Шестерня переднего хода - Gear, Forward

12 шт17360 руб.
9SK57510-93910

   (не оригинальный аналог) Шестерня переднего хода Skipper для Suzuki Модели техники: DT / DF9.9-15

0 шт2483 руб.
957510-93910

   (не оригинальный аналог) Шестерня переднего хода Suzuki 57510-93910

под заказ4350 руб.
9SC-GA079

   (не оригинальный аналог) Шестерня переднего хода Suzuki SC-GA079

под заказ4050 руб.
957510-93910

   (не оригинальный аналог) Шестерня переднего хода Suzuki 57510-93910

под заказ4350 руб.
957510-90L00-000

Шестерня переднего хода - Gear, Forward (Gear, Forward)

12 шт17360 руб.
1009160-17024-000

Шайба (17x23x1.1) - Washer (17x23x11) (Washer (17x23x1.1))

13 шт170 руб.
1009160-17025-000

Шайба (17x23x1.3) - Washer (17x23x13) (Washer (17x23x1.3))

13 шт170 руб.
1009160-17026-000

Шайба (17x23x1.5) - Washer (17x23x15) (Washer (t:1.5) ) (Washer (17x23x1.5))

8 шт170 руб.
1009160-17027-000

Шайба (17x23x1.7) - Washer (17x23x17) (Washer (t:1.7) ) (Washer (17x23x1.7))

15 шт170 руб.
1009160-17028-000

Шайба (17x23x1.9) - Washer (17x23x19) (Washer (t:1.9) ) (Washer (17x23x1.9))

6 шт170 руб.
1009160-17039-000

Шайба (17x23x1.2) - Washer (17x23x12) (Washer (17x23x1.2))

под заказ220 руб.
1009160-17040-000

Шайба (17x23x1.4) - Washer (17x23x14) (Washer (17x23x1.4))

4 шт220 руб.
1009160-17041-000

Шайба (17x23x1.6) - Washer (17x23x16) (Washer (17x23x1.6))

5 шт220 руб.
1009160-17042-000

Шайба (17x23x1.8) - Washer (17x23x18) (Washer (17x23x1.8))

5 шт220 руб.
1109160-25040-000

Шайба (25x34x1) - Washer (25x34x1) (Shim (t:1.0) ) (Washer (25x34x1))

2 шт240 руб.
1109160-25041-000

Шайба (25x34x1.1) - Washer (25x34x11) (Shim (t:1.1) ) (Washer (25x34x1.1))

под заказ240 руб.
1109160-25042-000

Шайба (25x34x1.2) - Washer (25x34x12) (Shim (t:1.2) ) (Washer (25x34x1.2))

3 шт240 руб.
1109181-25160-000

Регулировочная шайба (25x34x0.7) - Shim (25x34x07) (Shim (t:0.7) ) (Shim (25x34x0.7))

7 шт220 руб.
1109181-25162-000

Регулировочная шайба (25x34x0.8) - Shim (25x34x08) (Shim (25x34x0.8))

8 шт270 руб.
1109181-25164-000

Регулировочная шайба (25x34x0.9) - Shim (25x34x09) (Shim (25x34x0.9))

11 шт220 руб.
1109181-25181-000

Регулировочная шайба (25x34x1.3) - Shim (25x34x13) (Shim (t:1.3) ) (Shim (25x34x1.3))

4 шт240 руб.
1209181-15156-000

Регулировочная шайба (15x22x1.5) - Shim (15x22x15) (Washer (t:1.5) ) (Shim (15x22x1.5))

5 шт240 руб.
1357610-90L00-000

Вал гребного винта - Shaft, Propeller (Shaft, Propeller)

2 шт16510 руб.
13SC-PL045

   (не оригинальный аналог) Гребной вал Suzuki SC-PL045

под заказ6960 руб.
1457621-93902-000

Переключатель собачки сцепления - Shifter, Clutch Dog (Shifter, Clutch Dog)

под заказ3170 руб.
1457621-90L11-000

   (актуальный код замены) Переключатель собачки сцепления - Shifter, Clutch Dog

5 шт5080 руб.
14SC-GA156

   (не оригинальный аналог) Храповик переключения хода Suzuki SC-GA156

под заказ3480 руб.
1457621-90L10-000

Переключатель собачки сцепления - Shifter, Clutch Dog (Shifter, Clutch Dog)

3 шт5080 руб.
1457621-90L11-000

   (актуальный код замены) Переключатель собачки сцепления - Shifter, Clutch Dog

5 шт5080 руб.
1509202-04025-000

Штифт (4x31) - Pin (4x31) (Pin (4x31))

20 шт690 руб.
1609440-05027-000

Пружина - Spring (Spring)

2 шт180 руб.
1709440-32008-000

Пружина - Spring (Spring)

16 шт240 руб.
1857631-93901-000

Тяга толкателя - Rod, Push (Rod, Push)

26 шт900 руб.
18SK57631-93901

   (не оригинальный аналог) Толкатель Skipper для Suzuki DT9.9/15/DF9.9/15

0 шт211 руб.
1957632-98500-000

Штифт толкателя - Pin, Push (Pin, Push)

под заказ480 руб.
1957632-97L00-000

   (актуальный код замены) Штифт толкателя - Pin, Push

11 шт540 руб.
1957632-98501-000

Штифт толкателя - Pin, Push (Pin, Push)

под заказ480 руб.
1957632-97L00-000

   (актуальный код замены) Штифт толкателя - Pin, Push

11 шт540 руб.
2057521-93910-000

Шестерня обратного хода - Gear, Revers (Gear, Revers)

под заказ13440 руб.
20RTT-939-GRSET

   (не оригинальный аналог) Комплект RTT-939-GRSET из трех шестерен редуктора Suzuki DT15

1 шт10000 руб.
2057521-90L00-000

   (актуальный код замены) Шестерня обратного хода - Gear, Reverse

6 шт14610 руб.
20SK57521-93910

   (не оригинальный аналог) Шестерня заднего хода Skipper для Suzuki Модели техники: DT / DF9.9-15

0 шт2629 руб.
2057521-93910

   (не оригинальный аналог) Шестерня заднего хода Suzuki 57521-93910

под заказ4330 руб.
20SC-GA080

   (не оригинальный аналог) Шестерня заднего хода Suzuki SC-GA080

под заказ4070 руб.
2057521-93910

   (не оригинальный аналог) Шестерня заднего хода Suzuki 57521-93910

под заказ4330 руб.
2057521-90L00-000

Шестерня обратного хода - Gear, Revers (Gear, Revers)

6 шт14610 руб.


Время выполнения запроса 1.2984189987183 сек.

 
 

данный сайт носит информационный характер и не является публичной офертой

склад запчастей для водомоторной техники