Найти запчасти на лодочный подвесной мотор Сузуки модель года - Водяной насос - Water pump
вконтакте

Контактный телефон: +7 (981) 121-46-93, +7 (800) 200-90-76 , Email: parts-katalog@yandex.ru, где купить

 
 

  Логин:

Пароль:

Регистрация

www.partskatalog.ru Все каталоги Запчасти Mercury Запчасти Suzuki Запчасти Tohatsu Запчасти Honda Контакты



УВАЖАЕМЫЕ КЛИЕНТЫ!
C 19 ДЕКАБРЯ 2025 ПО 02 МАРТА 2026 ГОДА ОТДЕЛ ЗАПЧАСТЕЙ И СЕРВИС РАБОТАТЬ НЕ БУДУТ
ПРОДАЖА ЛОДОЧНЫХ МОТОРОВ В ШТАТНОМ РЕЖИМЕ
ОБ ИЗМЕНЕНИЯХ В ГРАФИКЕ РАБОТЫ ЧИТАЙТЕ НА САЙТА



назад Раздел:   вперёд

Вернуться к выбору узлов мотора


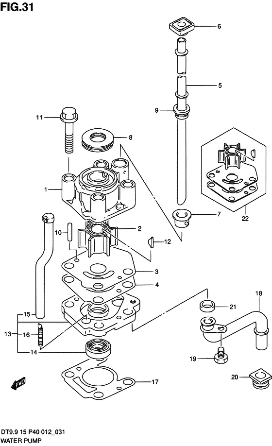
ДЕТАЛИРОВКА ДЛЯ МОДЕЛИ: SUZUKI DT9.9 FROM 00996-210001~

Водяной насос


Номер на
рисунке
АртикулНаименованиеQTYКол-во
на складе
Цена
117410-93910-000

Корпус водяного насоса - Case, Water Pump (Case, Water Pump)

под заказ8020 руб.
1SK17410-93910

   (не оригинальный аналог) Корпус помпы охлаждения Skipper для Suzuki DT9.9-15

0 шт3953 руб.
117410-93910

   (не оригинальный аналог) Корпус помпы охлаждения Suzuki 17410-93910

под заказ6510 руб.
217461-93903-000

Крыльчатка водяного насоса - Impeller, Water Pump (Impeller, Water Pump)

под заказ2520 руб.
217461-939M0-000

   (актуальный код замены) Крыльчатка водяного насоса - Impeller, Water Pump

38 шт2600 руб.
2SK17461-93903P

   (не оригинальный аналог) Крыльчатка Skipper для Suzuki DT9.9-15, DF9.9-15 Performance

2 шт589 руб.
2SK17461-93903

   (не оригинальный аналог) Крыльчатка Skipper для Suzuki DT9.9-15, DF9.9-15 Standard

0 шт589 руб.
2SC-WT114

   (не оригинальный аналог) Крыльчатка помпы охлаждения двигателя Suzuki SC-WT114

под заказ950 руб.
2SC-WT114

   (не оригинальный аналог) Крыльчатка помпы охлаждения двигателя Suzuki SC-WT114

под заказ950 руб.
217461-939M0-000

Крыльчатка водяного насоса - Impeller, Water Pump (Impeller, Water Pump)

38 шт2600 руб.
317471-90L00-000

Панель в нижней части корпуса помпы - Panel, Pump Case Under (Panel, Pump Case Under)

3 шт1580 руб.
417472-93911-000

Прокладка панели корпуса помпы - Gasket, Pump Case Panel (Gasket, pump case panel ) (Gasket, Pump Case Panel)

10 шт480 руб.
4SM-17472-93911-000

   (не оригинальный аналог) Прокладка SM-17472-93911-000 панели корпуса помпы

1 шт130 руб.
517561-93912-000

Водяная трубка (s) - Tube, Water (s) (TRANSOM (S)) (Tube, Water (s))

под заказ1490 руб.
517561-90L10-000

   (актуальный код замены) Водяная трубка (s) - Tube, Water (s)

1 шт1490 руб.
517561-90L10-000

Водяная трубка (s) - Tube, Water (s) (Tube, Water (s))

1 шт1490 руб.
617563-93900-000

Верхний пыльник водяной трубки - Grommet, Water Tube Upr (Rubber, water tube, upper ) (Grommet, Water Tube Upr)

5 шт290 руб.
617563-93901-000

   (актуальный код замены) Верхний пыльник водяной трубки - Grommet, Water Tube Upr

7 шт290 руб.
717564-93900-000

Втулка корпуса водяной помпы - Bush, Water Pump Case (Bush, water pump case ) (Bush, Water Pump Case)

под заказ290 руб.
717564-93901-000

   (актуальный код замены) Втулка корпуса водяной помпы - Bush, Water Pump Case

3 шт370 руб.
817417-93910-000

Пыльник корпуса помпы - Grommet, Pump Case (Grommet, Pump Case)

под заказ350 руб.
817417-93911-000

   (актуальный код замены) Пыльник корпуса помпы - Grommet, Pump Case

29 шт350 руб.
917563-94J00-000

Пыльник водяной трубки - Grommet, Water Tube (Grommet, Water Tube)

7 шт140 руб.
1009202-04014-000

Штифт (4x19) - Pin (4x19) (Pin (4x19) ) (Pin (4x19))

10 шт150 руб.
1109116-08117-000

Болт (8x55) - Bolt (8x55) (Bolt (8x55))

под заказ330 руб.
1109116-08159-000

   (актуальный код замены) Болт (8x55) - Bolt (8x55)

под заказ330 руб.
1109116-08159-000

Болт (8x55) - Bolt (8x55) (Bolt (8x55))

под заказ330 руб.
1209420-03005-000

Ключ - Key (Key)

под заказ400 руб.
1209420-03009-000

   (актуальный код замены) Ключ - Key

14 шт400 руб.
12SC-WT224

   (не оригинальный аналог) Шпонка крыльчатки Suzuki SC-WT224

под заказ470 руб.
1209420-03009-000

Ключ - Key (Key)

14 шт400 руб.
1317450-93970-000

Корпус водозаборника - Housing, Water Inlet (Housing, Water Inlet)

под заказ0 руб.
1409289-12003-000

Сальник (12x26x10) - Seal, Oil (12x26x10) (Seal, oil ) (Seal, Oil (12x26x10))

51 шт890 руб.
14SK09289-12003

   (не оригинальный аналог) Сальник ведущего вала Skipper для Suzuki Модели техники: DT9.9-15, DF9.9-15

1 шт133 руб.
14SC-OL300

   (не оригинальный аналог) Сальник редуктора Suzuki SC-OL300

под заказ240 руб.
1517453-93901-000

Дренаж ввода воды - Drain, Water Inlet (Drain, Water Inlet)

5 шт550 руб.
1655127-87D00-000

Заглушка, Соединение - Plug, Union (Union, speedometer hose ) (Plug, Union)

под заказ380 руб.
1717452-93910-000

Прокладка корпуса водозаборника - Gasket, Water Inlet Housing (Gasket, Water Inlet Housing)

17 шт600 руб.
17SM-17452-93910-000

   (не оригинальный аналог) Прокладка SM-17452-93910-000 под основание помпы

под заказ130 руб.
17SK17452-93910

   (не оригинальный аналог) Прокладка водяного насоса Skipper для Suzuki DT9.9-15, DF9.9-15

0 шт122 руб.
1817520-94J01-000

Водяная трубка вход - Tube, Water Inlet (Tube, Water Inlet)

7 шт990 руб.
1909100-06106-000

Болт (6x9) - Bolt (6x9) (Bolt (6x9) ) (Bolt (6x9))

под заказ160 руб.
2059317-94J00-000

Пыльник нижней трубки водозаборника - Grommet, Water Inlet Tube Lwr (Grommet, Water Inlet Tube Lwr)

7 шт270 руб.
2109308-10011-000

Пыльник - Grommet (Grommet)

под заказ430 руб.
2109308-10019-000

   (актуальный код замены) Пыльник - Grommet

4 шт510 руб.
2217400-93911-000

Ремкомплект водяного насоса - Kit, Water Pump Repair (OPT) (Kit, Water Pump Repair)

1 шт9700 руб.
2217400-93913-000

   (актуальный код замены) Ремкомплект водяного насоса - Kit, Water Pump Repair

9 шт9700 руб.
22SK17400-93911-2

   (не оригинальный аналог) Пластина помпы Skipper для Suzuki DT9,9-DT15

0 шт142 руб.
22SK17400-93911

   (не оригинальный аналог) Ремкомплект помпы охлаждения Skipper

0 шт1368 руб.
2217400-93912-000

Ремкомплект водяного насоса - Kit, Water Pump Repair (Kit, Water Pump Repair)

под заказ7780 руб.
2217400-93913-000

   (актуальный код замены) Ремкомплект водяного насоса - Kit, Water Pump Repair

9 шт9700 руб.


Время выполнения запроса 1.3425130844116 сек.

 
 

данный сайт носит информационный характер и не является публичной офертой

склад запчастей для водомоторной техники