Подобрать запчасти на подвесной двигатель SUZUKI модель года - Handle
вконтакте

Контактный телефон: +7 (981) 121-46-93, +7 (800) 200-90-76 , Email: parts-katalog@yandex.ru, где купить

 
 

  Логин:

Пароль:

Регистрация

www.partskatalog.ru Все каталоги Запчасти Mercury Запчасти Suzuki Запчасти Tohatsu Запчасти Honda Контакты



УВАЖАЕМЫЕ КЛИЕНТЫ!
C 19 ДЕКАБРЯ 2025 ПО 02 МАРТА 2026 ГОДА ОТДЕЛ ЗАПЧАСТЕЙ И СЕРВИС РАБОТАТЬ НЕ БУДУТ
ПРОДАЖА ЛОДОЧНЫХ МОТОРОВ В ШТАТНОМ РЕЖИМЕ
ОБ ИЗМЕНЕНИЯХ В ГРАФИКЕ РАБОТЫ ЧИТАЙТЕ НА САЙТА



назад Раздел:   вперёд

Вернуться к выбору узлов мотора


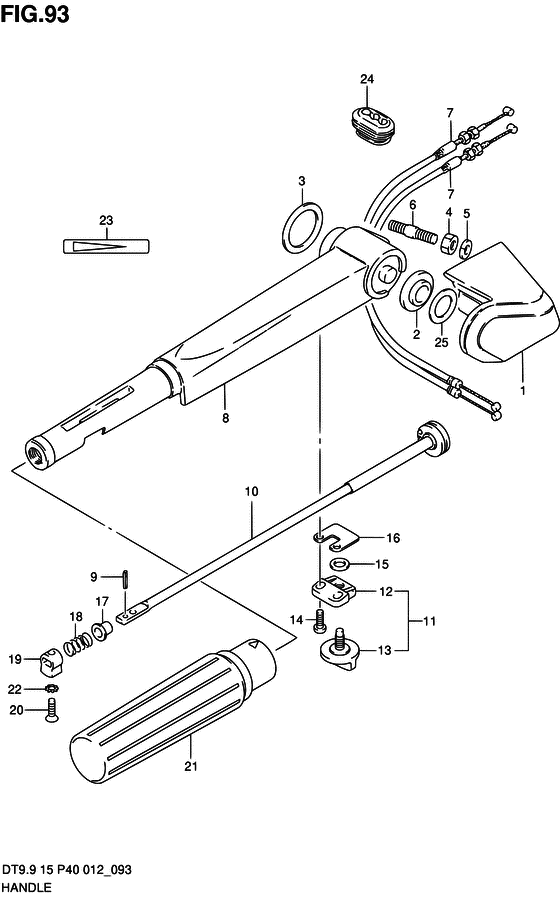
ДЕТАЛИРОВКА ДЛЯ МОДЕЛИ: SUZUKI DT9.9 FROM 00996-210001~

Handle


Номер на
рисунке
АртикулНаименованиеQTYКол-во
на складе
Цена
163121-90L00-0EP

Крышка румпеля - Cover, Tiller Handle (Cover, Tiller Handle)

под заказ6800 руб.
263114-94300-000

Прокладка крышки румпеля - Spacer, Handle Cover (Spacer, handle cover ) (Spacer, Handle Cover)

под заказ680 руб.
263114-95L00-000

   (актуальный код замены) Прокладка крышки румпеля - Spacer, Handle Cover

7 шт800 руб.
363115-96310-000

Прокладка внутри крышки румпеля - Spacer, Handle Cover Inside (Spacer, handle cover inside ) (Spacer, Handle Cover Inside)

5 шт690 руб.
409140-08023-XC0

Гайка - Nut (Nut)

14 шт190 руб.
529162-93J10-000

Шайба (8.2x21.5x3) - Washer (82x215x3) (Lock washer (8.2x15.4x2.0) ) (Washer (8.2x21.5x3))

4 шт130 руб.
609108-08300-000

Болт под шпильку - Bolt, Stud (Bolt, Stud)

2 шт360 руб.
763610-96321-000

Тросик дросселя, в сборе - Cable Assy, Throttle (Cable Assy, Throttle)

под заказ1080 руб.
763610-91L00-000

   (актуальный код замены) Тросик дросселя, в сборе - Cable Assy, Throttle

16 шт1750 руб.
7SK63610-96321

   (не оригинальный аналог) Трос румпеля Skipper для Suzuki DT9.9-30

0 шт568 руб.
763610-91L00-000

Тросик дросселя, в сборе - Cable Assy, Throttle (Cable Assy, Throttle)

16 шт1750 руб.
863111-91L00-0EP

Ручка румпеля (чёрный) - Handle, Tiller (black) (Handle, Tiller (black))

2 шт11200 руб.
909205-03038-000

Стопор пружины (3x14) - Pin, Spring (3x14) (Pin, rod ) (Pin, Spring (3x14))

9 шт120 руб.
1063220-96320-000

Тяга румпеля - Rod, Handle (Rod, Handle)

под заказ4590 руб.
1163240-94J00-000

Регулировка румпеля (комплект) Тяга - Adjuster Set, Handle Rod (Adjuster Set, Handle Rod)

под заказ390 руб.
1163240-94J20-000

   (актуальный код замены) Регулировка румпеля (комплект) Тяга - Adjuster Set, Handle Rod

под заказ480 руб.
1163240-94J10-000

Регулировка румпеля (комплект) Тяга - Adjuster Set, Handle Rod (Adjuster Set, Handle Rod)

под заказ390 руб.
1163240-94J20-000

   (актуальный код замены) Регулировка румпеля (комплект) Тяга - Adjuster Set, Handle Rod

под заказ480 руб.
1263241-98601-000

Опора тяги румпеля - Support, Handle Rod (Support, Handle Rod)

под заказ330 руб.
1263241-986B0-000

   (актуальный код замены) Опора тяги румпеля - Support, Handle Rod

1 шт410 руб.
1263241-986B0-000

Опора тяги румпеля - Support, Handle Rod (Support, Handle Rod)

1 шт410 руб.
1363244-94J00-000

Ручка регулировки дросселя - Knob, Throttle Adj (Knob, adjuster ) (Knob, Throttle Adj)

12 шт220 руб.
1409136-05041-000

Винт (5x20) - Screw (5x20) (Screw, rod adjuster ) (Screw (5x20))

4 шт150 руб.
1509148-06008-000

Гайка - Nut (Nut, adjuster knob ) (Nut)

4 шт110 руб.
1663225-94J00-000

Пластина ручки Тяга Регулятор - Plate, Handle Rod Adjuster (Plate, Handle Rod Adjuster)

под заказ190 руб.
1763225-93200-000

Втулка тяги румпеля - Bush, Handle Rod (Bush, handle rod ) (Bush, Handle Rod)

14 шт480 руб.
1809440-12027-000

Пружина - Spring (Spring)

12 шт170 руб.
1963223-92D00-000

Стопор тяги румпеля - Stopper, Handle Rod (Stopper, handle rod ) (Stopper, Handle Rod)

под заказ430 руб.
2009126-06015-000

Винт (6x23) - Screw (6x23) (Screw (6x23))

6 шт190 руб.
2163210-93E30-000

Рукоятка румпеля - Grip, Handle (Grip, handle ) (Grip, Handle)

1 шт3390 руб.
2209163-06001-000

Шайба с блокировкой - Washer, Lock (Washer, Lock)

13 шт120 руб.
2363215-93110-000

Маркировка ручки румпеля - Mark, Handle Grip (Mark, handle grip ) (Mark, Handle Grip)

под заказ320 руб.
2463625-93900-000

Втулка тросика дросселя - Grommet, Throttlee Cable (Grommet, throttle cable ) (Grommet, Throttlee Cable)

2 шт390 руб.
2463625-93901-000

   (актуальный код замены) Втулка тросика дросселя - Grommet, Throttlee Cable

под заказ390 руб.
2563118-94300-000

Регулировочная шайба (0.3) - Shim (03) (Shim (13.2x31x0.3) ) (Shim (0.3))

4 шт370 руб.
2563118-94310-000

Регулировочная шайба (0.5) - Shim (05) (Shim (0.5) # OPT ) (Shim (0.5))

14 шт570 руб.


Время выполнения запроса 0.97736597061157 сек.

 
 

данный сайт носит информационный характер и не является публичной офертой

склад запчастей для водомоторной техники