| |
 |
|
 |
Вернуться к выбору узлов мотора
ДЕТАЛИРОВКА ДЛЯ МОДЕЛИ: SUZUKI DT9.9 FROM 00996-210001~
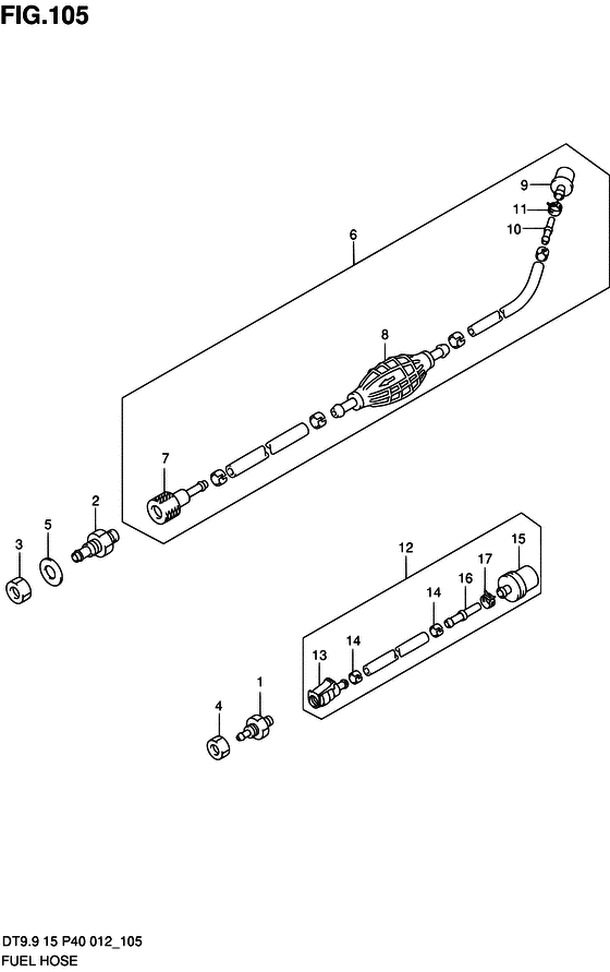
Топливный шланг
Номер на рисунке | Артикул | Наименование | QTY | Кол-во на складе | Цена |
| 1 | 65720-94403-000 | Разъем топливного коннектора - Plug, Fuel Connector (KEROSENE ) (Plug, Fuel Connector) | | 1 шт | 2480 руб. |
| 2 | 65720-95512-000 | Разъем топливного коннектора - Plug, Fuel Connector (GASOLINE ) (Plug, Fuel Connector) | | под заказ | 5810 руб. |
| 2 | 65720-955L1-000 | (актуальный код замены) Разъем топливного коннектора (gas) - Plug, Fuel Connector (gas) | | под заказ | 5810 руб. |
| 3 | 65761-91L00-000 | Гайка разъема топливного коннектора - Nut, Fuel Connector Plug (GASOLINE ) (Nut, Fuel Connector Plug) | | под заказ | 430 руб. |
| 4 | 09140-10032-000 | Гайка - Nut (KEROSENE ) (Nut) | | 10 шт | 160 руб. |
| 5 | 09160-12066-000 | Шайба (12.5x22x2.5) - Washer (125x22x25) (Washer (12.5x22x2.5) # GASOLINE ) (Washer (12.5x22x2.5)) | | 19 шт | 150 руб. |
| 6 | 65700-94415-000 | Топливный шланг (gas от бака до коннектора) - Hose, Fuel (gas Tank To Conn) (GASOLINE) (Hose, Fuel (gas Tank To Conn)) | | под заказ | 12440 руб. |
| 6 | 65700-94440-000 | (актуальный код замены) Топливный шланг (от бака до коннектора) - Hose, Fuel (tank To Conn) | | под заказ | 12440 руб. |
| 6 | 65700-94416-000 | Топливный шланг (gas от бака до коннектора) - Hose, Fuel (gas Tank To Conn) (Hose, Fuel (gas Tank To Conn)) | | под заказ | 12440 руб. |
| 6 | 65700-94440-000 | (актуальный код замены) Топливный шланг (от бака до коннектора) - Hose, Fuel (tank To Conn) | | под заказ | 12440 руб. |
| 7 | 65750-95500-000 | Разъём топливного шланга - Socket, Fuel Hose (Socket, fuel hose (in) ) (Socket, Fuel Hose) | | под заказ | 3700 руб. |
| 7 | 65750-95501-000 | (актуальный код замены) Разъём топливного шланга - Socket, Fuel Hose | | 2 шт | 3700 руб. |
| 7 | SF80211-4 | (не оригинальный аналог) Коннектор топливный SUNFINE тип Suzuki, Mercury, Evinrude, Tohatsu, 10мм 3GF-70281-0 | | под заказ | 1880 руб. |
| 8 | 65770-90J10-000 | Сжимная помпа - Pump, Squeeze (Pump, Squeeze) | | под заказ | 2930 руб. |
| 8 | 65770-90J13-000 | (актуальный код замены) Сжимная помпа - Pump, Squeeze | | под заказ | 2930 руб. |
| 8 | 65770-90J11-000 | Сжимная помпа - Pump, Squeeze (Pump, Squeeze) | | под заказ | 2930 руб. |
| 8 | 65770-90J13-000 | (актуальный код замены) Сжимная помпа - Pump, Squeeze | | под заказ | 2930 руб. |
| 9 | 65830-95500-000 | Фильтр - Filter (Filter) | | под заказ | 1180 руб. |
| 10 | 65842-94401-000 | Фильтр топливного шланга - Tube, Fuel Filter (Tube, Fuel Filter) | | под заказ | 600 руб. |
| 11 | 09401-10412-000 | Зажим - Clip (Clip) | | 8 шт | 190 руб. |
| 12 | 65700-94433-000 | Топливный шланг (krsn) - Hose, Fuel (krsn) (KEROSENE ) (Hose, Fuel (krsn)) | | под заказ | 9320 руб. |
| 13 | 65750-94404-000 | Разъём топливного шланга - Socket, Fuel Hose (Connector, fuel ) (Socket, Fuel Hose) | | 1 шт | 2130 руб. |
| 14 | 65781-98500-000 | Зажим топливного шланга - Clip, Fuel Hose (Clip, Fuel Hose) | | 9 шт | 350 руб. |
| 15 | 65830-95500-000 | Фильтр - Filter (Filter) | | под заказ | 1180 руб. |
| 16 | 65842-94401-000 | Фильтр топливного шланга - Tube, Fuel Filter (Tube, Fuel Filter) | | под заказ | 600 руб. |
| 17 | 09401-11423-000 | Зажим - Clip (Clip) | | 7 шт | 210 руб. |
Время выполнения запроса 1.8589038848877 сек. |
|