Номер на рисунке | Артикул | Наименование | QTY | Кол-во на складе | Цена |
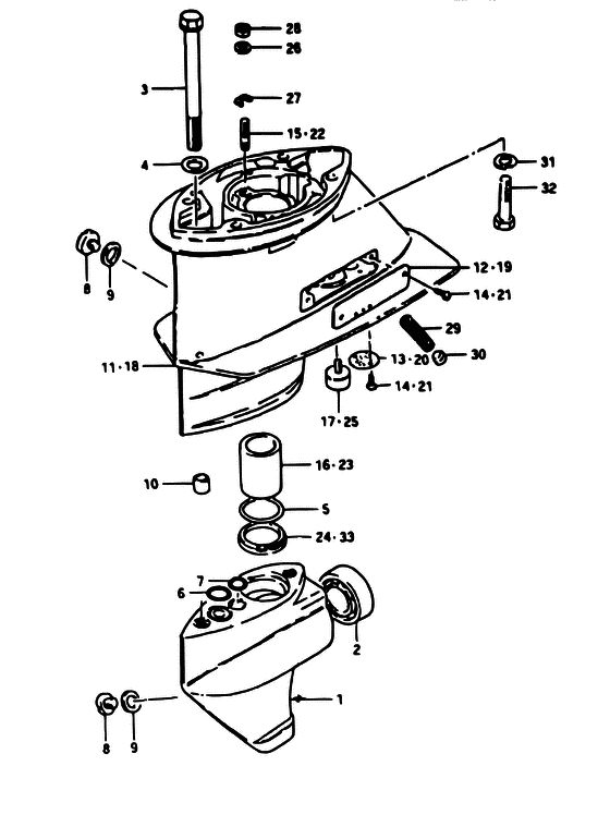
| 1 | 55100-93825-01J | Запчасть снята с производства - The Spare Part Is Laid Off (GE03, GE09, GE13, GE28) (The Spare Part Is Laid Off) | | под заказ | 0 руб. |
| 1 | 55110-93105-0ED | (актуальный код замены) Запчасть снята с производства - The Spare Part Is Laid Off | | под заказ | 0 руб. |
| 2 | 08113-62050-000 | Подшипник (25x52x15) - Bearing (25x52x15) (Bearing (25x52x15)) | | под заказ | 2310 руб. |
| 2 | 09262-25003-000 | (актуальный код замены) Подшипник (25x52x15) - Bearing (25x52x15) | | 16 шт | 2510 руб. |
| 2 | 6205NNTN | (подбор по маркировке) Подшипник NTN 6205N(25*52*15 мм) | | под заказ | 0 |
| 2 | 09262-25003-000 | Подшипник (25x52x15) - Bearing (25x52x15) (Bearing (25x52x15) ) (Bearing (25x52x15)) | | 16 шт | 2510 руб. |
| 2 | 6205NNTN | (подбор по маркировке) Подшипник NTN 6205N(25*52*15 мм) | | под заказ | 0 |
| 3 | 09103-10007-000 | Запчасть снята с производства - The Spare Part Is Laid Off (The Spare Part Is Laid Off) | | под заказ | 0 руб. |
| 4 | 09160-10040-000 | Шайба (10.5x19x2) - Washer (105x19x2) (Washer (10.5x19x2)) | | под заказ | 120 руб. |
| 4 | 09160-10082-000 | (актуальный код замены) Шайба (10.5x19x2) - Washer (10.5x19x2) | | 19 шт | 120 руб. |
| 4 | 09160-10082-000 | Шайба (10.5x19x2) - Washer (105x19x2) (Washer ) (Washer (10.5x19x2)) | | 19 шт | 120 руб. |
| 6 | 09280-18002-000 | Запчасть снята с производства - The Spare Part Is Laid Off (The Spare Part Is Laid Off) | | под заказ | 0 руб. |
| 7 | 09280-10005-000 | Уплотнительное кольцо (d: 1.9, Id: 9.8) - O Ring (d:19, Id:98) (O Ring (d:1.9, Id:9.8)) | | под заказ | 250 руб. |
| 7 | 09280-10016-000 | (актуальный код замены) Уплотнительное кольцо (d: 1.9, Id: 9.8) - O Ring (d:1.9, Id:9.8) | | 8 шт | 330 руб. |
| 7 | 09280-10016-000 | Уплотнительное кольцо (d: 1.9, Id: 9.8) - O Ring (d:19, Id:98) (O ring ) (O Ring (d:1.9, Id:9.8)) | | 8 шт | 330 руб. |
| 8 | 09248-10003-000 | Заглушка (10x7.5) - Plug (10x75) (Plug (10x7.5)) | | под заказ | 490 руб. |
| 8 | 09248-10008-000 | (актуальный код замены) Заглушка (10x7.5) - Plug (10x7.5) | | 120 шт | 500 руб. |
| 8 | 09248-10008-000 | Заглушка (10x7.5) - Plug (10x75) (Plug (10x7.5)) | | 120 шт | 500 руб. |
| 8 | 09248-10004-000 | Заглушка (10x7.5) - Plug (10x75) (FROM 09248-10003) (Plug (10x7.5)) | | под заказ | 490 руб. |
| 8 | 09248-10008-000 | (актуальный код замены) Заглушка (10x7.5) - Plug (10x7.5) | | 120 шт | 500 руб. |
| 8 | 09248-10008-000 | Заглушка (10x7.5) - Plug (10x75) (Plug (10x7.5)) | | 120 шт | 500 руб. |
| 9 | 09168-10004-000 | Прокладка (10x17x1.5) - Gasket (10x17x15) (TO 09168-10022, MODEL G) (Gasket (10x17x1.5)) | | под заказ | 130 руб. |
| 9 | 09168-10022-000 | (актуальный код замены) Прокладка (10x17x1.5) - Gasket (10x17x1.5) | | 2205 шт | 150 руб. |
| 9 | 09168-10022-000 | Прокладка (10x17x1.5) - Gasket (10x17x15) (Gasket (10x17x1.5)) | | 2205 шт | 150 руб. |
| 9 | 09168-10022-000 | Прокладка (10x17x1.5) - Gasket (10x17x15) (MODEL J, VZ ) (Gasket (10x17x1.5)) | | 2205 шт | 150 руб. |
| 10 | 09206-13005-000 | Запчасть снята с производства - The Spare Part Is Laid Off (The Spare Part Is Laid Off) | | под заказ | 0 руб. |
| 12 | 55112-93100-000 | Запчасть снята с производства - The Spare Part Is Laid Off (GE03, GE09, GE13, GE28) (The Spare Part Is Laid Off) | | под заказ | 0 руб. |
| 13 | 55114-98501-000 | Крышка, Lwr Корпус Under - Cover, Lwr Housing Under (GE03, GE09, GE13, GE28) (Cover, Lwr Housing Under) | | под заказ | 230 руб. |
| 13 | 55114-98502-000 | (актуальный код замены) Крышка, Lwr Корпус Under - Cover, Lwr Housing Under | | под заказ | 230 руб. |
| 13 | 55114-98502-000 | Крышка, Lwr Корпус Under - Cover, Lwr Housing Under (Cover, gear case lower ) (Cover, Lwr Housing Under) | | под заказ | 230 руб. |
| 14 | 03112-04109-000 | Винт - Screw (GE03, GE09, GE13, GE28 ) (Screw) | | под заказ | 170 руб. |
| 14 | 03112-0410B-000 | (актуальный код замены) Винт - Screw | | под заказ | 170 руб. |
| 15 | 09108-05002-000 | Запчасть снята с производства - The Spare Part Is Laid Off (GE03, GE09, GE13, GE28) (The Spare Part Is Laid Off) | | под заказ | 0 руб. |
| 15 | 09108-05011-000 | (актуальный код замены) Запчасть снята с производства - The Spare Part Is Laid Off | | под заказ | 0 руб. |
| 16 | 09180-25046-000 | Запчасть снята с производства - The Spare Part Is Laid Off (GE03, GE09, GE13, GE28) (The Spare Part Is Laid Off) | | под заказ | 0 руб. |
| 17 | 55321-93141-000 | Zink, Цилиндр - Zink, Cylinder (GE03, GE09, GE13, GE28) (Zink, Cylinder) | | под заказ | 1370 руб. |
| 17 | 11130-94600-000 | (актуальный код замены) Zink, Цилиндр - Zink, Cylinder | | под заказ | 1370 руб. |
| 17 | 11130-94600-000 | Zink, Цилиндр - Zink, Cylinder (Zink, protection ) (Zink, Cylinder) | | под заказ | 1370 руб. |
| 18 | 52150-93103-01J | Запчасть снята с производства - The Spare Part Is Laid Off (JE09, (J, VZ)E13, VZE40) (The Spare Part Is Laid Off) | | под заказ | 0 руб. |
| 19 | 55112-93100-000 | Запчасть снята с производства - The Spare Part Is Laid Off (JE09, (J, VZ)E13, VZE40) (The Spare Part Is Laid Off) | | под заказ | 0 руб. |
| 20 | 55114-98501-000 | Крышка, Lwr Корпус Under - Cover, Lwr Housing Under (JE09, (J, VZ)E13, VZE40) (Cover, Lwr Housing Under) | | под заказ | 230 руб. |
| 20 | 55114-98502-000 | (актуальный код замены) Крышка, Lwr Корпус Under - Cover, Lwr Housing Under | | под заказ | 230 руб. |
| 20 | 55114-98502-000 | Крышка, Lwr Корпус Under - Cover, Lwr Housing Under (Cover, gear case lower ) (Cover, Lwr Housing Under) | | под заказ | 230 руб. |
| 21 | 03112-04109-000 | Винт - Screw (JE09, (J, VZ)E13, VZE40 ) (Screw) | | под заказ | 170 руб. |
| 21 | 03112-0410B-000 | (актуальный код замены) Винт - Screw | | под заказ | 170 руб. |
| 22 | 09108-05002-000 | Запчасть снята с производства - The Spare Part Is Laid Off (JE09, (J, VZ)E13, VZE40) (The Spare Part Is Laid Off) | | под заказ | 0 руб. |
| 22 | 09108-05011-000 | (актуальный код замены) Запчасть снята с производства - The Spare Part Is Laid Off | | под заказ | 0 руб. |
| 23 | 09180-25046-000 | Запчасть снята с производства - The Spare Part Is Laid Off (JE09, (J, VZ)E13, VZE40) (The Spare Part Is Laid Off) | | под заказ | 0 руб. |
| 24 | 52156-93100-000 | Запчасть снята с производства - The Spare Part Is Laid Off (JE09, (J, VZ)E13, VZE40) (The Spare Part Is Laid Off) | | под заказ | 0 руб. |
| 25 | 55321-93141-000 | Zink, Цилиндр - Zink, Cylinder (JE09, (J, VZ)E13, VZE40) (Zink, Cylinder) | | под заказ | 1370 руб. |
| 25 | 11130-94600-000 | (актуальный код замены) Zink, Цилиндр - Zink, Cylinder | | под заказ | 1370 руб. |
| 25 | 11130-94600-000 | Zink, Цилиндр - Zink, Cylinder (Zink, protection ) (Zink, Cylinder) | | под заказ | 1370 руб. |
| 26 | 09160-05010-000 | Шайба (5.5x12x0.8) - Washer (55x12x08) (Washer (5.5x12x0.8)) | | под заказ | 130 руб. |
| 26 | 09160-05029-000 | (актуальный код замены) Шайба (5.5x12x0.8) - Washer (5.5x12x0.8) | | 14 шт | 130 руб. |
| 26 | 09160-05029-000 | Шайба (5.5x12x0.8) - Washer (55x12x08) (Washer (5.5x12x0.8)) | | 14 шт | 130 руб. |
| 27 | 52162-93100-000 | Запчасть снята с производства - The Spare Part Is Laid Off (The Spare Part Is Laid Off) | | под заказ | 0 руб. |
| 28 | 09140-05001-000 | Гайка - Nut (Nut) | | под заказ | 220 руб. |
| 28 | 09140-05005-000 | (актуальный код замены) Гайка - Nut | | 10 шт | 270 руб. |
| 28 | 09140-05005-000 | Гайка - Nut (Nut) | | 10 шт | 270 руб. |
| 29 | 17631-93000-000 | Запчасть снята с производства - The Spare Part Is Laid Off (The Spare Part Is Laid Off) | | под заказ | 0 руб. |
| 30 | 09243-11004-000 | Запчасть снята с производства - The Spare Part Is Laid Off (The Spare Part Is Laid Off) | | под заказ | 0 руб. |
| 31 | 09162-08003-000 | Шайба с блокировкой - Washer, Lock (Washer, Lock) | | под заказ | 160 руб. |
| 31 | 09162-08007-000 | (актуальный код замены) Шайба с блокировкой - Washer, Lock | | под заказ | 160 руб. |
| 31 | 09162-08007-000 | Шайба с блокировкой - Washer, Lock (Lock washer ) (Washer, Lock) | | под заказ | 160 руб. |
| 32 | 09100-08112-000 | Болт (8x30) - Bolt (8x30) (Bolt (8x30)) | | под заказ | 350 руб. |
| 32 | 09100-08232-000 | (актуальный код замены) Болт (8x30) - Bolt (8x30) | | 6 шт | 350 руб. |
| 32 | 09100-08232-000 | Болт (8x30) - Bolt (8x30) (Bolt (8x30)) | | 6 шт | 350 руб. |
| 33 | 52156-93100-000 | Запчасть снята с производства - The Spare Part Is Laid Off (GE03, GE09, GE13, GE28) (The Spare Part Is Laid Off) | | под заказ | 0 руб. |