Купить запчасти на лодочный мотор Suzuki - Стартер - Starter
вконтакте

Контактный телефон: +7 (981) 121-46-93, +7 (800) 200-90-76 , Email: parts-katalog@yandex.ru, где купить

 
 

  Логин:

Пароль:

Регистрация

www.partskatalog.ru Все каталоги Запчасти Mercury Запчасти Suzuki Запчасти Tohatsu Запчасти Honda Контакты



УВАЖАЕМЫЕ КЛИЕНТЫ!
C 19 ДЕКАБРЯ 2025 ПО 02 МАРТА 2026 ГОДА ОТДЕЛ ЗАПЧАСТЕЙ И СЕРВИС РАБОТАТЬ НЕ БУДУТ
ПРОДАЖА ЛОДОЧНЫХ МОТОРОВ В ШТАТНОМ РЕЖИМЕ
ОБ ИЗМЕНЕНИЯХ В ГРАФИКЕ РАБОТЫ ЧИТАЙТЕ НА САЙТА



назад Раздел:   вперёд

Вернуться к выбору узлов мотора


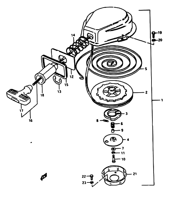
ДЕТАЛИРОВКА ДЛЯ МОДЕЛИ: SUZUKI DT9.9 G

Стартер


Год выпуска двигателя: 1980

Номер на
рисунке
АртикулНаименованиеQTYКол-во
на складе
Цена
118100-93101-000

Запчасть снята с производства - The Spare Part Is Laid Off (INCL REF.NO.2~18) (The Spare Part Is Laid Off)

под заказ0 руб.
118100-93102-291

   (актуальный код замены) Запчасть снята с производства - The Spare Part Is Laid Off

под заказ0 руб.
218121-93100-000

Запчасть снята с производства - The Spare Part Is Laid Off (The Spare Part Is Laid Off)

под заказ0 руб.
318131-93100-000

Запчасть снята с производства - The Spare Part Is Laid Off (The Spare Part Is Laid Off)

под заказ0 руб.
418151-93100-000

Запчасть снята с производства - The Spare Part Is Laid Off (The Spare Part Is Laid Off)

под заказ0 руб.
518142-98001-000

Барабанная пружина - Spring, Recoil (Spring, Recoil)

под заказ2310 руб.
518142-24400-000

   (актуальный код замены) Барабанная пружина - Spring, Recoil

под заказ2310 руб.
518142-24400-000

Барабанная пружина - Spring, Recoil (Spring, Recoil)

под заказ2310 руб.
618145-93100-000

Запчасть снята с производства - The Spare Part Is Laid Off (The Spare Part Is Laid Off)

под заказ0 руб.
618153-93110-000

   (актуальный код замены) Запчасть снята с производства - The Spare Part Is Laid Off

под заказ0 руб.
618153-93110-000

Запчасть снята с производства - The Spare Part Is Laid Off (FROM 18145-93100) (The Spare Part Is Laid Off)

под заказ0 руб.
718335-93100-000

Запчасть снята с производства - The Spare Part Is Laid Off (FROM 18146-93100) (The Spare Part Is Laid Off)

под заказ0 руб.
718146-93100-000

Запчасть снята с производства - The Spare Part Is Laid Off (The Spare Part Is Laid Off)

под заказ0 руб.
718335-93100-000

   (актуальный код замены) Запчасть снята с производства - The Spare Part Is Laid Off

под заказ0 руб.
818155-93100-000

Запчасть снята с производства - The Spare Part Is Laid Off (The Spare Part Is Laid Off)

под заказ0 руб.
918156-93100-000

Запчасть снята с производства - The Spare Part Is Laid Off (The Spare Part Is Laid Off)

под заказ0 руб.
918176-93101-000

   (актуальный код замены) Запчасть снята с производства - The Spare Part Is Laid Off

под заказ0 руб.
918176-93100-000

Запчасть снята с производства - The Spare Part Is Laid Off (FROM 18156-93100) (The Spare Part Is Laid Off)

под заказ0 руб.
918176-93101-000

   (актуальный код замены) Запчасть снята с производства - The Spare Part Is Laid Off

под заказ0 руб.
1018332-93100-000

Запчасть снята с производства - The Spare Part Is Laid Off (FROM 18153-93100) (The Spare Part Is Laid Off)

под заказ0 руб.
1018153-93100-000

Запчасть снята с производства - The Spare Part Is Laid Off (The Spare Part Is Laid Off)

под заказ0 руб.
1018332-93100-000

   (актуальный код замены) Запчасть снята с производства - The Spare Part Is Laid Off

под заказ0 руб.
1108321-21068-000

Шайба с блокировкой - Washer, Lock (MODEL VZ) (Washer, Lock)

под заказ140 руб.
1108321-01067-000

   (актуальный код замены) Шайба с блокировкой - Washer, Lock

под заказ140 руб.
1108321-01067-000

Шайба с блокировкой - Washer, Lock (Washer, Lock)

под заказ140 руб.
1118337-93000-000

Запчасть снята с производства - The Spare Part Is Laid Off (FROM 18154-93000, TO 08321-21068) (The Spare Part Is Laid Off)

под заказ0 руб.
1118154-93000-000

Запчасть снята с производства - The Spare Part Is Laid Off (MODEL G, J) (The Spare Part Is Laid Off)

под заказ0 руб.
1118337-93000-000

   (актуальный код замены) Запчасть снята с производства - The Spare Part Is Laid Off

под заказ0 руб.
1218231-93100-000

Запчасть снята с производства - The Spare Part Is Laid Off (The Spare Part Is Laid Off)

под заказ0 руб.
1218191-93100-000

   (актуальный код замены) Запчасть снята с производства - The Spare Part Is Laid Off

под заказ0 руб.
1218191-93100-000

Запчасть снята с производства - The Spare Part Is Laid Off (FROM 18231-93100) (The Spare Part Is Laid Off)

под заказ0 руб.
1318241-96000-000

Запчасть снята с производства - The Spare Part Is Laid Off (The Spare Part Is Laid Off)

под заказ0 руб.
1318183-93400-000

   (актуальный код замены) Запчасть снята с производства - The Spare Part Is Laid Off

под заказ0 руб.
1318183-93400-000

Запчасть снята с производства - The Spare Part Is Laid Off (FROM 18241-96000) (The Spare Part Is Laid Off)

под заказ0 руб.
1418236-93100-000

Запчасть снята с производства - The Spare Part Is Laid Off (The Spare Part Is Laid Off)

под заказ0 руб.
1418196-93100-000

   (актуальный код замены) Запчасть снята с производства - The Spare Part Is Laid Off

под заказ0 руб.
1418196-93100-000

Запчасть снята с производства - The Spare Part Is Laid Off (FROM 18236-93100) (The Spare Part Is Laid Off)

под заказ0 руб.
1518233-93000-000

Направляющая пластина - Plate, Guide (Plate, Guide)

под заказ910 руб.
1518192-93000-000

   (актуальный код замены) Направляющая пластина - Plate, Guide

под заказ910 руб.
1518192-93000-000

Направляющая пластина - Plate, Guide (Rubber, guide plate ) (Plate, Guide)

под заказ910 руб.
1518192-93000-000

Направляющая пластина - Plate, Guide (Rubber, guide plate # FROM 18233-93000 ) (Plate, Guide)

под заказ910 руб.
1618200-93100-000

Рукоятка в сборе - Grip Assy (FROM 18200-93811) (Grip Assy)

под заказ1150 руб.
1618210-93002-000

   (актуальный код замены) Рукоятка в сборе - Grip Assy

1 шт1150 руб.
1618210-93002-000

Рукоятка в сборе - Grip Assy (Grip Assy)

1 шт1150 руб.
1618200-93811-000

Рукоятка в сборе - Grip Assy (Grip Assy)

под заказ1150 руб.
1618210-93002-000

   (актуальный код замены) Рукоятка в сборе - Grip Assy

1 шт1150 руб.
1618210-93002-000

Рукоятка в сборе - Grip Assy (Grip Assy)

1 шт1150 руб.
1718210-93001-000

Рукоятка в сборе - Grip Assy (Grip Assy)

под заказ1150 руб.
1718210-93002-000

   (актуальный код замены) Рукоятка в сборе - Grip Assy

1 шт1150 руб.
1718210-93002-000

Рукоятка в сборе - Grip Assy (Grip Assy)

1 шт1150 руб.
1818181-93100-000

Запчасть снята с производства - The Spare Part Is Laid Off (The Spare Part Is Laid Off)

под заказ0 руб.
1901107-06168-000

Болт - Bolt (Bolt)

под заказ150 руб.
1901500-06167-000

   (актуальный код замены) Болт - Bolt

под заказ150 руб.
1901500-06167-000

Болт - Bolt (Bolt, fuel cooler ) (Bolt)

под заказ150 руб.
2008321-21068-000

Шайба с блокировкой - Washer, Lock (Washer, Lock)

под заказ140 руб.
2008321-01067-000

   (актуальный код замены) Шайба с блокировкой - Washer, Lock

под заказ140 руб.
2008321-01067-000

Шайба с блокировкой - Washer, Lock (Washer, Lock)

под заказ140 руб.
2118411-93100-000

Запчасть снята с производства - The Spare Part Is Laid Off (The Spare Part Is Laid Off)

под заказ0 руб.
2201107-06168-000

Болт - Bolt (MODEL G, J) (Bolt)

под заказ150 руб.
2201500-06167-000

   (актуальный код замены) Болт - Bolt

под заказ150 руб.
2201500-06167-000

Болт - Bolt (Bolt, fuel cooler ) (Bolt)

под заказ150 руб.
2201907-06168-000

Болт - Bolt (MODEL VZ, TO 01107-06168) (Bolt)

под заказ150 руб.
2201500-06167-000

   (актуальный код замены) Болт - Bolt

под заказ150 руб.
2201500-06167-000

Болт - Bolt (Bolt, fuel cooler ) (Bolt)

под заказ150 руб.
2308321-21068-000

Шайба с блокировкой - Washer, Lock (Washer, Lock)

под заказ140 руб.
2308321-01067-000

   (актуальный код замены) Шайба с блокировкой - Washer, Lock

под заказ140 руб.
2308321-01067-000

Шайба с блокировкой - Washer, Lock (Washer, Lock)

под заказ140 руб.


Время выполнения запроса 1.4958448410034 сек.

 
 

данный сайт носит информационный характер и не является публичной офертой

склад запчастей для водомоторной техники