Оригинальные запчасти на лодочный мотор SUZUKI модель 1982 года - Exhaust cover
вконтакте

Контактный телефон: +7 (981) 121-46-93, +7 (800) 200-90-76 , Email: parts-katalog@yandex.ru, где купить

 
 

  Логин:

Пароль:

Регистрация

www.partskatalog.ru Все каталоги Запчасти Mercury Запчасти Suzuki Запчасти Tohatsu Запчасти Honda Контакты

назад Раздел:   вперёд

Вернуться к выбору узлов мотора


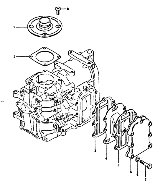
ДЕТАЛИРОВКА ДЛЯ МОДЕЛИ: SUZUKI DT9.9VZ(G/J/VZ) Z

Кожух выхлопной трубы


Год выпуска двигателя: 1982

Номер на
рисунке
АртикулНаименованиеQTYКол-во
на складе
Цена
111411-93500-000

Запчасть снята с производства - The Spare Part Is Laid Off (The Spare Part Is Laid Off)

под заказ0 руб.
211413-93500-000

Запчасть снята с производства - The Spare Part Is Laid Off (The Spare Part Is Laid Off)

под заказ0 руб.
211413-93560-000

   (актуальный код замены) Запчасть снята с производства - The Spare Part Is Laid Off

под заказ0 руб.
314151-93100-000

Запчасть снята с производства - The Spare Part Is Laid Off (The Spare Part Is Laid Off)

под заказ0 руб.
314151-93100-H17

   (актуальный код замены) Запчасть снята с производства - The Spare Part Is Laid Off

под заказ0 руб.
414131-93101-000

Запчасть снята с производства - The Spare Part Is Laid Off (To 14131-93990) (The Spare Part Is Laid Off)

под заказ0 руб.
414131-93104-000

   (актуальный код замены) Запчасть снята с производства - The Spare Part Is Laid Off

под заказ0 руб.
414131-93990-000

Запчасть снята с производства - The Spare Part Is Laid Off (To 14131-93102) (The Spare Part Is Laid Off)

под заказ0 руб.
414131-93104-000

   (актуальный код замены) Запчасть снята с производства - The Spare Part Is Laid Off

под заказ0 руб.
414131-93102-000

Запчасть снята с производства - The Spare Part Is Laid Off (To 14131-93103) (The Spare Part Is Laid Off)

под заказ0 руб.
414131-93104-000

   (актуальный код замены) Запчасть снята с производства - The Spare Part Is Laid Off

под заказ0 руб.
414131-93103-000

Запчасть снята с производства - The Spare Part Is Laid Off (Model vz) (The Spare Part Is Laid Off)

под заказ0 руб.
414131-93104-000

   (актуальный код замены) Запчасть снята с производства - The Spare Part Is Laid Off

под заказ0 руб.
514141-93101-01J

Запчасть снята с производства - The Spare Part Is Laid Off (The Spare Part Is Laid Off)

под заказ0 руб.
514141-93101-02M

   (актуальный код замены) Запчасть снята с производства - The Spare Part Is Laid Off

под заказ0 руб.
608321-21068-000

Шайба с блокировкой - Washer, Lock (Washer, Lock)

под заказ140 руб.
608321-01067-000

   (актуальный код замены) Шайба с блокировкой - Washer, Lock

под заказ140 руб.
608321-01067-000

Шайба с блокировкой - Washer, Lock (Washer, Lock)

под заказ140 руб.
701107-06358-000

Болт - Bolt (Model g, j) (Bolt)

под заказ190 руб.
701500-06357-000

   (актуальный код замены) Болт - Bolt

под заказ190 руб.
701500-06357-000

Болт - Bolt (Bolt)

под заказ190 руб.
701907-06358-000

Болт - Bolt (Model vz, to 01107-06358) (Bolt)

под заказ190 руб.
701500-06357-000

   (актуальный код замены) Болт - Bolt

под заказ190 руб.
701500-06357-000

Болт - Bolt (Bolt)

под заказ190 руб.
802112-06168-000

Винт - Screw (Model g, j) (Screw)

под заказ120 руб.
802112-06167-000

   (актуальный код замены) Винт - Screw

под заказ120 руб.
802112-06167-000

Винт - Screw (Screw)

под заказ120 руб.
802122-06168-000

Винт - Screw (Model vz) (Screw)

под заказ120 руб.
802122-06167-000

   (актуальный код замены) Винт - Screw

под заказ120 руб.
802122-06167-000

Винт - Screw (Screw)

под заказ120 руб.


Время выполнения запроса 2.6549479961395 сек.

 
 

данный сайт носит информационный характер и не является публичной офертой

склад запчастей для водомоторной техники