Комплектующие на подвесной двигатель Suzuki модель 1982 года - Топливный насос
вконтакте

Контактный телефон: +7 (981) 121-46-93, +7 (800) 200-90-76 , Email: parts-katalog@yandex.ru, где купить

 
 

  Логин:

Пароль:

Регистрация

www.partskatalog.ru Все каталоги Запчасти Mercury Запчасти Suzuki Запчасти Tohatsu Запчасти Honda Контакты



УВАЖАЕМЫЕ КЛИЕНТЫ!
C 19 ДЕКАБРЯ 2025 ПО 02 МАРТА 2026 ГОДА ОТДЕЛ ЗАПЧАСТЕЙ И СЕРВИС РАБОТАТЬ НЕ БУДУТ
ПРОДАЖА ЛОДОЧНЫХ МОТОРОВ В ШТАТНОМ РЕЖИМЕ
ОБ ИЗМЕНЕНИЯХ В ГРАФИКЕ РАБОТЫ ЧИТАЙТЕ НА САЙТА



назад Раздел:   вперёд

Вернуться к выбору узлов мотора


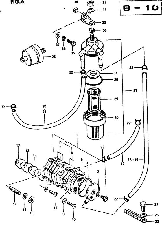
ДЕТАЛИРОВКА ДЛЯ МОДЕЛИ: SUZUKI DT9.9VZ(G/J/VZ) Z

Топливный насос


Год выпуска двигателя: 1982

Номер на
рисунке
АртикулНаименованиеQTYКол-во
на складе
Цена
115100-93500-000

Запчасть снята с производства - The Spare Part Is Laid Off (The Spare Part Is Laid Off)

под заказ0 руб.
115100-93510-000

   (актуальный код замены) Запчасть снята с производства - The Spare Part Is Laid Off

под заказ0 руб.
215144-99701-000

Запчасть снята с производства - The Spare Part Is Laid Off (The Spare Part Is Laid Off)

под заказ0 руб.
315146-99701-000

Запчасть снята с производства - The Spare Part Is Laid Off (The Spare Part Is Laid Off)

под заказ0 руб.
415142-99701-000

Запчасть снята с производства - The Spare Part Is Laid Off (The Spare Part Is Laid Off)

под заказ0 руб.
515170-93500-000

Диафрагма, Топливный насос - Diaphragm, Fuel Pump (Valve - diaphrame set ) (Diaphragm, Fuel Pump)

1 шт4900 руб.
615151-99701-000

Запчасть снята с производства - The Spare Part Is Laid Off (The Spare Part Is Laid Off)

под заказ0 руб.
715170-99811-000

Диафрагма, Топливный насос - Diaphragm, Fuel Pump (To 15170-93500) (Diaphragm, Fuel Pump)

под заказ4900 руб.
715170-93500-000

   (актуальный код замены) Диафрагма, Топливный насос - Diaphragm, Fuel Pump

1 шт4900 руб.
715170-93500-000

Диафрагма, Топливный насос - Diaphragm, Fuel Pump (Valve - diaphrame set ) (Diaphragm, Fuel Pump)

1 шт4900 руб.
815180-99810-000

Запчасть снята с производства - The Spare Part Is Laid Off (To 15170-93500) (The Spare Part Is Laid Off)

под заказ0 руб.
915253-99700-000

Запчасть снята с производства - The Spare Part Is Laid Off (The Spare Part Is Laid Off)

под заказ0 руб.
1015251-99701-000

Запчасть снята с производства - The Spare Part Is Laid Off (The Spare Part Is Laid Off)

под заказ0 руб.
1115257-93500-000

Запчасть снята с производства - The Spare Part Is Laid Off (The Spare Part Is Laid Off)

под заказ0 руб.
1215321-99700-000

Прокладка топливного насоса (na) - Gasket, Fuel Pump (na) (Gasket, Fuel Pump (na))

под заказ360 руб.
1215321-99710-000

   (актуальный код замены) Прокладка топливного насоса (na) - Gasket, Fuel Pump (na)

8 шт370 руб.
1215321-99710-000

Прокладка топливного насоса (na) - Gasket, Fuel Pump (na) (Gasket, fuel pump ) (Gasket, Fuel Pump (na))

8 шт370 руб.
1315322-96000-000

Запчасть снята с производства - The Spare Part Is Laid Off (Insulator, fuel pump;) (The Spare Part Is Laid Off)

под заказ0 руб.
1401421-06308-000

Болт под шпильку - Bolt, Stud (Bolt, Stud)

под заказ190 руб.
1401421-06307-000

   (актуальный код замены) Болт под шпильку - Bolt, Stud

под заказ190 руб.
1401421-06307-000

Болт под шпильку - Bolt, Stud (Bolt, Stud)

под заказ190 руб.
1508321-21068-000

Шайба с блокировкой - Washer, Lock (Washer, Lock)

под заказ140 руб.
1508321-01067-000

   (актуальный код замены) Шайба с блокировкой - Washer, Lock

под заказ140 руб.
1508321-01067-000

Шайба с блокировкой - Washer, Lock (Washer, Lock)

под заказ140 руб.
1608310-11068-000

Гайка - Nut (Nut)

под заказ140 руб.
1608310-00067-000

   (актуальный код замены) Гайка - Nut

под заказ140 руб.
1608310-00067-000

Гайка - Nut (Nut)

под заказ140 руб.
1709343-05137-000

Шланг (5x9x600) - Hose (5x9x600) (Hose (5x9x600))

под заказ570 руб.
1709352-50006-600

   (актуальный код замены) Шланг (5x9x600) - Hose (5x9x600)

1 шт570 руб.
1709352-50903-600

Шланг (5x9x600) - Hose (5x9x600) (Hose (5x9x600))

под заказ570 руб.
1709352-50006-600

   (актуальный код замены) Шланг (5x9x600) - Hose (5x9x600)

1 шт570 руб.
1809343-05137-000

Шланг (5x9x600) - Hose (5x9x600) (Hose (5x9x600))

под заказ570 руб.
1809352-50006-600

   (актуальный код замены) Шланг (5x9x600) - Hose (5x9x600)

1 шт570 руб.
1809352-50903-600

Шланг (5x9x600) - Hose (5x9x600) (Hose (5x9x600))

под заказ570 руб.
1809352-50006-600

   (актуальный код замены) Шланг (5x9x600) - Hose (5x9x600)

1 шт570 руб.
1909343-05137-000

Шланг (5x9x600) - Hose (5x9x600) ( (g, j)e9, (g, j)e13) (Hose (5x9x600))

под заказ570 руб.
1909352-50006-600

   (актуальный код замены) Шланг (5x9x600) - Hose (5x9x600)

1 шт570 руб.
1909352-50903-600

Шланг (5x9x600) - Hose (5x9x600) (Hose (5x9x600))

под заказ570 руб.
1909352-50006-600

   (актуальный код замены) Шланг (5x9x600) - Hose (5x9x600)

1 шт570 руб.
2009343-05137-000

Шланг (5x9x600) - Hose (5x9x600) (Hose (5x9x600))

под заказ570 руб.
2009352-50006-600

   (актуальный код замены) Шланг (5x9x600) - Hose (5x9x600)

1 шт570 руб.
2009352-50903-600

Шланг (5x9x600) - Hose (5x9x600) (Hose (5x9x600))

под заказ570 руб.
2009352-50006-600

   (актуальный код замены) Шланг (5x9x600) - Hose (5x9x600)

1 шт570 руб.
2109343-05137-000

Шланг (5x9x600) - Hose (5x9x600) ( (g, j)e9, (g, j, vz)e13, vze40) (Hose (5x9x600))

под заказ570 руб.
2109352-50006-600

   (актуальный код замены) Шланг (5x9x600) - Hose (5x9x600)

1 шт570 руб.
2109352-50903-600

Шланг (5x9x600) - Hose (5x9x600) (Hose (5x9x600))

под заказ570 руб.
2109352-50006-600

   (актуальный код замены) Шланг (5x9x600) - Hose (5x9x600)

1 шт570 руб.
2209401-09402-000

Зажим - Clip (Clip)

под заказ130 руб.
2209401-08410-000

   (актуальный код замены) Зажим - Clip

под заказ130 руб.
2209401-08410-000

Зажим - Clip (Clip)

под заказ130 руб.
2309404-06404-000

Струбцина (l: 80) - Clamp (l:80) (Model g, j) (Clamp (l:80))

под заказ230 руб.
2309404-06436-000

   (актуальный код замены) Струбцина (l: 80) - Clamp (l:80)

под заказ230 руб.
2309404-06433-000

Струбцина (l: 80) - Clamp (l:80) (Clamp (l:80) ) (Clamp (l:80))

под заказ230 руб.
2309404-06436-000

   (актуальный код замены) Струбцина (l: 80) - Clamp (l:80)

под заказ230 руб.
2309404-06414-000

Струбцина (l: 80) - Clamp (l:80) (Model vz) (Clamp (l:80))

под заказ230 руб.
2309404-06436-000

   (актуальный код замены) Струбцина (l: 80) - Clamp (l:80)

под заказ230 руб.
2401107-06168-000

Болт - Bolt (Model g, j) (Bolt)

под заказ150 руб.
2401500-06167-000

   (актуальный код замены) Болт - Bolt

под заказ150 руб.
2401500-06167-000

Болт - Bolt (Bolt, fuel cooler ) (Bolt)

под заказ150 руб.
2401907-06168-000

Болт - Bolt (Model vz, to 01107-06168) (Bolt)

под заказ150 руб.
2401500-06167-000

   (актуальный код замены) Болт - Bolt

под заказ150 руб.
2401500-06167-000

Болт - Bolt (Bolt, fuel cooler ) (Bolt)

под заказ150 руб.
2508321-21068-000

Шайба с блокировкой - Washer, Lock (Washer, Lock)

под заказ140 руб.
2508321-01067-000

   (актуальный код замены) Шайба с блокировкой - Washer, Lock

под заказ140 руб.
2508321-01067-000

Шайба с блокировкой - Washer, Lock (Washer, Lock)

под заказ140 руб.
2615410-98500-000

Топливный фильтр - Filter, Fuel (Filter assy, fuel # Filter assy, fuel; ) (Filter, Fuel)

40 шт1600 руб.
2615410-98500

   (не оригинальный аналог) Топливный фильтр Suzuki 15410-98500

под заказ590 руб.
2715410-93400-000

Топливный фильтр в сборе - Filter Assy, Fuel ( (g, j)e9, (g, j, vz)e13, vz e40) (Filter Assy, Fuel)

под заказ2280 руб.
2715410-94401-000

   (актуальный код замены) Топливный фильтр в сборе - Filter Assy, Fuel

32 шт2280 руб.
2715410-94400-000

Топливный фильтр в сборе - Filter Assy, Fuel (Filter Assy, Fuel)

3 шт2280 руб.
2715410-94401-000

   (актуальный код замены) Топливный фильтр в сборе - Filter Assy, Fuel

32 шт2280 руб.
2815415-93400-000

Уплотнительное кольцо - O Ring (O ring # (g, j)e9, (g, j, vz)e13, vz e40 ) (O Ring)

под заказ290 руб.
2915412-93400-000

Фильтр Set - Filter Set ( (g, j)e9, (g, j, vz)e13, vz e40) (Filter Set)

под заказ1360 руб.
2915430-93412-000

   (актуальный код замены) Фильтр Set - Filter Set

под заказ1360 руб.
2915430-93410-000

Фильтр Set - Filter Set (Strainer set ) (Filter Set)

под заказ1360 руб.
2915430-93412-000

   (актуальный код замены) Фильтр Set - Filter Set

под заказ1360 руб.
3015413-93400-000

Cвыше - Cup (Cup # (g, j)e9, (g, j, vz)e13, vz e40 ) (Cup)

под заказ0 руб.
3115416-93400-000

Запчасть снята с производства - The Spare Part Is Laid Off ( (g, j)e9, (g, j, vz)e13, vz e40) (The Spare Part Is Laid Off)

под заказ0 руб.
3308321-21088-000

Шайба с блокировкой - Washer, Lock ( (g, j)e9, (g, j, vz)e13, vz e40) (Washer, Lock)

под заказ140 руб.
3308321-01087-000

   (актуальный код замены) Шайба с блокировкой - Washer, Lock

под заказ140 руб.
3308321-01087-000

Шайба с блокировкой - Washer, Lock (Washer, lock ) (Washer, Lock)

под заказ140 руб.
3408310-22088-000

Гайка - Nut ( (g, j)e9, (g, j, vz)e13, vz e40) (Nut)

под заказ140 руб.
3408310-00087-000

   (актуальный код замены) Гайка - Nut

под заказ140 руб.
3408310-00087-000

Гайка - Nut (Nut)

под заказ140 руб.
3501107-06168-000

Болт - Bolt ( (g, j)e9, (g, j, vz)e13, vz e40) (Bolt)

под заказ150 руб.
3501500-06167-000

   (актуальный код замены) Болт - Bolt

под заказ150 руб.
3501500-06167-000

Болт - Bolt (Bolt, fuel cooler ) (Bolt)

под заказ150 руб.
3608321-21068-000

Шайба с блокировкой - Washer, Lock ( (g, j)e9, (g, j, vz)e13, vz e40) (Washer, Lock)

под заказ140 руб.
3608321-01067-000

   (актуальный код замены) Шайба с блокировкой - Washer, Lock

под заказ140 руб.
3608321-01067-000

Шайба с блокировкой - Washer, Lock (Washer, Lock)

под заказ140 руб.
3708322-21068-000

Шайба - Washer ( (g, j)e9, (g, j, vz)e13, vz e40) (Washer)

под заказ140 руб.
3708322-01067-000

   (актуальный код замены) Шайба - Washer

10 шт160 руб.
3708322-01067-000

Шайба - Washer (Washer)

10 шт160 руб.
3815425-93300-000

Запчасть снята с производства - The Spare Part Is Laid Off (Insulator, fuel filter bracket; (g, j)e9, (g, j, vz)e13, vz e40) (The Spare Part Is Laid Off)

под заказ0 руб.


Время выполнения запроса 1.7621581554413 сек.

 
 

данный сайт носит информационный характер и не является публичной офертой

склад запчастей для водомоторной техники