Купить оригинальные запчасти на лодочный мотор Suzuki - Transmission 1 - Трансмиссия 1
вконтакте

Контактный телефон: +7 (981) 121-46-93, +7 (800) 200-90-76 , Email: parts-katalog@yandex.ru, где купить

 
 

  Логин:

Пароль:

Регистрация

www.partskatalog.ru Все каталоги Запчасти Mercury Запчасти Suzuki Запчасти Tohatsu Запчасти Honda Контакты



УВАЖАЕМЫЕ КЛИЕНТЫ!
C 19 ДЕКАБРЯ 2025 ПО 02 МАРТА 2026 ГОДА ОТДЕЛ ЗАПЧАСТЕЙ И СЕРВИС РАБОТАТЬ НЕ БУДУТ
ПРОДАЖА ЛОДОЧНЫХ МОТОРОВ В ШТАТНОМ РЕЖИМЕ
ОБ ИЗМЕНЕНИЯХ В ГРАФИКЕ РАБОТЫ ЧИТАЙТЕ НА САЙТА



назад Раздел:   вперёд

Вернуться к выбору узлов мотора


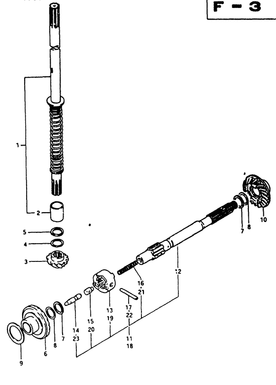
ДЕТАЛИРОВКА ДЛЯ МОДЕЛИ: SUZUKI DT9.9VZ(G/J/VZ) Z

Трансмиссия 1


Год выпуска двигателя: 1982

Номер на
рисунке
АртикулНаименованиеQTYКол-во
на складе
Цена
157100-93500-000

Запчасть снята с производства - The Spare Part Is Laid Off (Shaft assy, drive (l type, l:800) l:800); Model pg, pj) (The Spare Part Is Laid Off)

под заказ0 руб.
157100-93503-000

   (актуальный код замены) Запчасть снята с производства - The Spare Part Is Laid Off

под заказ0 руб.
157100-93503-000

Запчасть снята с производства - The Spare Part Is Laid Off (Model pj, pvz) (The Spare Part Is Laid Off)

под заказ0 руб.
157100-93510-000

Запчасть снята с производства - The Spare Part Is Laid Off (Model pg, pj) (The Spare Part Is Laid Off)

под заказ0 руб.
157100-93513-000

   (актуальный код замены) Запчасть снята с производства - The Spare Part Is Laid Off

под заказ0 руб.
157100-93513-000

Запчасть снята с производства - The Spare Part Is Laid Off (Shaft assy, drive (s type, l:676); Model pj, pvz) (The Spare Part Is Laid Off)

под заказ0 руб.
157100-93520-000

Запчасть снята с производства - The Spare Part Is Laid Off (Shaft assy, drive (ul type, l:909) l:909); Model pg) (The Spare Part Is Laid Off)

под заказ0 руб.
157100-93523-000

   (актуальный код замены) Запчасть снята с производства - The Spare Part Is Laid Off

под заказ0 руб.
257117-93500-000

Запчасть снята с производства - The Spare Part Is Laid Off (The Spare Part Is Laid Off)

под заказ0 руб.
357311-93104-000

Запчасть снята с производства - The Spare Part Is Laid Off (The Spare Part Is Laid Off)

под заказ0 руб.
657510-93105-000

Шестерня Set, дляward - Gear Set, Forward (Gear Set, Forward)

под заказ0 руб.
657310-93840-000

   (актуальный код замены) Запчасть снята с производства - The Spare Part Is Laid Off

под заказ0 руб.
657310-93840-000

Шестерня Set, дляward - Gear Set, Forward (Gear Set, Forward)

под заказ0 руб.
1057520-93103-000

Запчасть снята с производства - The Spare Part Is Laid Off (The Spare Part Is Laid Off)

под заказ0 руб.
1057520-93104-000

   (актуальный код замены) Запчасть снята с производства - The Spare Part Is Laid Off

под заказ0 руб.
1157600-93500-000

(Model pg)

под заказ0 руб.
1157600-93501-000

(Model pj)

под заказнет сведений
1257610-93500-000

(To 57600-93500)

под заказ0 руб.
1357621-96100-000

Запчасть снята с производства - The Spare Part Is Laid Off (The Spare Part Is Laid Off)

под заказ0 руб.
1357621-96101-000

   (актуальный код замены) Запчасть снята с производства - The Spare Part Is Laid Off

под заказ0 руб.
1457631-93500-000

Запчасть снята с производства - The Spare Part Is Laid Off (The Spare Part Is Laid Off)

под заказ0 руб.
1557632-99000-000

Запчасть снята с производства - The Spare Part Is Laid Off (The Spare Part Is Laid Off)

под заказ0 руб.
1609440-07018-000

Пружина - Spring (Spring)

под заказ160 руб.
1609440-07041-000

   (актуальный код замены) Пружина - Spring

5 шт160 руб.
1609440-07041-000

Пружина - Spring (Spring)

5 шт160 руб.
1709209-04008-000

Запчасть снята с производства - The Spare Part Is Laid Off (Pin, dog shifter;) (The Spare Part Is Laid Off)

под заказ0 руб.
1857600-93502-000

Запчасть снята с производства - The Spare Part Is Laid Off (Model pvz) (The Spare Part Is Laid Off)

под заказ0 руб.
1957621-96101-000

Запчасть снята с производства - The Spare Part Is Laid Off (The Spare Part Is Laid Off)

под заказ0 руб.
2057632-99000-000

Запчасть снята с производства - The Spare Part Is Laid Off (The Spare Part Is Laid Off)

под заказ0 руб.
2109440-07018-000

Пружина - Spring (Spring)

под заказ160 руб.
2109440-07041-000

   (актуальный код замены) Пружина - Spring

5 шт160 руб.
2109440-07041-000

Пружина - Spring (Spring)

5 шт160 руб.
2209209-04008-000

Запчасть снята с производства - The Spare Part Is Laid Off (Pin, dog shifter;) (The Spare Part Is Laid Off)

под заказ0 руб.
2357631-93500-000

Запчасть снята с производства - The Spare Part Is Laid Off (The Spare Part Is Laid Off)

под заказ0 руб.


Время выполнения запроса 3.8492610454559 сек.

 
 

данный сайт носит информационный характер и не является публичной офертой

склад запчастей для водомоторной техники