Найти запчасти Suzuki модель 1982 года - Remote control - Дистанционное управление
вконтакте

Контактный телефон: +7 (981) 121-46-93, +7 (800) 200-90-76 , Email: parts-katalog@yandex.ru, где купить

 
 

  Логин:

Пароль:

Регистрация

www.partskatalog.ru Все каталоги Запчасти Mercury Запчасти Suzuki Запчасти Tohatsu Запчасти Honda Контакты



УВАЖАЕМЫЕ КЛИЕНТЫ!
C 19 ДЕКАБРЯ 2025 ПО 02 МАРТА 2026 ГОДА ОТДЕЛ ЗАПЧАСТЕЙ И СЕРВИС РАБОТАТЬ НЕ БУДУТ
ПРОДАЖА ЛОДОЧНЫХ МОТОРОВ В ШТАТНОМ РЕЖИМЕ
ОБ ИЗМЕНЕНИЯХ В ГРАФИКЕ РАБОТЫ ЧИТАЙТЕ НА САЙТА



назад Раздел:   вперёд

Вернуться к выбору узлов мотора


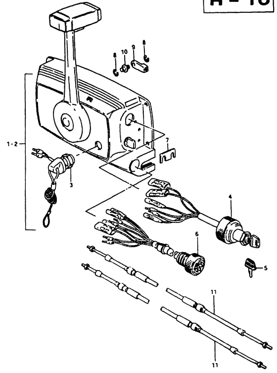
ДЕТАЛИРОВКА ДЛЯ МОДЕЛИ: SUZUKI DT9.9VZ(G/J/VZ) Z

Дистанционное управление


Год выпуска двигателя: 1982

Номер на
рисунке
АртикулНаименованиеQTYКол-во
на складе
Цена
167200-95302-000

Запчасть снята с производства - The Spare Part Is Laid Off (To 67200-95303, model g) (The Spare Part Is Laid Off)

под заказ0 руб.
167200-95303-000

   (актуальный код замены) Запчасть снята с производства - The Spare Part Is Laid Off

под заказ0 руб.
267200-95303-000

Запчасть снята с производства - The Spare Part Is Laid Off (Model j, vz) (The Spare Part Is Laid Off)

под заказ0 руб.
337820-95200-000

Аварийный выключатель, в сборе - Switch Assy, Emergency (Model g) (Switch Assy, Emergency)

под заказ4710 руб.
337820-92E05-000

   (актуальный код замены) Аварийный выключатель, в сборе - Switch Assy, Emergency

1 шт4710 руб.
337820-92E04-000

Аварийный выключатель, в сборе - Switch Assy, Emergency (Switch Assy, Emergency)

под заказ4710 руб.
337820-92E05-000

   (актуальный код замены) Аварийный выключатель, в сборе - Switch Assy, Emergency

1 шт4710 руб.
337820-95201-000

Аварийный выключатель, в сборе - Switch Assy, Emergency (From 37820-95200, model j, vz) (Switch Assy, Emergency)

под заказ4710 руб.
337820-92E05-000

   (актуальный код замены) Аварийный выключатель, в сборе - Switch Assy, Emergency

1 шт4710 руб.
437110-95350-000

Выключатель зажигания - Switch Assy, Ignition (Model g) (Switch Assy, Ignition)

под заказ0 руб.
437110-95551-000

   (актуальный код замены) Запчасть снята с производства - The Spare Part Is Laid Off

под заказ0 руб.
437110-95551-000

Выключатель зажигания - Switch Assy, Ignition (Switch, ignition ) (Switch Assy, Ignition)

под заказ0 руб.
437110-95351-000

Выключатель зажигания - Switch Assy, Ignition (From 37110-95350, model j, vz) (Switch Assy, Ignition)

под заказ0 руб.
437110-95551-000

   (актуальный код замены) Запчасть снята с производства - The Spare Part Is Laid Off

под заказ0 руб.
437110-95551-000

Выключатель зажигания - Switch Assy, Ignition (Switch, ignition ) (Switch Assy, Ignition)

под заказ0 руб.
537141-93300-000

Ключ, Spare (8511) - Key, Spare (8511) (Key, spare 8511 # Key, spare (8511); ) (Key, Spare (8511))

под заказ0 руб.
537141-93310-000

Ключ, Spare (8512) - Key, Spare (8512) (Key, spare 8512 # Key, spare (8512); ) (Key, Spare (8512))

под заказ0 руб.
537141-93320-000

Ключ, Spare (8513) - Key, Spare (8513) (Key, spare 8513 # Key, spare (8513); ) (Key, Spare (8513))

под заказ0 руб.
537141-93330-000

Ключ, Spare (8611) - Key, Spare (8611) (Key, spare 8611 # Key, spare (8611); ) (Key, Spare (8611))

под заказ0 руб.
537141-93340-000

Ключ, Spare (8612) - Key, Spare (8612) (Key, spare 8612 # Key, spare (8612); ) (Key, Spare (8612))

под заказ0 руб.
537141-93350-000

Ключ, Spare (8613) - Key, Spare (8613) (Key, spare 8613 # Key, spare (8613); ) (Key, Spare (8613))

под заказ0 руб.
636630-95302-000

Запчасть снята с производства - The Spare Part Is Laid Off (The Spare Part Is Laid Off)

под заказ0 руб.
767272-95300-000

Запчасть снята с производства - The Spare Part Is Laid Off (The Spare Part Is Laid Off)

под заказ0 руб.
867268-95300-000

Запчасть снята с производства - The Spare Part Is Laid Off (Model g) (The Spare Part Is Laid Off)

под заказ0 руб.
967271-95300-000

Iend, Управляющие кабели - Iend, Control Cable (Eyeend, control cable # Eyeend, control cable; ) (Iend, Control Cable)

под заказ0 руб.
1067274-95300-000

Запчасть снята с производства - The Spare Part Is Laid Off (Pin, eyeend;) (The Spare Part Is Laid Off)

под заказ0 руб.
1167320-95750-000

Тросик дистанционного управления (10f: 3.1m) - Cable Assy, Remocon (10f:31m) (L:2500) (Cable Assy, Remocon (10f:3.1m))

под заказ6340 руб.
1167320-93J10-000

   (актуальный код замены) Тросик дистанционного управления (10f: 3.1m) - Cable Assy, Remocon (10f:3.1m)

под заказ6340 руб.
1167320-93J10-000

Тросик дистанционного управления (10f: 3.1m) - Cable Assy, Remocon (10f:31m) (Cable Assy, Remocon (10f:3.1m))

под заказ6340 руб.
1167320-95740-000

Тросик дистанционного управления (10f: 3.1m) - Cable Assy, Remocon (10f:31m) (L:3000) (Cable Assy, Remocon (10f:3.1m))

под заказ6340 руб.
1167320-93J10-000

   (актуальный код замены) Тросик дистанционного управления (10f: 3.1m) - Cable Assy, Remocon (10f:3.1m)

под заказ6340 руб.
1167320-93J10-000

Тросик дистанционного управления (10f: 3.1m) - Cable Assy, Remocon (10f:31m) (Cable Assy, Remocon (10f:3.1m))

под заказ6340 руб.
1167320-95730-000

Тросик дистанционного управления (12f: 3.7m) - Cable Assy, Remocon (12f:37m) (L:3500) (Cable Assy, Remocon (12f:3.7m))

под заказ6920 руб.
1167320-93J20-000

   (актуальный код замены) Тросик дистанционного управления (12f: 3.7m) - Cable Assy, Remocon (12f:3.7m)

под заказ6920 руб.
1167320-93J20-000

Тросик дистанционного управления (12f: 3.7m) - Cable Assy, Remocon (12f:37m) (Cable Assy, Remocon (12f:3.7m))

под заказ6920 руб.
1167320-95720-000

Тросик дистанционного управления (14f: 4.2m) - Cable Assy, Remocon (14f:42m) (L:4000) (Cable Assy, Remocon (14f:4.2m))

под заказ7490 руб.
1167320-93J30-000

   (актуальный код замены) Тросик дистанционного управления (14f: 4.2m) - Cable Assy, Remocon (14f:4.2m)

3 шт7490 руб.
1167320-93J30-000

Тросик дистанционного управления (14f: 4.2m) - Cable Assy, Remocon (14f:42m) (Cable Assy, Remocon (14f:4.2m))

3 шт7490 руб.
1167320-95710-000

Тросик дистанционного управления (16f: 4.8m) - Cable Assy, Remocon (16f:48m) (L:4500) (Cable Assy, Remocon (16f:4.8m))

под заказ8020 руб.
1167320-93J40-000

   (актуальный код замены) Тросик дистанционного управления (16f: 4.8m) - Cable Assy, Remocon (16f:4.8m)

под заказ8020 руб.
1167320-93J40-000

Тросик дистанционного управления (16f: 4.8m) - Cable Assy, Remocon (16f:48m) (Cable Assy, Remocon (16f:4.8m))

под заказ8020 руб.
1167320-95200-000

Тросик дистанционного управления (18f: 5.4m) - Cable Assy, Remocon (18f:54m) (L:5000) (Cable Assy, Remocon (18f:5.4m))

под заказ8600 руб.
1167320-93J50-000

   (актуальный код замены) Тросик дистанционного управления (18f: 5.4m) - Cable Assy, Remocon (18f:5.4m)

под заказ8600 руб.
1167320-93J50-000

Тросик дистанционного управления (18f: 5.4m) - Cable Assy, Remocon (18f:54m) (Cable Assy, Remocon (18f:5.4m))

под заказ8600 руб.
1167320-95760-000

Тросик дистанционного управления (20f: 6.1m) - Cable Assy, Remocon (20f:61m) (L:6000) (Cable Assy, Remocon (20f:6.1m))

под заказ9170 руб.
1167320-93J60-000

   (актуальный код замены) Тросик дистанционного управления (20f: 6.1m) - Cable Assy, Remocon (20f:6.1m)

под заказ9170 руб.
1167320-93J60-000

Тросик дистанционного управления (20f: 6.1m) - Cable Assy, Remocon (20f:61m) (Cable Assy, Remocon (20f:6.1m))

под заказ9170 руб.


Время выполнения запроса 2.6289360523224 сек.

 
 

данный сайт носит информационный характер и не является публичной офертой

склад запчастей для водомоторной техники