Купить оригинальные запчасти на подвесной мотор Сузуки модель 1983 года - Remote control
вконтакте

Контактный телефон: +7 (981) 121-46-93, +7 (800) 200-90-76 , Email: parts-katalog@yandex.ru, где купить

 
 

  Логин:

Пароль:

Регистрация

www.partskatalog.ru Все каталоги Запчасти Mercury Запчасти Suzuki Запчасти Tohatsu Запчасти Honda Контакты



УВАЖАЕМЫЕ КЛИЕНТЫ!
C 19 ДЕКАБРЯ 2025 ПО 02 МАРТА 2026 ГОДА ОТДЕЛ ЗАПЧАСТЕЙ И СЕРВИС РАБОТАТЬ НЕ БУДУТ
ПРОДАЖА ЛОДОЧНЫХ МОТОРОВ В ШТАТНОМ РЕЖИМЕ
ОБ ИЗМЕНЕНИЯХ В ГРАФИКЕ РАБОТЫ ЧИТАЙТЕ НА САЙТА



назад Раздел:   вперёд

Вернуться к выбору узлов мотора


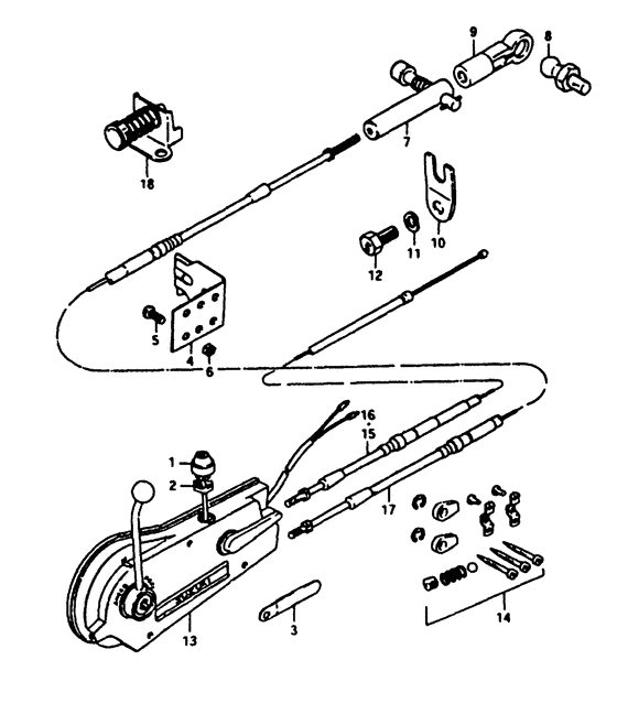
ДЕТАЛИРОВКА ДЛЯ МОДЕЛИ: SUZUKI DT9.9D D

Дистанционное управление


Год выпуска двигателя: 1983

Регион: General Export No.1 ,Код региона: P01


Warning: Undefined variable $NumPP in D:\www\www.partskatalog.ru\partsbase\base-outboard-suzuki-2.php on line 654
Номер на
рисунке
АртикулНаименованиеQTYКол-во
на складе
Цена
 67130-93200-000

Запчасть снята с производства - The Spare Part Is Laid Off (Ref.no.1~7, to 67130-93201, dt9.9, dt14, dt16) (The Spare Part Is Laid Off)

под заказ0 руб.
 67130-93202-000

   (актуальный код замены) Запчасть снята с производства - The Spare Part Is Laid Off

под заказ0 руб.
 67130-93201-000

Запчасть снята с производства - The Spare Part Is Laid Off (Ref.no.1~12, to 67130-93202, dt9.9, dt14, dt16) (The Spare Part Is Laid Off)

под заказ0 руб.
 67130-93202-000

   (актуальный код замены) Запчасть снята с производства - The Spare Part Is Laid Off

под заказ0 руб.
137870-93703-000

Запчасть снята с производства - The Spare Part Is Laid Off (To 37870-93704, dt9.9, dt14, dt16) (The Spare Part Is Laid Off)

под заказ0 руб.
137870-93704-000

   (актуальный код замены) Запчасть снята с производства - The Spare Part Is Laid Off

под заказ0 руб.
137870-93704-000

Запчасть снята с производства - The Spare Part Is Laid Off (Dt9.9, dt14, dt16) (The Spare Part Is Laid Off)

под заказ0 руб.
209140-14014-000

Гайка - Nut (Dt9.9, dt14, dt16) (Nut)

под заказ0 руб.
209140-14030-000

   (актуальный код замены) Запчасть снята с производства - The Spare Part Is Laid Off

под заказ0 руб.
209140-14030-000

Гайка - Nut (Nut)

под заказ0 руб.
309404-06401-000

Струбцина (l: 45) - Clamp (l:45) (Dt9.9, dt14, dt16) (Clamp (l:45))

под заказ170 руб.
309404-06031-000

   (актуальный код замены) Струбцина, Rsvr Tank Ovfl Шланг - Clamp, Rsvr Tank Ovfl Hose

под заказ170 руб.
309404-06206-000

Струбцина (l: 45) - Clamp (l:45) (Clamp (l:45))

под заказ170 руб.
309404-06031-000

   (актуальный код замены) Струбцина, Rsvr Tank Ovfl Шланг - Clamp, Rsvr Tank Ovfl Hose

под заказ170 руб.
467345-93701-000

Запчасть снята с производства - The Spare Part Is Laid Off (Stopper, remote control cable; Dt9.9, dt14, dt16) (The Spare Part Is Laid Off)

под заказ0 руб.
509125-05028-000

Винт (5x12) - Screw (5x12) (Dt9.9, dt14, dt16) (Screw (5x12))

под заказ150 руб.
509125-05046-000

   (актуальный код замены) Винт (5x12) - Screw (5x12)

под заказ150 руб.
509125-05046-000

Винт (5x12) - Screw (5x12) (Screw (5x12) ) (Screw (5x12))

под заказ150 руб.
609140-05001-000

Гайка - Nut (Dt9.9, dt14, dt16) (Nut)

под заказ220 руб.
609140-05005-000

   (актуальный код замены) Гайка - Nut

10 шт270 руб.
609140-05005-000

Гайка - Nut (Nut)

10 шт270 руб.
767440-93701-000

Направляющая тросика сцепления - Guide, Clutch Cable (Guide, clutch cable # Guide, clutch cable; Dt9.9, dt14, dt16 ) (Guide, Clutch Cable)

7 шт2740 руб.
809119-06047-000

Стержень - Pivot (Pivot, ball # Ball, pivot; From 09119-06039, dt9.9, dt14, dt16 ) (Pivot)

21 шт520 руб.
967466-95200-000

Коннектор - Connector (Connector, throttle cable # Connector, cable (black); Dt9.9, dt14, dt16 ) (Connector)

18 шт560 руб.
1067345-93100-000

Запчасть снята с производства - The Spare Part Is Laid Off (Dt9.9, dt14, dt16) (The Spare Part Is Laid Off)

под заказ0 руб.
1109162-06001-000

Шайба с блокировкой - Washer, Lock (Dt9.9, dt14, dt16) (Washer, Lock)

под заказ160 руб.
1109162-06006-000

   (актуальный код замены) Шайба с блокировкой - Washer, Lock

под заказ160 руб.
1109162-06006-000

Шайба с блокировкой - Washer, Lock (Lock washer ) (Washer, Lock)

под заказ160 руб.
1209100-06058-000

Запчасть снята с производства - The Spare Part Is Laid Off (Dt9.9, dt14, dt16) (The Spare Part Is Laid Off)

под заказ0 руб.
1367200-93200-000

Запчасть снята с производства - The Spare Part Is Laid Off (To 67200-93201, dt9.9, dt14, dt16) (The Spare Part Is Laid Off)

под заказ0 руб.
1367200-93201-000

   (актуальный код замены) Запчасть снята с производства - The Spare Part Is Laid Off

под заказ0 руб.
1367200-95200-000

Запчасть снята с производства - The Spare Part Is Laid Off (To 67200-95201, dt9.9, dt14, dt16) (The Spare Part Is Laid Off)

под заказ0 руб.
1367200-95203-000

   (актуальный код замены) Запчасть снята с производства - The Spare Part Is Laid Off

под заказ0 руб.
1467300-95810-000

Держатель Set, Кабель дистанционного управления - Holder Set, Remocon Cable (Holder set, cable # Holder set; Dt9.9, dt14, dt16 ) (Holder Set, Remocon Cable)

под заказ0 руб.
1567310-93600-000

Запчасть снята с производства - The Spare Part Is Laid Off (Dt9.9) (The Spare Part Is Laid Off)

под заказ0 руб.
1567310-93610-000

Запчасть снята с производства - The Spare Part Is Laid Off (Dt9.9) (The Spare Part Is Laid Off)

под заказ0 руб.
1567310-93620-000

Запчасть снята с производства - The Spare Part Is Laid Off (Dt9.9) (The Spare Part Is Laid Off)

под заказ0 руб.
1567310-93630-000

Запчасть снята с производства - The Spare Part Is Laid Off (Dt9.9) (The Spare Part Is Laid Off)

под заказ0 руб.
1567310-93640-000

Запчасть снята с производства - The Spare Part Is Laid Off (Dt9.9) (The Spare Part Is Laid Off)

под заказ0 руб.
1567310-93650-000

Запчасть снята с производства - The Spare Part Is Laid Off (Dt9.9) (The Spare Part Is Laid Off)

под заказ0 руб.
1667310-93200-000

Запчасть снята с производства - The Spare Part Is Laid Off (Dt14, dt16) (The Spare Part Is Laid Off)

под заказ0 руб.
1667310-93210-000

Запчасть снята с производства - The Spare Part Is Laid Off (Dt14, dt16) (The Spare Part Is Laid Off)

под заказ0 руб.
1667310-93220-000

Запчасть снята с производства - The Spare Part Is Laid Off (Dt14, dt16) (The Spare Part Is Laid Off)

под заказ0 руб.
1667310-93230-000

Запчасть снята с производства - The Spare Part Is Laid Off (Dt14, dt16) (The Spare Part Is Laid Off)

под заказ0 руб.
1667310-93240-000

Запчасть снята с производства - The Spare Part Is Laid Off (Dt14, dt16) (The Spare Part Is Laid Off)

под заказ0 руб.
1667310-93250-000

Запчасть снята с производства - The Spare Part Is Laid Off (Dt14, dt16) (The Spare Part Is Laid Off)

под заказ0 руб.
1767320-95750-000

Тросик дистанционного управления (10f: 3.1m) - Cable Assy, Remocon (10f:31m) (Dt9.9, dt14, dt16) (Cable Assy, Remocon (10f:3.1m))

под заказ6340 руб.
1767320-93J10-000

   (актуальный код замены) Тросик дистанционного управления (10f: 3.1m) - Cable Assy, Remocon (10f:3.1m)

под заказ6340 руб.
1767320-93J10-000

Тросик дистанционного управления (10f: 3.1m) - Cable Assy, Remocon (10f:31m) (Cable Assy, Remocon (10f:3.1m))

под заказ6340 руб.
1767320-95740-000

Тросик дистанционного управления (10f: 3.1m) - Cable Assy, Remocon (10f:31m) (Dt9.9, dt14, dt16) (Cable Assy, Remocon (10f:3.1m))

под заказ6340 руб.
1767320-93J10-000

   (актуальный код замены) Тросик дистанционного управления (10f: 3.1m) - Cable Assy, Remocon (10f:3.1m)

под заказ6340 руб.
1767320-93J10-000

Тросик дистанционного управления (10f: 3.1m) - Cable Assy, Remocon (10f:31m) (Cable Assy, Remocon (10f:3.1m))

под заказ6340 руб.
1767320-95730-000

Тросик дистанционного управления (12f: 3.7m) - Cable Assy, Remocon (12f:37m) (Dt9.9, dt14, dt16) (Cable Assy, Remocon (12f:3.7m))

под заказ6920 руб.
1767320-93J20-000

   (актуальный код замены) Тросик дистанционного управления (12f: 3.7m) - Cable Assy, Remocon (12f:3.7m)

под заказ6920 руб.
1767320-93J20-000

Тросик дистанционного управления (12f: 3.7m) - Cable Assy, Remocon (12f:37m) (Cable Assy, Remocon (12f:3.7m))

под заказ6920 руб.
1767320-95720-000

Тросик дистанционного управления (14f: 4.2m) - Cable Assy, Remocon (14f:42m) (Dt9.9, dt14, dt16) (Cable Assy, Remocon (14f:4.2m))

под заказ7490 руб.
1767320-93J30-000

   (актуальный код замены) Тросик дистанционного управления (14f: 4.2m) - Cable Assy, Remocon (14f:4.2m)

3 шт7490 руб.
1767320-93J30-000

Тросик дистанционного управления (14f: 4.2m) - Cable Assy, Remocon (14f:42m) (Cable Assy, Remocon (14f:4.2m))

3 шт7490 руб.
1767320-95710-000

Тросик дистанционного управления (16f: 4.8m) - Cable Assy, Remocon (16f:48m) (Dt9.9, dt14, dt16) (Cable Assy, Remocon (16f:4.8m))

под заказ8020 руб.
1767320-93J40-000

   (актуальный код замены) Тросик дистанционного управления (16f: 4.8m) - Cable Assy, Remocon (16f:4.8m)

под заказ8020 руб.
1767320-93J40-000

Тросик дистанционного управления (16f: 4.8m) - Cable Assy, Remocon (16f:48m) (Cable Assy, Remocon (16f:4.8m))

под заказ8020 руб.
1767320-95200-000

Тросик дистанционного управления (18f: 5.4m) - Cable Assy, Remocon (18f:54m) (Dt9.9, dt14, dt16) (Cable Assy, Remocon (18f:5.4m))

под заказ8600 руб.
1767320-93J50-000

   (актуальный код замены) Тросик дистанционного управления (18f: 5.4m) - Cable Assy, Remocon (18f:5.4m)

под заказ8600 руб.
1767320-93J50-000

Тросик дистанционного управления (18f: 5.4m) - Cable Assy, Remocon (18f:54m) (Cable Assy, Remocon (18f:5.4m))

под заказ8600 руб.
1867100-99700-000

Соединитель Set, Strg Шнур End - Attachment Set, Strg Rope End (Dt9.9, dt14, dt16) (Attachment Set, Strg Rope End)

под заказ15220 руб.
1867110-99710-000

   (актуальный код замены) Соединитель Set, Strg Шнур End - Attachment Set, Strg Rope End

под заказ15220 руб.
1867110-99710-000

Соединитель Set, Strg Шнур End - Attachment Set, Strg Rope End (Attachment Set, Strg Rope End)

под заказ15220 руб.


Время выполнения запроса 6.9800910949707 сек.

 
 

данный сайт носит информационный характер и не является публичной офертой

склад запчастей для водомоторной техники