Подобрать оригинальные запчасти на подвесной двигатель SUZUKI - Clamp bracket
вконтакте

Контактный телефон: +7 (981) 121-46-93, +7 (800) 200-90-76 , Email: parts-katalog@yandex.ru, где купить

 
 

  Логин:

Пароль:

Регистрация

www.partskatalog.ru Все каталоги Запчасти Mercury Запчасти Suzuki Запчасти Tohatsu Запчасти Honda Контакты



УВАЖАЕМЫЕ КЛИЕНТЫ!
C 19 ДЕКАБРЯ 2025 ПО 02 МАРТА 2026 ГОДА ОТДЕЛ ЗАПЧАСТЕЙ И СЕРВИС РАБОТАТЬ НЕ БУДУТ
ПРОДАЖА ЛОДОЧНЫХ МОТОРОВ В ШТАТНОМ РЕЖИМЕ
ОБ ИЗМЕНЕНИЯХ В ГРАФИКЕ РАБОТЫ ЧИТАЙТЕ НА САЙТА



назад Раздел:   вперёд

Вернуться к выбору узлов мотора


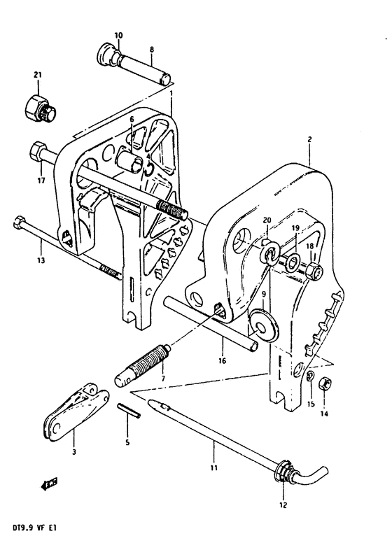
ДЕТАЛИРОВКА ДЛЯ МОДЕЛИ: SUZUKI DT9.9VF(D/E/F) F

Кронштейн транца


Год выпуска двигателя: 1985

Регион: General Export No.1 ,Код региона: P01

Номер на
рисунке
АртикулНаименованиеQTYКол-во
на складе
Цена
141111-93902-02M

под заказ0 руб.
109303-14003-000

Втулка - Bush (Bush)

9 шт320 руб.
141110-89E20-0ED

Кронштейн правого зажима - Bracket, Clamp Stbd (Bracket, clamp stbd ) (Bracket, Clamp Stbd)

под заказ0 руб.
145420-92DL0-000

Штифт блокировки наклона - Pin, Tilt Lock (Pin, Tilt Lock)

25 шт2890 руб.
241121-93901-02M

Запчасть снята с производства - The Spare Part Is Laid Off (~407193) (The Spare Part Is Laid Off)

под заказ0 руб.
241120-89E20-0ED

   (актуальный код замены) Запчасть снята с производства - The Spare Part Is Laid Off

под заказ0 руб.
241121-93902-02M

Запчасть снята с производства - The Spare Part Is Laid Off (407194~) (The Spare Part Is Laid Off)

под заказ0 руб.
241120-89E20-0ED

   (актуальный код замены) Запчасть снята с производства - The Spare Part Is Laid Off

под заказ0 руб.
341212-93000-02M

Струбцина румпеля (gray) - Handle, Clamp (gray) (Handle, Clamp (gray))

под заказ0 руб.
341212-93001-0ED

   (актуальный код замены) Запчасть снята с производства - The Spare Part Is Laid Off

под заказ0 руб.
341212-93001-0ED

Струбцина румпеля (gray) - Handle, Clamp (gray) (Handle, Clamp (gray))

под заказ0 руб.
409380-11007-000

Запчасть снята с производства - The Spare Part Is Laid Off (The Spare Part Is Laid Off)

под заказ0 руб.
509205-06012-000

Стопор пружины (6x25) - Pin, Spring (6x25) (Pin, Spring (6x25))

под заказ170 руб.
509205-06007-000

   (актуальный код замены) Стопор пружины (6x25) - Pin, Spring (6x25)

13 шт170 руб.
509205-06007-000

Стопор пружины (6x25) - Pin, Spring (6x25) (Pin (6x27) ) (Pin, Spring (6x25))

13 шт170 руб.
609303-14003-000

Втулка - Bush (Bush)

9 шт320 руб.
741211-93910-000

Винт зажима - Screw, Clamp (Screw, clamp, l:78;) (Screw, Clamp)

под заказ1720 руб.
741211-93920-000

   (актуальный код замены) Винт зажима - Screw, Clamp

под заказ1720 руб.
741211-93920-000

Винт зажима - Screw, Clamp (Screw, clamp, l:90 ) (Screw, Clamp)

под заказ1720 руб.
741211-93002-000

Винт зажима - Screw, Clamp (Opt) (Screw, Clamp)

под заказ1720 руб.
741211-93920-000

   (актуальный код замены) Винт зажима - Screw, Clamp

под заказ1720 руб.
741211-93920-000

Винт зажима - Screw, Clamp (Screw, clamp, l:90 ) (Screw, Clamp)

под заказ1720 руб.
741211-93702-000

Винт зажима - Screw, Clamp (Opt) (Screw, Clamp)

под заказ1720 руб.
741211-93920-000

   (актуальный код замены) Винт зажима - Screw, Clamp

под заказ1720 руб.
741211-93920-000

Винт зажима - Screw, Clamp (Screw, clamp, l:90 ) (Screw, Clamp)

под заказ1720 руб.
741211-93712-000

Винт зажима - Screw, Clamp (E1:opt) (Screw, Clamp)

под заказ1720 руб.
741211-93900-000

   (актуальный код замены) Винт зажима - Screw, Clamp

под заказ1720 руб.
741211-93900-000

Винт зажима - Screw, Clamp (Screw, clamp, l:68 ) (Screw, Clamp)

под заказ1720 руб.
841222-93910-000

Штифт, Tail Стопор - Pin, Tail Stopper (Pin, tilt stopper ) (Pin, Tail Stopper)

1 шт2260 руб.
941213-98100-000

Пластина струбцины - Plate, Clamp (Plate, clamp # Plate, clamp; ) (Plate, Clamp)

под заказ390 руб.
941213-94J01-000

   (актуальный код замены) Пластина струбцины - Plate, Clamp

под заказ420 руб.
1041221-96300-000

Ручка, Стопор наклона Штифт - Knob, Tilt Stopper Pin (Knob, Tilt Stopper Pin)

под заказ540 руб.
1041221-96301-000

   (актуальный код замены) Ручка, Стопор наклона Штифт - Knob, Tilt Stopper Pin

2 шт540 руб.
1041221-96301-000

Ручка, Стопор наклона Штифт - Knob, Tilt Stopper Pin (Knob, tilt stopper ) (Knob, Tilt Stopper Pin)

2 шт540 руб.
1145420-93900-000

Штифт блокировки наклона - Pin, Tilt Lock (Pin, Tilt Lock)

под заказ0 руб.
1145420-9390V-000

   (актуальный код замены) Запчасть снята с производства - The Spare Part Is Laid Off

под заказ0 руб.
1145420-9390V-000

Штифт блокировки наклона - Pin, Tilt Lock (Pin, Tilt Lock)

под заказ0 руб.
1209441-17001-000

Пружина - Spring (Spring)

11 шт220 руб.
1309100-06105-000

Запчасть снята с производства - The Spare Part Is Laid Off (The Spare Part Is Laid Off)

под заказ0 руб.
1409140-06020-000

Гайка - Nut (Nut)

9 шт150 руб.
1509162-06006-000

Шайба с блокировкой - Washer, Lock (Lock washer ) (Washer, Lock)

под заказ160 руб.
1609180-06113-02M

Запчасть снята с производства - The Spare Part Is Laid Off (The Spare Part Is Laid Off)

под заказ0 руб.
1609180-06113-000

   (актуальный код замены) Запчасть снята с производства - The Spare Part Is Laid Off

под заказ0 руб.
1709100-10199-000

Болт (10x170) - Bolt (10x170) (Bolt (10x170))

под заказ0 руб.
1809159-10050-000

Гайка - Nut (Nut)

8 шт250 руб.
1909160-10082-000

Шайба (10.5x19x2) - Washer (105x19x2) (Washer ) (Washer (10.5x19x2))

19 шт120 руб.
2009440-22006-000

Пружина - Spring (Spring)

под заказ1460 руб.
2009440-22008-000

   (актуальный код замены) Пружина - Spring

под заказ1460 руб.
2009440-22008-000

Пружина - Spring (Spring, tiller handle brkt ) (Spring)

под заказ1460 руб.
2141141-94300-000

Соединитель рулевой системы Регулятор - Attachment, Steering Adjuster (Attachment, steering cable; Opt) (Attachment, Steering Adjuster)

под заказ6920 руб.
2141141-94301-000

   (актуальный код замены) Соединитель рулевой системы Регулятор - Attachment, Steering Adjuster

под заказ6920 руб.
2141141-94301-000

Соединитель рулевой системы Регулятор - Attachment, Steering Adjuster (Attachment, Steering Adjuster)

под заказ6920 руб.


Время выполнения запроса 2.4095370769501 сек.

 
 

данный сайт носит информационный характер и не является публичной офертой

склад запчастей для водомоторной техники